Поиск подшипника
Статьи
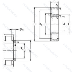
NJ215-E-MA6+HJ215-E — Роликовый радиальный однорядный подшипник, модификация основного исполнения NJ215, производство NKE.
Размер подшипника: 75x130x25 мм.
Однорядный цилиндрический роликоподшипник. Наружное кольцо имеет два борта, наружное — один борт, изготовленный из двух частей латунный сепаратор. центрирование по внешнему кольцу. различные конструкции или сорта материалов обозначаются цифрой или буквой, повышенная грузоподъемность.
Международная стандартизации ISO
NJ215EMA6HJ215E
В наличии
| Обозначение | Конструктивные изменения |
|---|---|
| NJ215TNG | Прочный сепаратор из полиамида. армированного стекловолокном. |
| NJ215-E-MPA-C3 | Внутренний зазор больше нормального. Повышенная грузоподъемность. Массивный латунный сепаратор. центрированный по бортику наружного кольца. |
| NJ215-E-MPA-C4 | Внутренний зазор подшипника больше. чем C3. Повышенная грузоподъемность. Обработанный латунный сепаратор. Направляющее внешнее кольцо. |
| NJ215E C3 | Внутренний зазор больше нормального. Повышенная грузоподъемность. |
| NJ215W | Цельный прессованный сепаратор. |
| NJ215ECM/C3 | Внутренний зазор больше нормального. Механически обработанный латунный сепаратор. клёпаный. центрируемый по роликам. Оптимизированная внутренняя конструкция предусматривает увеличенное количество роликов и/или ролики большего размера с улучшенными условиями контакта торцов роликов с бортами внутреннего кольца. |
| NJ215E G15 | Повышенная грузоподъемность. Литой сепаратор из полиамида 6.6. армированного стекловолокном. Элемент качения по центру. |
| NJ215E G15 J30 | Повышенная грузоподъемность. Внутренний зазор больше нормального. Литой сепаратор из полиамида 6.6. армированного стекловолокном. Элемент качения по центру. |
| NJ215ECJ/C3 | Внутренний зазор больше нормального. Сепаратор из штампованной стали. Центрирование роликов. Незакаленный. Два стальных сепаратора оконного типа. внутреннее кольцо без фланца. направляющее кольцо с усиленным роликом. |
| NJ215E.JP1.C3 | Внутренний зазор больше нормального. Повышенная грузоподъемность. Прессованный сепаратор из листового металла. |
| NJ215F/C3 | Внутренний зазор больше нормального. Сепаратор из обработанной стали или специального чугуна. |
| NJ215-E-XL-MPA-C3 | Внутренний зазор больше нормального. Повышенная грузоподъемность. Серия X-Life премиум-класс. увеличиный срок службы. Массивный латунный сепаратор. центрированный по бортику наружного кольца. |
| NJ215-E-XL-MPA-C4 | Внутренний зазор подшипника больше. чем C3. Повышенная грузоподъемность. Серия X-Life премиум-класс. увеличиный срок службы. Массивный латунный сепаратор. центрированный по бортику наружного кольца. |
| NJ215-E-XL-N1-MPAX-C3-H144 | Внутренний зазор больше нормального. Повышенная грузоподъемность. Серия X-Life премиум-класс. увеличиный срок службы. Один установочный паз на внешней кромке наружного кольца (для радиального расположения подшипника). Требования к точности железнодорожных подшипников для Siemens. Ребристый однокомпонентный цельнолатунный сепаратор является дальнейшим развитием сепараторов FAG типов MPA и MP1A и будет последовательно заменять эти типы. Он обладает большей прочностью по отношению к ударным нагрузкам и вибрациям. чем его предшественники. и особенно хорошо подходит для применения в условиях высоких нагрузок. |
| NJ215-E-M1 | Повышенная грузоподъемность. Механически обработанный латунный сепаратор. вращающийся элемент качения (крестовина на заклепках). |
| NJ215-E-TVP2 + HJ215-E | Повышенная грузоподъемность. Твердый сепаратор оконного типа из армированного стекловолокном полиамида. |
| NJ215FP/C3 | Внутренний зазор больше нормального. Механически обработанный стальной сепаратор оконного типа. |
| NJ215R | С выпуклыми асимметричными роликами и обработанным сепаратором. |
| NJ215-E-MPA+HJ215-E | Повышенная грузоподъемность. Твердый латунный сепаратор. |
| NJ215-E-M6 | Повышенная грузоподъемность. 20-28 UM (C3 & C4). |
| NJ215-E-TVP3 | Повышенная грузоподъемность. Цельный сепаратор из полиамида PA66-GF25. сепаратор оконного типа. направляемый телами качения. |
| NJ215-E-MPA | Повышенная грузоподъемность. Твердый латунный сепаратор. |
| NJ215-E-MA6 | Повышенная грузоподъемность. Изготовленный из двух частей латунный сепаратор. Центрирование по внешнему кольцу. Различные конструкции или сорта материалов обозначаются цифрой или буквой.. |
| NJ215-E-M6+HJ215-E | Повышенная грузоподъемность. 20-28 UM (C3 & C4). |
| NJ215-E-TVP3+HJ215-E | Повышенная грузоподъемность. Цельный сепаратор из полиамида PA66-GF25. сепаратор оконного типа. направляемый телами качения. |
Модификации роликового подшипника NJ215-E-MA6+HJ215-E — это измененное основное конструктивное исполнение NJ215, основные размеры (75x130x25) не отличаются.
| Обозначение | Гост | Конструктивные особенности |
|---|---|---|
| 23215-Л | ГОСТ | Сепаратор из латуни.. |
| 2В0-2215 КМ | ГОСТ | Модифицированный контакт.. |
| 30-32215 ЛМ | ГОСТ | Сепаратор из латуни.. Модифицированный контакт.. |
| 32215KM | ГОСТ | Type Of Model. |
| 32215ЛM | ГОСТ | Подшипник с латунным сепаратором. центрированный по телам качения. Сепаратор из латуни.. |
| NF215E | ISO | Повышенная грузоподъемность. |
| NH215 E | ISO | Повышенная грузоподъемность. |
| NP215 E | ISO | Повышенная грузоподъемность. |
| NH215 | ISO | Канавка под стопорное кольцо на наружном кольце подшипника. |
| NU215-E-MPA | ISO | Повышенная грузоподъемность. Твердый латунный сепаратор. |
| NU215-E-MA6 | ISO | Повышенная грузоподъемность. Изготовленный из двух частей латунный сепаратор. Центрирование по внешнему кольцу. Различные конструкции или сорта материалов обозначаются цифрой или буквой.. |
| В0-42215 КМ | ГОСТ | Модифицированный контакт.. |
| ВО-42215 КМ | ГОСТ | Модифицированный контакт.. |
| 6-32215 Б1 | ГОСТ | Сепаратор из безоловянистой бронзы.. |
| 42215-К1М | ГОСТ | Кольцевая проточка на середине цилиндрической наружной поверхности наружного кольца плюс три отверстия для смазки. Модифицированный контакт.. |
| 42215-КМ | ГОСТ | Кольцевая проточка на середине цилиндрической наружной поверхности наружного кольца плюс три отверстия для смазки. Модифицированный контакт.. |
| 42215-Л | ГОСТ | Сепаратор из латуни.. |
| 42215-ЛМ | ГОСТ | Сепаратор из латуни.. Модифицированный контакт.. |
| 42215KM | ГОСТ | Type Of Model. |
| 42215ЛM | ГОСТ | Подшипник с латунным сепаратором. центрированный по телам качения. Сепаратор из латуни.. |
Аналог роликового подшипника NJ215-E-MA6+HJ215-E — это подшипник такого же размера dx75,Dx130,Bx25, типа и конструкции.
| Обозначение | Конструктивные особенности | Внутренний (d) | Наружный (D) | Ширина (B) |
|---|---|---|---|---|
| 46215-АЕ | Шариковый радиально-упорный однорядный подшипник. Сепаратор из текстолита.. Повышенная грузоподъемность. | 75.00 | 130.00 | 25.00 |
| 46215-АЛ | Шариковый радиально-упорный однорядный подшипник. Сепаратор из латуни.. Повышенная грузоподъемность. | 75.00 | 130.00 | 25.00 |
| 46215-Е | Шариковый радиально-упорный однорядный подшипник. Сепаратор из текстолита.. | 75.00 | 130.00 | 25.00 |
| 46215-К1 | Шариковый радиально-упорный однорядный подшипник. «Замок» (скос) на внутреннем кольце плюс массивный сепаратор из текстолита. | 75.00 | 130.00 | 25.00 |
| 46215-Л | Шариковый радиально-упорный однорядный подшипник. Сепаратор из латуни.. | 75.00 | 130.00 | 25.00 |
| 46215E5 | Шариковый радиально-упорный однорядный подшипник. Смазочные отверстия и канавки во внутреннем кольце. | 75.00 | 130.00 | 25.00 |
| 46215К | Шариковый радиально-упорный однорядный подшипник. «Замок» (скос) на внутреннем кольце плюс массивный сепаратор из текстолита. | 75.00 | 130.00 | 25.00 |
| 5-126215-Р | Шариковый радиально-упорный однорядный подшипник. Детали из теплоустойчивой (быстрорежущие) стали.. | 75.00 | 130.00 | 25.00 |
| 5-215-Р | Шариковый радиальный однорядный подшипник. Детали из теплоустойчивой (быстрорежущие) стали.. | 75.00 | 130.00 | 25.00 |
| 5-46215-Е | Шариковый радиально-упорный однорядный подшипник. Сепаратор из текстолита.. | 75.00 | 130.00 | 25.00 |
| 5-46215-Е5 | Шариковый радиально-упорный однорядный подшипник. Сепаратор из текстолита.. | 75.00 | 130.00 | 25.00 |
| 5-46215 К | Шариковый радиально-упорный однорядный подшипник. «Замок» (скос) на внутреннем кольце плюс массивный сепаратор из текстолита. | 75.00 | 130.00 | 25.00 |
| 5-46215-Л | Шариковый радиально-упорный однорядный подшипник. Сепаратор из латуни.. | 75.00 | 130.00 | 25.00 |
| 50215-А | Шариковый радиальный однорядный подшипник. Повышенная грузоподъемность. | 75.00 | 130.00 | 25.00 |
| 50215-К5 | Шариковый радиальный однорядный подшипник. Повышенная грузоподъемность. | 75.00 | 130.00 | 25.00 |
Способы доставки
Отправка через ведущие транспортные и курьерские компании: ПЭК, Деловые Линии, СДЭК, Байкал-Сервис, Энергия, КИТ, ЖелДорЭкспедиция.
Самовывоз возможен напрямую со склада в Москве.
Сроки доставки
Срок зависит от региона и выбранной транспортной компании. Все заказы комплектуются и отправляются в кратчайшие сроки со склада в Москве.
Надёжность и сохранность
Вся продукция упаковывается с учётом требований транспортировки. Мы гарантируем, что подшипники и комплектующие прибудут к заказчику в полной сохранности.
Доставка в страны ЕАЭС
Мы работаем с проверенными логистическими партнёрами, что позволяет оперативно доставлять заказы в Беларусь, Казахстан, Армению и другие страны ЕАЭС.
Варианты оплаты:
Минимальная сумма заказа и скидки:
Документы и гарантии:
Да, конечно! Наши технические специалисты готовы помочь вам с подбором точного аналога или замены подшипника. Просто позвоните нам по телефону +7 (495) 104-99-04 или напишите на почту zakaz@podsnab.ru.
Для оперативной консультации подготовьте, пожалуйста, имеющиеся данные: маркировку, размеры, тип оборудования или артикул старого подшипника.
Да, конечно! Мы высоко ценим долгосрочное сотрудничество и доверие клиентов по всей России. Для постоянных клиентов действует персональная система скидок.
Условия формируются индивидуально и зависят от:
Чтобы узнать свои условия и получить максимально выгодное предложение, свяжитесь с персональным менеджером или напишите нам на почту zakaz@podsnab.ru.
Вы можете оформить заказ несколькими способами:
Для оформления заказа от юридического лица свяжитесь с нашим отделом по работе с корпоративными клиентами по телефону +7 (495) 104-99-04 или напишите на email zakaz@podsnab.ru, прикрепив реквизиты вашей организации.
Мы оперативно подготовим коммерческое предложение и выставим счет.
Возврат товара надлежащего качества возможен в течение 10 дней с момента получения, если товар не был в употреблении, сохранен товарный вид, упаковка не вскрывалась и присутствуют все сопроводительные документы.
Возврат денежных средств осуществляется в течение 10 рабочих дней после проверки товара складом.
В соответствии с законодательством возврату не подлежат подшипники надлежащего качества, если отсутствует оригинальная упаковка или имеются следы монтажа.
В случае выявления брака или гарантийного случая мы гарантируем возврат или обмен товара.
Да, гарантийный срок хранения устанавливается заводом-изготовителем и в среднем составляет 2 года при соблюдении условий хранения: сухое помещение, оригинальная упаковка и смазка.
Точный срок для конкретного типа подшипника уточняйте у наших менеджеров.
Пн–Пт: с 8:00 до 17:00 (МСК).
Сб–Вс: выходные дни.
Заказы на сайте принимаются круглосуточно. Заявки, поступившие после окончания рабочего дня, обрабатываются на следующий рабочий день.
Минимальная сумма заказа для доставки составляет 3000 рублей. Самовывоз со склада возможен на любую сумму при наличии товара.
ООО «УралТехГрупп»
ИНН: 7415093830
КПП: 772401001
ОГРН: 1167456069021
Банк: ПАО Сбербанк
Р/с: 40702810838000475273
К/с: 30101810400000000225
БИК: 044525225
У подшипника NJ215-E-MA6+HJ215-E пока нет отзывов. Вы можете стать первым покупателем, поделившимся своим мнением.