Поиск подшипника
Статьи
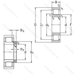
NJ2205-E-TVP3+HJ2205-E — Роликовый радиальный однорядный подшипник, модификация основного исполнения NJ2205, производство NKE.
Размер подшипника: 25x52x18 мм.
Однорядный цилиндрический роликоподшипник. Наружное кольцо имеет два борта, наружное — один борт, цельный сепаратор из полиамида pa66-gf25. сепаратор оконного типа. направляемый телами качения, повышенная грузоподъемность.
Международная стандартизации ISO
NJ2205ETVP3HJ2205E
В наличии
| Обозначение | Конструктивные изменения |
|---|---|
| NJ2205-E-TVP2-C4 | Внутренний зазор подшипника больше. чем C3. Повышенная грузоподъемность. Cепаратор изготовленный из полиамида PA66. армированного стекловолокном. |
| NJ2205E/TGP | Цилиндрический роликовый подшипник c увеличенной грузоподъемностью. Формованный полиамидный сепаратор оконного типа. Роликовые тела качения. |
| NJ2205E J1A | Цилиндрический роликовый подшипник c увеличенной грузоподъемностью. Прессованный стальной сепаратор. |
| NJ2205-E-TVP3-C3 | Внутренний зазор больше нормального. Увеличенная грузоподъёмность. Цельный сепаратор из полиамида PA66-GF25. сепаратор оконного типа. направляемый телами качения. |
| NJ2205-E-TVP3 | Повышенная грузоподъемность. Цельный сепаратор из полиамида PA66-GF25. сепаратор оконного типа. направляемый телами качения. |
| NJ2205E M6 C3 | Внутренний зазор больше нормального. Повышенная грузоподъемность. Цельный латунный сепаратор с роликовыми направляющими для цилиндрических роликоподшипников. |
| NJ2205M.C5 | Механически обработанный латунный сепаратор .Расположенный на элементах качения. Внутренний зазор подшипника больше. чем С4. |
| NJ2205FM C3 | Внутренний зазор больше нормального. Y-образный подшипник серии YET2 (внутреннее кольцо выдвинуто с одной стороны. Эксцентриковая стопорная втулка). Стандартное уплотнение без фланца с каждой стороны. |
| NJ2205-E-M1-C4 | Внутренний зазор подшипника больше. чем C3. Повышенная грузоподъемность. Механически обработанный латунный сепаратор. вращающийся элемент качения (крестовина на заклепках). |
| NJ2205EB MA6 C4 SQ52 | Внутренний зазор подшипника больше. чем C3. Изготовленный из двух частей латунный сепаратор. Центрирование по внешнему кольцу. Различные конструкции или сорта материалов обозначаются цифрой или буквой.. Оптимизированное исполнение для высоких осевых нагрузок. Bearing With Holes For LIfting Eye-Bolts. |
| NJ2205ET2X | Повышенная грузоподъемность. Полиамидный сепаратор 4.6 для цилиндрических роликоподшипников. |
| NJ2205-E-XL-TVP2-C4 | Внутренний зазор подшипника больше. чем C3. Повышенная грузоподъемность. Серия X-Life премиум-класс. увеличиный срок службы. Cепаратор изготовленный из полиамида PA66. армированного стекловолокном. |
| NJ2205TNG | Прочный сепаратор из полиамида. армированного стекловолокном. |
| NJ2205E.M1A.C4 | Внутренний зазор подшипника больше. чем C3. Повышенная грузоподъемность. Массивный латунный сепаратор. двухтельный. центрированный по бортам. |
| NJ.2205.E.G15 | Повышенная грузоподъемность. Литой сепаратор из полиамида 6.6. армированного стекловолокном. Элемент качения по центру. |
| NJ2205E/TGP1/C3 | Внутренний зазор больше нормального. Повышенная грузоподъемность. Прочный сепаратор из полиамида. армированного стекловолокном. |
| NJ2205M | Механически обработанный латунный сепаратор .Расположенный на элементах качения. |
| NJ2205A12 | Осевой люфт в микронах. |
| NJ2205E.TVP | Повышенная грузоподъемность. Molded Snap-Type Cage Of Glass Fibre Reinforced Polyamide. Rolling Element Riding. |
| NJ2205-E-TVP2 + HJ2205-E | Повышенная грузоподъемность. Твердый сепаратор оконного типа из армированного стекловолокном полиамида. |
| NJ2205R | С выпуклыми асимметричными роликами и обработанным сепаратором. |
| NJ2205EG | Игольчатые сепараторы для шатунов двигателей. |
| NJ2205-E-MPA+HJ2205-E | Повышенная грузоподъемность. Твердый латунный сепаратор. |
| NJ2205-E-MPA | Повышенная грузоподъемность. Твердый латунный сепаратор. |
| NJ2205 ETN | Цилиндрический роликовый подшипник. Дополнительная грузоподъемность с сепаратором из полиамида 6-6. |
Модификации роликового подшипника NJ2205-E-TVP3+HJ2205-E — это измененное основное конструктивное исполнение NJ2205, основные размеры (25x52x18) не отличаются.
| Обозначение | Гост | Конструктивные особенности |
|---|---|---|
| 2505-АЛ | ГОСТ | Сепаратор из латуни.. Повышенная грузоподъемность. |
| 8-2505 АЕ | ГОСТ | Сепаратор из текстолита.. Повышенная грузоподъемность. |
| 8-2505 КМУ | ГОСТ | Дополнительные технические требования. Модифицированный контакт.. |
| NUP2205-E-MPA | ISO | Повышенная грузоподъемность. Твердый латунный сепаратор. |
| NUP2205E.TVP | ISO | Повышенная грузоподъемность. Molded Snap-Type Cage Of Glass Fibre Reinforced Polyamide. Rolling Element Riding. |
| 2505-АЕ | ГОСТ | Сепаратор из текстолита.. Повышенная грузоподъемность. |
| 2505-АЕМ | ГОСТ | Сепаратор из текстолита.. Модифицированный контакт.. Повышенная грузоподъемность. |
| 2505-КМ | ГОСТ | Кольцевая проточка на середине цилиндрической наружной поверхности наружного кольца плюс три отверстия для смазки. Модифицированный контакт.. |
| 2505-КМУ | ГОСТ | Кольцевая проточка на середине цилиндрической наружной поверхности наружного кольца плюс три отверстия для смазки. Дополнительные технические требования. Модифицированный контакт.. |
| 2505AEУ | ГОСТ | Без суффикса. но с обозначением типа. Дополнительные технические требования. |
| 2505KM | ГОСТ | Type Of Model. |
| NH2205 E | ISO | Повышенная грузоподъемность. |
| NUP2205FM/C3 | ISO | Внутренний зазор больше нормального. Y-образный подшипник серии YET2 (внутреннее кольцо выдвинуто с одной стороны. Эксцентриковая стопорная втулка). Стандартное уплотнение без фланца с каждой стороны. |
| 70081C3 | ISO | Внутренний зазор больше нормального. |
| NU2205EG | ISO | Игольчатые сепараторы для шатунов двигателей. |
| NUP2205EG | ISO | Игольчатые сепараторы для шатунов двигателей. |
| NU2205-E-MPA | ISO | Повышенная грузоподъемность. Твердый латунный сепаратор. |
| И-2505 А | ГОСТ | Повышенная грузоподъемность. |
| NU 2205 ECML | ISO | Однорядный цилиндрический роликовый подшипник. |
| 42505-ЛМ | ГОСТ | Сепаратор из латуни.. Модифицированный контакт.. |
Аналог роликового подшипника NJ2205-E-TVP3+HJ2205-E — это подшипник такого же размера dx25,Dx52,Bx18, типа и конструкции.
| Обозначение | Конструктивные особенности | Внутренний (d) | Наружный (D) | Ширина (B) |
|---|---|---|---|---|
| 51305 V/HR22Q2 | Шариковый упорный однорядный подшипник. Подшипник без сепаратора. С полным комплектом тел качения. | 25.00 | 52.00 | 18.00 |
| 51305 V/HR22T2 | Шариковый упорный однорядный подшипник. Подшипник без сепаратора. С полным комплектом тел качения. | 25.00 | 52.00 | 18.00 |
| 53505-Н | Роликовый радиальный двухрядный подшипник. Детали из теплостойкой стали. | 25.00 | 52.00 | 18.00 |
| 537905C17 | Роликовый радиальный-упорный двухрядный подшипник. Литол-24. | 25.00 | 52.00 | 18.50 |
| 6-180505 А1УС17 | Шариковый радиальный однорядный подшипник. Смазка Литол-24. Дополнительные технические требования. Повышенная грузоподъемность. | 25.00 | 52.00 | 18.00 |
| 6-180505 А1УС17Ш1 | Шариковый радиальный однорядный подшипник. Смазка Литол-24. Дополнительные технические требования. Повышенная грузоподъемность. Нормы шумности. | 25.00 | 52.00 | 18.00 |
| 6-180505 А1УС9 | Шариковый радиальный однорядный подшипник. Дополнительные технические требования. Повышенная грузоподъемность. Смазка ЛЗ-31. | 25.00 | 52.00 | 18.00 |
| 6-180505 А1УС9Ш1 | Шариковый радиальный однорядный подшипник. Дополнительные технические требования. Повышенная грузоподъемность. Нормы шумности. Смазка ЛЗ-31. | 25.00 | 52.00 | 18.00 |
| 6-180505 АС17 | Шариковый радиальный однорядный подшипник. Смазка Литол-24. Повышенная грузоподъемность. | 25.00 | 52.00 | 18.00 |
| 6-180505 С17 | Шариковый радиальный однорядный подшипник. Смазка Литол-24. | 25.00 | 52.00 | 18.00 |
| 6-180505 С17Ш1 | Шариковый радиальный однорядный подшипник. Смазка Литол-24. Нормы шумности. | 25.00 | 52.00 | 18.00 |
| 6-180505 У1С17 | Шариковый радиальный однорядный подшипник. Смазка Литол-24. Дополнительные технические требования. | 25.00 | 52.00 | 18.00 |
| 6-180505 У1С17Ш1 | Шариковый радиальный однорядный подшипник. Смазка Литол-24. Нормы шумности. Дополнительные технические требования. | 25.00 | 52.00 | 18.00 |
| 6-180505 УС17 | Шариковый радиальный однорядный подшипник. Смазка Литол-24. Дополнительные технические требования. | 25.00 | 52.00 | 18.00 |
| 6-180505 УС17Ш1 | Шариковый радиальный однорядный подшипник. Смазка Литол-24. Дополнительные технические требования. Нормы шумности. | 25.00 | 52.00 | 18.00 |
Способы доставки
Отправка через ведущие транспортные и курьерские компании: ПЭК, Деловые Линии, СДЭК, Байкал-Сервис, Энергия, КИТ, ЖелДорЭкспедиция.
Самовывоз возможен напрямую со склада в Москве.
Сроки доставки
Срок зависит от региона и выбранной транспортной компании. Все заказы комплектуются и отправляются в кратчайшие сроки со склада в Москве.
Надёжность и сохранность
Вся продукция упаковывается с учётом требований транспортировки. Мы гарантируем, что подшипники и комплектующие прибудут к заказчику в полной сохранности.
Доставка в страны ЕАЭС
Мы работаем с проверенными логистическими партнёрами, что позволяет оперативно доставлять заказы в Беларусь, Казахстан, Армению и другие страны ЕАЭС.
Варианты оплаты:
Минимальная сумма заказа и скидки:
Документы и гарантии:
Да, конечно! Наши технические специалисты готовы помочь вам с подбором точного аналога или замены подшипника. Просто позвоните нам по телефону +7 (495) 104-99-04 или напишите на почту zakaz@podsnab.ru.
Для оперативной консультации подготовьте, пожалуйста, имеющиеся данные: маркировку, размеры, тип оборудования или артикул старого подшипника.
Да, конечно! Мы высоко ценим долгосрочное сотрудничество и доверие клиентов по всей России. Для постоянных клиентов действует персональная система скидок.
Условия формируются индивидуально и зависят от:
Чтобы узнать свои условия и получить максимально выгодное предложение, свяжитесь с персональным менеджером или напишите нам на почту zakaz@podsnab.ru.
Вы можете оформить заказ несколькими способами:
Для оформления заказа от юридического лица свяжитесь с нашим отделом по работе с корпоративными клиентами по телефону +7 (495) 104-99-04 или напишите на email zakaz@podsnab.ru, прикрепив реквизиты вашей организации.
Мы оперативно подготовим коммерческое предложение и выставим счет.
Возврат товара надлежащего качества возможен в течение 10 дней с момента получения, если товар не был в употреблении, сохранен товарный вид, упаковка не вскрывалась и присутствуют все сопроводительные документы.
Возврат денежных средств осуществляется в течение 10 рабочих дней после проверки товара складом.
В соответствии с законодательством возврату не подлежат подшипники надлежащего качества, если отсутствует оригинальная упаковка или имеются следы монтажа.
В случае выявления брака или гарантийного случая мы гарантируем возврат или обмен товара.
Да, гарантийный срок хранения устанавливается заводом-изготовителем и в среднем составляет 2 года при соблюдении условий хранения: сухое помещение, оригинальная упаковка и смазка.
Точный срок для конкретного типа подшипника уточняйте у наших менеджеров.
Пн–Пт: с 8:00 до 17:00 (МСК).
Сб–Вс: выходные дни.
Заказы на сайте принимаются круглосуточно. Заявки, поступившие после окончания рабочего дня, обрабатываются на следующий рабочий день.
Минимальная сумма заказа для доставки составляет 3000 рублей. Самовывоз со склада возможен на любую сумму при наличии товара.
ООО «УралТехГрупп»
ИНН: 7415093830
КПП: 772401001
ОГРН: 1167456069021
Банк: ПАО Сбербанк
Р/с: 40702810838000475273
К/с: 30101810400000000225
БИК: 044525225
У подшипника NJ2205-E-TVP3+HJ2205-E пока нет отзывов. Вы можете стать первым покупателем, поделившимся своим мнением.