Поиск подшипника
Статьи
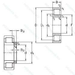
NJ2215-E-MPA+HJ2215-E — Роликовый радиальный однорядный подшипник, модификация основного исполнения NJ2215, производство NKE.
Размер подшипника: 75x130x31 мм.
Однорядный цилиндрический роликоподшипник. Наружное кольцо имеет два борта, наружное — один борт, твердый латунный сепаратор, повышенная грузоподъемность.
Международная стандартизации ISO
NJ2215EMPAHJ2215E
В наличии
| Обозначение | Конструктивные изменения |
|---|---|
| NJ2215-E-M1-C3 | Внутренний зазор больше нормального. Повышенная грузоподъемность. Механически обработанный латунный сепаратор. вращающийся элемент качения (крестовина на заклепках). |
| NJ2215ECJ | Два стальных сепаратора оконного типа. внутреннее кольцо без фланца. направляющее кольцо с усиленным роликом. Однорядный цилиндрический роликовый подшипник. |
| NJ2215ECP | Оптимизированная внутренняя конструкция предусматривает увеличенное количество роликов и/или ролики большего размера с улучшенными условиями контакта торцов роликов с бортами внутреннего кольца. Сепаратор из стеклонаполненного полиамида PA66. центрируемый по роликам. Однорядный цилиндрический роликовый подшипник. |
| NJ2215E.JP1.C3 | Внутренний зазор больше нормального. Повышенная грузоподъемность. Прессованный сепаратор из листового металла. |
| NJ2215-E-M1A-C3 | Внутренний зазор больше нормального. Повышенная грузоподъемность. Массивный латунный сепаратор. двухтельный. центрированный по бортам. |
| NJ2215-E-N-MP1A-C3 | Внутренний зазор больше нормального. Повышенная грузоподъемность. Канавка под стопорное кольцо на внешнем кольце. Твердый латунный сепаратор. Однорядный. С ребрами на внешнем кольце. Качество X-Life (грузоподъемность до 18 % больше. чем обычно). |
| NJ2215EN.MPA.C3 | Внутренний зазор больше нормального. Канавка под стопорное кольцо на внешнем кольце. Массивный латунный сепаратор. центрированный по бортику наружного кольца. Увеличенная грузоподъемность и канавка под стопорное кольцо на наружном кольце. |
| NJ2215E B MA6 C3 SQ52 | Внутренний зазор больше нормального. Повышенная грузоподъемность. Свободный ход шариков. Изготовленный из двух частей латунный сепаратор. Центрирование по внешнему кольцу. Различные конструкции или сорта материалов обозначаются цифрой или буквой.. Оптимизированное исполнение для высоких осевых нагрузок. |
| NJ2215ET2X | Повышенная грузоподъемность. Полиамидный сепаратор 4.6 для цилиндрических роликоподшипников. |
| NJ2215-E-XL-M1-T50C-C2 | Внутренний зазор подшипника меньше нормального. Повышенная грузоподъемность. Серия X-Life премиум-класс. увеличиный срок службы. Механически обработанный латунный сепаратор. вращающийся элемент качения (крестовина на заклепках). Radial Bearings With Restricted Bore Tolerance_ T50C Replaces 701165. |
| NJ2215-E-XL-N-MPA-C3 | Внутренний зазор больше нормального. Повышенная грузоподъемность. Серия X-Life премиум-класс. увеличиный срок службы. Канавка под стопорное кольцо на внешнем кольце. Window-Type Machined Brass Cage Guidance By The Outer Ring (Housing). |
| NJ2215-E-XL-N-MPAX-C3 | Внутренний зазор больше нормального. Повышенная грузоподъемность. Серия X-Life премиум-класс. увеличиный срок службы. Канавка под стопорное кольцо на внешнем кольце. Ребристый однокомпонентный цельнолатунный сепаратор является дальнейшим развитием сепараторов FAG типов MPA и MP1A и будет последовательно заменять эти типы. Он обладает большей прочностью по отношению к ударным нагрузкам и вибрациям. чем его предшественники. и особенно хорошо подходит для применения в условиях высоких нагрузок. |
| NJ2215-E-M6-C3 | Внутренний зазор больше нормального. Увеличенная грузоподъёмность. Цельный латунный сепаратор с роликовыми направляющими для цилиндрических роликоподшипников. |
| NJ2215W C3 | Внутренний зазор больше нормального. Цельный прессованный сепаратор. |
| NJ2215E G15 | Повышенная грузоподъемность. Литой сепаратор из полиамида 6.6. армированного стекловолокном. Элемент качения по центру. |
| NJ2215-E-MPA | Повышенная грузоподъемность. Твердый латунный сепаратор. |
| NJ2215 ET | Сквозная закалка и шлифовка стали с переломом в одной точке. |
| NJ2215-E-TVP2 + HJ2215-E | Повышенная грузоподъемность. Твердый сепаратор оконного типа из армированного стекловолокном полиамида. |
| NJ2215R | С выпуклыми асимметричными роликами и обработанным сепаратором. |
| NJ2215-E-MA6+HJ2215-E | Повышенная грузоподъемность. Изготовленный из двух частей латунный сепаратор. Центрирование по внешнему кольцу. Различные конструкции или сорта материалов обозначаются цифрой или буквой.. |
| NJ2215-E-M6+HJ2215-E | Повышенная грузоподъемность. 20-28 UM (C3 & C4). |
| NJ2215-E-M6 | Повышенная грузоподъемность. 20-28 UM (C3 & C4). |
| NJ2215-E-MA6 | Повышенная грузоподъемность. Изготовленный из двух частей латунный сепаратор. Центрирование по внешнему кольцу. Различные конструкции или сорта материалов обозначаются цифрой или буквой.. |
| NJ2215-E-TVP3 | Повышенная грузоподъемность. Цельный сепаратор из полиамида PA66-GF25. сепаратор оконного типа. направляемый телами качения. |
| NJ2215-E-TVP3+HJ2215-E | Повышенная грузоподъемность. Цельный сепаратор из полиамида PA66-GF25. сепаратор оконного типа. направляемый телами качения. |
Модификации роликового подшипника NJ2215-E-MPA+HJ2215-E — это измененное основное конструктивное исполнение NJ2215, основные размеры (75x130x31) не отличаются.
| Обозначение | Гост | Конструктивные особенности |
|---|---|---|
| NUP2215-E-MPA | ISO | Повышенная грузоподъемность. Твердый латунный сепаратор. |
| NUP2215-E-M6 | ISO | Повышенная грузоподъемность. 20-28 UM (C3 & C4). |
| NUP2215-E-MA6 | ISO | Повышенная грузоподъемность. Изготовленный из двух частей латунный сепаратор. Центрирование по внешнему кольцу. Различные конструкции или сорта материалов обозначаются цифрой или буквой.. |
| R1564V | ISO | Подшипник без сепаратора. С полным комплектом тел качения. |
| 2515 | ГОСТ | Роликовый радиальный однорядный подшипник. |
| 32515 | ГОСТ | Роликовый радиальный однорядный подшипник. |
| 42515 | ГОСТ | Роликовый радиальный однорядный подшипник. |
| 92515 | ГОСТ | Роликовый радиальный однорядный подшипник. |
| 612515 | ГОСТ | Роликовый радиальный однорядный подшипник. |
| 962715 | ГОСТ | Роликовый радиальный однорядный подшипник. |
| 32515-M | ГОСТ | Подшипник с латунным сепаратором. центрированный по телам качения. |
| NUP2215 EM | ISO | Стандартный фланцевый ( с резьбой и сквозным отверстием). |
| NH2215 E | ISO | Повышенная грузоподъемность. |
| NU2215-E-MPA | ISO | Повышенная грузоподъемность. Твердый латунный сепаратор. |
| NU2215-E-M6 | ISO | Повышенная грузоподъемность. 20-28 UM (C3 & C4). |
| NU2215-E-MA6 | ISO | Повышенная грузоподъемность. Изготовленный из двух частей латунный сепаратор. Центрирование по внешнему кольцу. Различные конструкции или сорта материалов обозначаются цифрой или буквой.. |
| 962715-Х | ГОСТ | Кольца и тела качения или только кольца (в том числе одно кольцо) из цементируемой стали.. |
| 75-32515 | ГОСТ | Роликовый радиальный однорядный подшипник. |
| NJ 2215 ECPH | ISO | Однорядный цилиндрический роликовый подшипник. |
| NU 2215 ECPH | ISO | Однорядный цилиндрический роликовый подшипник. |
Аналог роликового подшипника NJ2215-E-MPA+HJ2215-E — это подшипник такого же размера dx75,Dx130,Bx31, типа и конструкции.
| Обозначение | Конструктивные особенности | Внутренний (d) | Наружный (D) | Ширина (B) |
|---|---|---|---|---|
| NUP2215R | Роликовый радиальный цилиндрический однорядный подшипник. С выпуклыми асимметричными роликами и обработанным сепаратором. | 75.00 | 130.00 | 31.00 |
| 22215EX | Роликовый радиальный сферический двухрядный подшипник. Optimized Inner Construction - Extreme Quality F. Extreme Requirements. | 75.00 | 130.00 | 31.00 |
| 22215AEX | Роликовый радиальный сферический двухрядный подшипник. Высокоскоростной и высокопроизводительный сферический роликоподшипник. | 75.00 | 130.00 | 31.00 |
| 962715-УС17 | Роликовый радиальный цилиндрический двухрядный подшипник. Смазка Литол-24. Дополнительные технические требования. | 75.00 | 129.00 | 30.00 |
| 962715-ХС17 | Опорный ролик. Смазка Литол-24. Кольца и тела качения или только кольца (в том числе одно кольцо) из цементируемой стали.. | 75.00 | 129.00 | 32.00 |
| 97515A1 | Роликовый радиальный-упорный двухрядный подшипник. ABEC.1. | 75.00 | 130.00 | 31.00 |
| 5-1515-Ю | Шариковый радиальный двухрядный подшипник. Все детали или часть деталей из нержавеющей стали.. | 75.00 | 130.00 | 31.00 |
| 6-1515 Ю | Шариковый радиальный двухрядный подшипник. Все детали или часть деталей из нержавеющей стали.. | 75.00 | 130.00 | 31.00 |
| 4-1515 Ю | Шариковый радиальный двухрядный подшипник. Все детали или часть деталей из нержавеющей стали.. | 75.00 | 130.00 | 31.00 |
| 1515-Ю | Шариковый радиальный двухрядный подшипник. Все детали или часть деталей из нержавеющей стали.. | 75.00 | 130.00 | 31.00 |
| 612515У2 | Роликовый радиальный двухрядный подшипник. Дополнительные технические требования. | 75.00 | 130.00 | 31.00 |
| NU2215 ET | Роликовый радиальный подшипник. Сквозная закалка и шлифовка стали с переломом в одной точке. | 75.00 | 130.00 | 31.00 |
| 2215 TN9 | Шариковый сферический двухрядный подшипник. Литой защелкивающийся сепаратор из полиамида. армированного стекловолокном 6.6. | 75.00 | 130.00 | 31.00 |
| 2215-2RS | Шариковый сферический двухрядный подшипник. Резиновые уплотнения с каждой стороны подшипника. | 75.00 | 130.00 | 31.00 |
| 53515-Н | Роликовый радиальный двухрядный подшипник. Детали из теплостойкой стали. | 75.00 | 130.00 | 31.00 |
Способы доставки
Отправка через ведущие транспортные и курьерские компании: ПЭК, Деловые Линии, СДЭК, Байкал-Сервис, Энергия, КИТ, ЖелДорЭкспедиция.
Самовывоз возможен напрямую со склада в Москве.
Сроки доставки
Срок зависит от региона и выбранной транспортной компании. Все заказы комплектуются и отправляются в кратчайшие сроки со склада в Москве.
Надёжность и сохранность
Вся продукция упаковывается с учётом требований транспортировки. Мы гарантируем, что подшипники и комплектующие прибудут к заказчику в полной сохранности.
Доставка в страны ЕАЭС
Мы работаем с проверенными логистическими партнёрами, что позволяет оперативно доставлять заказы в Беларусь, Казахстан, Армению и другие страны ЕАЭС.
Варианты оплаты:
Минимальная сумма заказа и скидки:
Документы и гарантии:
Да, конечно! Наши технические специалисты готовы помочь вам с подбором точного аналога или замены подшипника. Просто позвоните нам по телефону +7 (495) 104-99-04 или напишите на почту zakaz@podsnab.ru.
Для оперативной консультации подготовьте, пожалуйста, имеющиеся данные: маркировку, размеры, тип оборудования или артикул старого подшипника.
Да, конечно! Мы высоко ценим долгосрочное сотрудничество и доверие клиентов по всей России. Для постоянных клиентов действует персональная система скидок.
Условия формируются индивидуально и зависят от:
Чтобы узнать свои условия и получить максимально выгодное предложение, свяжитесь с персональным менеджером или напишите нам на почту zakaz@podsnab.ru.
Вы можете оформить заказ несколькими способами:
Для оформления заказа от юридического лица свяжитесь с нашим отделом по работе с корпоративными клиентами по телефону +7 (495) 104-99-04 или напишите на email zakaz@podsnab.ru, прикрепив реквизиты вашей организации.
Мы оперативно подготовим коммерческое предложение и выставим счет.
Возврат товара надлежащего качества возможен в течение 10 дней с момента получения, если товар не был в употреблении, сохранен товарный вид, упаковка не вскрывалась и присутствуют все сопроводительные документы.
Возврат денежных средств осуществляется в течение 10 рабочих дней после проверки товара складом.
В соответствии с законодательством возврату не подлежат подшипники надлежащего качества, если отсутствует оригинальная упаковка или имеются следы монтажа.
В случае выявления брака или гарантийного случая мы гарантируем возврат или обмен товара.
Да, гарантийный срок хранения устанавливается заводом-изготовителем и в среднем составляет 2 года при соблюдении условий хранения: сухое помещение, оригинальная упаковка и смазка.
Точный срок для конкретного типа подшипника уточняйте у наших менеджеров.
Пн–Пт: с 8:00 до 17:00 (МСК).
Сб–Вс: выходные дни.
Заказы на сайте принимаются круглосуточно. Заявки, поступившие после окончания рабочего дня, обрабатываются на следующий рабочий день.
Минимальная сумма заказа для доставки составляет 3000 рублей. Самовывоз со склада возможен на любую сумму при наличии товара.
ООО «УралТехГрупп»
ИНН: 7415093830
КПП: 772401001
ОГРН: 1167456069021
Банк: ПАО Сбербанк
Р/с: 40702810838000475273
К/с: 30101810400000000225
БИК: 044525225
У подшипника NJ2215-E-MPA+HJ2215-E пока нет отзывов. Вы можете стать первым покупателем, поделившимся своим мнением.