Поиск подшипника
Статьи
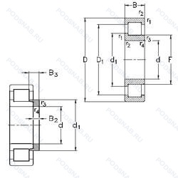
NJ2309-E-TVP3+HJ2309-E — Роликовый радиальный однорядный подшипник, модификация основного исполнения NJ2309, производство NKE.
Размер подшипника: 45x100x36 мм.
Однорядный цилиндрический роликоподшипник. Наружное кольцо имеет два борта, наружное — один борт, цельный сепаратор из полиамида pa66-gf25. сепаратор оконного типа. направляемый телами качения, повышенная грузоподъемность.
Международная стандартизации ISO
NJ2309ETVP3HJ2309E
В наличии
| Обозначение | Конструктивные изменения |
|---|---|
| NJ2309E TGP | Цилиндрический роликовый подшипник c увеличенной грузоподъемностью. Формованный полиамидный сепаратор оконного типа. Роликовые тела качения. |
| NJ2309WC4 | Внутренний зазор подшипника больше. чем C3. Сепаратор из стали. |
| NJ2309-E-TVP3-C3 | Внутренний зазор больше нормального. Увеличенная грузоподъёмность. Цельный сепаратор из полиамида PA66-GF25. сепаратор оконного типа. направляемый телами качения. |
| NJ2309-E-TVP3 | Повышенная грузоподъемность. Цельный сепаратор из полиамида PA66-GF25. сепаратор оконного типа. направляемый телами качения. |
| NJ2309-E-MPA-C4-QP51 | Внутренний зазор подшипника больше. чем C3. Повышенная грузоподъемность. Спецификация виброгрохота. Обработанный латунный сепаратор. Направляющее внешнее кольцо. |
| NJ2309-E-XL-MPA-C3 | Внутренний зазор больше нормального. Повышенная грузоподъемность. Серия X-Life премиум-класс. увеличиный срок службы. Массивный латунный сепаратор. центрированный по бортику наружного кольца. |
| NJ2309-E-XL-TVP2-QP51-C3 | Внутренний зазор больше нормального. Повышенная грузоподъемность. Серия X-Life премиум-класс. увеличиный срок службы. Cепаратор изготовленный из полиамида PA66. армированного стекловолокном. Спецификация виброгрохота. |
| NJ2309-E-XL-MPAX-C4 | Внутренний зазор подшипника больше. чем C3. Повышенная грузоподъемность. Серия X-Life премиум-класс. увеличиный срок службы. Ребристый однокомпонентный цельнолатунный сепаратор является дальнейшим развитием сепараторов FAG типов MPA и MP1A и будет последовательно заменять эти типы. Он обладает большей прочностью по отношению к ударным нагрузкам и вибрациям. чем его предшественники. и особенно хорошо подходит для применения в условиях высоких нагрузок. |
| NJ2309-E-TVP3-C3-OEMQ | Внутренний зазор больше нормального. Увеличенная грузоподъёмность. Цельный сепаратор из полиамида PA66-GF25. сепаратор оконного типа. направляемый телами качения. Original Equipement Manufacturer. |
| NJ2309M | Механически обработанный латунный сепаратор .Расположенный на элементах качения. |
| NJ2309ECP/C4VQ015 | Внутренний зазор подшипника больше. чем C3. Оптимизированная внутренняя конструкция предусматривает увеличенное количество роликов и/или ролики большего размера с улучшенными условиями контакта торцов роликов с бортами внутреннего кольца. Сепаратор из стеклонаполненного полиамида PA66. центрируемый по роликам. Внутреннее кольцо с конической дорожкой для увеличения допустимой погрешности смещения. |
| NJ2309E.TVP2.C4.BL | Внутренний зазор подшипника больше. чем C3. Повышенная грузоподъемность. Cепаратор изготовленный из полиамида PA66. армированного стекловолокном. Cylindrical Roller Bearing With Crowned Raceway On Inner Ring Or Outer Ring. Taper Bearing With Crowned Raceway On Inner Ring. Notice/ All Cylinder Rollers And Taper Rollers Have Light Curved Coated Lines. |
| NJ2309E.M1A.C4 | Внутренний зазор подшипника больше. чем C3. Повышенная грузоподъемность. Массивный латунный сепаратор. двухтельный. центрированный по бортам. |
| NJ2309E.TVP2.C4 | Внутренний зазор подшипника больше. чем C3. Повышенная грузоподъемность. Cепаратор изготовленный из полиамида PA66. армированного стекловолокном. |
| NJ2309E TGP C3 | Внутренний зазор больше нормального. Повышенная грузоподъемность. Формованный полиамидный сепаратор оконного типа. Роликовые тела качения. |
| NJ2309W | Цельный прессованный сепаратор. |
| NJ2309ET2 C4 | Внутренний зазор подшипника больше. чем C3. Повышенная грузоподъемность. |
| NJ2309E/97 | Повышенная грузоподъемность. |
| NJ2309E.TVP | Повышенная грузоподъемность. Molded Snap-Type Cage Of Glass Fibre Reinforced Polyamide. Rolling Element Riding. |
| NJ2309-E-TVP2 + HJ2309-E | Повышенная грузоподъемность. Твердый сепаратор оконного типа из армированного стекловолокном полиамида. |
| NJ2309R | С выпуклыми асимметричными роликами и обработанным сепаратором. |
| NJ2309-VH | Полный набор роликов (без сепаратора). Самоудерживающиеся. |
| NJ2309-E-MPA | Повышенная грузоподъемность. Твердый латунный сепаратор. |
| NJ2309-E-MPA+HJ2309-E | Повышенная грузоподъемность. Твердый латунный сепаратор. |
| NJ2309 EM | Стандартный фланцевый ( с резьбой и сквозным отверстием). |
Модификации роликового подшипника NJ2309-E-TVP3+HJ2309-E — это измененное основное конструктивное исполнение NJ2309, основные размеры (45x100x36) не отличаются.
| Обозначение | Гост | Конструктивные особенности |
|---|---|---|
| NUP2309-E-MPA | ISO | Повышенная грузоподъемность. Твердый латунный сепаратор. |
| 102609-М | ГОСТ | Модифицированный контакт.. |
| 12609-К1М | ГОСТ | Кольцевая проточка на середине цилиндрической наружной поверхности наружного кольца плюс три отверстия для смазки. Модифицированный контакт.. |
| 12609-ЛМ | ГОСТ | Сепаратор из латуни.. Модифицированный контакт.. |
| 2609-КМ | ГОСТ | Кольцевая проточка на середине цилиндрической наружной поверхности наружного кольца плюс три отверстия для смазки. Модифицированный контакт.. |
| 2609-ЛМ | ГОСТ | Сепаратор из латуни.. Модифицированный контакт.. |
| 2609-М1 | ГОСТ | Модифицированный контакт.. |
| 2В0-12609 К1М | ГОСТ | Модифицированный контакт.. |
| 2В0-2609 КМ | ГОСТ | Модифицированный контакт.. |
| 2В70-42609 Л3М | ГОСТ | Модифицированный контакт.. Сепаратор из латуни.. |
| 32609-М1 | ГОСТ | Модифицированный контакт.. |
| NH2309 E | ISO | Повышенная грузоподъемность. |
| NJF2309 V | ISO | Бессепараторный подшипник. |
| N2309E | ISO | Повышенная грузоподъемность. |
| NH2309 | ISO | Канавка под стопорное кольцо на наружном кольце подшипника. |
| NU2309-E-MPA | ISO | Повышенная грузоподъемность. Твердый латунный сепаратор. |
| 70-42609 Л | ГОСТ | Сепаратор из латуни.. |
| 70-42609 Л3М | ГОСТ | Модифицированный контакт.. Сепаратор из латуни.. |
| 42609-Л | ГОСТ | Сепаратор из латуни.. |
| 6-12609 К1М | ГОСТ | Модифицированный контакт.. |
Аналог роликового подшипника NJ2309-E-TVP3+HJ2309-E — это подшипник такого же размера dx45,Dx100,Bx36, типа и конструкции.
| Обозначение | Конструктивные особенности | Внутренний (d) | Наружный (D) | Ширина (B) |
|---|---|---|---|---|
| 7609A | Роликовый радиальный-упорный однорядный подшипник. Двухрядный радиально-упорный шарикоподшипник без отверстия для смазки. | 45.00 | 100.00 | 36.00 |
| 180609-АК | Шариковый радиальный однорядный подшипник. Повышенная грузоподъемность. | 45.00 | 100.00 | 36.00 |
| 180609-С17 | Шариковый радиальный однорядный подшипник. Смазка Литол-24. | 45.00 | 100.00 | 36.00 |
| 180609-С9 | Шариковый радиальный однорядный подшипник. Смазка ЛЗ-31. | 45.00 | 100.00 | 36.00 |
| 2309-K+H2309 | Шариковый сферический двухрядный подшипник. Коническое внутреннее отверстие. | 45.00 | 100.00 | 36.00 |
| 2309 TN9 | Шариковый сферический двухрядный подшипник. Литой защелкивающийся сепаратор из полиамида. армированного стекловолокном 6.6. | 45.00 | 100.00 | 36.00 |
| 2309E-2RS1KTN9 | Шариковый сферический двухрядный подшипник. Повышенная грузоподъемность. | 45.00 | 100.00 | 36.00 |
| 5-1609 Е | Шариковый радиальный двухрядный подшипник. Сепаратор из текстолита.. | 45.00 | 100.00 | 36.00 |
| 5-1609 Л | Шариковый радиальный двухрядный подшипник. Сепаратор из латуни.. | 45.00 | 100.00 | 36.00 |
| 53609-Е | Роликовый радиальный двухрядный подшипник. Сепаратор из текстолита.. | 45.00 | 100.00 | 36.00 |
| 53609-Н(22309CCW33C3) | Роликовый радиальный двухрядный подшипник. ВНИИНП-210. Детали из вакуумированной стали.. Детали из теплостойкой стали. | 45.00 | 100.00 | 36.00 |
| 53609-Н | Роликовый радиальный двухрядный подшипник. Детали из теплостойкой стали. | 45.00 | 100.00 | 36.00 |
| 6-1609 Е | Шариковый радиальный двухрядный подшипник. Сепаратор из текстолита.. | 45.00 | 100.00 | 36.00 |
| 6-1609 Л | Шариковый радиальный двухрядный подшипник. Сепаратор из латуни.. | 45.00 | 100.00 | 36.00 |
| 6-180609 С9Ш1 | Шариковый радиальный однорядный подшипник. Нормы шумности. Смазка ЛЗ-31. | 45.00 | 100.00 | 36.00 |
Способы доставки
Отправка через ведущие транспортные и курьерские компании: ПЭК, Деловые Линии, СДЭК, Байкал-Сервис, Энергия, КИТ, ЖелДорЭкспедиция.
Самовывоз возможен напрямую со склада в Москве.
Сроки доставки
Срок зависит от региона и выбранной транспортной компании. Все заказы комплектуются и отправляются в кратчайшие сроки со склада в Москве.
Надёжность и сохранность
Вся продукция упаковывается с учётом требований транспортировки. Мы гарантируем, что подшипники и комплектующие прибудут к заказчику в полной сохранности.
Доставка в страны ЕАЭС
Мы работаем с проверенными логистическими партнёрами, что позволяет оперативно доставлять заказы в Беларусь, Казахстан, Армению и другие страны ЕАЭС.
Варианты оплаты:
Минимальная сумма заказа и скидки:
Документы и гарантии:
Да, конечно! Наши технические специалисты готовы помочь вам с подбором точного аналога или замены подшипника. Просто позвоните нам по телефону +7 (495) 104-99-04 или напишите на почту zakaz@podsnab.ru.
Для оперативной консультации подготовьте, пожалуйста, имеющиеся данные: маркировку, размеры, тип оборудования или артикул старого подшипника.
Да, конечно! Мы высоко ценим долгосрочное сотрудничество и доверие клиентов по всей России. Для постоянных клиентов действует персональная система скидок.
Условия формируются индивидуально и зависят от:
Чтобы узнать свои условия и получить максимально выгодное предложение, свяжитесь с персональным менеджером или напишите нам на почту zakaz@podsnab.ru.
Вы можете оформить заказ несколькими способами:
Для оформления заказа от юридического лица свяжитесь с нашим отделом по работе с корпоративными клиентами по телефону +7 (495) 104-99-04 или напишите на email zakaz@podsnab.ru, прикрепив реквизиты вашей организации.
Мы оперативно подготовим коммерческое предложение и выставим счет.
Возврат товара надлежащего качества возможен в течение 10 дней с момента получения, если товар не был в употреблении, сохранен товарный вид, упаковка не вскрывалась и присутствуют все сопроводительные документы.
Возврат денежных средств осуществляется в течение 10 рабочих дней после проверки товара складом.
В соответствии с законодательством возврату не подлежат подшипники надлежащего качества, если отсутствует оригинальная упаковка или имеются следы монтажа.
В случае выявления брака или гарантийного случая мы гарантируем возврат или обмен товара.
Да, гарантийный срок хранения устанавливается заводом-изготовителем и в среднем составляет 2 года при соблюдении условий хранения: сухое помещение, оригинальная упаковка и смазка.
Точный срок для конкретного типа подшипника уточняйте у наших менеджеров.
Пн–Пт: с 8:00 до 17:00 (МСК).
Сб–Вс: выходные дни.
Заказы на сайте принимаются круглосуточно. Заявки, поступившие после окончания рабочего дня, обрабатываются на следующий рабочий день.
Минимальная сумма заказа для доставки составляет 3000 рублей. Самовывоз со склада возможен на любую сумму при наличии товара.
ООО «УралТехГрупп»
ИНН: 7415093830
КПП: 772401001
ОГРН: 1167456069021
Банк: ПАО Сбербанк
Р/с: 40702810838000475273
К/с: 30101810400000000225
БИК: 044525225
У подшипника NJ2309-E-TVP3+HJ2309-E пока нет отзывов. Вы можете стать первым покупателем, поделившимся своим мнением.