Поиск подшипника
Статьи
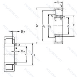
NJ2312-E-MA6+HJ2312-E — Роликовый радиальный однорядный подшипник, модификация основного исполнения NJ2312, производство NKE.
Размер подшипника: 60x130x46 мм.
Однорядный цилиндрический роликоподшипник. Наружное кольцо имеет два борта, наружное — один борт, изготовленный из двух частей латунный сепаратор. центрирование по внешнему кольцу. различные конструкции или сорта материалов обозначаются цифрой или буквой, повышенная грузоподъемность.
Международная стандартизации ISO
NJ2312EMA6HJ2312E
В наличии
| Обозначение | Конструктивные изменения |
|---|---|
| NJ2312E.MP1A.C3 | Внутренний зазор больше нормального. Повышенная грузоподъемность. Твердый латунный сепаратор. Однорядный. С ребрами на внешнем кольце. Качество X-Life (грузоподъемность до 18 % больше. чем обычно). |
| NJ2312ET2X C3 | Внутренний зазор больше нормального. Повышенная грузоподъемность. Полиамидный сепаратор 4.6 для цилиндрических роликоподшипников. |
| NJ2312E B MA6 C3 SQ52 | Внутренний зазор больше нормального. Повышенная грузоподъемность. Свободный ход шариков. Изготовленный из двух частей латунный сепаратор. Центрирование по внешнему кольцу. Различные конструкции или сорта материалов обозначаются цифрой или буквой.. Оптимизированное исполнение для высоких осевых нагрузок. |
| NJ2312-E-XL-M1A-QP51-C4 | Внутренний зазор подшипника больше. чем C3. Повышенная грузоподъемность. Серия X-Life премиум-класс. увеличиный срок службы. Спецификация виброгрохота. Массивный латунный сепаратор. двухтельный. центрированный по бортам. |
| NJ2312W | Цельный прессованный сепаратор. |
| NJ2312M | Механически обработанный латунный сепаратор .Расположенный на элементах качения. |
| NJ2312ECP/C4VQ015 | Внутренний зазор подшипника больше. чем C3. Оптимизированная внутренняя конструкция предусматривает увеличенное количество роликов и/или ролики большего размера с улучшенными условиями контакта торцов роликов с бортами внутреннего кольца. Сепаратор из стеклонаполненного полиамида PA66. центрируемый по роликам. Внутреннее кольцо с конической дорожкой для увеличения допустимой погрешности смещения. |
| NJ2312E.M1.C4 | Внутренний зазор подшипника больше. чем C3. Повышенная грузоподъемность. Механически обработанный латунный сепаратор. вращающийся элемент качения (крестовина на заклепках). |
| NJ2312E.TVP2.C4 | Внутренний зазор подшипника больше. чем C3. Повышенная грузоподъемность. Cепаратор изготовленный из полиамида PA66. армированного стекловолокном. |
| NJ2312E/TGP1 | Повышенная грузоподъемность. Прочный сепаратор из полиамида. армированного стекловолокном. |
| NJ2312E G15 | Повышенная грузоподъемность. Литой сепаратор из полиамида 6.6. армированного стекловолокном. Элемент качения по центру. |
| NJ2312E G15 J30 | Повышенная грузоподъемность. Внутренний зазор больше нормального. Литой сепаратор из полиамида 6.6. армированного стекловолокном. Элемент качения по центру. |
| NJ2312-E-XL-MPAX-QP51 | Повышенная грузоподъемность. Серия X-Life премиум-класс. увеличиный срок службы. Спецификация виброгрохота. Ребристый однокомпонентный цельнолатунный сепаратор является дальнейшим развитием сепараторов FAG типов MPA и MP1A и будет последовательно заменять эти типы. Он обладает большей прочностью по отношению к ударным нагрузкам и вибрациям. чем его предшественники. и особенно хорошо подходит для применения в условиях высоких нагрузок. |
| NJ2312-E-XL-N1-MPAX-C3-H144 | Внутренний зазор больше нормального. Повышенная грузоподъемность. Серия X-Life премиум-класс. увеличиный срок службы. Один установочный паз на внешней кромке наружного кольца (для радиального расположения подшипника). Требования к точности железнодорожных подшипников для Siemens. Ребристый однокомпонентный цельнолатунный сепаратор является дальнейшим развитием сепараторов FAG типов MPA и MP1A и будет последовательно заменять эти типы. Он обладает большей прочностью по отношению к ударным нагрузкам и вибрациям. чем его предшественники. и особенно хорошо подходит для применения в условиях высоких нагрузок. |
| NJ2312 ET | Сквозная закалка и шлифовка стали с переломом в одной точке. |
| NJ2312EM | Стандартный фланцевый ( с резьбой и сквозным отверстием). |
| NJ2312-E-TVP2 + HJ2312-E | Повышенная грузоподъемность. Твердый сепаратор оконного типа из армированного стекловолокном полиамида. |
| NJ2312R | С выпуклыми асимметричными роликами и обработанным сепаратором. |
| NJ2312-E-M6 | Повышенная грузоподъемность. 20-28 UM (C3 & C4). |
| NJ2312-E-MPA+HJ2312-E | Повышенная грузоподъемность. Твердый латунный сепаратор. |
| NJ2312-E-TVP3 | Повышенная грузоподъемность. Цельный сепаратор из полиамида PA66-GF25. сепаратор оконного типа. направляемый телами качения. |
| NJ2312-E-M6+HJ2312-E | Повышенная грузоподъемность. 20-28 UM (C3 & C4). |
| NJ2312-VH | Полный набор роликов (без сепаратора). Самоудерживающиеся. |
| NJ2312-E-MPA | Повышенная грузоподъемность. Твердый латунный сепаратор. |
| NJ2312-E-TVP3+HJ2312-E | Повышенная грузоподъемность. Цельный сепаратор из полиамида PA66-GF25. сепаратор оконного типа. направляемый телами качения. |
Модификации роликового подшипника NJ2312-E-MA6+HJ2312-E — это измененное основное конструктивное исполнение NJ2312, основные размеры (60x130x46) не отличаются.
| Обозначение | Гост | Конструктивные особенности |
|---|---|---|
| 2В70-42612 КМ | ГОСТ | Модифицированный контакт.. |
| 32612-КМ | ГОСТ | Модифицированный контакт.. |
| 32612-М | ГОСТ | Модифицированный контакт.. |
| 32612-М1 | ГОСТ | Модифицированный контакт.. |
| 32612KM | ГОСТ | Type Of Model. |
| 32612M | ГОСТ | Подшипник с латунным сепаратором. центрированный по телам качения. |
| NH2312 E | ISO | Повышенная грузоподъемность. |
| NJF2312 V | ISO | Бессепараторный подшипник. |
| NH2312 | ISO | Шестигранное отверстие (кулачковые ролики с осью). Канавка под стопорное кольцо на наружном кольце подшипника. |
| NU2312-E-MPA | ISO | Повышенная грузоподъемность. Твердый латунный сепаратор. |
| NU2312-E-M6 | ISO | Повышенная грузоподъемность. 20-28 UM (C3 & C4). |
| NU2312-E-MA6 | ISO | Повышенная грузоподъемность. Изготовленный из двух частей латунный сепаратор. Центрирование по внешнему кольцу. Различные конструкции или сорта материалов обозначаются цифрой или буквой.. |
| NU2312-E-TVP3 | ISO | Повышенная грузоподъемность. Цельный сепаратор из полиамида PA66-GF25. сепаратор оконного типа. направляемый телами качения. |
| 70-32612 К1М | ГОСТ | Модифицированный контакт.. |
| 70-32612 КМ | ГОСТ | Кольцевая проточка на середине цилиндрической наружной поверхности наружного кольца плюс три отверстия для смазки. Модифицированный контакт.. |
| 70-42612 КМ | ГОСТ | Кольцевая проточка на середине цилиндрической наружной поверхности наружного кольца плюс три отверстия для смазки. Модифицированный контакт.. |
| NJ 2312 ECPH | ISO | Однорядный цилиндрический роликовый подшипник. |
| NU 2312 ECPH | ISO | Однорядный цилиндрический роликовый подшипник. |
| 42612-КМ | ГОСТ | Кольцевая проточка на середине цилиндрической наружной поверхности наружного кольца плюс три отверстия для смазки. Модифицированный контакт.. |
| 42612-Л | ГОСТ | Сепаратор из латуни.. |
Аналог роликового подшипника NJ2312-E-MA6+HJ2312-E — это подшипник такого же размера dx60,Dx130,Bx46, типа и конструкции.
| Обозначение | Конструктивные особенности | Внутренний (d) | Наружный (D) | Ширина (B) |
|---|---|---|---|---|
| 76-180612 КС9Ш1 | Шариковый радиальный однорядный подшипник. Нормы шумности. Смазка ЛЗ-31. | 60.00 | 130.00 | 46.00 |
| 76-180612 КС9Ш2У | Шариковый радиальный однорядный подшипник. Дополнительные технические требования. Нормы шумности. Смазка ЛЗ-31. | 60.00 | 130.00 | 46.00 |
| 76-180612 С9Ш1 | Шариковый радиальный однорядный подшипник. Нормы шумности. Смазка ЛЗ-31. | 60.00 | 130.00 | 46.00 |
| 7612A | Роликовый радиальный-упорный однорядный подшипник. Двухрядный радиально-упорный шарикоподшипник без отверстия для смазки. | 60.00 | 130.00 | 46.00 |
| 180612-АК1 | Шариковый радиальный однорядный подшипник. Повышенная грузоподъемность. | 60.00 | 130.00 | 46.00 |
| 2312S | Шариковый сферический двухрядный подшипник. Запечатанная версия кулачкового ролика. Только для внутреннего и наружного колец. | 60.00 | 130.00 | 46.00 |
| 53612-Е | Роликовый радиальный двухрядный подшипник. Сепаратор из текстолита.. | 60.00 | 130.00 | 46.00 |
| 53612-К | Роликовый радиальный двухрядный подшипник. Кольцевая проточка на середине цилиндрической наружной поверхности наружного кольца плюс три отверстия для смазки. | 60.00 | 130.00 | 46.00 |
| 53612-Л | Роликовый радиальный двухрядный подшипник. Сепаратор из латуни.. | 60.00 | 130.00 | 46.00 |
| 53612-М | Роликовый радиальный двухрядный подшипник. Модифицированный контакт.. | 60.00 | 130.00 | 46.00 |
| 53612-Н | Роликовый радиальный двухрядный подшипник. Детали из теплостойкой стали. | 60.00 | 130.00 | 46.00 |
| 53612-НЕ | Роликовый радиальный двухрядный подшипник. Сепаратор из текстолита.. Детали из теплостойкой стали. | 60.00 | 130.00 | 46.00 |
| 53612-Т | Роликовый радиальный двухрядный подшипник. Температура отпуска. 160°. | 60.00 | 130.00 | 46.00 |
| 553612H | Роликовый радиальный сферический двухрядный подшипник. Pressed Snap-Type Steel Cage. Hardened. | 60.00 | 130.00 | 46.00 |
| 6-1612 Л | Шариковый радиальный двухрядный подшипник. Сепаратор из латуни.. | 60.00 | 130.00 | 46.00 |
Способы доставки
Отправка через ведущие транспортные и курьерские компании: ПЭК, Деловые Линии, СДЭК, Байкал-Сервис, Энергия, КИТ, ЖелДорЭкспедиция.
Самовывоз возможен напрямую со склада в Москве.
Сроки доставки
Срок зависит от региона и выбранной транспортной компании. Все заказы комплектуются и отправляются в кратчайшие сроки со склада в Москве.
Надёжность и сохранность
Вся продукция упаковывается с учётом требований транспортировки. Мы гарантируем, что подшипники и комплектующие прибудут к заказчику в полной сохранности.
Доставка в страны ЕАЭС
Мы работаем с проверенными логистическими партнёрами, что позволяет оперативно доставлять заказы в Беларусь, Казахстан, Армению и другие страны ЕАЭС.
Варианты оплаты:
Минимальная сумма заказа и скидки:
Документы и гарантии:
Да, конечно! Наши технические специалисты готовы помочь вам с подбором точного аналога или замены подшипника. Просто позвоните нам по телефону +7 (495) 104-99-04 или напишите на почту zakaz@podsnab.ru.
Для оперативной консультации подготовьте, пожалуйста, имеющиеся данные: маркировку, размеры, тип оборудования или артикул старого подшипника.
Да, конечно! Мы высоко ценим долгосрочное сотрудничество и доверие клиентов по всей России. Для постоянных клиентов действует персональная система скидок.
Условия формируются индивидуально и зависят от:
Чтобы узнать свои условия и получить максимально выгодное предложение, свяжитесь с персональным менеджером или напишите нам на почту zakaz@podsnab.ru.
Вы можете оформить заказ несколькими способами:
Для оформления заказа от юридического лица свяжитесь с нашим отделом по работе с корпоративными клиентами по телефону +7 (495) 104-99-04 или напишите на email zakaz@podsnab.ru, прикрепив реквизиты вашей организации.
Мы оперативно подготовим коммерческое предложение и выставим счет.
Возврат товара надлежащего качества возможен в течение 10 дней с момента получения, если товар не был в употреблении, сохранен товарный вид, упаковка не вскрывалась и присутствуют все сопроводительные документы.
Возврат денежных средств осуществляется в течение 10 рабочих дней после проверки товара складом.
В соответствии с законодательством возврату не подлежат подшипники надлежащего качества, если отсутствует оригинальная упаковка или имеются следы монтажа.
В случае выявления брака или гарантийного случая мы гарантируем возврат или обмен товара.
Да, гарантийный срок хранения устанавливается заводом-изготовителем и в среднем составляет 2 года при соблюдении условий хранения: сухое помещение, оригинальная упаковка и смазка.
Точный срок для конкретного типа подшипника уточняйте у наших менеджеров.
Пн–Пт: с 8:00 до 17:00 (МСК).
Сб–Вс: выходные дни.
Заказы на сайте принимаются круглосуточно. Заявки, поступившие после окончания рабочего дня, обрабатываются на следующий рабочий день.
Минимальная сумма заказа для доставки составляет 3000 рублей. Самовывоз со склада возможен на любую сумму при наличии товара.
ООО «УралТехГрупп»
ИНН: 7415093830
КПП: 772401001
ОГРН: 1167456069021
Банк: ПАО Сбербанк
Р/с: 40702810838000475273
К/с: 30101810400000000225
БИК: 044525225
У подшипника NJ2312-E-MA6+HJ2312-E пока нет отзывов. Вы можете стать первым покупателем, поделившимся своим мнением.