Поиск подшипника
Статьи
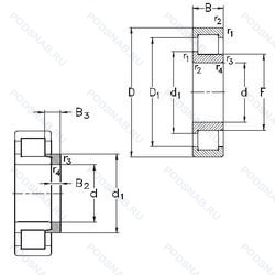
NJ2320-E-MA6+HJ2320-E — Роликовый радиальный однорядный подшипник, модификация основного исполнения NJ2320, производство NKE.
Размер подшипника: 100x215x73 мм.
Однорядный цилиндрический роликоподшипник. Наружное кольцо имеет два борта, наружное — один борт, изготовленный из двух частей латунный сепаратор. центрирование по внешнему кольцу. различные конструкции или сорта материалов обозначаются цифрой или буквой, повышенная грузоподъемность.
Международная стандартизации ISO
NJ2320EMA6HJ2320E
В наличии
| Обозначение | Конструктивные изменения |
|---|---|
| NJ2320-E-XL-MPAX-J30PC-C3 | Внутренний зазор больше нормального. Повышенная грузоподъемность. Серия X-Life премиум-класс. увеличиный срок службы. Ребристый однокомпонентный цельнолатунный сепаратор является дальнейшим развитием сепараторов FAG типов MPA и MP1A и будет последовательно заменять эти типы. Он обладает большей прочностью по отношению к ударным нагрузкам и вибрациям. чем его предшественники. и особенно хорошо подходит для применения в условиях высоких нагрузок. Кольца и тела качения с черным оксидным покрытием. |
| NJ2320-E-XL-N1-MPAX-C4 | Внутренний зазор подшипника больше. чем C3. Повышенная грузоподъемность. Серия X-Life премиум-класс. увеличиный срок службы. Один установочный паз на внешней кромке наружного кольца (для радиального расположения подшипника). Ребристый однокомпонентный цельнолатунный сепаратор является дальнейшим развитием сепараторов FAG типов MPA и MP1A и будет последовательно заменять эти типы. Он обладает большей прочностью по отношению к ударным нагрузкам и вибрациям. чем его предшественники. и особенно хорошо подходит для применения в условиях высоких нагрузок. |
| NJ2320-E-XL-TVP2-QP51-C4 | Внутренний зазор подшипника больше. чем C3. Повышенная грузоподъемность. Серия X-Life премиум-класс. увеличиный срок службы. Cепаратор изготовленный из полиамида PA66. армированного стекловолокном. Спецификация виброгрохота. |
| NJ2320E.M1A.C4.QP51 | Внутренний зазор подшипника больше. чем C3. Повышенная грузоподъемность. Спецификация виброгрохота. Массивный латунный сепаратор. двухтельный. центрированный по бортам. |
| NJ2320E.M1A.C4 | Внутренний зазор подшипника больше. чем C3. Повышенная грузоподъемность. Массивный латунный сепаратор. двухтельный. центрированный по бортам. |
| NJ2320WC3 | Внутренний зазор больше нормального. Цельный прессованный сепаратор. |
| NJ2320MA | Механически обработанный латунный сепаратор. Центрирование по внешнему кольцу. |
| NJ2320-E-MP1A-J30PC-C3 | Внутренний зазор больше нормального. Повышенная грузоподъемность. Твердый латунный сепаратор. Однорядный. С ребрами на внешнем кольце. Качество X-Life (грузоподъемность до 18 % больше. чем обычно). Кольца и тела качения с черным оксидным покрытием. |
| NJ2320EM C4 | Внутренний зазор подшипника больше. чем C3. Стандартный фланцевый ( с резьбой и сквозным отверстием). |
| NJ2320ECML/C4VQ015 | Внутренний зазор подшипника больше. чем C3. Оптимизированная внутренняя конструкция предусматривает увеличенное количество роликов и/или ролики большего размера с улучшенными условиями контакта торцов роликов с бортами внутреннего кольца. Внутреннее кольцо с конической дорожкой для увеличения допустимой погрешности смещения. Механически обработанный латунный сепаратор. оконного типа. центрируемый по внутреннему или наружному кольцу в зависимости от типа подшипника. |
| NJ2320-E-M1-J30PC | Повышенная грузоподъемность. Механически обработанный латунный сепаратор. вращающийся элемент качения (крестовина на заклепках). Кольца и тела качения с черным оксидным покрытием. |
| NJ2320-E-XL-M1-J30PC | Повышенная грузоподъемность. Серия X-Life премиум-класс. увеличиный срок службы. Механически обработанный латунный сепаратор. вращающийся элемент качения (крестовина на заклепках). Кольца и тела качения с черным оксидным покрытием. |
| NJ2320-E-M6 | Повышенная грузоподъемность. Цельный латунный сепаратор с роликовыми направляющими для цилиндрических роликоподшипников. |
| NJ2320-E-M6-C3 | Внутренний зазор больше нормального. Увеличенная грузоподъёмность. Цельный латунный сепаратор с роликовыми направляющими для цилиндрических роликоподшипников. |
| NJ2320-E-MA6-C3 | Внутренний зазор больше нормального. Увеличенная грузоподъёмность. Сепаратор из цельной латуни с наружным кольцом для цилиндрических роликоподшипников. Корпус сепаратора разработан с использованием механически обработанных заклепок трапециевидной формы. |
| NJ2320-E-TVP3 | Повышенная грузоподъемность. Цельный сепаратор из полиамида PA66-GF25. сепаратор оконного типа. направляемый телами качения. |
| NJ2320E.M1A.C3.QP51 | Внутренний зазор больше нормального. Повышенная грузоподъемность. Спецификация виброгрохота. Массивный латунный сепаратор. двухтельный. центрированный по бортам. |
| NJ2320 ET | Сквозная закалка и шлифовка стали с переломом в одной точке. |
| NJ2320-E-TVP2 + HJ2320-E | Повышенная грузоподъемность. Твердый сепаратор оконного типа из армированного стекловолокном полиамида. |
| NJ2320R | С выпуклыми асимметричными роликами и обработанным сепаратором. |
| NJ2320-VH | Полный набор роликов (без сепаратора). Самоудерживающиеся. |
| NJ2320-E-TVP3+HJ2320-E | Повышенная грузоподъемность. Цельный сепаратор из полиамида PA66-GF25. сепаратор оконного типа. направляемый телами качения. |
| NJ2320-E-MPA+HJ2320-E | Повышенная грузоподъемность. Твердый латунный сепаратор. |
| NJ2320-E-MPA | Повышенная грузоподъемность. Твердый латунный сепаратор. |
| NJ2320-E-M6+HJ2320-E | Повышенная грузоподъемность. 20-28 UM (C3 & C4). |
Модификации роликового подшипника NJ2320-E-MA6+HJ2320-E — это измененное основное конструктивное исполнение NJ2320, основные размеры (100x215x73) не отличаются.
| Обозначение | Гост | Конструктивные особенности |
|---|---|---|
| 30-42620 М | ГОСТ | Модифицированный контакт.. |
| 32620-Л | ГОСТ | Сепаратор из латуни.. |
| 32620-М | ГОСТ | Модифицированный контакт.. |
| 32620М-ПТВ | ГОСТ | Температура отпуска. 160°. Модифицированный контакт.. |
| 36-42620 М | ГОСТ | Модифицированный контакт.. |
| N2320 E | ISO | Повышенная грузоподъемность. |
| NF2320 E | ISO | Повышенная грузоподъемность. |
| NH2320 E | ISO | Повышенная грузоподъемность. |
| NJF2320 V | ISO | Бессепараторный подшипник. |
| NP2320 E | ISO | Повышенная грузоподъемность. |
| NH2320 | ISO | Канавка под стопорное кольцо на наружном кольце подшипника. |
| NP2320 | ISO | Канавка под стопорное кольцо на наружном кольце подшипника. |
| NU2320-E-M6 | ISO | Повышенная грузоподъемность. 20-28 UM (C3 & C4). |
| NU2320-E-MPA | ISO | Повышенная грузоподъемность. Твердый латунный сепаратор. |
| 8-42620 М | ГОСТ | Модифицированный контакт.. |
| 6-42620 М | ГОСТ | Модифицированный контакт.. |
| 70-42620 М | ГОСТ | Модифицированный контакт.. |
| 42620-Л | ГОСТ | Сепаратор из латуни.. |
| 42620-М | ГОСТ | Модифицированный контакт.. |
| 42620-МЛ | ГОСТ | Сепаратор из латуни.. Модифицированный контакт.. |
Аналог роликового подшипника NJ2320-E-MA6+HJ2320-E — это подшипник такого же размера dx100,Dx215,Bx73, типа и конструкции.
| Обозначение | Конструктивные особенности | Внутренний (d) | Наружный (D) | Ширина (B) |
|---|---|---|---|---|
| SL192320-TB | Роликовый радиальный подшипник. Textite (Fabric-Reinforced Phenolic Resin) Cage Guided On The Inner Ring. | 100.00 | 215.00 | 73.00 |
| ZSL192320-TB | Роликовый радиальный подшипник. Textite (Fabric-Reinforced Phenolic Resin) Cage Guided On The Inner Ring. | 100.00 | 215.00 | 73.00 |
| NF2320 | Роликовый радиальный цилиндрический однорядный подшипник. Механически обработанный сепаратор из стали или специального чугуна. Канавка под стопорное кольцо на наружном кольце подшипника. | 100.00 | 215.00 | 73.00 |
| NU2320R | Роликовый радиальный цилиндрический однорядный подшипник. С выпуклыми асимметричными роликами и обработанным сепаратором. | 100.00 | 215.00 | 73.00 |
| NUP2320R | Роликовый радиальный цилиндрический однорядный подшипник. С выпуклыми асимметричными роликами и обработанным сепаратором. | 100.00 | 215.00 | 73.00 |
| 22320AEX | Роликовый радиальный сферический двухрядный подшипник. Высокоскоростной и высокопроизводительный сферический роликоподшипник. | 100.00 | 215.00 | 73.00 |
| 22320EX | Роликовый радиальный сферический двухрядный подшипник. Optimized Inner Construction - Extreme Quality F. Extreme Requirements. | 100.00 | 215.00 | 73.00 |
| 2320K+H2320 | Шариковый сферический двухрядный подшипник. Коническое внутреннее отверстие. | 100.00 | 215.00 | 73.00 |
| 2320SK | Шариковый сферический двухрядный подшипник. Кулачковый толкатель штифтового типа. С шестигранной головкой. Только для внутреннего и наружного колец. | 100.00 | 215.00 | 73.00 |
| 2320S | Шариковый сферический двухрядный подшипник. Запечатанная версия кулачкового ролика. Только для внутреннего и наружного колец. | 100.00 | 215.00 | 73.00 |
| 53620-Е | Роликовый радиальный двухрядный подшипник. Сепаратор из текстолита.. | 100.00 | 215.00 | 73.00 |
| 53620-Л | Роликовый радиальный двухрядный подшипник. Сепаратор из латуни.. | 100.00 | 215.00 | 73.00 |
| 53620-Н | Роликовый радиальный двухрядный подшипник. Детали из теплостойкой стали. | 100.00 | 215.00 | 73.00 |
| 53620-НЕ | Роликовый радиальный двухрядный подшипник. Сепаратор из текстолита.. Детали из теплостойкой стали. | 100.00 | 215.00 | 73.00 |
| 53620ЛН | Роликовый радиальный двухрядный подшипник. Детали из теплостойкой стали. Сепаратор из латуни.. | 100.00 | 215.00 | 73.00 |
Способы доставки
Отправка через ведущие транспортные и курьерские компании: ПЭК, Деловые Линии, СДЭК, Байкал-Сервис, Энергия, КИТ, ЖелДорЭкспедиция.
Самовывоз возможен напрямую со склада в Москве.
Сроки доставки
Срок зависит от региона и выбранной транспортной компании. Все заказы комплектуются и отправляются в кратчайшие сроки со склада в Москве.
Надёжность и сохранность
Вся продукция упаковывается с учётом требований транспортировки. Мы гарантируем, что подшипники и комплектующие прибудут к заказчику в полной сохранности.
Доставка в страны ЕАЭС
Мы работаем с проверенными логистическими партнёрами, что позволяет оперативно доставлять заказы в Беларусь, Казахстан, Армению и другие страны ЕАЭС.
Варианты оплаты:
Минимальная сумма заказа и скидки:
Документы и гарантии:
Да, конечно! Наши технические специалисты готовы помочь вам с подбором точного аналога или замены подшипника. Просто позвоните нам по телефону +7 (495) 104-99-04 или напишите на почту zakaz@podsnab.ru.
Для оперативной консультации подготовьте, пожалуйста, имеющиеся данные: маркировку, размеры, тип оборудования или артикул старого подшипника.
Да, конечно! Мы высоко ценим долгосрочное сотрудничество и доверие клиентов по всей России. Для постоянных клиентов действует персональная система скидок.
Условия формируются индивидуально и зависят от:
Чтобы узнать свои условия и получить максимально выгодное предложение, свяжитесь с персональным менеджером или напишите нам на почту zakaz@podsnab.ru.
Вы можете оформить заказ несколькими способами:
Для оформления заказа от юридического лица свяжитесь с нашим отделом по работе с корпоративными клиентами по телефону +7 (495) 104-99-04 или напишите на email zakaz@podsnab.ru, прикрепив реквизиты вашей организации.
Мы оперативно подготовим коммерческое предложение и выставим счет.
Возврат товара надлежащего качества возможен в течение 10 дней с момента получения, если товар не был в употреблении, сохранен товарный вид, упаковка не вскрывалась и присутствуют все сопроводительные документы.
Возврат денежных средств осуществляется в течение 10 рабочих дней после проверки товара складом.
В соответствии с законодательством возврату не подлежат подшипники надлежащего качества, если отсутствует оригинальная упаковка или имеются следы монтажа.
В случае выявления брака или гарантийного случая мы гарантируем возврат или обмен товара.
Да, гарантийный срок хранения устанавливается заводом-изготовителем и в среднем составляет 2 года при соблюдении условий хранения: сухое помещение, оригинальная упаковка и смазка.
Точный срок для конкретного типа подшипника уточняйте у наших менеджеров.
Пн–Пт: с 8:00 до 17:00 (МСК).
Сб–Вс: выходные дни.
Заказы на сайте принимаются круглосуточно. Заявки, поступившие после окончания рабочего дня, обрабатываются на следующий рабочий день.
Минимальная сумма заказа для доставки составляет 3000 рублей. Самовывоз со склада возможен на любую сумму при наличии товара.
ООО «УралТехГрупп»
ИНН: 7415093830
КПП: 772401001
ОГРН: 1167456069021
Банк: ПАО Сбербанк
Р/с: 40702810838000475273
К/с: 30101810400000000225
БИК: 044525225
У подшипника NJ2320-E-MA6+HJ2320-E пока нет отзывов. Вы можете стать первым покупателем, поделившимся своим мнением.