Поиск подшипника
Статьи
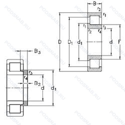
NJ2319-E-TVP3+HJ2319-E — Роликовый радиальный однорядный подшипник, модификация основного исполнения NJ2319, производство NKE.
Размер подшипника: 95x200x67 мм.
Однорядный цилиндрический роликоподшипник. Наружное кольцо имеет два борта, наружное — один борт, цельный сепаратор из полиамида pa66-gf25. сепаратор оконного типа. направляемый телами качения, повышенная грузоподъемность.
Международная стандартизации ISO
NJ2319ETVP3HJ2319E
В наличии
| Обозначение | Конструктивные изменения |
|---|---|
| NJ2319TVP | Формованный полиамидный сепаратор оконного типа. Роликовые тела качения. |
| NJ2319EMMC4-VM | Внутренний зазор подшипника больше. чем C3. Повышенная грузоподъемность. Механически обработанный латунный сепаратор .Расположенный на элементах качения. Внутреннее кольцо с конической дорожкой для увеличения допустимой погрешности смещения. |
| NJ2319ECP/C3 | Внутренний зазор больше нормального. Оптимизированная внутренняя конструкция предусматривает увеличенное количество роликов и/или ролики большего размера с улучшенными условиями контакта торцов роликов с бортами внутреннего кольца. Сепаратор из стеклонаполненного полиамида PA66. центрируемый по роликам. |
| NJ2319ECML | Оптимизированная внутренняя конструкция предусматривает увеличенное количество роликов и/или ролики большего размера с улучшенными условиями контакта торцов роликов с бортами внутреннего кольца. Механически обработанный латунный сепаратор. оконного типа. центрируемый по внутреннему или наружному кольцу в зависимости от типа подшипника. Однорядный цилиндрический роликовый подшипник. |
| NJ2319ECP | Оптимизированная внутренняя конструкция предусматривает увеличенное количество роликов и/или ролики большего размера с улучшенными условиями контакта торцов роликов с бортами внутреннего кольца. Сепаратор из стеклонаполненного полиамида PA66. центрируемый по роликам. Однорядный цилиндрический роликовый подшипник. |
| NJ2319-E-XL-M1A | Повышенная грузоподъемность. Серия X-Life премиум-класс. увеличиный срок службы. Массивный латунный сепаратор. двухтельный. центрированный по бортам. |
| NJ2319-E-XL-TVP2-C4 | Внутренний зазор подшипника больше. чем C3. Повышенная грузоподъемность. Серия X-Life премиум-класс. увеличиный срок службы. Cепаратор изготовленный из полиамида PA66. армированного стекловолокном. |
| NJ2319E M3 C3 | Внутренний зазор больше нормального. Увеличенная грузоподъемность подшипника. Machined Brass Cage. Spider Riveted. Roller Guidance. |
| NJ2319W C4 | Внутренний зазор подшипника больше. чем C3. Сепаратор из стали. |
| NJ2319E MA | Конструкция с увеличенной грузоподьемностью. Механически обработанный латунный сепаратор. Центрирование по внешнему кольцу. |
| NJ2319ECJ/C4 | Внутренний зазор подшипника больше. чем C3. Сепаратор из штампованной стали. Центрирование роликов. Незакаленный. Два стальных сепаратора оконного типа. внутреннее кольцо без фланца. направляющее кольцо с усиленным роликом. |
| NJ2319C3 | Внутренний зазор больше нормального. |
| NJ2319ECMA/C3 | Внутренний зазор больше нормального. Изготовленный из двух частей латунный сепаратор. внешнее кольцо по центру. Оптимизированная внутренняя конструкция предусматривает увеличенное количество роликов и/или ролики большего размера с улучшенными условиями контакта торцов роликов с бортами внутреннего кольца. |
| NJ2319-E-M1A-J30PC-C3 | Внутренний зазор больше нормального. Повышенная грузоподъемность. Массивный латунный сепаратор. двухтельный. центрированный по бортам. Кольца и тела качения с черным оксидным покрытием. |
| NJ2319-E-XL-M1A-J30PC-C3 | Внутренний зазор больше нормального. Повышенная грузоподъемность. Серия X-Life премиум-класс. увеличиный срок службы. Массивный латунный сепаратор. двухтельный. центрированный по бортам. Кольца и тела качения с черным оксидным покрытием. |
| NJ2319 ET | Сквозная закалка и шлифовка стали с переломом в одной точке. |
| NJ2319E | Повышенная грузоподъемность. |
| NJ2319-E-TVP2 + HJ2319-E | Повышенная грузоподъемность. Твердый сепаратор оконного типа из армированного стекловолокном полиамида. |
| NJ2319-E-M6+HJ2319-E | Повышенная грузоподъемность. 20-28 UM (C3 & C4). |
| NJ2319-E-MA6+HJ2319-E | Повышенная грузоподъемность. Изготовленный из двух частей латунный сепаратор. Центрирование по внешнему кольцу. Различные конструкции или сорта материалов обозначаются цифрой или буквой.. |
| NJ2319-E-MPA | Повышенная грузоподъемность. Твердый латунный сепаратор. |
| NJ2319-E-MPA+HJ2319-E | Повышенная грузоподъемность. Твердый латунный сепаратор. |
| NJ2319-E-MA6 | Повышенная грузоподъемность. Изготовленный из двух частей латунный сепаратор. Центрирование по внешнему кольцу. Различные конструкции или сорта материалов обозначаются цифрой или буквой.. |
| NJ2319-E-M6 | Повышенная грузоподъемность. 20-28 UM (C3 & C4). |
| NJ2319-E-TVP3 | Повышенная грузоподъемность. Цельный сепаратор из полиамида PA66-GF25. сепаратор оконного типа. направляемый телами качения. |
Модификации роликового подшипника NJ2319-E-TVP3+HJ2319-E — это измененное основное конструктивное исполнение NJ2319, основные размеры (95x200x67) не отличаются.
| Обозначение | Гост | Конструктивные особенности |
|---|---|---|
| NUP2319-E-MPA | ISO | Повышенная грузоподъемность. Твердый латунный сепаратор. |
| NUP2319-E-MA6 | ISO | Повышенная грузоподъемность. Изготовленный из двух частей латунный сепаратор. Центрирование по внешнему кольцу. Различные конструкции или сорта материалов обозначаются цифрой или буквой.. |
| NUP2319-E-TVP3 | ISO | Повышенная грузоподъемность. Цельный сепаратор из полиамида PA66-GF25. сепаратор оконного типа. направляемый телами качения. |
| NU2319 ET | ISO | Сквозная закалка и шлифовка стали с переломом в одной точке. |
| NUP2319 ET | ISO | Сквозная закалка и шлифовка стали с переломом в одной точке. |
| NU2319K | ISO | Коническое отверстие. Конусность 1/12. |
| NU2319EM | ISO | Стандартный фланцевый ( с резьбой и сквозным отверстием). |
| 2619-М | ГОСТ | Модифицированный контакт.. |
| 2ВО-32619 ЛМ | ГОСТ | Сепаратор из латуни.. Модифицированный контакт.. |
| 32619-Л | ГОСТ | Сепаратор из латуни.. |
| 32619-ЛМ | ГОСТ | Сепаратор из латуни.. Модифицированный контакт.. |
| 32619-М | ГОСТ | Модифицированный контакт.. |
| 32619ЛM | ГОСТ | Подшипник с латунным сепаратором. центрированный по телам качения. Сепаратор из латуни.. |
| NH2319 E | ISO | Повышенная грузоподъемность. |
| NJF2319 V | ISO | Бессепараторный подшипник. |
| NH2319 | ISO | Канавка под стопорное кольцо на наружном кольце подшипника. |
| NU2319-E-MPA | ISO | Повышенная грузоподъемность. Твердый латунный сепаратор. |
| NU2319-E-MA6 | ISO | Повышенная грузоподъемность. Изготовленный из двух частей латунный сепаратор. Центрирование по внешнему кольцу. Различные конструкции или сорта материалов обозначаются цифрой или буквой.. |
| NU2319-E-M6 | ISO | Повышенная грузоподъемность. 20-28 UM (C3 & C4). |
| NU2319-E-TVP3 | ISO | Повышенная грузоподъемность. Цельный сепаратор из полиамида PA66-GF25. сепаратор оконного типа. направляемый телами качения. |
Аналог роликового подшипника NJ2319-E-TVP3+HJ2319-E — это подшипник такого же размера dx95,Dx200,Bx67, типа и конструкции.
| Обозначение | Конструктивные особенности | Внутренний (d) | Наружный (D) | Ширина (B) |
|---|---|---|---|---|
| 22319 KCW33+H2319 | Роликовый радиальный сферический двухрядный подшипник. Кольцевая канавка и три отверстия для смазывания в наружном кольце подшипника. Коническое внутреннее отверстие. | 95.00 | 200.00 | 67.00 |
| NUP 2319 ECML | Роликовый радиальный цилиндрический однорядный подшипник. Однорядный цилиндрический роликовый подшипник. | 95.00 | 200.00 | 67.00 |
| NUP 2319 ECP | Роликовый радиальный цилиндрический однорядный подшипник. Однорядный цилиндрический роликовый подшипник. | 95.00 | 200.00 | 67.00 |
| NU2319E | Роликовый радиальный цилиндрический однорядный подшипник. Повышенная грузоподъемность. | 95.00 | 200.00 | 67.00 |
| NUP2319E | Роликовый радиальный цилиндрический однорядный подшипник. Повышенная грузоподъемность. | 95.00 | 200.00 | 67.00 |
| Z-566293.ZL-K-C3 | Роликовый радиальный подшипник. Внутренний зазор больше нормального. Коническое отверстие. Конусность 1/12. Цилиндрический роликовый подшипник. | 95.00 | 200.00 | 67.00 |
| LSL192319-TB | Роликовый радиальный подшипник. Textite (Fabric-Reinforced Phenolic Resin) Cage Guided On The Inner Ring. | 95.00 | 200.00 | 67.00 |
| ZSL192319-TB | Роликовый радиальный подшипник. Textite (Fabric-Reinforced Phenolic Resin) Cage Guided On The Inner Ring. | 95.00 | 200.00 | 67.00 |
| 22319EX | Роликовый радиальный сферический двухрядный подшипник. Optimized Inner Construction - Extreme Quality F. Extreme Requirements. | 95.00 | 200.00 | 67.00 |
| 22319AEX | Роликовый радиальный сферический двухрядный подшипник. Высокоскоростной и высокопроизводительный сферический роликоподшипник. | 95.00 | 200.00 | 67.00 |
| UK319L3 | Шариковый радиальный однорядный подшипник. Тройное манжетное уплотнение для вкладыша подшипника. | 95.00 | 200.00 | 66.00 |
| 2319-K+H2319 | Шариковый сферический двухрядный подшипник. Коническое внутреннее отверстие. | 95.00 | 200.00 | 67.00 |
| 2319S | Шариковый сферический двухрядный подшипник. Запечатанная версия кулачкового ролика. Только для внутреннего и наружного колец. | 95.00 | 200.00 | 67.00 |
| 2319SK | Шариковый сферический двухрядный подшипник. Кулачковый толкатель штифтового типа. С шестигранной головкой. Только для внутреннего и наружного колец. | 95.00 | 200.00 | 67.00 |
| 53619-Н | Роликовый радиальный двухрядный подшипник. Детали из теплостойкой стали. | 95.00 | 200.00 | 67.00 |
Способы доставки
Отправка через ведущие транспортные и курьерские компании: ПЭК, Деловые Линии, СДЭК, Байкал-Сервис, Энергия, КИТ, ЖелДорЭкспедиция.
Самовывоз возможен напрямую со склада в Москве.
Сроки доставки
Срок зависит от региона и выбранной транспортной компании. Все заказы комплектуются и отправляются в кратчайшие сроки со склада в Москве.
Надёжность и сохранность
Вся продукция упаковывается с учётом требований транспортировки. Мы гарантируем, что подшипники и комплектующие прибудут к заказчику в полной сохранности.
Доставка в страны ЕАЭС
Мы работаем с проверенными логистическими партнёрами, что позволяет оперативно доставлять заказы в Беларусь, Казахстан, Армению и другие страны ЕАЭС.
Варианты оплаты:
Минимальная сумма заказа и скидки:
Документы и гарантии:
Да, конечно! Наши технические специалисты готовы помочь вам с подбором точного аналога или замены подшипника. Просто позвоните нам по телефону +7 (495) 104-99-04 или напишите на почту zakaz@podsnab.ru.
Для оперативной консультации подготовьте, пожалуйста, имеющиеся данные: маркировку, размеры, тип оборудования или артикул старого подшипника.
Да, конечно! Мы высоко ценим долгосрочное сотрудничество и доверие клиентов по всей России. Для постоянных клиентов действует персональная система скидок.
Условия формируются индивидуально и зависят от:
Чтобы узнать свои условия и получить максимально выгодное предложение, свяжитесь с персональным менеджером или напишите нам на почту zakaz@podsnab.ru.
Вы можете оформить заказ несколькими способами:
Для оформления заказа от юридического лица свяжитесь с нашим отделом по работе с корпоративными клиентами по телефону +7 (495) 104-99-04 или напишите на email zakaz@podsnab.ru, прикрепив реквизиты вашей организации.
Мы оперативно подготовим коммерческое предложение и выставим счет.
Возврат товара надлежащего качества возможен в течение 10 дней с момента получения, если товар не был в употреблении, сохранен товарный вид, упаковка не вскрывалась и присутствуют все сопроводительные документы.
Возврат денежных средств осуществляется в течение 10 рабочих дней после проверки товара складом.
В соответствии с законодательством возврату не подлежат подшипники надлежащего качества, если отсутствует оригинальная упаковка или имеются следы монтажа.
В случае выявления брака или гарантийного случая мы гарантируем возврат или обмен товара.
Да, гарантийный срок хранения устанавливается заводом-изготовителем и в среднем составляет 2 года при соблюдении условий хранения: сухое помещение, оригинальная упаковка и смазка.
Точный срок для конкретного типа подшипника уточняйте у наших менеджеров.
Пн–Пт: с 8:00 до 17:00 (МСК).
Сб–Вс: выходные дни.
Заказы на сайте принимаются круглосуточно. Заявки, поступившие после окончания рабочего дня, обрабатываются на следующий рабочий день.
Минимальная сумма заказа для доставки составляет 3000 рублей. Самовывоз со склада возможен на любую сумму при наличии товара.
ООО «УралТехГрупп»
ИНН: 7415093830
КПП: 772401001
ОГРН: 1167456069021
Банк: ПАО Сбербанк
Р/с: 40702810838000475273
К/с: 30101810400000000225
БИК: 044525225
У подшипника NJ2319-E-TVP3+HJ2319-E пока нет отзывов. Вы можете стать первым покупателем, поделившимся своим мнением.