Поиск подшипника
Статьи
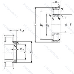
NJ2324-E-MA6+HJ2324-E — Роликовый радиальный однорядный подшипник, модификация основного исполнения NJ2324, производство NKE.
Размер подшипника: 120x260x86 мм.
Однорядный цилиндрический роликоподшипник. Наружное кольцо имеет два борта, наружное — один борт, изготовленный из двух частей латунный сепаратор. центрирование по внешнему кольцу. различные конструкции или сорта материалов обозначаются цифрой или буквой, повышенная грузоподъемность.
Международная стандартизации ISO
NJ2324EMA6HJ2324E
В наличии
| Обозначение | Конструктивные изменения |
|---|---|
| NJ2324-E-MP1A-J30PC-C3 | Внутренний зазор больше нормального. Повышенная грузоподъемность. Твердый латунный сепаратор. Однорядный. С ребрами на внешнем кольце. Качество X-Life (грузоподъемность до 18 % больше. чем обычно). Кольца и тела качения с черным оксидным покрытием. |
| NJ2324-E1A-M-C3 | Внутренний зазор больше нормального. Внутренние изменения в конструкции. Механически обработанный латунный сепаратор .Расположенный на элементах качения. Конструкция с увеличенной грузоподьемностью. |
| NJ2324EMA | Конструкция с увеличенной грузоподьемностью. Механически обработанный латунный сепаратор. Центрирование по внешнему кольцу. |
| NJ2324E MA C3 | Внутренний зазор больше нормального. Конструкция с увеличенной грузоподьемностью. Механически обработанный латунный сепаратор. Центрирование по внешнему кольцу. |
| NJ2324E MA C4 | Внутренний зазор подшипника больше. чем C3. Конструкция с увеличенной грузоподьемностью. Механически обработанный латунный сепаратор. Центрирование по внешнему кольцу. |
| NJ2324ECML/C3 | Внутренний зазор больше нормального. Оптимизированная внутренняя конструкция предусматривает увеличенное количество роликов и/или ролики большего размера с улучшенными условиями контакта торцов роликов с бортами внутреннего кольца. Механически обработанный латунный сепаратор. оконного типа. центрируемый по внутреннему или наружному кольцу в зависимости от типа подшипника. |
| NJ2324EMCCG112D-01LR | Повышенная грузоподъемность. Механически обработанный латунный сепаратор .Расположенный на элементах качения. Для невзаимозаменяемых цилиндрических роликоподшипников. Специальный радиальный зазор в микронах. Non Standard Specification. |
| NJ2324-E-XL-M1A-J30PC | Повышенная грузоподъемность. Серия X-Life премиум-класс. увеличиный срок службы. Массивный латунный сепаратор. двухтельный. центрированный по бортам. Кольца и тела качения с черным оксидным покрытием. |
| NJ2324-E-M1A-J30PC | Повышенная грузоподъемность. Массивный латунный сепаратор. двухтельный. центрированный по бортам. Кольца и тела качения с черным оксидным покрытием. |
| NJ2324-E-XL-MCA-C4 | Внутренний зазор подшипника больше. чем C3. Повышенная грузоподъемность. Серия X-Life премиум-класс. увеличиный срок службы. Массивный латунный сепаратор. Однокомпонентный. Направляющая на внешнем кольце. |
| NJ2324-E-XL-MCA-C3 | Радиальный внутренний зазор больше нормального. Повышенная грузоподъемность. Серия X-Life премиум-класс. увеличиный срок службы. Массивный латунный сепаратор. Однокомпонентный. Направляющая на внешнем кольце. |
| NJ2324-E-XL-MCA-QP51-C4 | Внутренний зазор подшипника больше. чем C3. Повышенная грузоподъемность. Серия X-Life премиум-класс. увеличиный срок службы. Спецификация виброгрохота. Массивный латунный сепаратор. Однокомпонентный. Направляющая на внешнем кольце. |
| NJ2324-E-XL-MCA-J30PC | Повышенная грузоподъемность. Серия X-Life премиум-класс. увеличиный срок службы. Кольца и тела качения с черным оксидным покрытием. Массивный латунный сепаратор. Однокомпонентный. Направляющая на внешнем кольце. |
| NJ2324-E-XL-MCA-J30PC-C3 | Радиальный внутренний зазор больше нормального. Повышенная грузоподъемность. Серия X-Life премиум-класс. увеличиный срок службы. Кольца и тела качения с черным оксидным покрытием. Массивный латунный сепаратор. Однокомпонентный. Направляющая на внешнем кольце. |
| NJ2324EM | Стандартный фланцевый ( с резьбой и сквозным отверстием). |
| NJ2324-E-M6 | Повышенная грузоподъемность. Цельный латунный сепаратор с роликовыми направляющими для цилиндрических роликоподшипников. |
| NJ2324E | Повышенная грузоподъемность. |
| NJ2324-E-M1 + HJ2324-E | Повышенная грузоподъемность. Механически обработанный латунный сепаратор. вращающийся элемент качения (крестовина на заклепках). |
| NJ2324R | С выпуклыми асимметричными роликами и обработанным сепаратором. |
| NJ2324-E-M6+HJ2324-E | Повышенная грузоподъемность. 20-28 UM (C3 & C4). |
| NJ2324-E-TVP3+HJ2324-E | Повышенная грузоподъемность. Цельный сепаратор из полиамида PA66-GF25. сепаратор оконного типа. направляемый телами качения. |
| NJ2324-VH | Полный набор роликов (без сепаратора). Самоудерживающиеся. |
| NJ2324-E-MPA | Повышенная грузоподъемность. Твердый латунный сепаратор. |
| NJ2324-E-TVP3 | Повышенная грузоподъемность. Цельный сепаратор из полиамида PA66-GF25. сепаратор оконного типа. направляемый телами качения. |
| NJ2324-E-MPA+HJ2324-E | Повышенная грузоподъемность. Твердый латунный сепаратор. |
Модификации роликового подшипника NJ2324-E-MA6+HJ2324-E — это измененное основное конструктивное исполнение NJ2324, основные размеры (120x260x86) не отличаются.
| Обозначение | Гост | Конструктивные особенности |
|---|---|---|
| 32624-ЛМ | ГОСТ | Сепаратор из латуни.. Модифицированный контакт.. |
| 32624ЛM | ГОСТ | Подшипник с латунным сепаратором. центрированный по телам качения. Сепаратор из латуни.. |
| N2324 E | ISO | Повышенная грузоподъемность. |
| NF2324 E | ISO | Повышенная грузоподъемность. |
| NH2324 E | ISO | Повышенная грузоподъемность. |
| NJF2324 V | ISO | Бессепараторный подшипник. |
| NP2324 E | ISO | Повышенная грузоподъемность. |
| NH2324 | ISO | Канавка под стопорное кольцо на наружном кольце подшипника. |
| NP2324 | ISO | Канавка под стопорное кольцо на наружном кольце подшипника. |
| NU2324R | ISO | С выпуклыми асимметричными роликами и обработанным сепаратором. |
| NU2324-E-TVP3 | ISO | Повышенная грузоподъемность. Цельный сепаратор из полиамида PA66-GF25. сепаратор оконного типа. направляемый телами качения. |
| NU2324-E-MA6 | ISO | Повышенная грузоподъемность. Изготовленный из двух частей латунный сепаратор. Центрирование по внешнему кольцу. Различные конструкции или сорта материалов обозначаются цифрой или буквой.. |
| NU2324-E-MPA | ISO | Повышенная грузоподъемность. Твердый латунный сепаратор. |
| 6-42624 Л | ГОСТ | Сепаратор из латуни.. |
| NJ 2324 ECML | ISO | Однорядный цилиндрический роликовый подшипник. |
| 42624-Л | ГОСТ | Сепаратор из латуни.. |
| 42624-ЛМ | ГОСТ | Сепаратор из латуни.. Модифицированный контакт.. |
| 42624-М | ГОСТ | Модифицированный контакт.. |
| 42624ЛM | ГОСТ | Подшипник с латунным сепаратором. центрированный по телам качения. Сепаратор из латуни.. |
| 52624ЛM | ГОСТ | Подшипник с латунным сепаратором. центрированный по телам качения. Сепаратор из латуни.. |
Аналог роликового подшипника NJ2324-E-MA6+HJ2324-E — это подшипник такого же размера dx120,Dx260,Bx86, типа и конструкции.
| Обозначение | Конструктивные особенности | Внутренний (d) | Наружный (D) | Ширина (B) |
|---|---|---|---|---|
| NUP2324E | Роликовый радиальный цилиндрический однорядный подшипник. Повышенная грузоподъемность. | 120.00 | 260.00 | 86.00 |
| Z-566296.ZL-K-C3 | Роликовый радиальный подшипник. Внутренний зазор больше нормального. Коническое отверстие. Конусность 1/12. Цилиндрический роликовый подшипник. | 120.00 | 260.00 | 86.00 |
| LSL192324-TB | Роликовый радиальный подшипник. Textite (Fabric-Reinforced Phenolic Resin) Cage Guided On The Inner Ring. | 120.00 | 260.00 | 86.00 |
| SL192324-TB | Роликовый радиальный подшипник. Textite (Fabric-Reinforced Phenolic Resin) Cage Guided On The Inner Ring. | 120.00 | 260.00 | 86.00 |
| ZSL192324-TB | Роликовый радиальный подшипник. Textite (Fabric-Reinforced Phenolic Resin) Cage Guided On The Inner Ring. | 120.00 | 260.00 | 86.00 |
| N2324 | Роликовый радиальный цилиндрический однорядный подшипник. Однорядный цилиндрический роликовый подшипник. Внутреннее кольцо подшипника имеет два борта. Два смещенных на 180° стопорных паза на наружной поверхности наружного кольца подшипника. | 120.00 | 260.00 | 86.00 |
| NF2324 | Роликовый радиальный цилиндрический однорядный подшипник. Механически обработанный сепаратор из стали или специального чугуна. Канавка под стопорное кольцо на наружном кольце подшипника. | 120.00 | 260.00 | 86.00 |
| NUP2324R | Роликовый радиальный цилиндрический однорядный подшипник. С выпуклыми асимметричными роликами и обработанным сепаратором. | 120.00 | 260.00 | 86.00 |
| 22324AEX | Роликовый радиальный сферический двухрядный подшипник. Высокоскоростной и высокопроизводительный сферический роликоподшипник. | 120.00 | 260.00 | 86.00 |
| 22324EX | Роликовый радиальный сферический двухрядный подшипник. Optimized Inner Construction - Extreme Quality F. Extreme Requirements. | 120.00 | 260.00 | 86.00 |
| QJ 2324 N2 | Шариковый радиально-упорный однорядный подшипник. Два установочных паза (выемки), расположенных под углом 180° друг от друга в одной боковой поверхности наружного кольца или шайбе корпуса.. | 120.00 | 260.00 | 86.00 |
| UK324L3 | Шариковый радиальный однорядный подшипник. Тройное манжетное уплотнение для вкладыша подшипника. | 120.00 | 260.00 | 87.00 |
| UK324 | Шариковый радиальный однорядный подшипник. Коническое отверстие. Универсальные подшпники. | 120.00 | 260.00 | 87.00 |
| 52624-ЛМ | Роликовый радиальный подшипник. Сепаратор из латуни.. Модифицированный контакт.. | 120.00 | 260.00 | 86.00 |
| 53624-Н | Роликовый радиальный двухрядный подшипник. Детали из теплостойкой стали. | 120.00 | 260.00 | 86.00 |
Способы доставки
Отправка через ведущие транспортные и курьерские компании: ПЭК, Деловые Линии, СДЭК, Байкал-Сервис, Энергия, КИТ, ЖелДорЭкспедиция.
Самовывоз возможен напрямую со склада в Москве.
Сроки доставки
Срок зависит от региона и выбранной транспортной компании. Все заказы комплектуются и отправляются в кратчайшие сроки со склада в Москве.
Надёжность и сохранность
Вся продукция упаковывается с учётом требований транспортировки. Мы гарантируем, что подшипники и комплектующие прибудут к заказчику в полной сохранности.
Доставка в страны ЕАЭС
Мы работаем с проверенными логистическими партнёрами, что позволяет оперативно доставлять заказы в Беларусь, Казахстан, Армению и другие страны ЕАЭС.
Варианты оплаты:
Минимальная сумма заказа и скидки:
Документы и гарантии:
Да, конечно! Наши технические специалисты готовы помочь вам с подбором точного аналога или замены подшипника. Просто позвоните нам по телефону +7 (495) 104-99-04 или напишите на почту zakaz@podsnab.ru.
Для оперативной консультации подготовьте, пожалуйста, имеющиеся данные: маркировку, размеры, тип оборудования или артикул старого подшипника.
Да, конечно! Мы высоко ценим долгосрочное сотрудничество и доверие клиентов по всей России. Для постоянных клиентов действует персональная система скидок.
Условия формируются индивидуально и зависят от:
Чтобы узнать свои условия и получить максимально выгодное предложение, свяжитесь с персональным менеджером или напишите нам на почту zakaz@podsnab.ru.
Вы можете оформить заказ несколькими способами:
Для оформления заказа от юридического лица свяжитесь с нашим отделом по работе с корпоративными клиентами по телефону +7 (495) 104-99-04 или напишите на email zakaz@podsnab.ru, прикрепив реквизиты вашей организации.
Мы оперативно подготовим коммерческое предложение и выставим счет.
Возврат товара надлежащего качества возможен в течение 10 дней с момента получения, если товар не был в употреблении, сохранен товарный вид, упаковка не вскрывалась и присутствуют все сопроводительные документы.
Возврат денежных средств осуществляется в течение 10 рабочих дней после проверки товара складом.
В соответствии с законодательством возврату не подлежат подшипники надлежащего качества, если отсутствует оригинальная упаковка или имеются следы монтажа.
В случае выявления брака или гарантийного случая мы гарантируем возврат или обмен товара.
Да, гарантийный срок хранения устанавливается заводом-изготовителем и в среднем составляет 2 года при соблюдении условий хранения: сухое помещение, оригинальная упаковка и смазка.
Точный срок для конкретного типа подшипника уточняйте у наших менеджеров.
Пн–Пт: с 8:00 до 17:00 (МСК).
Сб–Вс: выходные дни.
Заказы на сайте принимаются круглосуточно. Заявки, поступившие после окончания рабочего дня, обрабатываются на следующий рабочий день.
Минимальная сумма заказа для доставки составляет 3000 рублей. Самовывоз со склада возможен на любую сумму при наличии товара.
ООО «УралТехГрупп»
ИНН: 7415093830
КПП: 772401001
ОГРН: 1167456069021
Банк: ПАО Сбербанк
Р/с: 40702810838000475273
К/с: 30101810400000000225
БИК: 044525225
У подшипника NJ2324-E-MA6+HJ2324-E пока нет отзывов. Вы можете стать первым покупателем, поделившимся своим мнением.