Поиск подшипника
Статьи
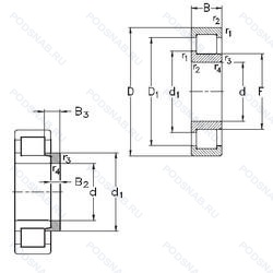
NJ2334-E-MA6+HJ2334-E — Роликовый радиальный однорядный подшипник, модификация основного исполнения NJ2334, производство NKE.
Размер подшипника: 170x360x120 мм.
Однорядный цилиндрический роликоподшипник. Наружное кольцо имеет два борта, наружное — один борт, изготовленный из двух частей латунный сепаратор. центрирование по внешнему кольцу. различные конструкции или сорта материалов обозначаются цифрой или буквой, повышенная грузоподъемность.
Международная стандартизации ISO
NJ2334EMA6HJ2334E
В наличии
| Обозначение | Конструктивные изменения |
|---|---|
| NJ2334-EX-TB-MPAX-J30PC | Подшипники с повышенной осевой грузоподъемностью. Конструкция с повышенной грузоподъемностью. конструкция изменена. Ребристый однокомпонентный цельнолатунный сепаратор является дальнейшим развитием сепараторов FAG типов MPA и MP1A и будет последовательно заменять эти типы. Он обладает большей прочностью по отношению к ударным нагрузкам и вибрациям. чем его предшественники. и особенно хорошо подходит для применения в условиях высоких нагрузок. Кольца и тела качения с черным оксидным покрытием. |
| NJ2334EX.809582 | Конструкция с повышенной грузоподъемностью. конструкция изменена. |
| NJ2334ECML/C3 | Внутренний зазор больше нормального. Оптимизированная внутренняя конструкция предусматривает увеличенное количество роликов и/или ролики большего размера с улучшенными условиями контакта торцов роликов с бортами внутреннего кольца. Механически обработанный латунный сепаратор. оконного типа. центрируемый по внутреннему или наружному кольцу в зависимости от типа подшипника. |
| NJ2334E/S/MC3DRU2U303 | Внутренний зазор больше нормального. Повышенная грузоподъемность. Механически обработанный латунный сепаратор .Расположенный на элементах качения. Код U303 в артикуле подшипника NSK показывает. что он был специально разработан и произведен для использования в ветроэнергетике. Эти подшипники для ветряных турбин изготовлены из высококлассной высокочистой подшипниковой стали и специальных сталей. используемых исключительно компанией NSK. Они также собираются на отдельных производственных участках и подлежат специальной упаковке. что предотвращает загрязнение.. Два подшипника. подобранные к одному комплекту. Специальная термическая обработка. Спецификация специального контроля качества. |
| NJ2334ECML/L4BC3PEXDR | Внутренний зазор больше нормального. Оптимизированная внутренняя конструкция предусматривает увеличенное количество роликов и/или ролики большего размера с улучшенными условиями контакта торцов роликов с бортами внутреннего кольца. Механически обработанный латунный сепаратор. оконного типа. центрируемый по внутреннему или наружному кольцу в зависимости от типа подшипника. Ролики и кольца подшипников с черным оксидированием. SKF Explorer Bearing. Used Only When Same-Sized Conventional And SKF Explorer Bearings Are Available. Два подшипника. подобранные к одному комплекту. |
| NJ2334E M3 | Увеличенная грузоподъемность подшипника. Machined Brass Cage. Spider Riveted. Roller Guidance. |
| NJ2334-EX-TB-M1 | Механически обработанный латунный сепаратор. вращающийся элемент качения (крестовина на заклепках). Подшипники с повышенной осевой грузоподъемностью. Конструкция с повышенной грузоподъемностью. конструкция изменена. |
| NJ2334-EX-TB-M1-C3 | Внутренний зазор больше нормального. Механически обработанный латунный сепаратор. вращающийся элемент качения (крестовина на заклепках). Подшипники с повышенной осевой грузоподъемностью. Конструкция с повышенной грузоподъемностью. конструкция изменена. |
| NJ2334-EX-TB-MPAX-C3 | Внутренний зазор больше нормального. Подшипники с повышенной осевой грузоподъемностью. Конструкция с повышенной грузоподъемностью. конструкция изменена. Ребристый однокомпонентный цельнолатунный сепаратор является дальнейшим развитием сепараторов FAG типов MPA и MP1A и будет последовательно заменять эти типы. Он обладает большей прочностью по отношению к ударным нагрузкам и вибрациям. чем его предшественники. и особенно хорошо подходит для применения в условиях высоких нагрузок. |
| NJ2334-EX-TB-MPAX | Подшипники с повышенной осевой грузоподъемностью. Конструкция с повышенной грузоподъемностью. конструкция изменена. Ребристый однокомпонентный цельнолатунный сепаратор является дальнейшим развитием сепараторов FAG типов MPA и MP1A и будет последовательно заменять эти типы. Он обладает большей прочностью по отношению к ударным нагрузкам и вибрациям. чем его предшественники. и особенно хорошо подходит для применения в условиях высоких нагрузок. |
| NJ2334-EX-MP1A-J30PC-C3 | Внутренний зазор больше нормального. Конструкция с повышенной грузоподъемностью. конструкция изменена. Твердый латунный сепаратор. Однорядный. С ребрами на внешнем кольце. Качество X-Life (грузоподъемность до 18 % больше. чем обычно). Кольца и тела качения с черным оксидным покрытием. |
| NJ2334ECML | Оптимизированная внутренняя конструкция предусматривает увеличенное количество роликов и/или ролики большего размера с улучшенными условиями контакта торцов роликов с бортами внутреннего кольца. Механически обработанный латунный сепаратор. оконного типа. центрируемый по внутреннему или наружному кольцу в зависимости от типа подшипника. Однорядный цилиндрический роликовый подшипник. |
| NJ2334E MA | Конструкция с увеличенной грузоподьемностью. Механически обработанный латунный сепаратор. Центрирование по внешнему кольцу. |
| NJ2334E MA C3 | Внутренний зазор больше нормального. Конструкция с увеличенной грузоподьемностью. Механически обработанный латунный сепаратор. Центрирование по внешнему кольцу. |
| NJ2334-EX-TB-MPAX-J30 | Радиальный внутренний зазор больше нормального. Подшипники с повышенной осевой грузоподъемностью. Конструкция с повышенной грузоподъемностью. конструкция изменена. Ребристый однокомпонентный цельнолатунный сепаратор является дальнейшим развитием сепараторов FAG типов MPA и MP1A и будет последовательно заменять эти типы. Он обладает большей прочностью по отношению к ударным нагрузкам и вибрациям. чем его предшественники. и особенно хорошо подходит для применения в условиях высоких нагрузок. |
| NJ2334EM | Стандартный фланцевый ( с резьбой и сквозным отверстием). |
| NJ2334 E | Повышенная грузоподъемность. |
| NJ2334-EX-M1+HJ2334-EX | Механически обработанный латунный сепаратор. вращающийся элемент качения (крестовина на заклепках). Optimized Inner Construction - Extreme Quality F. Extreme Requirements. |
| NJ2334 | Штампованный сепаратор из стального листа. Канавка под стопорное кольцо на наружном кольце подшипника. Однорядный цилиндрический роликовый подшипник. Наружное кольцо имеет два борта. Основное конструктивное исполнение. |
| NJ2334-E-M6 | Повышенная грузоподъемность. 20-28 UM (C3 & C4). |
| NJ2334-VH | Полный набор роликов (без сепаратора). Самоудерживающиеся. |
| NJ2334-E-MA6 | Повышенная грузоподъемность. Изготовленный из двух частей латунный сепаратор. Центрирование по внешнему кольцу. Различные конструкции или сорта материалов обозначаются цифрой или буквой.. |
| NJ2334-E-MPA | Повышенная грузоподъемность. Твердый латунный сепаратор. |
| NJ2334-E-MPA+HJ2334-E | Повышенная грузоподъемность. Твердый латунный сепаратор. |
| NJ2334-E-M6+HJ2334-E | Повышенная грузоподъемность. 20-28 UM (C3 & C4). |
Модификации роликового подшипника NJ2334-E-MA6+HJ2334-E — это измененное основное конструктивное исполнение NJ2334, основные размеры (170x360x120) не отличаются.
| Обозначение | Гост | Конструктивные особенности |
|---|---|---|
| NUP2334EM | ISO | Стандартный фланцевый ( с резьбой и сквозным отверстием). |
| NCF 2334 ECJB/PEX | ISO | SKF Explorer Bearing. Used Only When Same-Sized Conventional And SKF Explorer Bearings Are Available. Однорядный без сепараторный цилиндрический роликовый подшипник. |
| NCF 2334 ECJB | ISO | Однорядный без сепараторный цилиндрический роликовый подшипник. |
| 42634 | ГОСТ | Роликовый радиальный однорядный подшипник. |
| 52634 | ГОСТ | Роликовый радиальный однорядный подшипник. |
| 62634 | ГОСТ | Роликовый радиальный однорядный подшипник. |
| 152634 | ГОСТ | Роликовый радиальный однорядный подшипник. |
| 232634 | ГОСТ | Роликовый радиальный однорядный подшипник. |
| 2634AM | ГОСТ | Роликовый радиальный однорядный подшипник. |
| 32634-М | ГОСТ | Модифицированный контакт.. |
| NF2334 | ISO | Механически обработанный сепаратор из стали или специального чугуна. Канавка под стопорное кольцо на наружном кольце подшипника. |
| NH2334 | ISO | Канавка под стопорное кольцо на наружном кольце подшипника. |
| NP2334 | ISO | Канавка под стопорное кольцо на наружном кольце подшипника. |
| NU2334 E | ISO | Повышенная грузоподъемность. |
| NUP2334 E | ISO | Повышенная грузоподъемность. |
| NU2334-E-M6 | ISO | Повышенная грузоподъемность. 20-28 UM (C3 & C4). |
| NU2334-E-MA6 | ISO | Повышенная грузоподъемность. Изготовленный из двух частей латунный сепаратор. Центрирование по внешнему кольцу. Различные конструкции или сорта материалов обозначаются цифрой или буквой.. |
| NU2334-E-MPA | ISO | Повышенная грузоподъемность. Твердый латунный сепаратор. |
| 8-32634 М | ГОСТ | Модифицированный контакт.. |
| NU 2334 ECML | ISO | Однорядный цилиндрический роликовый подшипник. |
Аналог роликового подшипника NJ2334-E-MA6+HJ2334-E — это подшипник такого же размера dx170,Dx360,Bx120, типа и конструкции.
| Обозначение | Конструктивные особенности | Внутренний (d) | Наружный (D) | Ширина (B) |
|---|---|---|---|---|
| 22334CK | Роликовый радиальный сферический двухрядный подшипник. | 170.00 | 360.00 | 120.00 |
| 22334C | Роликовый радиальный сферический двухрядный подшипник. 15° Угол контакта. | 170.00 | 360.00 | 120.00 |
| 22334 KCW33+AH2334 | Роликовый радиальный сферический двухрядный подшипник. Кольцевая канавка и три отверстия для смазывания в наружном кольце подшипника. Коническое внутреннее отверстие. | 170.00 | 360.00 | 120.00 |
| 22334 KCW33+H2334 | Роликовый радиальный сферический двухрядный подшипник. Кольцевая канавка и три отверстия для смазывания в наружном кольце подшипника. Коническое внутреннее отверстие. | 170.00 | 360.00 | 120.00 |
| 22334-K-MB+AH2334G | Роликовый радиальный сферический двухрядный подшипник. Коническое отверстие. Конусность 1/12. сепаратор из латуни. центрированный по внутреннему кольцу. | 170.00 | 360.00 | 120.00 |
| 22334-K-MB+H2334 | Роликовый радиальный сферический двухрядный подшипник. Коническое отверстие. Конусность 1/12. сепаратор из латуни. центрированный по внутреннему кольцу. | 170.00 | 360.00 | 120.00 |
| 22334Н/W33 | Роликовый радиальный сферический двухрядный подшипник. Канавка для смазки и три отверстия во внешнем кольце подшипника. Детали из вакуумированной стали.. Детали из теплостойкой стали. | 170.00 | 360.00 | 120.00 |
| NU 2334 ECMA | Роликовый радиальный цилиндрический однорядный подшипник. Измененная или модифицированная внутренняя конструкция при неизменных основных размерах. Однорядный цилиндрический роликовый подшипник. | 170.00 | 360.00 | 120.00 |
| NJG 2334 VH | Роликовый радиальный цилиндрический однорядный подшипник. Полный набор роликов (без сепаратора). Самоудерживающиеся. | 170.00 | 360.00 | 120.00 |
| N2334 | Роликовый радиальный цилиндрический однорядный подшипник. Однорядный цилиндрический роликовый подшипник. Внутреннее кольцо подшипника имеет два борта. Два смещенных на 180° стопорных паза на наружной поверхности наружного кольца подшипника. | 170.00 | 360.00 | 120.00 |
| SL192334-TB | Роликовый радиальный подшипник. Textite (Fabric-Reinforced Phenolic Resin) Cage Guided On The Inner Ring. | 170.00 | 360.00 | 120.00 |
| NUP2334 | Роликовый радиальный цилиндрический однорядный подшипник. Сталь сквозной закалки SUJ2 (японская) и взаимозаменяемость (только для метрических серий). Канавка под стопорное кольцо на наружном кольце подшипника. Точность размеров примерно соответствует классу точности Р4. Класс точности 2. Однорядный цилиндрический роликовый подшипник. Наружное кольцо имеет два борта. | 170.00 | 360.00 | 120.00 |
| 22334EK | Роликовый радиальный сферический двухрядный подшипник. | 170.00 | 360.00 | 120.00 |
| 40-113634 Т1 | Роликовый радиальный двухрядный подшипник. 180°. Температура отпуска. | 170.00 | 360.00 | 120.00 |
| 53634Н | Роликовый радиальный двухрядный подшипник. Детали из теплостойкой стали. | 170.00 | 360.00 | 120.00 |
Способы доставки
Отправка через ведущие транспортные и курьерские компании: ПЭК, Деловые Линии, СДЭК, Байкал-Сервис, Энергия, КИТ, ЖелДорЭкспедиция.
Самовывоз возможен напрямую со склада в Москве.
Сроки доставки
Срок зависит от региона и выбранной транспортной компании. Все заказы комплектуются и отправляются в кратчайшие сроки со склада в Москве.
Надёжность и сохранность
Вся продукция упаковывается с учётом требований транспортировки. Мы гарантируем, что подшипники и комплектующие прибудут к заказчику в полной сохранности.
Доставка в страны ЕАЭС
Мы работаем с проверенными логистическими партнёрами, что позволяет оперативно доставлять заказы в Беларусь, Казахстан, Армению и другие страны ЕАЭС.
Варианты оплаты:
Минимальная сумма заказа и скидки:
Документы и гарантии:
Да, конечно! Наши технические специалисты готовы помочь вам с подбором точного аналога или замены подшипника. Просто позвоните нам по телефону +7 (495) 104-99-04 или напишите на почту zakaz@podsnab.ru.
Для оперативной консультации подготовьте, пожалуйста, имеющиеся данные: маркировку, размеры, тип оборудования или артикул старого подшипника.
Да, конечно! Мы высоко ценим долгосрочное сотрудничество и доверие клиентов по всей России. Для постоянных клиентов действует персональная система скидок.
Условия формируются индивидуально и зависят от:
Чтобы узнать свои условия и получить максимально выгодное предложение, свяжитесь с персональным менеджером или напишите нам на почту zakaz@podsnab.ru.
Вы можете оформить заказ несколькими способами:
Для оформления заказа от юридического лица свяжитесь с нашим отделом по работе с корпоративными клиентами по телефону +7 (495) 104-99-04 или напишите на email zakaz@podsnab.ru, прикрепив реквизиты вашей организации.
Мы оперативно подготовим коммерческое предложение и выставим счет.
Возврат товара надлежащего качества возможен в течение 10 дней с момента получения, если товар не был в употреблении, сохранен товарный вид, упаковка не вскрывалась и присутствуют все сопроводительные документы.
Возврат денежных средств осуществляется в течение 10 рабочих дней после проверки товара складом.
В соответствии с законодательством возврату не подлежат подшипники надлежащего качества, если отсутствует оригинальная упаковка или имеются следы монтажа.
В случае выявления брака или гарантийного случая мы гарантируем возврат или обмен товара.
Да, гарантийный срок хранения устанавливается заводом-изготовителем и в среднем составляет 2 года при соблюдении условий хранения: сухое помещение, оригинальная упаковка и смазка.
Точный срок для конкретного типа подшипника уточняйте у наших менеджеров.
Пн–Пт: с 8:00 до 17:00 (МСК).
Сб–Вс: выходные дни.
Заказы на сайте принимаются круглосуточно. Заявки, поступившие после окончания рабочего дня, обрабатываются на следующий рабочий день.
Минимальная сумма заказа для доставки составляет 3000 рублей. Самовывоз со склада возможен на любую сумму при наличии товара.
ООО «УралТехГрупп»
ИНН: 7415093830
КПП: 772401001
ОГРН: 1167456069021
Банк: ПАО Сбербанк
Р/с: 40702810838000475273
К/с: 30101810400000000225
БИК: 044525225
У подшипника NJ2334-E-MA6+HJ2334-E пока нет отзывов. Вы можете стать первым покупателем, поделившимся своим мнением.