Поиск подшипника
Статьи
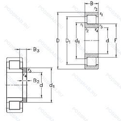
NJ236-E-MPA+HJ236-E — Роликовый радиальный однорядный подшипник, модификация основного исполнения NJ236, производство NKE.
Размер подшипника: 180x320x52 мм.
Однорядный цилиндрический роликоподшипник. Наружное кольцо имеет два борта, наружное — один борт, твердый латунный сепаратор, повышенная грузоподъемность.
Международная стандартизации ISO
NJ236EMPAHJ236E
В наличии
| Обозначение | Конструктивные изменения |
|---|---|
| NJ236-E-XL-M1-C3 | Внутренний зазор больше нормального. Повышенная грузоподъемность. Серия X-Life премиум-класс. увеличиный срок службы. Механически обработанный латунный сепаратор. вращающийся элемент качения (крестовина на заклепках). |
| NJ236-E-XL-M1-C4 | Внутренний зазор подшипника больше. чем C3. Повышенная грузоподъемность. Серия X-Life премиум-класс. увеличиный срок службы. Механически обработанный латунный сепаратор. вращающийся элемент качения (крестовина на заклепках). |
| NJ236ECJ/C3 | Внутренний зазор больше нормального. Сепаратор из штампованной стали. Центрирование роликов. Незакаленный. Два стальных сепаратора оконного типа. внутреннее кольцо без фланца. направляющее кольцо с усиленным роликом. |
| NJ236EMC3U2U303 | Внутренний зазор больше нормального. Повышенная грузоподъемность. Механически обработанный латунный сепаратор .Расположенный на элементах качения. Код U303 в артикуле подшипника NSK показывает. что он был специально разработан и произведен для использования в ветроэнергетике. Эти подшипники для ветряных турбин изготовлены из высококлассной высокочистой подшипниковой стали и специальных сталей. используемых исключительно компанией NSK. Они также собираются на отдельных производственных участках и подлежат специальной упаковке. что предотвращает загрязнение.. Спецификация специального контроля качества. |
| NJ236-E-XL-M1 | Повышенная грузоподъемность. Серия X-Life премиум-класс. увеличиный срок службы. Механически обработанный латунный сепаратор. вращающийся элемент качения (крестовина на заклепках). |
| NJ236-E-M1-C3 | Внутренний зазор больше нормального. Повышенная грузоподъемность. Механически обработанный латунный сепаратор. вращающийся элемент качения (крестовина на заклепках). |
| NJ236-E-M1 | Повышенная грузоподъемность. Механически обработанный латунный сепаратор. вращающийся элемент качения (крестовина на заклепках). |
| NJ236-E-M1-C4 | Внутренний зазор подшипника больше. чем C3. Повышенная грузоподъемность. Механически обработанный латунный сепаратор. вращающийся элемент качения (крестовина на заклепках). |
| NJ236ECMA/C4 | Внутренний зазор подшипника больше. чем C3. Изготовленный из двух частей латунный сепаратор. внешнее кольцо по центру. Оптимизированная внутренняя конструкция предусматривает увеличенное количество роликов и/или ролики большего размера с улучшенными условиями контакта торцов роликов с бортами внутреннего кольца. |
| NJ236M1.C3 | Внутренний зазор больше нормального. Механически обработанный латунный сепаратор. вращающийся элемент качения (крестовина на заклепках). |
| NJ236E M2 C3 | Внутренний зазор больше нормального. Повышенная грузоподъемность. Solid Brass Cage. Roller Guided (Rivetet. Round Rivet Pins). |
| NJ236EM | Стандартный фланцевый ( с резьбой и сквозным отверстием). |
| NJ236-E-M6 | Повышенная грузоподъемность. Цельный латунный сепаратор с роликовыми направляющими для цилиндрических роликоподшипников. |
| NJ236ECMA/C3 | Внутренний зазор больше нормального. Изготовленный из двух частей латунный сепаратор. внешнее кольцо по центру. Оптимизированная внутренняя конструкция предусматривает увеличенное количество роликов и/или ролики большего размера с улучшенными условиями контакта торцов роликов с бортами внутреннего кольца. |
| NJ236-E-XL-M1A | Повышенная грузоподъемность. Серия X-Life премиум-класс. увеличиный срок службы. Массивный латунный сепаратор. двухтельный. центрированный по бортам. |
| NJ236-E-XL-M1A-J30PC-C3 | Внутренний зазор больше нормального. Повышенная грузоподъемность. Серия X-Life премиум-класс. увеличиный срок службы. Массивный латунный сепаратор. двухтельный. центрированный по бортам. Кольца и тела качения с черным оксидным покрытием. |
| NJ236M C3 | Внутренний зазор больше нормального. Механически обработанный латунный сепаратор .Расположенный на элементах качения. |
| NJ236E MA C3 | Внутренний зазор больше нормального. Конструкция с увеличенной грузоподьемностью. Механически обработанный латунный сепаратор. Центрирование по внешнему кольцу. |
| NJ236E | Повышенная грузоподъемность. |
| NJ236-E-M1 + HJ236-E | Повышенная грузоподъемность. Механически обработанный латунный сепаратор. вращающийся элемент качения (крестовина на заклепках). |
| NJ236R | С выпуклыми асимметричными роликами и обработанным сепаратором. |
| NJ236-E-MA6 | Повышенная грузоподъемность. Изготовленный из двух частей латунный сепаратор. Центрирование по внешнему кольцу. Различные конструкции или сорта материалов обозначаются цифрой или буквой.. |
| NJ236-E-MPA | Повышенная грузоподъемность. Твердый латунный сепаратор. |
| NJ236-E-M6+HJ236-E | Повышенная грузоподъемность. 20-28 UM (C3 & C4). |
| NJ236-E-MA6+HJ236-E | Повышенная грузоподъемность. Изготовленный из двух частей латунный сепаратор. Центрирование по внешнему кольцу. Различные конструкции или сорта материалов обозначаются цифрой или буквой.. |
Модификации роликового подшипника NJ236-E-MPA+HJ236-E — это измененное основное конструктивное исполнение NJ236, основные размеры (180x320x52) не отличаются.
| Обозначение | Гост | Конструктивные особенности |
|---|---|---|
| В0-2236 ЛМ | ГОСТ | Сепаратор из латуни.. Модифицированный контакт.. |
| 86-62236 М1 | ГОСТ | Модифицированный контакт.. |
| NU236-E-M6 | ISO | Повышенная грузоподъемность. 20-28 UM (C3 & C4). |
| NU236-E-MPA | ISO | Повышенная грузоподъемность. Твердый латунный сепаратор. |
| NUP236EM | ISO | Стандартный фланцевый ( с резьбой и сквозным отверстием). |
| 42236 | ГОСТ | Роликовый радиальный однорядный подшипник. |
| 2236-Л | ГОСТ | Сепаратор из латуни.. |
| 2236-ЛМ | ГОСТ | Сепаратор из латуни.. Модифицированный контакт.. |
| 2236-М | ГОСТ | Модифицированный контакт.. |
| 2В0-2236 ЛМ | ГОСТ | Сепаратор из латуни.. Модифицированный контакт.. |
| N236 E | ISO | Повышенная грузоподъемность. |
| NF236 E | ISO | Повышенная грузоподъемность. |
| NH236 E | ISO | Повышенная грузоподъемность. |
| NP236 E | ISO | Повышенная грузоподъемность. |
| NH236 | ISO | Канавка под стопорное кольцо на наружном кольце подшипника. |
| NP 236 | ISO | Канавка под стопорное кольцо на наружном кольце подшипника. |
| 62236М1 | ГОСТ | Модифицированный контакт.. |
| NJ 236 ECML | ISO | Однорядный цилиндрический роликовый подшипник. |
| 42236-ЛМ | ГОСТ | Сепаратор из латуни.. Модифицированный контакт.. |
| 42236-М | ГОСТ | Модифицированный контакт.. |
Аналог роликового подшипника NJ236-E-MPA+HJ236-E — это подшипник такого же размера dx180,Dx320,Bx52, типа и конструкции.
| Обозначение | Конструктивные особенности | Внутренний (d) | Наружный (D) | Ширина (B) |
|---|---|---|---|---|
| 6-236-АЛШ | Шариковый радиальный однорядный подшипник. Сепаратор из латуни.. Повышенная грузоподъемность. Нормы шумности. | 180.00 | 320.00 | 52.00 |
| 6236-2RS | Шариковый радиальный однорядный подшипник. Резиновые уплотнения с каждой стороны подшипника. | 180.00 | 320.00 | 52.00 |
| 6236Z | Шариковый радиальный однорядный подшипник. Стальная шайба. | 180.00 | 320.00 | 52.00 |
| 6236-RS | Шариковый радиальный однорядный подшипник. Резиновое уплотнение с одной стороны. | 180.00 | 320.00 | 52.00 |
| 6-236-АЛ | Шариковый радиальный однорядный подшипник. Сепаратор из латуни.. Повышенная грузоподъемность. | 180.00 | 320.00 | 52.00 |
| 6-236-Л | Шариковый радиальный однорядный подшипник. Сепаратор из латуни.. | 180.00 | 320.00 | 52.00 |
| 70-236 АЛ | Шариковый радиальный однорядный подшипник. Сепаратор из латуни.. Повышенная грузоподъемность. | 180.00 | 320.00 | 52.00 |
| 70-236 Л | Шариковый радиальный однорядный подшипник. Сепаратор из латуни.. | 180.00 | 320.00 | 52.00 |
| 6236K | Шариковый радиальный однорядный подшипник. Коническое отверстие (1. | 180.00 | 320.00 | 52.00 |
| 236-АЛ | Шариковый радиальный однорядный подшипник. Сепаратор из латуни.. Повышенная грузоподъемность. | 180.00 | 320.00 | 52.00 |
| 236-Л | Шариковый радиальный однорядный подшипник. Сепаратор из латуни.. | 180.00 | 320.00 | 52.00 |
| 2В0-236 Л | Шариковый радиальный однорядный подшипник. Сепаратор из латуни.. | 180.00 | 320.00 | 52.00 |
| 46236К | Шариковый радиально-упорный однорядный подшипник. «Замок» (скос) на внутреннем кольце плюс массивный сепаратор из текстолита. | 180.00 | 320.00 | 52.00 |
| 5-36236 Л | Шариковый радиально-упорный однорядный подшипник. Сепаратор из латуни.. | 180.00 | 320.00 | 52.00 |
| 6-176236-Д | Шариковый радиально-упорный однорядный подшипник. Сепаратор из алюминиевого сплава.. | 180.00 | 320.00 | 52.00 |
Способы доставки
Отправка через ведущие транспортные и курьерские компании: ПЭК, Деловые Линии, СДЭК, Байкал-Сервис, Энергия, КИТ, ЖелДорЭкспедиция.
Самовывоз возможен напрямую со склада в Москве.
Сроки доставки
Срок зависит от региона и выбранной транспортной компании. Все заказы комплектуются и отправляются в кратчайшие сроки со склада в Москве.
Надёжность и сохранность
Вся продукция упаковывается с учётом требований транспортировки. Мы гарантируем, что подшипники и комплектующие прибудут к заказчику в полной сохранности.
Доставка в страны ЕАЭС
Мы работаем с проверенными логистическими партнёрами, что позволяет оперативно доставлять заказы в Беларусь, Казахстан, Армению и другие страны ЕАЭС.
Варианты оплаты:
Минимальная сумма заказа и скидки:
Документы и гарантии:
Да, конечно! Наши технические специалисты готовы помочь вам с подбором точного аналога или замены подшипника. Просто позвоните нам по телефону +7 (495) 104-99-04 или напишите на почту zakaz@podsnab.ru.
Для оперативной консультации подготовьте, пожалуйста, имеющиеся данные: маркировку, размеры, тип оборудования или артикул старого подшипника.
Да, конечно! Мы высоко ценим долгосрочное сотрудничество и доверие клиентов по всей России. Для постоянных клиентов действует персональная система скидок.
Условия формируются индивидуально и зависят от:
Чтобы узнать свои условия и получить максимально выгодное предложение, свяжитесь с персональным менеджером или напишите нам на почту zakaz@podsnab.ru.
Вы можете оформить заказ несколькими способами:
Для оформления заказа от юридического лица свяжитесь с нашим отделом по работе с корпоративными клиентами по телефону +7 (495) 104-99-04 или напишите на email zakaz@podsnab.ru, прикрепив реквизиты вашей организации.
Мы оперативно подготовим коммерческое предложение и выставим счет.
Возврат товара надлежащего качества возможен в течение 10 дней с момента получения, если товар не был в употреблении, сохранен товарный вид, упаковка не вскрывалась и присутствуют все сопроводительные документы.
Возврат денежных средств осуществляется в течение 10 рабочих дней после проверки товара складом.
В соответствии с законодательством возврату не подлежат подшипники надлежащего качества, если отсутствует оригинальная упаковка или имеются следы монтажа.
В случае выявления брака или гарантийного случая мы гарантируем возврат или обмен товара.
Да, гарантийный срок хранения устанавливается заводом-изготовителем и в среднем составляет 2 года при соблюдении условий хранения: сухое помещение, оригинальная упаковка и смазка.
Точный срок для конкретного типа подшипника уточняйте у наших менеджеров.
Пн–Пт: с 8:00 до 17:00 (МСК).
Сб–Вс: выходные дни.
Заказы на сайте принимаются круглосуточно. Заявки, поступившие после окончания рабочего дня, обрабатываются на следующий рабочий день.
Минимальная сумма заказа для доставки составляет 3000 рублей. Самовывоз со склада возможен на любую сумму при наличии товара.
ООО «УралТехГрупп»
ИНН: 7415093830
КПП: 772401001
ОГРН: 1167456069021
Банк: ПАО Сбербанк
Р/с: 40702810838000475273
К/с: 30101810400000000225
БИК: 044525225
У подшипника NJ236-E-MPA+HJ236-E пока нет отзывов. Вы можете стать первым покупателем, поделившимся своим мнением.