Поиск подшипника
Статьи
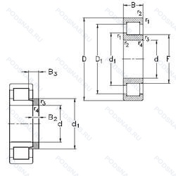
NJ252-E-MA6+HJ252-E — Роликовый радиальный однорядный подшипник, модификация основного исполнения NJ252, производство NKE.
Размер подшипника: 260x480x80 мм.
Однорядный цилиндрический роликоподшипник. Наружное кольцо имеет два борта, наружное — один борт, изготовленный из двух частей латунный сепаратор. центрирование по внешнему кольцу. различные конструкции или сорта материалов обозначаются цифрой или буквой, повышенная грузоподъемность.
Международная стандартизации ISO
NJ252EMA6HJ252E
В наличии
| Обозначение | Конструктивные изменения |
|---|---|
| NJ252EM C3 | Внутренний зазор больше нормального. Стандартный фланцевый ( с резьбой и сквозным отверстием). |
| NJ252E.M | Повышенная грузоподъемность. Механически обработанный латунный сепаратор .Расположенный на элементах качения. |
| NJ252-E-M1 | Повышенная грузоподъемность. Механически обработанный латунный сепаратор. вращающийся элемент качения (крестовина на заклепках). |
| NJ252MA/C3 | Внутренний зазор больше нормального. Изготовленный из двух частей латунный сепаратор. внешнее кольцо по центру. |
| NJ252-E-M1-J30PC-C3 | Внутренний зазор больше нормального. Повышенная грузоподъемность. Механически обработанный латунный сепаратор. вращающийся элемент качения (крестовина на заклепках). Кольца и тела качения с черным оксидным покрытием. |
| NJ252-E-TB-M1-C3 | Внутренний зазор больше нормального. Повышенная грузоподъемность. Механически обработанный латунный сепаратор. вращающийся элемент качения (крестовина на заклепках). Подшипники с повышенной осевой грузоподъемностью. |
| NJ252MA | Изготовленный из двух частей латунный сепаратор. внешнее кольцо по центру. Однорядный цилиндрический роликовый подшипник. |
| NJ252EM C4 | Внутренний зазор подшипника больше. чем C3. Стандартный фланцевый ( с резьбой и сквозным отверстием). |
| NJ252-E-M1A-C3 | Внутренний зазор больше нормального. Повышенная грузоподъемность. Массивный латунный сепаратор. двухтельный. центрированный по бортам. |
| NJ252-E-TB-M1 | Повышенная грузоподъемность. Механически обработанный латунный сепаратор. вращающийся элемент качения (крестовина на заклепках). Подшипники с повышенной осевой грузоподъемностью. |
| NJ252-E-MA6-C3 | Внутренний зазор больше нормального. Увеличенная грузоподъёмность. Сепаратор из цельной латуни с наружным кольцом для цилиндрических роликоподшипников. Корпус сепаратора разработан с использованием механически обработанных заклепок трапециевидной формы. |
| NJ252-E-TB-M1-J30PC-C3 | Внутренний зазор больше нормального. Повышенная грузоподъемность. Механически обработанный латунный сепаратор. вращающийся элемент качения (крестовина на заклепках). Подшипники с повышенной осевой грузоподъемностью. Кольца и тела качения с черным оксидным покрытием. |
| NJ252-E-M1-C3 | Внутренний зазор больше нормального. Повышенная грузоподъемность. Механически обработанный латунный сепаратор. вращающийся элемент качения (крестовина на заклепках). |
| NJ252 E | Повышенная грузоподъемность. |
| NJ252-E-M1+HJ252-E | Повышенная грузоподъемность. Механически обработанный латунный сепаратор. вращающийся элемент качения (крестовина на заклепках). |
| NJ252 | Штампованный сепаратор из стального листа. Канавка под стопорное кольцо на наружном кольце подшипника. Однорядный цилиндрический роликовый подшипник. Наружное кольцо имеет два борта. Основное конструктивное исполнение. |
| NJ252-E-M6+HJ252-E | Повышенная грузоподъемность. 20-28 UM (C3 & C4). |
| NJ252-E-M6 | Повышенная грузоподъемность. 20-28 UM (C3 & C4). |
| NJ252-E-MPA+HJ252-E | Повышенная грузоподъемность. Твердый латунный сепаратор. |
| NJ252-E-MPA | Повышенная грузоподъемность. Твердый латунный сепаратор. |
| NJ252-E-MA6 | Повышенная грузоподъемность. Изготовленный из двух частей латунный сепаратор. Центрирование по внешнему кольцу. Различные конструкции или сорта материалов обозначаются цифрой или буквой.. |
| NJ252 M | Подшипник с латунным сепаратором. центрированный по телам качения. |
Модификации роликового подшипника NJ252-E-MA6+HJ252-E — это измененное основное конструктивное исполнение NJ252, основные размеры (260x480x80) не отличаются.
| Обозначение | Гост | Конструктивные особенности |
|---|---|---|
| NU252-E-M6 | ISO | Повышенная грузоподъемность. 20-28 UM (C3 & C4). |
| NU252-E-MPA | ISO | Повышенная грузоподъемность. Твердый латунный сепаратор. |
| NU252-E-MA6 | ISO | Повышенная грузоподъемность. Изготовленный из двух частей латунный сепаратор. Центрирование по внешнему кольцу. Различные конструкции или сорта материалов обозначаются цифрой или буквой.. |
| 260RU02 | ISO | Роликовый радиальный однорядный подшипник. |
| 260RN02 | ISO | Роликовый радиальный однорядный подшипник. |
| 260RJ02 | ISO | Роликовый радиальный однорядный подшипник. |
| 2252 | ГОСТ | Роликовый радиальный однорядный подшипник. |
| 32252 | ГОСТ | Роликовый радиальный однорядный подшипник. |
| 42252 | ГОСТ | Роликовый радиальный однорядный подшипник. |
| N252 E | ISO | Повышенная грузоподъемность. |
| NF252 E | ISO | Повышенная грузоподъемность. |
| NH252 E | ISO | Повышенная грузоподъемность. |
| NP252 E | ISO | Повышенная грузоподъемность. |
| NU252 E | ISO | Повышенная грузоподъемность. |
| NUP252 E | ISO | Повышенная грузоподъемность. |
| NU252-E-TB-M1 | ISO | Повышенная грузоподъемность. Механически обработанный латунный сепаратор. вращающийся элемент качения (крестовина на заклепках). Textite (Fabric-Reinforced Phenolic Resin) Cage Guided On The Inner Ring. |
| NUP252 | ISO | Сталь сквозной закалки SUJ2 (японская) и взаимозаменяемость (только для метрических серий). Канавка под стопорное кольцо на наружном кольце подшипника. Точность размеров примерно соответствует классу точности Р4. Класс точности 2. Однорядный цилиндрический роликовый подшипник. Наружное кольцо имеет два борта. |
| N252 | ISO | Однорядный цилиндрический роликовый подшипник. Внутреннее кольцо подшипника имеет два борта. Два смещенных на 180° стопорных паза на наружной поверхности наружного кольца подшипника. |
| NH252 | ISO | Канавка под стопорное кольцо на наружном кольце подшипника. |
| NP 252 | ISO | Канавка под стопорное кольцо на наружном кольце подшипника. |
Аналог роликового подшипника NJ252-E-MA6+HJ252-E — это подшипник такого же размера dx260,Dx480,Bx80, типа и конструкции.
| Обозначение | Конструктивные особенности | Внутренний (d) | Наружный (D) | Ширина (B) |
|---|---|---|---|---|
| 6252MB C3 | Подшипник однорядный шариковый радиальный. Внутренний зазор больше нормального. Механически обработанный латунный сепаратор. направляющий по внутреннему кольцу. | 260.00 | 480.00 | 80.00 |
| 6252M/C4 | Подшипник однорядный шариковый радиальный. Внутренний зазор подшипника больше. чем C3. Механически обработанный латунный сепаратор. центрируемый по шарикам. Разные конструкции или материалы обозначаются цифрой после буквы М. например. М2. | 260.00 | 480.00 | 80.00 |
| 7252-B-MP | Подшипник шариковый однорядный радиально-упорный. 40° Угол контакта. Механически обработанный латунный сепаратор оконного типа. | 260.00 | 480.00 | 80.00 |
| NU252-E-M1A-J30PC-C3 | Однорядный цилиндрический роликовый подшипник. Внутренний зазор больше нормального. Повышенная грузоподъемность. Массивный латунный сепаратор. двухтельный. центрированный по бортам. Кольца и тела качения с черным оксидным покрытием. | 260.00 | 480.00 | 80.00 |
| NU252-E-M1A-S3-C4 | Однорядный цилиндрический роликовый подшипник. Внутренний зазор подшипника больше. чем C3. Повышенная грузоподъемность. Кольца или шайбы подшипников, стабилизированные по размерам для использования при рабочих температурах до +300°C (572°F). Массивный латунный сепаратор. двухтельный. центрированный по бортам. | 260.00 | 480.00 | 80.00 |
| 20252 C | Роликовый радиальный сферический двухрядный подшипник. 15° Угол контакта. | 260.00 | 480.00 | 80.00 |
| NUP 252 MA | Роликовый радиальный цилиндрический однорядный подшипник. Механически обработанный латунный сепаратор. Центрирование по внешнему кольцу. Однорядный цилиндрический роликовый подшипник. | 260.00 | 480.00 | 80.00 |
| NU252 | Роликовый радиальный цилиндрический однорядный подшипник. Сталь сквозной закалки SUJ2 (японская) и взаимозаменяемость (только для метрических серий). Канавка под стопорное кольцо на наружном кольце подшипника. Однорядные цилиндрические роликоподшипники. Наружное кольцо подшипника имеет два борта. | 260.00 | 480.00 | 80.00 |
| NF252 | Роликовый радиальный цилиндрический однорядный подшипник. Механически обработанный сепаратор из стали или специального чугуна. Канавка под стопорное кольцо на наружном кольце подшипника. | 260.00 | 480.00 | 80.00 |
| QJ 252 N2MA | Шариковый радиально-упорный подшипник. Измененная или модифицированная внутренняя конструкция при неизменных основных размерах. Шариковый подшипник с четырехточечным контактом. | 260.00 | 480.00 | 80.00 |
| 7252 BM | Шариковый радиально-упорный подшипник. | 260.00 | 480.00 | 80.00 |
| QJ252 | Шариковый радиально-упорный однорядный подшипник. Штампованный сепаратор из стального листа. Шариковый подшипник с четырех-точечным контактом. | 260.00 | 480.00 | 80.00 |
| 7252B | Шариковый радиально-упорный однорядный подшипник. Угол контакта 40°. | 260.00 | 480.00 | 80.00 |
| 7252A | Шариковый радиально-упорный однорядный подшипник. Двухрядный радиально-упорный шарикоподшипник без отверстия для смазки. | 260.00 | 480.00 | 80.00 |
| 252W | Шариковый радиальный подшипник. Максимальная грузоподъемность. | 260.00 | 480.00 | 80.00 |
Способы доставки
Отправка через ведущие транспортные и курьерские компании: ПЭК, Деловые Линии, СДЭК, Байкал-Сервис, Энергия, КИТ, ЖелДорЭкспедиция.
Самовывоз возможен напрямую со склада в Москве.
Сроки доставки
Срок зависит от региона и выбранной транспортной компании. Все заказы комплектуются и отправляются в кратчайшие сроки со склада в Москве.
Надёжность и сохранность
Вся продукция упаковывается с учётом требований транспортировки. Мы гарантируем, что подшипники и комплектующие прибудут к заказчику в полной сохранности.
Доставка в страны ЕАЭС
Мы работаем с проверенными логистическими партнёрами, что позволяет оперативно доставлять заказы в Беларусь, Казахстан, Армению и другие страны ЕАЭС.
Варианты оплаты:
Минимальная сумма заказа и скидки:
Документы и гарантии:
Да, конечно! Наши технические специалисты готовы помочь вам с подбором точного аналога или замены подшипника. Просто позвоните нам по телефону +7 (495) 104-99-04 или напишите на почту zakaz@podsnab.ru.
Для оперативной консультации подготовьте, пожалуйста, имеющиеся данные: маркировку, размеры, тип оборудования или артикул старого подшипника.
Да, конечно! Мы высоко ценим долгосрочное сотрудничество и доверие клиентов по всей России. Для постоянных клиентов действует персональная система скидок.
Условия формируются индивидуально и зависят от:
Чтобы узнать свои условия и получить максимально выгодное предложение, свяжитесь с персональным менеджером или напишите нам на почту zakaz@podsnab.ru.
Вы можете оформить заказ несколькими способами:
Для оформления заказа от юридического лица свяжитесь с нашим отделом по работе с корпоративными клиентами по телефону +7 (495) 104-99-04 или напишите на email zakaz@podsnab.ru, прикрепив реквизиты вашей организации.
Мы оперативно подготовим коммерческое предложение и выставим счет.
Возврат товара надлежащего качества возможен в течение 10 дней с момента получения, если товар не был в употреблении, сохранен товарный вид, упаковка не вскрывалась и присутствуют все сопроводительные документы.
Возврат денежных средств осуществляется в течение 10 рабочих дней после проверки товара складом.
В соответствии с законодательством возврату не подлежат подшипники надлежащего качества, если отсутствует оригинальная упаковка или имеются следы монтажа.
В случае выявления брака или гарантийного случая мы гарантируем возврат или обмен товара.
Да, гарантийный срок хранения устанавливается заводом-изготовителем и в среднем составляет 2 года при соблюдении условий хранения: сухое помещение, оригинальная упаковка и смазка.
Точный срок для конкретного типа подшипника уточняйте у наших менеджеров.
Пн–Пт: с 8:00 до 17:00 (МСК).
Сб–Вс: выходные дни.
Заказы на сайте принимаются круглосуточно. Заявки, поступившие после окончания рабочего дня, обрабатываются на следующий рабочий день.
Минимальная сумма заказа для доставки составляет 3000 рублей. Самовывоз со склада возможен на любую сумму при наличии товара.
ООО «УралТехГрупп»
ИНН: 7415093830
КПП: 772401001
ОГРН: 1167456069021
Банк: ПАО Сбербанк
Р/с: 40702810838000475273
К/с: 30101810400000000225
БИК: 044525225
У подшипника NJ252-E-MA6+HJ252-E пока нет отзывов. Вы можете стать первым покупателем, поделившимся своим мнением.