Поиск подшипника
Статьи
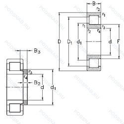
NJ316-E-TVP3+HJ316-E — Роликовый радиальный однорядный подшипник, модификация основного исполнения NJ316, производство NKE.
Размер подшипника: 80x170x39 мм.
Однорядный цилиндрический роликоподшипник. Наружное кольцо имеет два борта, наружное — один борт, цельный сепаратор из полиамида pa66-gf25. сепаратор оконного типа. направляемый телами качения, повышенная грузоподъемность.
Международная стандартизации ISO
NJ316ETVP3HJ316E
В наличии
| Обозначение | Конструктивные изменения |
|---|---|
| NJ316-E-XL-M1A | Повышенная грузоподъемность. Серия X-Life премиум-класс. увеличиный срок службы. Массивный латунный сепаратор. двухтельный. центрированный по бортам. |
| NJ316-E-XL-TVP2-QP51-C4 | Внутренний зазор подшипника больше. чем C3. Повышенная грузоподъемность. Серия X-Life премиум-класс. увеличиный срок службы. Cепаратор изготовленный из полиамида PA66. армированного стекловолокном. Спецификация виброгрохота. |
| NJ316-E-TVP3-C4-SQ1-SQ77 | Внутренний зазор подшипника больше. чем C3. Повышенная грузоподъемность. Внешнее кольцо изолировано до 1000 Вольт. Traction Motor Execution According To DIN 43283. Цельный сепаратор из полиамида PA66-GF25. сепаратор оконного типа. направляемый телами качения. |
| NJ316ET C4 VM | Внутренний зазор подшипника больше. чем C3. Внутреннее кольцо с конической дорожкой для увеличения допустимой погрешности смещения. Сквозная закалка и шлифовка стали с переломом в одной точке. |
| NJ316E.TVP2.C4 | Внутренний зазор подшипника больше. чем C3. Повышенная грузоподъемность. Cепаратор изготовленный из полиамида PA66. армированного стекловолокном. |
| NJ316ECJ/C3 | Внутренний зазор больше нормального. Сепаратор из штампованной стали. Центрирование роликов. Незакаленный. Два стальных сепаратора оконного типа. внутреннее кольцо без фланца. направляющее кольцо с усиленным роликом. |
| NJ316-E-TVP2-F1-J20A-C4 | Внутренний зазор подшипника больше. чем C3. Повышенная грузоподъемность. Cепаратор изготовленный из полиамида PA66. армированного стекловолокном. Подшипники с токовой изоляцией. Заменяет Z76 - 1.000 В постоянного тока. Спецификация производства и контроля FAG для цилиндрических роликоподшипников в тяговых двигателях. |
| NJ316-E-TVP2-P6-F1-J20A-C4 | Внутренний зазор подшипника больше. чем C3. Повышенная грузоподъемность. Cепаратор изготовленный из полиамида PA66. армированного стекловолокном. Подшипники с токовой изоляцией. Заменяет Z76 - 1.000 В постоянного тока. Спецификация производства и контроля FAG для цилиндрических роликоподшипников в тяговых двигателях. Размерные и геометрические допуски соответствуют классу точности P6. |
| NJ316-E-MPAX-QP51-C4 | Внутренний зазор подшипника больше. чем C3. Повышенная грузоподъемность. Спецификация виброгрохота. Ребристый однокомпонентный цельнолатунный сепаратор является дальнейшим развитием сепараторов FAG типов MPA и MP1A и будет последовательно заменять эти типы. Он обладает большей прочностью по отношению к ударным нагрузкам и вибрациям. чем его предшественники. и особенно хорошо подходит для применения в условиях высоких нагрузок. |
| NJ316ECM | Механически обработанный латунный сепаратор. клёпаный. центрируемый по роликам. Оптимизированная внутренняя конструкция предусматривает увеличенное количество роликов и/или ролики большего размера с улучшенными условиями контакта торцов роликов с бортами внутреннего кольца. Однорядный цилиндрический роликовый подшипник. |
| NJ316E.M1.C4 | Внутренний зазор подшипника больше. чем C3. Повышенная грузоподъемность. Механически обработанный латунный сепаратор. вращающийся элемент качения (крестовина на заклепках). |
| NJ316E MA C4 | Внутренний зазор подшипника больше. чем C3. Повышенная грузоподъемность. Механически обработанный латунный сепаратор. Центрирование по внешнему кольцу. |
| NJ316E.M1 | Повышенная грузоподъемность. Механически обработанный латунный сепаратор. вращающийся элемент качения (крестовина на заклепках). |
| NJ316EV3 | Повышенная грузоподъемность. Специальный допуск. |
| NJ316-E-TVP3 | Повышенная грузоподъемность. Цельный сепаратор из полиамида PA66-GF25. сепаратор оконного типа. направляемый телами качения. |
| NJ316-E-M6-C4 | Внутренний зазор подшипника больше. чем C3. Повышенная грузоподъемность. Цельный латунный сепаратор с роликовыми направляющими для цилиндрических роликоподшипников. |
| NJ316-E-XL-TVP2-F1-J20A-C4 | Внутренний зазор подшипника больше. чем C3. Повышенная грузоподъемность. Серия X-Life премиум-класс. увеличиный срок службы. Cепаратор изготовленный из полиамида PA66. армированного стекловолокном. Подшипники с токовой изоляцией. Заменяет Z76 - 1.000 В постоянного тока. Спецификация производства и контроля FAG для цилиндрических роликоподшипников в тяговых двигателях. |
| NJ316-E-XL-TVP2-P6-F1-J20A-C4 | Внутренний зазор подшипника больше. чем C3. Повышенная грузоподъемность. Серия X-Life премиум-класс. увеличиный срок службы. Твердый сепаратор оконного типа из армированного стекловолокном полиамида. Подшипники токоизолированной конструкции. Заменяет Z76. Подшипники качения для тяговых двигателей. точность размеров и хода в соответствии с классом допуска ISO 6. |
| NJ316-E-TVP2 + HJ316-E | Повышенная грузоподъемность. Твердый сепаратор оконного типа из армированного стекловолокном полиамида. |
| NJ316R | С выпуклыми асимметричными роликами и обработанным сепаратором. |
| NJ316-E-MPA | Повышенная грузоподъемность. Твердый латунный сепаратор. |
| NJ316-E-MA6+HJ316-E | Повышенная грузоподъемность. Изготовленный из двух частей латунный сепаратор. Центрирование по внешнему кольцу. Различные конструкции или сорта материалов обозначаются цифрой или буквой.. |
| NJ316-E-MPA+HJ316-E | Повышенная грузоподъемность. Твердый латунный сепаратор. |
| NJ316-E-M6+HJ316-E | Повышенная грузоподъемность. 20-28 UM (C3 & C4). |
| NJ316-E-MA6 | Повышенная грузоподъемность. Изготовленный из двух частей латунный сепаратор. Центрирование по внешнему кольцу. Различные конструкции или сорта материалов обозначаются цифрой или буквой.. |
Модификации роликового подшипника NJ316-E-TVP3+HJ316-E — это измененное основное конструктивное исполнение NJ316, основные размеры (80x170x39) не отличаются.
| Обозначение | Гост | Конструктивные особенности |
|---|---|---|
| 32316-Л1 | ГОСТ | Сепаратор из латуни.. |
| NF316 E | ISO | Повышенная грузоподъемность. |
| NH316 E | ISO | Повышенная грузоподъемность. |
| NP316 E | ISO | Повышенная грузоподъемность. |
| NP 316 | ISO | Канавка под стопорное кольцо на наружном кольце подшипника. |
| NU316T | ISO | Textile Laminated Phenolic Resin. Outer Ring Guided. The Cage Is Suitable For Long-Term Operation At Temperatures Up To 100°C. |
| 8-2316 КМ | ГОСТ | Модифицированный контакт.. |
| N316 EM | ISO | Стандартный фланцевый ( с резьбой и сквозным отверстием). |
| 92316-МЛ | ГОСТ | Сепаратор из латуни.. Модифицированный контакт.. |
| 6-32316-Л | ГОСТ | Сепаратор из латуни.. |
| 6-32316-Л1 | ГОСТ | Сепаратор из латуни.. |
| 7-32316 Л1 | ГОСТ | Сепаратор из латуни.. |
| 70-32316 Л | ГОСТ | Сепаратор из латуни.. |
| 70-42316 К3Л2 | ГОСТ | Кольцевая проточка на середине цилиндрической наружной поверхности наружного кольца плюс три отверстия для смазки. Сепаратор из латуни.. |
| 76-32316 Л1 | ГОСТ | Сепаратор из латуни.. |
| 76-32316 Л1Ш2 | ГОСТ | Сепаратор из латуни.. Нормы шумности. |
| 8-12316 КМ | ГОСТ | Модифицированный контакт.. |
| NU 316 ECPH | ISO | Однорядный цилиндрический роликовый подшипник. |
| 42316-Л | ГОСТ | Сепаратор из латуни.. |
| 42316-Л2 | ГОСТ | Сепаратор из латуни.. |
Аналог роликового подшипника NJ316-E-TVP3+HJ316-E — это подшипник такого же размера dx80,Dx170,Bx39, типа и конструкции.
| Обозначение | Конструктивные особенности | Внутренний (d) | Наружный (D) | Ширина (B) |
|---|---|---|---|---|
| 316-АК5 | Шариковый радиальный однорядный подшипник. Повышенная грузоподъемность. | 80.00 | 170.00 | 39.00 |
| 316-АЛ5 | Шариковый радиальный однорядный подшипник. Повышенная грузоподъемность. Сепаратор из латуни.. | 80.00 | 170.00 | 39.00 |
| 316-К5 | Шариковый радиальный однорядный подшипник. Повышенная грузоподъемность. | 80.00 | 170.00 | 39.00 |
| 316-К5Ш2У | Шариковый радиальный однорядный подшипник. Дополнительные технические требования. Нормы шумности. Повышенная грузоподъемность. | 80.00 | 170.00 | 39.00 |
| 36-316 Е5Ш1 | Шариковый радиальный однорядный подшипник. Сепаратор из текстолита.. Нормы шумности. | 80.00 | 170.00 | 39.00 |
| 36-316 К5 | Шариковый радиальный однорядный подшипник. Повышенная грузоподъемность. | 80.00 | 170.00 | 39.00 |
| 1316 K + H 316 | Шариковый сферический двухрядный подшипник. Коническое внутреннее отверстие. Pressed Snap-Type Steel Cage. Hardened. | 80.00 | 170.00 | 39.00 |
| 1316S | Шариковый сферический двухрядный подшипник. Запечатанная версия кулачкового ролика. | 80.00 | 170.00 | 39.00 |
| 7603080-TVP | Шариковый упорный однорядный подшипник. Molded Snap-Type Cage Of Glass Fibre Reinforced Polyamide. Rolling Element Riding. | 80.00 | 170.00 | 39.00 |
| 46316-Л | Шариковый радиально-упорный однорядный подшипник. Сепаратор из латуни.. | 80.00 | 170.00 | 39.00 |
| 46316-Л5 | Шариковый радиально-упорный однорядный подшипник. Сепаратор из латуни.. | 80.00 | 170.00 | 39.00 |
| 46316К | Шариковый радиально-упорный однорядный подшипник. «Замок» (скос) на внутреннем кольце плюс массивный сепаратор из текстолита. | 80.00 | 170.00 | 39.00 |
| 50316-АК5 | Шариковый радиальный однорядный подшипник. Повышенная грузоподъемность. | 80.00 | 170.00 | 39.00 |
| 50316-К5 | Шариковый радиальный однорядный подшипник. Повышенная грузоподъемность. | 80.00 | 170.00 | 39.00 |
| 6-1316-Л | Шариковый радиальный двухрядный подшипник. Сепаратор из латуни.. | 80.00 | 170.00 | 39.00 |
Способы доставки
Отправка через ведущие транспортные и курьерские компании: ПЭК, Деловые Линии, СДЭК, Байкал-Сервис, Энергия, КИТ, ЖелДорЭкспедиция.
Самовывоз возможен напрямую со склада в Москве.
Сроки доставки
Срок зависит от региона и выбранной транспортной компании. Все заказы комплектуются и отправляются в кратчайшие сроки со склада в Москве.
Надёжность и сохранность
Вся продукция упаковывается с учётом требований транспортировки. Мы гарантируем, что подшипники и комплектующие прибудут к заказчику в полной сохранности.
Доставка в страны ЕАЭС
Мы работаем с проверенными логистическими партнёрами, что позволяет оперативно доставлять заказы в Беларусь, Казахстан, Армению и другие страны ЕАЭС.
Варианты оплаты:
Минимальная сумма заказа и скидки:
Документы и гарантии:
Да, конечно! Наши технические специалисты готовы помочь вам с подбором точного аналога или замены подшипника. Просто позвоните нам по телефону +7 (495) 104-99-04 или напишите на почту zakaz@podsnab.ru.
Для оперативной консультации подготовьте, пожалуйста, имеющиеся данные: маркировку, размеры, тип оборудования или артикул старого подшипника.
Да, конечно! Мы высоко ценим долгосрочное сотрудничество и доверие клиентов по всей России. Для постоянных клиентов действует персональная система скидок.
Условия формируются индивидуально и зависят от:
Чтобы узнать свои условия и получить максимально выгодное предложение, свяжитесь с персональным менеджером или напишите нам на почту zakaz@podsnab.ru.
Вы можете оформить заказ несколькими способами:
Для оформления заказа от юридического лица свяжитесь с нашим отделом по работе с корпоративными клиентами по телефону +7 (495) 104-99-04 или напишите на email zakaz@podsnab.ru, прикрепив реквизиты вашей организации.
Мы оперативно подготовим коммерческое предложение и выставим счет.
Возврат товара надлежащего качества возможен в течение 10 дней с момента получения, если товар не был в употреблении, сохранен товарный вид, упаковка не вскрывалась и присутствуют все сопроводительные документы.
Возврат денежных средств осуществляется в течение 10 рабочих дней после проверки товара складом.
В соответствии с законодательством возврату не подлежат подшипники надлежащего качества, если отсутствует оригинальная упаковка или имеются следы монтажа.
В случае выявления брака или гарантийного случая мы гарантируем возврат или обмен товара.
Да, гарантийный срок хранения устанавливается заводом-изготовителем и в среднем составляет 2 года при соблюдении условий хранения: сухое помещение, оригинальная упаковка и смазка.
Точный срок для конкретного типа подшипника уточняйте у наших менеджеров.
Пн–Пт: с 8:00 до 17:00 (МСК).
Сб–Вс: выходные дни.
Заказы на сайте принимаются круглосуточно. Заявки, поступившие после окончания рабочего дня, обрабатываются на следующий рабочий день.
Минимальная сумма заказа для доставки составляет 3000 рублей. Самовывоз со склада возможен на любую сумму при наличии товара.
ООО «УралТехГрупп»
ИНН: 7415093830
КПП: 772401001
ОГРН: 1167456069021
Банк: ПАО Сбербанк
Р/с: 40702810838000475273
К/с: 30101810400000000225
БИК: 044525225
У подшипника NJ316-E-TVP3+HJ316-E пока нет отзывов. Вы можете стать первым покупателем, поделившимся своим мнением.