Поиск подшипника
Статьи
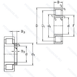
NJ319-E-TVP3+HJ319-E — Роликовый радиальный однорядный подшипник, модификация основного исполнения NJ319, производство NKE.
Размер подшипника: 95x200x45 мм.
Однорядный цилиндрический роликоподшипник. Наружное кольцо имеет два борта, наружное — один борт, цельный сепаратор из полиамида pa66-gf25. сепаратор оконного типа. направляемый телами качения, повышенная грузоподъемность.
Международная стандартизации ISO
NJ319ETVP3HJ319E
В наличии
| Обозначение | Конструктивные изменения |
|---|---|
| NJ319ECJ/C4/R821 | Внутренний зазор подшипника больше. чем C3. Сепаратор из штампованной стали. Центрирование роликов. Незакаленный. Индивидуальный зазор (радиальный/осевой). Это касается цилиндрических и игольчатых роликоподшипников. Два стальных сепаратора оконного типа. внутреннее кольцо без фланца. направляющее кольцо с усиленным роликом. |
| NJ319EMA | Конструкция с увеличенной грузоподьемностью. Механически обработанный латунный сепаратор. Центрирование по внешнему кольцу. |
| NJ319E C3 | Внутренний зазор больше нормального. Повышенная грузоподъемность. |
| NJ319E B M6 C3 SQ52 | Внутренний зазор больше нормального. Повышенная грузоподъемность. Свободный ход шариков. Цельный латунный сепаратор с роликовыми направляющими для цилиндрических роликоподшипников. Оптимизированное исполнение для высоких осевых нагрузок. |
| NJ319E TGP | Цилиндрический роликовый подшипник c увеличенной грузоподъемностью. Формованный полиамидный сепаратор оконного типа. Роликовые тела качения. |
| NJ319E | Повышенная грузоподъемность. |
| NJ319-E-XL-TVP2-C4 | Внутренний зазор подшипника больше. чем C3. Повышенная грузоподъемность. Серия X-Life премиум-класс. увеличиный срок службы. Cепаратор изготовленный из полиамида PA66. армированного стекловолокном. |
| NJ319EMAC3 | Внутренний зазор больше нормального. Конструкция с увеличенной грузоподьемностью. Механически обработанный латунный сепаратор. Центрирование по внешнему кольцу. |
| NJ319E G1 C3 | Внутренний зазор больше нормального. Повышенная грузоподъемность. Обработанный латунный сепаратор для цилиндрических роликоподшипников. |
| NJ319E G15 | Повышенная грузоподъемность. Литой сепаратор из полиамида 6.6. армированного стекловолокном. Элемент качения по центру. |
| NJ319-E-TVP3-C3 | Внутренний зазор больше нормального. Увеличенная грузоподъёмность. Цельный сепаратор из полиамида PA66-GF25. сепаратор оконного типа. направляемый телами качения. |
| NJ319-E-TVP2-F1-J20A-C4 | Внутренний зазор подшипника больше. чем C3. Повышенная грузоподъемность. Cепаратор изготовленный из полиамида PA66. армированного стекловолокном. Подшипники с токовой изоляцией. Заменяет Z76 - 1.000 В постоянного тока. Спецификация производства и контроля FAG для цилиндрических роликоподшипников в тяговых двигателях. |
| NJ319-E-M1A | Повышенная грузоподъемность. Массивный латунный сепаратор. двухтельный. центрированный по бортам. |
| NJ319-E-XL-M1A | Повышенная грузоподъемность. Серия X-Life премиум-класс. увеличиный срок службы. Массивный латунный сепаратор. двухтельный. центрированный по бортам. |
| NJ319G1C3 | Внутренний зазор больше нормального. Обработанный латунный сепаратор для цилиндрических роликоподшипников. |
| NJ319-E-XL-TVP2-F1-J20A-C4 | Внутренний зазор подшипника больше. чем C3. Повышенная грузоподъемность. Серия X-Life премиум-класс. увеличиный срок службы. Cепаратор изготовленный из полиамида PA66. армированного стекловолокном. Подшипники с токовой изоляцией. Заменяет Z76 - 1.000 В постоянного тока. Спецификация производства и контроля FAG для цилиндрических роликоподшипников в тяговых двигателях. |
| NJ319-E-TVP2 + HJ319-E | Повышенная грузоподъемность. Твердый сепаратор оконного типа из армированного стекловолокном полиамида. |
| NJ319R | С выпуклыми асимметричными роликами и обработанным сепаратором. |
| NJ319-E-MPA+HJ319-E | Повышенная грузоподъемность. Твердый латунный сепаратор. |
| NJ319-E-MA6+HJ319-E | Повышенная грузоподъемность. Изготовленный из двух частей латунный сепаратор. Центрирование по внешнему кольцу. Различные конструкции или сорта материалов обозначаются цифрой или буквой.. |
| NJ319-E-MA6 | Повышенная грузоподъемность. Изготовленный из двух частей латунный сепаратор. Центрирование по внешнему кольцу. Различные конструкции или сорта материалов обозначаются цифрой или буквой.. |
| NJ319-E-TVP3 | Повышенная грузоподъемность. Цельный сепаратор из полиамида PA66-GF25. сепаратор оконного типа. направляемый телами качения. |
| NJ319-E-M6 | Повышенная грузоподъемность. 20-28 UM (C3 & C4). |
| NJ319-E-MPA | Повышенная грузоподъемность. Твердый латунный сепаратор. |
| NJ319-E-M6+HJ319-E | Повышенная грузоподъемность. 20-28 UM (C3 & C4). |
Модификации роликового подшипника NJ319-E-TVP3+HJ319-E — это измененное основное конструктивное исполнение NJ319, основные размеры (95x200x45) не отличаются.
| Обозначение | Гост | Конструктивные особенности |
|---|---|---|
| 2319-Е | ГОСТ | Сепаратор из текстолита.. |
| 2319-КМ | ГОСТ | Кольцевая проточка на середине цилиндрической наружной поверхности наружного кольца плюс три отверстия для смазки. Модифицированный контакт.. |
| 2319-МЛ | ГОСТ | Сепаратор из латуни.. Модифицированный контакт.. |
| 2319KM | ГОСТ | Type Of Model. |
| 2319M | ГОСТ | Подшипник с латунным сепаратором. центрированный по телам качения. |
| 32319-КМ | ГОСТ | Модифицированный контакт.. |
| 32319-М | ГОСТ | Модифицированный контакт.. |
| 32319M | ГОСТ | Подшипник с латунным сепаратором. центрированный по телам качения. |
| 32319ЛM | ГОСТ | Подшипник с латунным сепаратором. центрированный по телам качения. Сепаратор из латуни.. |
| NF319 E | ISO | Повышенная грузоподъемность. |
| NH319 E | ISO | Повышенная грузоподъемность. |
| NP319 E | ISO | Повышенная грузоподъемность. |
| NH319 | ISO | Канавка под стопорное кольцо на наружном кольце подшипника. |
| 8-2319 КМ | ГОСТ | Модифицированный контакт.. |
| 60-402319 М | ГОСТ | Модифицированный контакт.. |
| 70-2319 КМ | ГОСТ | Модифицированный контакт.. |
| 70-2319 М | ГОСТ | Модифицированный контакт.. |
| 70-32319 М | ГОСТ | Модифицированный контакт.. |
| 42319-М | ГОСТ | Модифицированный контакт.. |
| 42319M | ГОСТ | Подшипник с латунным сепаратором. центрированный по телам качения. |
Аналог роликового подшипника NJ319-E-TVP3+HJ319-E — это подшипник такого же размера dx95,Dx200,Bx45, типа и конструкции.
| Обозначение | Конструктивные особенности | Внутренний (d) | Наружный (D) | Ширина (B) |
|---|---|---|---|---|
| 66319-АЛ1 | Шариковый радиально-упорный однорядный подшипник. Сепаратор из латуни.. Повышенная грузоподъемность. | 95.00 | 200.00 | 45.00 |
| 66319-Л | Шариковый радиально-упорный однорядный подшипник. Сепаратор из латуни.. | 95.00 | 200.00 | 45.00 |
| 66319К | Шариковый радиально-упорный однорядный подшипник. «Замок» (скос) на внутреннем кольце плюс массивный сепаратор из текстолита. | 95.00 | 200.00 | 45.00 |
| 70-319 К5 | Шариковый радиальный однорядный подшипник. Повышенная грузоподъемность. | 95.00 | 200.00 | 45.00 |
| 76-319 К5 | Шариковый радиальный однорядный подшипник. Повышенная грузоподъемность. | 95.00 | 200.00 | 45.00 |
| BL 319 ZZ | Шариковый радиальный однорядный подшипник. Защитные металлические шайбы с обеих сторон. | 95.00 | 200.00 | 45.00 |
| 6319LLB | Шариковый радиальный однорядный подшипник. Уплотнение бесконтактного типа из синтетического каучука. | 95.00 | 200.00 | 45.00 |
| 319-АК5 | Шариковый радиальный однорядный подшипник. Повышенная грузоподъемность. | 95.00 | 200.00 | 45.00 |
| 319-АЛ5 | Шариковый радиальный однорядный подшипник. Повышенная грузоподъемность. Сепаратор из латуни.. | 95.00 | 200.00 | 45.00 |
| 319-К5 | Шариковый радиальный однорядный подшипник. Повышенная грузоподъемность. | 95.00 | 200.00 | 45.00 |
| 319-Л | Шариковый радиальный однорядный подшипник. Сепаратор из латуни.. | 95.00 | 200.00 | 45.00 |
| 319-Л5 | Шариковый радиальный однорядный подшипник. Сепаратор из латуни.. | 95.00 | 200.00 | 45.00 |
| 1319K+H319 | Шариковый сферический двухрядный подшипник. Коническое внутреннее отверстие. | 95.00 | 200.00 | 45.00 |
| 46319К | Шариковый радиально-упорный однорядный подшипник. «Замок» (скос) на внутреннем кольце плюс массивный сепаратор из текстолита. | 95.00 | 200.00 | 45.00 |
| 5-66319 Л5 | Шариковый радиально-упорный однорядный подшипник. Сепаратор из латуни.. | 95.00 | 200.00 | 45.00 |
Способы доставки
Отправка через ведущие транспортные и курьерские компании: ПЭК, Деловые Линии, СДЭК, Байкал-Сервис, Энергия, КИТ, ЖелДорЭкспедиция.
Самовывоз возможен напрямую со склада в Москве.
Сроки доставки
Срок зависит от региона и выбранной транспортной компании. Все заказы комплектуются и отправляются в кратчайшие сроки со склада в Москве.
Надёжность и сохранность
Вся продукция упаковывается с учётом требований транспортировки. Мы гарантируем, что подшипники и комплектующие прибудут к заказчику в полной сохранности.
Доставка в страны ЕАЭС
Мы работаем с проверенными логистическими партнёрами, что позволяет оперативно доставлять заказы в Беларусь, Казахстан, Армению и другие страны ЕАЭС.
Варианты оплаты:
Минимальная сумма заказа и скидки:
Документы и гарантии:
Да, конечно! Наши технические специалисты готовы помочь вам с подбором точного аналога или замены подшипника. Просто позвоните нам по телефону +7 (495) 104-99-04 или напишите на почту zakaz@podsnab.ru.
Для оперативной консультации подготовьте, пожалуйста, имеющиеся данные: маркировку, размеры, тип оборудования или артикул старого подшипника.
Да, конечно! Мы высоко ценим долгосрочное сотрудничество и доверие клиентов по всей России. Для постоянных клиентов действует персональная система скидок.
Условия формируются индивидуально и зависят от:
Чтобы узнать свои условия и получить максимально выгодное предложение, свяжитесь с персональным менеджером или напишите нам на почту zakaz@podsnab.ru.
Вы можете оформить заказ несколькими способами:
Для оформления заказа от юридического лица свяжитесь с нашим отделом по работе с корпоративными клиентами по телефону +7 (495) 104-99-04 или напишите на email zakaz@podsnab.ru, прикрепив реквизиты вашей организации.
Мы оперативно подготовим коммерческое предложение и выставим счет.
Возврат товара надлежащего качества возможен в течение 10 дней с момента получения, если товар не был в употреблении, сохранен товарный вид, упаковка не вскрывалась и присутствуют все сопроводительные документы.
Возврат денежных средств осуществляется в течение 10 рабочих дней после проверки товара складом.
В соответствии с законодательством возврату не подлежат подшипники надлежащего качества, если отсутствует оригинальная упаковка или имеются следы монтажа.
В случае выявления брака или гарантийного случая мы гарантируем возврат или обмен товара.
Да, гарантийный срок хранения устанавливается заводом-изготовителем и в среднем составляет 2 года при соблюдении условий хранения: сухое помещение, оригинальная упаковка и смазка.
Точный срок для конкретного типа подшипника уточняйте у наших менеджеров.
Пн–Пт: с 8:00 до 17:00 (МСК).
Сб–Вс: выходные дни.
Заказы на сайте принимаются круглосуточно. Заявки, поступившие после окончания рабочего дня, обрабатываются на следующий рабочий день.
Минимальная сумма заказа для доставки составляет 3000 рублей. Самовывоз со склада возможен на любую сумму при наличии товара.
ООО «УралТехГрупп»
ИНН: 7415093830
КПП: 772401001
ОГРН: 1167456069021
Банк: ПАО Сбербанк
Р/с: 40702810838000475273
К/с: 30101810400000000225
БИК: 044525225
У подшипника NJ319-E-TVP3+HJ319-E пока нет отзывов. Вы можете стать первым покупателем, поделившимся своим мнением.