Поиск подшипника
Статьи
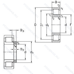
NJ326-E-MA6+HJ326E — Роликовый радиальный однорядный подшипник, модификация основного исполнения NJ326, производство NKE.
Размер подшипника: 130x280x58 мм.
Однорядный цилиндрический роликоподшипник. Наружное кольцо имеет два борта, наружное — один борт, изготовленный из двух частей латунный сепаратор. центрирование по внешнему кольцу. различные конструкции или сорта материалов обозначаются цифрой или буквой, повышенная грузоподъемность.
Международная стандартизации ISO
NJ326EMA6HJ326E
В наличии
| Обозначение | Конструктивные изменения |
|---|---|
| NJ326-E-M1-P6-F1-C3 | Внутренний зазор больше нормального. Повышенная грузоподъемность. Механически обработанный латунный сепаратор. вращающийся элемент качения (крестовина на заклепках). Спецификация производства и контроля FAG для цилиндрических роликоподшипников в тяговых двигателях. Размерные и геометрические допуски соответствуют классу точности P6. |
| NJ326JP | Прессованный стальной сепаратор. Направленный элемент качения. |
| NJ326W | Цельный прессованный сепаратор. |
| NJ326ECM/C4VA305 | Внутренний зазор подшипника больше. чем C3. Механически обработанный латунный сепаратор. клёпаный. центрируемый по роликам. Оптимизированная внутренняя конструкция предусматривает увеличенное количество роликов и/или ролики большего размера с улучшенными условиями контакта торцов роликов с бортами внутреннего кольца. Combination Of VA301 (Bearing For Railway Vehicle Traction Motors) And Special Inspection Routines. |
| NJ326EMA | Конструкция с увеличенной грузоподьемностью. Механически обработанный латунный сепаратор. Центрирование по внешнему кольцу. |
| NJ326-E-TVP3 | Повышенная грузоподъемность. Цельный сепаратор из полиамида PA66-GF25. сепаратор оконного типа. направляемый телами качения. |
| NJ326ECJ/C4 | Внутренний зазор подшипника больше. чем C3. Сепаратор из штампованной стали. Центрирование роликов. Незакаленный. Два стальных сепаратора оконного типа. внутреннее кольцо без фланца. направляющее кольцо с усиленным роликом. |
| NJ326EG1C3 | Внутренний зазор больше нормального. Повышенная грузоподъемность. Обработанный латунный сепаратор для цилиндрических роликоподшипников. |
| NJ326M C3 | Внутренний зазор больше нормального. Механически обработанный латунный сепаратор .Расположенный на элементах качения. |
| NJ326-E-XL-M1-P6-F1-C3 | Внутренний зазор больше нормального. Повышенная грузоподъемность. Серия X-Life премиум-класс. увеличиный срок службы. Механически обработанный латунный сепаратор. вращающийся элемент качения (крестовина на заклепках). Спецификация производства и контроля FAG для цилиндрических роликоподшипников в тяговых двигателях. Размерные и геометрические допуски соответствуют классу точности P6. |
| NJ326-E-XL-TVP2-C4 | Внутренний зазор подшипника больше. чем C3. Повышенная грузоподъемность. Серия X-Life премиум-класс. увеличиный срок службы. Cепаратор изготовленный из полиамида PA66. армированного стекловолокном. |
| NJ326E.TVP2.C3 | Внутренний зазор больше нормального. Повышенная грузоподъемность. Cепаратор изготовленный из полиамида PA66. армированного стекловолокном. |
| NJ326-TM0001 | Machined Brass Cage (Rolling Element Guided). NSK Sealed-Clean Technology Seal. |
| NJ326E C3 | Внутренний зазор больше нормального. Повышенная грузоподъемность. |
| NJ326-E-XL-MCA-C3 | Радиальный внутренний зазор больше нормального. Повышенная грузоподъемность. Серия X-Life премиум-класс. увеличиный срок службы. Массивный латунный сепаратор. Однокомпонентный. Направляющая на внешнем кольце. |
| NJ326EMAC3 | Внутренний зазор больше нормального. Конструкция с увеличенной грузоподьемностью. Механически обработанный латунный сепаратор. Центрирование по внешнему кольцу. |
| NJ326-E-XL-M1-F1-C4 | Внутренний зазор подшипника больше. чем C3. Повышенная грузоподъемность. Серия X-Life премиум-класс. увеличиный срок службы. Механически обработанный латунный сепаратор. вращающийся элемент качения (крестовина на заклепках). Спецификация производства и контроля FAG для цилиндрических роликоподшипников в тяговых двигателях. |
| NJ326-E-TVP2 + HJ326-E | Повышенная грузоподъемность. Твердый сепаратор оконного типа из армированного стекловолокном полиамида. |
| NJ326R | С выпуклыми асимметричными роликами и обработанным сепаратором. |
| NJ326-E-MA6 | Повышенная грузоподъемность. Изготовленный из двух частей латунный сепаратор. Центрирование по внешнему кольцу. Различные конструкции или сорта материалов обозначаются цифрой или буквой.. |
| NJ326-E-MPA+HJ326E | Повышенная грузоподъемность. Твердый латунный сепаратор. |
| NJ326-E-MPA | Повышенная грузоподъемность. Твердый латунный сепаратор. |
| NJ326-E-M6+HJ326E | Повышенная грузоподъемность. 20-28 UM (C3 & C4). |
| NJ326-E-TVP3+HJ326E | Повышенная грузоподъемность. Цельный сепаратор из полиамида PA66-GF25. сепаратор оконного типа. направляемый телами качения. |
| NJ326E | Повышенная грузоподъемность. |
Модификации роликового подшипника NJ326-E-MA6+HJ326E — это измененное основное конструктивное исполнение NJ326, основные размеры (130x280x58) не отличаются.
| Обозначение | Гост | Конструктивные особенности |
|---|---|---|
| НО-32326 М | ГОСТ | Модифицированный контакт.. |
| NF326 E | ISO | Повышенная грузоподъемность. |
| NH326 E | ISO | Повышенная грузоподъемность. |
| NP326 E | ISO | Повышенная грузоподъемность. |
| NH326 | ISO | Канавка под стопорное кольцо на наружном кольце подшипника. |
| NP 326 | ISO | Канавка под стопорное кольцо на наружном кольце подшипника. |
| 8-32326 М | ГОСТ | Модифицированный контакт.. |
| 8-42326 М | ГОСТ | Модифицированный контакт.. |
| 80-32326 М | ГОСТ | Модифицированный контакт.. |
| 80-42326 М1У | ГОСТ | Дополнительные технические требования. Модифицированный контакт.. |
| Н0-32326 М | ГОСТ | Ненормализованный радиальный зазор.. Модифицированный контакт.. |
| 6-2326-М | ГОСТ | Модифицированный контакт.. |
| 6-32326-МШ2У | ГОСТ | Дополнительные технические требования. Модифицированный контакт.. Нормы шумности. |
| 70-2326 М | ГОСТ | Модифицированный контакт.. |
| 70-32326 М | ГОСТ | Модифицированный контакт.. |
| 70-42326 М | ГОСТ | Модифицированный контакт.. |
| 76-2326 М | ГОСТ | Модифицированный контакт.. |
| 42326-Л | ГОСТ | Сепаратор из латуни.. |
| 42326-М | ГОСТ | Модифицированный контакт.. |
| 42326-МЛ | ГОСТ | Сепаратор из латуни.. Модифицированный контакт.. |
Аналог роликового подшипника NJ326-E-MA6+HJ326E — это подшипник такого же размера dx130,Dx280,Bx58, типа и конструкции.
| Обозначение | Конструктивные особенности | Внутренний (d) | Наружный (D) | Ширина (B) |
|---|---|---|---|---|
| 6-326-АШ | Шариковый радиальный однорядный подшипник. Повышенная грузоподъемность. Нормы шумности. | 130.00 | 280.00 | 58.00 |
| 6-326-Ш | Шариковый радиальный однорядный подшипник. Нормы шумности. | 130.00 | 280.00 | 58.00 |
| 76-326 АШ1 | Шариковый радиальный однорядный подшипник. Повышенная грузоподъемность. Нормы шумности. | 130.00 | 280.00 | 58.00 |
| 76-326 АШ | Шариковый радиальный однорядный подшипник. Повышенная грузоподъемность. Нормы шумности. | 130.00 | 280.00 | 58.00 |
| 6326Z | Шариковый радиальный однорядный подшипник. Стальная шайба. | 130.00 | 280.00 | 58.00 |
| 6326-RS | Шариковый радиальный однорядный подшипник. Резиновое уплотнение с одной стороны. | 130.00 | 280.00 | 58.00 |
| 6326ZX | Шариковый радиальный однорядный подшипник. Съемная защитная шайба с одной стороны. | 130.00 | 280.00 | 58.00 |
| 6326ZZS | Шариковый радиальный однорядный подшипник. Защитные металлические шайбы с двух сторон подшипника (удерживается стопорным кольцом на внешнем кольце - обычно для миниатюрных шарикоподшипников). | 130.00 | 280.00 | 58.00 |
| 66326К | Шариковый радиально-упорный однорядный подшипник. «Замок» (скос) на внутреннем кольце плюс массивный сепаратор из текстолита. | 130.00 | 280.00 | 58.00 |
| 70-326 Ш2У | Шариковый радиальный однорядный подшипник. Дополнительные технические требования. Нормы шумности. | 130.00 | 280.00 | 58.00 |
| 6326LLU | Шариковый радиальный однорядный подшипник. Контактное резиновое уплотнение с двух сторон. | 130.00 | 280.00 | 58.00 |
| 6326/HC5C3S0VA970 | Шариковый радиальный однорядный подшипник. Измененная или модифицированная внутренняя конструкция при неизменных основных размерах. | 130.00 | 280.00 | 58.00 |
| 326-А | Шариковый радиальный однорядный подшипник. Повышенная грузоподъемность. | 130.00 | 280.00 | 58.00 |
| 326-Л | Шариковый радиальный однорядный подшипник. Сепаратор из латуни.. | 130.00 | 280.00 | 58.00 |
| 46326К | Шариковый радиально-упорный однорядный подшипник. «Замок» (скос) на внутреннем кольце плюс массивный сепаратор из текстолита. | 130.00 | 280.00 | 58.00 |
Способы доставки
Отправка через ведущие транспортные и курьерские компании: ПЭК, Деловые Линии, СДЭК, Байкал-Сервис, Энергия, КИТ, ЖелДорЭкспедиция.
Самовывоз возможен напрямую со склада в Москве.
Сроки доставки
Срок зависит от региона и выбранной транспортной компании. Все заказы комплектуются и отправляются в кратчайшие сроки со склада в Москве.
Надёжность и сохранность
Вся продукция упаковывается с учётом требований транспортировки. Мы гарантируем, что подшипники и комплектующие прибудут к заказчику в полной сохранности.
Доставка в страны ЕАЭС
Мы работаем с проверенными логистическими партнёрами, что позволяет оперативно доставлять заказы в Беларусь, Казахстан, Армению и другие страны ЕАЭС.
Варианты оплаты:
Минимальная сумма заказа и скидки:
Документы и гарантии:
Да, конечно! Наши технические специалисты готовы помочь вам с подбором точного аналога или замены подшипника. Просто позвоните нам по телефону +7 (495) 104-99-04 или напишите на почту zakaz@podsnab.ru.
Для оперативной консультации подготовьте, пожалуйста, имеющиеся данные: маркировку, размеры, тип оборудования или артикул старого подшипника.
Да, конечно! Мы высоко ценим долгосрочное сотрудничество и доверие клиентов по всей России. Для постоянных клиентов действует персональная система скидок.
Условия формируются индивидуально и зависят от:
Чтобы узнать свои условия и получить максимально выгодное предложение, свяжитесь с персональным менеджером или напишите нам на почту zakaz@podsnab.ru.
Вы можете оформить заказ несколькими способами:
Для оформления заказа от юридического лица свяжитесь с нашим отделом по работе с корпоративными клиентами по телефону +7 (495) 104-99-04 или напишите на email zakaz@podsnab.ru, прикрепив реквизиты вашей организации.
Мы оперативно подготовим коммерческое предложение и выставим счет.
Возврат товара надлежащего качества возможен в течение 10 дней с момента получения, если товар не был в употреблении, сохранен товарный вид, упаковка не вскрывалась и присутствуют все сопроводительные документы.
Возврат денежных средств осуществляется в течение 10 рабочих дней после проверки товара складом.
В соответствии с законодательством возврату не подлежат подшипники надлежащего качества, если отсутствует оригинальная упаковка или имеются следы монтажа.
В случае выявления брака или гарантийного случая мы гарантируем возврат или обмен товара.
Да, гарантийный срок хранения устанавливается заводом-изготовителем и в среднем составляет 2 года при соблюдении условий хранения: сухое помещение, оригинальная упаковка и смазка.
Точный срок для конкретного типа подшипника уточняйте у наших менеджеров.
Пн–Пт: с 8:00 до 17:00 (МСК).
Сб–Вс: выходные дни.
Заказы на сайте принимаются круглосуточно. Заявки, поступившие после окончания рабочего дня, обрабатываются на следующий рабочий день.
Минимальная сумма заказа для доставки составляет 3000 рублей. Самовывоз со склада возможен на любую сумму при наличии товара.
ООО «УралТехГрупп»
ИНН: 7415093830
КПП: 772401001
ОГРН: 1167456069021
Банк: ПАО Сбербанк
Р/с: 40702810838000475273
К/с: 30101810400000000225
БИК: 044525225
У подшипника NJ326-E-MA6+HJ326E пока нет отзывов. Вы можете стать первым покупателем, поделившимся своим мнением.