Поиск подшипника
Статьи
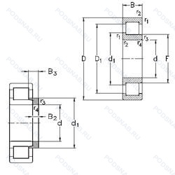
NJ336-E-M6+HJ336-E — Роликовый радиальный однорядный подшипник, модификация основного исполнения NJ336, производство NKE.
Размер подшипника: 180x380x75 мм.
Однорядный цилиндрический роликоподшипник. Наружное кольцо имеет два борта, наружное — один борт, 20-28 um (c3 & c4), повышенная грузоподъемность.
Международная стандартизации ISO
NJ336EM6HJ336E
В наличии
| Обозначение | Конструктивные изменения |
|---|---|
| NJ336M C3 | Внутренний зазор больше нормального. Подшипник с латунным сепаратором. центрированный по телам качения. |
| NJ336E.M1 | Повышенная грузоподъемность. Механически обработанный латунный сепаратор. вращающийся элемент качения (крестовина на заклепках). |
| NJ336M C3 DB P5 BL15 | Внутренний зазор больше нормального. Механически обработанный латунный сепаратор .Расположенный на элементах качения. ISO TOLERANCE CLASS 5 (EQUIVALENT TO ABEC-5). Совмещенная пара - конфигурация спина к спине. |
| NJ336M C3 DB P5B+L15A | Внутренний зазор больше нормального. Подшипник с латунным сепаратором. центрированный по телам качения. Совмещенная пара - конфигурация спина к спине. Inner Ring WIth P5 Running Accuracy. Mark High And Low Points Of Eccentricity On Face Of Rings. |
| NJ336MA | Механически обработанный латунный сепаратор. Центрирование по внешнему кольцу. |
| NJ336-E-TB-M1 | Повышенная грузоподъемность. Механически обработанный латунный сепаратор. вращающийся элемент качения (крестовина на заклепках). Подшипники с повышенной осевой грузоподъемностью. |
| NJ336-E-TB-M1-C3 | Внутренний зазор больше нормального. Повышенная грузоподъемность. Механически обработанный латунный сепаратор. вращающийся элемент качения (крестовина на заклепках). Подшипники с повышенной осевой грузоподъемностью. |
| NJ336E.M1.C3 | Внутренний зазор больше нормального. Повышенная грузоподъемность. Механически обработанный латунный сепаратор. вращающийся элемент качения (крестовина на заклепках). |
| NJ336-E-M1A-C3 | Внутренний зазор больше нормального. Повышенная грузоподъемность. Массивный латунный сепаратор. двухтельный. центрированный по бортам. |
| NJ336-M | Механически обработанный латунный сепаратор .Расположенный на элементах качения. |
| NJ336-E-M1A-C4 | Внутренний зазор подшипника больше. чем C3. Повышенная грузоподъемность. Массивный латунный сепаратор. двухтельный. центрированный по бортам. |
| NJ336 | Штампованный сепаратор из стального листа. Канавка под стопорное кольцо на наружном кольце подшипника. Однорядный цилиндрический роликовый подшипник. Наружное кольцо имеет два борта. Основное конструктивное исполнение. |
| NJ336C3 | Внутренний зазор больше нормального. |
| NJ336EM | Стандартный фланцевый ( с резьбой и сквозным отверстием). |
| NJ336ECM | Однорядный цилиндрический роликовый подшипник. |
| NJ336 E | Повышенная грузоподъемность. |
| NJ336-E-M1+HJ336E | Повышенная грузоподъемность. Механически обработанный латунный сепаратор. вращающийся элемент качения (крестовина на заклепках). |
| NJ336-E-M6 | Повышенная грузоподъемность. 20-28 UM (C3 & C4). |
| NJ336-E-MA6 | Повышенная грузоподъемность. Изготовленный из двух частей латунный сепаратор. Центрирование по внешнему кольцу. Различные конструкции или сорта материалов обозначаются цифрой или буквой.. |
| NJ336-E-MPA | Повышенная грузоподъемность. Твердый латунный сепаратор. |
| NJ336-E-MPA+HJ336-E | Повышенная грузоподъемность. Твердый латунный сепаратор. |
| NJ336-E-MA6+HJ336-E | Повышенная грузоподъемность. Изготовленный из двух частей латунный сепаратор. Центрирование по внешнему кольцу. Различные конструкции или сорта материалов обозначаются цифрой или буквой.. |
Модификации роликового подшипника NJ336-E-M6+HJ336-E — это измененное основное конструктивное исполнение NJ336, основные размеры (180x380x75) не отличаются.
| Обозначение | Гост | Конструктивные особенности |
|---|---|---|
| NU336-E-MPA | ISO | Повышенная грузоподъемность. Твердый латунный сепаратор. |
| NU336-E-MA6 | ISO | Повышенная грузоподъемность. Изготовленный из двух частей латунный сепаратор. Центрирование по внешнему кольцу. Различные конструкции или сорта материалов обозначаются цифрой или буквой.. |
| NUP336EM | ISO | Стандартный фланцевый ( с резьбой и сквозным отверстием). |
| 180RU03 | ISO | Роликовый радиальный однорядный подшипник. |
| 180RJ03 | ISO | Роликовый радиальный однорядный подшипник. |
| 180RT03 | ISO | Роликовый радиальный однорядный подшипник. |
| 2336 | ГОСТ | Роликовый радиальный однорядный подшипник. |
| 42336 | ГОСТ | Роликовый радиальный однорядный подшипник. |
| 92336 | ГОСТ | Роликовый радиальный однорядный подшипник. |
| N336 E | ISO | Повышенная грузоподъемность. |
| NF336 E | ISO | Повышенная грузоподъемность. |
| NH336 E | ISO | Повышенная грузоподъемность. |
| NP336 E | ISO | Повышенная грузоподъемность. |
| NUP336 E | ISO | Повышенная грузоподъемность. |
| N336 | ISO | Канавка под стопорное кольцо на наружном кольце подшипника. |
| NH336 | ISO | Канавка под стопорное кольцо на наружном кольце подшипника. |
| NP 336 | ISO | Канавка под стопорное кольцо на наружном кольце подшипника. |
| 8-32336 М | ГОСТ | Модифицированный контакт.. |
| 42336-ГМ | ГОСТ | Модифицированный контакт.. Сепаратор из черных металлов.. |
| 42336Г | ГОСТ | Сепаратор из черных металлов.. |
Аналог роликового подшипника NJ336-E-M6+HJ336-E — это подшипник такого же размера dx180,Dx380,Bx75, типа и конструкции.
| Обозначение | Конструктивные особенности | Внутренний (d) | Наружный (D) | Ширина (B) |
|---|---|---|---|---|
| 440367/VA301 | Однорядный цилиндрический роликовый подшипник. Подшипник для железнодорожных тяговых двигателей. | 180.00 | 380.00 | 75.00 |
| BC1B440367A | Однорядный цилиндрический роликовый подшипник. Цилиндрический роликоподшипник. С углом фланца 1 градус 40 минут. Сферические роликовые наконечники. | 180.00 | 380.00 | 75.00 |
| 32336-М | Роликовый радиальный подшипник. Модифицированный контакт.. | 180.00 | 380.00 | 75.00 |
| NUP336 | Роликовый радиальный цилиндрический однорядный подшипник. Сталь сквозной закалки SUJ2 (японская) и взаимозаменяемость (только для метрических серий). Канавка под стопорное кольцо на наружном кольце подшипника. Точность размеров примерно соответствует классу точности Р4. Однорядный цилиндрический роликовый подшипник. Наружное кольцо имеет два борта. | 180.00 | 380.00 | 75.00 |
| N336 M | Роликовый радиальный цилиндрический однорядный подшипник. Подшипник с латунным сепаратором. центрированный по телам качения. | 180.00 | 380.00 | 75.00 |
| 7336DB | Шариковый радиально-упорный двухрядный подшипник. Two Single Row Deep Groove Ball Bearings. Single Row Angular Contact Ball Bearings Or Single Row Tapered Roller Bearings Matched For Mounting In A Back-To-Back Arrangement. | 180.00 | 380.00 | 75.00 |
| 7336DT | Шариковый радиально-упорный двухрядный подшипник. Дуплексные подшипники для установки в тандеме. | 180.00 | 380.00 | 75.00 |
| 7336DF | Шариковый радиально-упорный двухрядный подшипник. Комплект из двух подшипников. согласованных для установки по Х-образной схеме. Число. следующее непосредственно после букв DF. обозначает конструкцию промежуточного кольца. | 180.00 | 380.00 | 75.00 |
| 6-66336-Л | Шариковый радиально-упорный однорядный подшипник. Сепаратор из латуни.. | 180.00 | 380.00 | 75.00 |
| QJ 336 N2 | Шариковый радиально-упорный однорядный подшипник. Два установочных паза (выемки), расположенных под углом 180° друг от друга в одной боковой поверхности наружного кольца или шайбе корпуса.. | 180.00 | 380.00 | 75.00 |
| 7336 A | Шариковый радиально-упорный однорядный подшипник. Двухрядный радиально-упорный шарикоподшипник без отверстия для смазки. | 180.00 | 380.00 | 75.00 |
| QJ 336 | Шариковый радиально-упорный однорядный подшипник. Штампованный сепаратор из стального листа. Шариковый подшипник с четырех-точечным контактом. | 180.00 | 380.00 | 75.00 |
| QJ 336 N2 M | Шариковый радиально-упорный однорядный подшипник. Подшипник с латунным сепаратором. центрированный по телам качения. Два установочных паза (выемки), расположенных под углом 180° друг от друга в одной боковой поверхности наружного кольца или шайбе корпуса.. | 180.00 | 380.00 | 75.00 |
| 6336 M/C3VL2071 | Шариковый радиальный подшипник. Подшипник с латунным сепаратором. центрированный по телам качения. | 180.00 | 380.00 | 75.00 |
| 66336-Л | Шариковый радиально-упорный однорядный подшипник. Сепаратор из латуни.. | 180.00 | 380.00 | 75.00 |
Способы доставки
Отправка через ведущие транспортные и курьерские компании: ПЭК, Деловые Линии, СДЭК, Байкал-Сервис, Энергия, КИТ, ЖелДорЭкспедиция.
Самовывоз возможен напрямую со склада в Москве.
Сроки доставки
Срок зависит от региона и выбранной транспортной компании. Все заказы комплектуются и отправляются в кратчайшие сроки со склада в Москве.
Надёжность и сохранность
Вся продукция упаковывается с учётом требований транспортировки. Мы гарантируем, что подшипники и комплектующие прибудут к заказчику в полной сохранности.
Доставка в страны ЕАЭС
Мы работаем с проверенными логистическими партнёрами, что позволяет оперативно доставлять заказы в Беларусь, Казахстан, Армению и другие страны ЕАЭС.
Варианты оплаты:
Минимальная сумма заказа и скидки:
Документы и гарантии:
Да, конечно! Наши технические специалисты готовы помочь вам с подбором точного аналога или замены подшипника. Просто позвоните нам по телефону +7 (495) 104-99-04 или напишите на почту zakaz@podsnab.ru.
Для оперативной консультации подготовьте, пожалуйста, имеющиеся данные: маркировку, размеры, тип оборудования или артикул старого подшипника.
Да, конечно! Мы высоко ценим долгосрочное сотрудничество и доверие клиентов по всей России. Для постоянных клиентов действует персональная система скидок.
Условия формируются индивидуально и зависят от:
Чтобы узнать свои условия и получить максимально выгодное предложение, свяжитесь с персональным менеджером или напишите нам на почту zakaz@podsnab.ru.
Вы можете оформить заказ несколькими способами:
Для оформления заказа от юридического лица свяжитесь с нашим отделом по работе с корпоративными клиентами по телефону +7 (495) 104-99-04 или напишите на email zakaz@podsnab.ru, прикрепив реквизиты вашей организации.
Мы оперативно подготовим коммерческое предложение и выставим счет.
Возврат товара надлежащего качества возможен в течение 10 дней с момента получения, если товар не был в употреблении, сохранен товарный вид, упаковка не вскрывалась и присутствуют все сопроводительные документы.
Возврат денежных средств осуществляется в течение 10 рабочих дней после проверки товара складом.
В соответствии с законодательством возврату не подлежат подшипники надлежащего качества, если отсутствует оригинальная упаковка или имеются следы монтажа.
В случае выявления брака или гарантийного случая мы гарантируем возврат или обмен товара.
Да, гарантийный срок хранения устанавливается заводом-изготовителем и в среднем составляет 2 года при соблюдении условий хранения: сухое помещение, оригинальная упаковка и смазка.
Точный срок для конкретного типа подшипника уточняйте у наших менеджеров.
Пн–Пт: с 8:00 до 17:00 (МСК).
Сб–Вс: выходные дни.
Заказы на сайте принимаются круглосуточно. Заявки, поступившие после окончания рабочего дня, обрабатываются на следующий рабочий день.
Минимальная сумма заказа для доставки составляет 3000 рублей. Самовывоз со склада возможен на любую сумму при наличии товара.
ООО «УралТехГрупп»
ИНН: 7415093830
КПП: 772401001
ОГРН: 1167456069021
Банк: ПАО Сбербанк
Р/с: 40702810838000475273
К/с: 30101810400000000225
БИК: 044525225
У подшипника NJ336-E-M6+HJ336-E пока нет отзывов. Вы можете стать первым покупателем, поделившимся своим мнением.