Поиск подшипника
Статьи
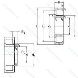
NJ334-E-MA6+HJ334-E — Роликовый радиальный однорядный подшипник, модификация основного исполнения NJ334, производство NKE.
Размер подшипника: 170x360x72 мм.
Однорядный цилиндрический роликоподшипник. Наружное кольцо имеет два борта, наружное — один борт, изготовленный из двух частей латунный сепаратор. центрирование по внешнему кольцу. различные конструкции или сорта материалов обозначаются цифрой или буквой, повышенная грузоподъемность.
Международная стандартизации ISO
NJ334EMA6HJ334E
В наличии
| Обозначение | Конструктивные изменения |
|---|---|
| NJ334-E-M1 | Повышенная грузоподъемность. Механически обработанный латунный сепаратор. вращающийся элемент качения (крестовина на заклепках). |
| NJ334-E-TB-M1 | Повышенная грузоподъемность. Механически обработанный латунный сепаратор. вращающийся элемент качения (крестовина на заклепках). Подшипники с повышенной осевой грузоподъемностью. |
| NJ334M | Механически обработанный латунный сепаратор .Расположенный на элементах качения. |
| NJ334-E-TB-M1-C3 | Внутренний зазор больше нормального. Повышенная грузоподъемность. Механически обработанный латунный сепаратор. вращающийся элемент качения (крестовина на заклепках). Подшипники с повышенной осевой грузоподъемностью. |
| NJ334 | Штампованный сепаратор из стального листа. Канавка под стопорное кольцо на наружном кольце подшипника. Однорядный цилиндрический роликовый подшипник. Наружное кольцо имеет два борта. Основное конструктивное исполнение. |
| NJ334E.M1.C3 | Внутренний зазор больше нормального. Повышенная грузоподъемность. Механически обработанный латунный сепаратор. вращающийся элемент качения (крестовина на заклепках). |
| NJ334EM C3 | Внутренний зазор больше нормального. Стандартный фланцевый ( с резьбой и сквозным отверстием). |
| NJ334M C3 | Внутренний зазор больше нормального. Механически обработанный латунный сепаратор .Расположенный на элементах качения. |
| NJ334 E | Повышенная грузоподъемность. |
| NJ334-E-M1+HJ334-E | Повышенная грузоподъемность. Механически обработанный латунный сепаратор. вращающийся элемент качения (крестовина на заклепках). |
| NJ334-E-M6+HJ334-E | Повышенная грузоподъемность. 20-28 UM (C3 & C4). |
| NJ334-E-M6 | Повышенная грузоподъемность. 20-28 UM (C3 & C4). |
| NJ334-E-MPA | Повышенная грузоподъемность. Твердый латунный сепаратор. |
| NJ334-E-MPA+HJ334-E | Повышенная грузоподъемность. Твердый латунный сепаратор. |
| NJ334-E-MA6 | Повышенная грузоподъемность. Изготовленный из двух частей латунный сепаратор. Центрирование по внешнему кольцу. Различные конструкции или сорта материалов обозначаются цифрой или буквой.. |
| NJ334EM | Стандартный фланцевый ( с резьбой и сквозным отверстием). |
Модификации роликового подшипника NJ334-E-MA6+HJ334-E — это измененное основное конструктивное исполнение NJ334, основные размеры (170x360x72) не отличаются.
| Обозначение | Гост | Конструктивные особенности |
|---|---|---|
| NU334-E-MA6 | ISO | Повышенная грузоподъемность. Изготовленный из двух частей латунный сепаратор. Центрирование по внешнему кольцу. Различные конструкции или сорта материалов обозначаются цифрой или буквой.. |
| NU334-E-M6 | ISO | Повышенная грузоподъемность. 20-28 UM (C3 & C4). |
| NU334-E-MPA | ISO | Повышенная грузоподъемность. Твердый латунный сепаратор. |
| N334EM | ISO | Стандартный фланцевый ( с резьбой и сквозным отверстием). |
| 2334 | ГОСТ | Роликовый радиальный однорядный подшипник. |
| 32334 | ГОСТ | Роликовый радиальный однорядный подшипник. |
| 42334 | ГОСТ | Роликовый радиальный однорядный подшипник. |
| 92334 | ГОСТ | Роликовый радиальный однорядный подшипник. |
| NUP334EM | ISO | Стандартный фланцевый ( с резьбой и сквозным отверстием). |
| NF334 E | ISO | Повышенная грузоподъемность. |
| NH334 E | ISO | Повышенная грузоподъемность. |
| NP334 E | ISO | Повышенная грузоподъемность. |
| NU334 E | ISO | Повышенная грузоподъемность. |
| NUP334 E | ISO | Повышенная грузоподъемность. |
| NH334 | ISO | Канавка под стопорное кольцо на наружном кольце подшипника. |
| NP 334 | ISO | Канавка под стопорное кольцо на наружном кольце подшипника. |
| 8-32334 М | ГОСТ | Модифицированный контакт.. |
| 6-32334 М | ГОСТ | Модифицированный контакт.. |
| 70-32334 М | ГОСТ | Модифицированный контакт.. |
| N 334 ECM | ISO | Однорядный цилиндрический роликовый подшипник. |
Аналог роликового подшипника NJ334-E-MA6+HJ334-E — это подшипник такого же размера dx170,Dx360,Bx72, типа и конструкции.
| Обозначение | Конструктивные особенности | Внутренний (d) | Наружный (D) | Ширина (B) |
|---|---|---|---|---|
| N334 E | Роликовый радиальный цилиндрический однорядный подшипник. Повышенная грузоподъемность. | 170.00 | 360.00 | 72.00 |
| NUP334 | Роликовый радиальный цилиндрический однорядный подшипник. Сталь сквозной закалки SUJ2 (японская) и взаимозаменяемость (только для метрических серий). Канавка под стопорное кольцо на наружном кольце подшипника. Точность размеров примерно соответствует классу точности Р4. Однорядный цилиндрический роликовый подшипник. Наружное кольцо имеет два борта. | 170.00 | 361.00 | 73.00 |
| 7334DF | Шариковый радиально-упорный двухрядный подшипник. Комплект из двух подшипников. согласованных для установки по Х-образной схеме. Число. следующее непосредственно после букв DF. обозначает конструкцию промежуточного кольца. | 170.00 | 360.00 | 72.00 |
| 7334DT | Шариковый радиально-упорный двухрядный подшипник. Дуплексные подшипники для установки в тандеме. | 170.00 | 360.00 | 72.00 |
| 7334DB | Шариковый радиально-упорный двухрядный подшипник. Two Single Row Deep Groove Ball Bearings. Single Row Angular Contact Ball Bearings Or Single Row Tapered Roller Bearings Matched For Mounting In A Back-To-Back Arrangement. | 170.00 | 360.00 | 72.00 |
| QJ 334 N2 | Шариковый радиально-упорный однорядный подшипник. Два установочных паза (выемки), расположенных под углом 180° друг от друга в одной боковой поверхности наружного кольца или шайбе корпуса.. | 170.00 | 360.00 | 72.00 |
| 7334 A | Шариковый радиально-упорный однорядный подшипник. Двухрядный радиально-упорный шарикоподшипник без отверстия для смазки. | 170.00 | 360.00 | 72.00 |
| 7334C | Шариковый радиально-упорный однорядный подшипник. Угол контакта 15 градусов. | 170.00 | 360.00 | 72.00 |
| QJ 334 | Шариковый радиально-упорный однорядный подшипник. Штампованный сепаратор из стального листа. Шариковый подшипник с четырех-точечным контактом. | 170.00 | 360.00 | 72.00 |
| QJ 334 N2 M | Шариковый радиально-упорный однорядный подшипник. Подшипник с латунным сепаратором. центрированный по телам качения. Два установочных паза (выемки), расположенных под углом 180° друг от друга в одной боковой поверхности наружного кольца или шайбе корпуса.. | 170.00 | 360.00 | 72.00 |
| 7334-BCB-MP | Шариковый радиально-упорный однорядный подшипник. Массивный латунный сепаратор. центрированный по телам качения. | 170.00 | 360.00 | 72.00 |
| 26334К | Шариковый радиально-упорный однорядный подшипник. «Замок» (скос) на внутреннем кольце плюс массивный сепаратор из текстолита. | 170.00 | 360.00 | 72.00 |
| 6334 M/C3VL2071 | Шариковый радиальный подшипник. Подшипник с латунным сепаратором. центрированный по телам качения. | 170.00 | 360.00 | 72.00 |
| 66334К | Шариковый радиально-упорный однорядный подшипник. «Замок» (скос) на внутреннем кольце плюс массивный сепаратор из текстолита. | 170.00 | 360.00 | 72.00 |
| 6334K | Шариковый радиальный однорядный подшипник. Коническое отверстие (1. | 170.00 | 360.00 | 72.00 |
Способы доставки
Отправка через ведущие транспортные и курьерские компании: ПЭК, Деловые Линии, СДЭК, Байкал-Сервис, Энергия, КИТ, ЖелДорЭкспедиция.
Самовывоз возможен напрямую со склада в Москве.
Сроки доставки
Срок зависит от региона и выбранной транспортной компании. Все заказы комплектуются и отправляются в кратчайшие сроки со склада в Москве.
Надёжность и сохранность
Вся продукция упаковывается с учётом требований транспортировки. Мы гарантируем, что подшипники и комплектующие прибудут к заказчику в полной сохранности.
Доставка в страны ЕАЭС
Мы работаем с проверенными логистическими партнёрами, что позволяет оперативно доставлять заказы в Беларусь, Казахстан, Армению и другие страны ЕАЭС.
Варианты оплаты:
Минимальная сумма заказа и скидки:
Документы и гарантии:
Да, конечно! Наши технические специалисты готовы помочь вам с подбором точного аналога или замены подшипника. Просто позвоните нам по телефону +7 (495) 104-99-04 или напишите на почту zakaz@podsnab.ru.
Для оперативной консультации подготовьте, пожалуйста, имеющиеся данные: маркировку, размеры, тип оборудования или артикул старого подшипника.
Да, конечно! Мы высоко ценим долгосрочное сотрудничество и доверие клиентов по всей России. Для постоянных клиентов действует персональная система скидок.
Условия формируются индивидуально и зависят от:
Чтобы узнать свои условия и получить максимально выгодное предложение, свяжитесь с персональным менеджером или напишите нам на почту zakaz@podsnab.ru.
Вы можете оформить заказ несколькими способами:
Для оформления заказа от юридического лица свяжитесь с нашим отделом по работе с корпоративными клиентами по телефону +7 (495) 104-99-04 или напишите на email zakaz@podsnab.ru, прикрепив реквизиты вашей организации.
Мы оперативно подготовим коммерческое предложение и выставим счет.
Возврат товара надлежащего качества возможен в течение 10 дней с момента получения, если товар не был в употреблении, сохранен товарный вид, упаковка не вскрывалась и присутствуют все сопроводительные документы.
Возврат денежных средств осуществляется в течение 10 рабочих дней после проверки товара складом.
В соответствии с законодательством возврату не подлежат подшипники надлежащего качества, если отсутствует оригинальная упаковка или имеются следы монтажа.
В случае выявления брака или гарантийного случая мы гарантируем возврат или обмен товара.
Да, гарантийный срок хранения устанавливается заводом-изготовителем и в среднем составляет 2 года при соблюдении условий хранения: сухое помещение, оригинальная упаковка и смазка.
Точный срок для конкретного типа подшипника уточняйте у наших менеджеров.
Пн–Пт: с 8:00 до 17:00 (МСК).
Сб–Вс: выходные дни.
Заказы на сайте принимаются круглосуточно. Заявки, поступившие после окончания рабочего дня, обрабатываются на следующий рабочий день.
Минимальная сумма заказа для доставки составляет 3000 рублей. Самовывоз со склада возможен на любую сумму при наличии товара.
ООО «УралТехГрупп»
ИНН: 7415093830
КПП: 772401001
ОГРН: 1167456069021
Банк: ПАО Сбербанк
Р/с: 40702810838000475273
К/с: 30101810400000000225
БИК: 044525225
У подшипника NJ334-E-MA6+HJ334-E пока нет отзывов. Вы можете стать первым покупателем, поделившимся своим мнением.