Поиск подшипника
Статьи
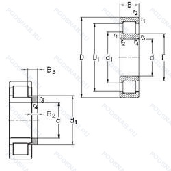
NJ412-M+HJ412 — Роликовый радиальный однорядный подшипник, модификация основного исполнения NJ412, производство NKE.
Размер подшипника: 60x150x35 мм.
Однорядный цилиндрический роликоподшипник. Наружное кольцо имеет два борта, наружное — один борт, подшипник с латунным сепаратором. центрированный по телам качения.
Международная стандартизации ISO
NJ412MHJ412
В наличии
| Обозначение | Конструктивные изменения |
|---|---|
| NJ412M C3 | Внутренний зазор больше нормального. Подшипник с латунным сепаратором. центрированный по телам качения. |
| NJ412/C3 | Внутренний зазор больше нормального. |
| NJ412B | Конический роликовый подшипник. Угол контакта 20 градусов. |
| NJ412ECJ | Сепаратор из штампованной стали. Центрирование роликов. Незакаленный. Два стальных сепаратора оконного типа. внутреннее кольцо без фланца. направляющее кольцо с усиленным роликом. |
| NJ412 | Штампованный сепаратор из стального листа. Канавка под стопорное кольцо на наружном кольце подшипника. Однорядный цилиндрический роликовый подшипник. Наружное кольцо имеет два борта. Основное конструктивное исполнение. |
| NJ412M.C4 | Внутренний зазор подшипника больше. чем C3. Механически обработанный латунный сепаратор .Расположенный на элементах качения. |
| NJ412-XL-M1 | Серия X-Life премиум-класс. увеличиный срок службы. Механически обработанный латунный сепаратор. вращающийся элемент качения (крестовина на заклепках). |
| NJ412-XL-M1A-C3 | Внутренний зазор больше нормального. Серия X-Life премиум-класс. увеличиный срок службы. Массивный латунный сепаратор. двухтельный. центрированный по бортам. |
| NJ412W C3 | Внутренний зазор больше нормального. Цельный прессованный сепаратор. |
| NJ412M | Механически обработанный латунный сепаратор .Расположенный на элементах качения. |
| NJ412MA C3 | Внутренний зазор больше нормального. Механически обработанный латунный сепаратор. Центрирование по внешнему кольцу. |
| NJ412/344025 | Роликовый радиальный однорядный подшипник. |
| NJ412.M1 | Механически обработанный латунный сепаратор. вращающийся элемент качения (крестовина на заклепках). |
| NJ412M1A-C3 | Внутренний зазор больше нормального. Массивный латунный сепаратор. двухтельный. центрированный по бортам. |
| NJ412-M1 + HJ412 | Механически обработанный латунный сепаратор. вращающийся элемент качения (крестовина на заклепках). |
Модификации роликового подшипника NJ412-M+HJ412 — это измененное основное конструктивное исполнение NJ412, основные размеры (60x150x35) не отличаются.
| Обозначение | Гост | Конструктивные особенности |
|---|---|---|
| 7-42412 К2 | ГОСТ | Роликовый радиальный однорядный подшипник. |
| 7-42412 Л2 | ГОСТ | Сепаратор из латуни.. |
| 8-42412 КМ | ГОСТ | Модифицированный контакт.. |
| 92412 | ГОСТ | Роликовый радиальный однорядный подшипник. |
| 102412 | ГОСТ | Роликовый радиальный однорядный подшипник. |
| 2412-Л | ГОСТ | Сепаратор из латуни.. |
| NUP412-M | ISO | Подшипник с латунным сепаратором. центрированный по телам качения. |
| NH412 | ISO | Шестигранное отверстие (кулачковые ролики с осью). Канавка под стопорное кольцо на наружном кольце подшипника. |
| NP 412 | ISO | Канавка под стопорное кольцо на наружном кольце подшипника. |
| 92412-Л1 | ГОСТ | Сепаратор из латуни.. |
| 7-32412 К1 | ГОСТ | Кольцевая проточка на середине цилиндрической наружной поверхности наружного кольца плюс три отверстия для смазки. |
| 7-32412 Л2 | ГОСТ | Сепаратор из латуни.. |
| 70-92412 К3 | ГОСТ | Роликовый радиальный однорядный подшипник. |
| 42412-К2 | ГОСТ | Кольцевая проточка на середине цилиндрической наружной поверхности наружного кольца плюс три отверстия для смазки. |
| 42412-КМ | ГОСТ | Кольцевая проточка на середине цилиндрической наружной поверхности наружного кольца плюс три отверстия для смазки. Модифицированный контакт.. |
| 42412-Л | ГОСТ | Сепаратор из латуни.. |
| 42412-Л2 | ГОСТ | Сепаратор из латуни.. |
| 42412-ЛМ | ГОСТ | Сепаратор из латуни.. Модифицированный контакт.. |
| 42412KM | ГОСТ | Type Of Model. |
| 42412ЛM | ГОСТ | Подшипник с латунным сепаратором. центрированный по телам качения. Сепаратор из латуни.. |
Аналог роликового подшипника NJ412-M+HJ412 — это подшипник такого же размера dx60,Dx150,Bx35, типа и конструкции.
| Обозначение | Конструктивные особенности | Внутренний (d) | Наружный (D) | Ширина (B) |
|---|---|---|---|---|
| 70-412 АК | Шариковый радиальный однорядный подшипник. Повышенная грузоподъемность. | 60.00 | 150.00 | 35.00 |
| SC1291LLU | Шариковый радиальный однорядный подшипник. Контактное резиновое уплотнение с двух сторон. | 60.00 | 150.00 | 36.00 |
| 170412-АК | Шариковый радиальный однорядный подшипник. Повышенная грузоподъемность. | 60.00 | 150.00 | 35.00 |
| 170412-АКЛ | Шариковый радиальный однорядный подшипник. Сепаратор из латуни.. Повышенная грузоподъемность. | 60.00 | 150.00 | 35.00 |
| 170412-АЛ | Шариковый радиальный однорядный подшипник. Сепаратор из латуни.. Повышенная грузоподъемность. | 60.00 | 150.00 | 35.00 |
| 170412-Л | Шариковый радиальный однорядный подшипник. Сепаратор из латуни.. | 60.00 | 150.00 | 35.00 |
| 412-А | Шариковый радиальный однорядный подшипник. Повышенная грузоподъемность. | 60.00 | 150.00 | 35.00 |
| 412-АК | Шариковый радиальный подшипник. Повышенная грузоподъемность. | 60.00 | 150.00 | 35.00 |
| 412-АКТ | Шариковый радиальный однорядный подшипник. Температура отпуска. 160°. Повышенная грузоподъемность. | 60.00 | 150.00 | 35.00 |
| 412-АКТ11 | Шариковый радиальный однорядный подшипник. 180°. Повышенная грузоподъемность. Температура отпуска. | 60.00 | 150.00 | 35.00 |
| 412-Ш | Шариковый радиальный однорядный подшипник. Нормы шумности. | 60.00 | 150.00 | 35.00 |
| 45-176412 Е1Ш2 | Шариковый радиально-упорный однорядный подшипник. Сепаратор из текстолита.. Нормы шумности. | 60.00 | 150.00 | 35.00 |
| 5-66412 КЛ | Шариковый радиально-упорный однорядный подшипник. «Замок» (скос) на внутреннем кольце плюс массивный сепаратор из текстолита. Сепаратор из латуни.. | 60.00 | 150.00 | 35.00 |
| 50412-А | Шариковый радиальный однорядный подшипник. Повышенная грузоподъемность. | 60.00 | 150.00 | 35.00 |
| 50412-АК | Шариковый радиальный однорядный подшипник. Повышенная грузоподъемность. | 60.00 | 150.00 | 35.00 |
Способы доставки
Отправка через ведущие транспортные и курьерские компании: ПЭК, Деловые Линии, СДЭК, Байкал-Сервис, Энергия, КИТ, ЖелДорЭкспедиция.
Самовывоз возможен напрямую со склада в Москве.
Сроки доставки
Срок зависит от региона и выбранной транспортной компании. Все заказы комплектуются и отправляются в кратчайшие сроки со склада в Москве.
Надёжность и сохранность
Вся продукция упаковывается с учётом требований транспортировки. Мы гарантируем, что подшипники и комплектующие прибудут к заказчику в полной сохранности.
Доставка в страны ЕАЭС
Мы работаем с проверенными логистическими партнёрами, что позволяет оперативно доставлять заказы в Беларусь, Казахстан, Армению и другие страны ЕАЭС.
Варианты оплаты:
Минимальная сумма заказа и скидки:
Документы и гарантии:
Да, конечно! Наши технические специалисты готовы помочь вам с подбором точного аналога или замены подшипника. Просто позвоните нам по телефону +7 (495) 104-99-04 или напишите на почту zakaz@podsnab.ru.
Для оперативной консультации подготовьте, пожалуйста, имеющиеся данные: маркировку, размеры, тип оборудования или артикул старого подшипника.
Да, конечно! Мы высоко ценим долгосрочное сотрудничество и доверие клиентов по всей России. Для постоянных клиентов действует персональная система скидок.
Условия формируются индивидуально и зависят от:
Чтобы узнать свои условия и получить максимально выгодное предложение, свяжитесь с персональным менеджером или напишите нам на почту zakaz@podsnab.ru.
Вы можете оформить заказ несколькими способами:
Для оформления заказа от юридического лица свяжитесь с нашим отделом по работе с корпоративными клиентами по телефону +7 (495) 104-99-04 или напишите на email zakaz@podsnab.ru, прикрепив реквизиты вашей организации.
Мы оперативно подготовим коммерческое предложение и выставим счет.
Возврат товара надлежащего качества возможен в течение 10 дней с момента получения, если товар не был в употреблении, сохранен товарный вид, упаковка не вскрывалась и присутствуют все сопроводительные документы.
Возврат денежных средств осуществляется в течение 10 рабочих дней после проверки товара складом.
В соответствии с законодательством возврату не подлежат подшипники надлежащего качества, если отсутствует оригинальная упаковка или имеются следы монтажа.
В случае выявления брака или гарантийного случая мы гарантируем возврат или обмен товара.
Да, гарантийный срок хранения устанавливается заводом-изготовителем и в среднем составляет 2 года при соблюдении условий хранения: сухое помещение, оригинальная упаковка и смазка.
Точный срок для конкретного типа подшипника уточняйте у наших менеджеров.
Пн–Пт: с 8:00 до 17:00 (МСК).
Сб–Вс: выходные дни.
Заказы на сайте принимаются круглосуточно. Заявки, поступившие после окончания рабочего дня, обрабатываются на следующий рабочий день.
Минимальная сумма заказа для доставки составляет 3000 рублей. Самовывоз со склада возможен на любую сумму при наличии товара.
ООО «УралТехГрупп»
ИНН: 7415093830
КПП: 772401001
ОГРН: 1167456069021
Банк: ПАО Сбербанк
Р/с: 40702810838000475273
К/с: 30101810400000000225
БИК: 044525225
У подшипника NJ412-M+HJ412 пока нет отзывов. Вы можете стать первым покупателем, поделившимся своим мнением.