Поиск подшипника
Статьи
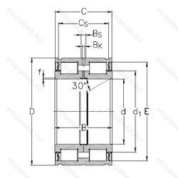
NNF5007-2LS-V — Роликовый радиальный двухрядный подшипник, модификация основного исполнения NNF5007, производство NKE.
Размер подшипника: 35x62x36 мм.
Контактное уплотнение с обеих сторон подшипника, подшипник без сепаратора. с полным комплектом тел качения.
Международная стандартизации ISO
NNF50072LSV
В наличии
| Обозначение | Конструктивные изменения |
|---|---|
| NNF5007-2LS-V-2NR | Контактное уплотнение с обеих сторон подшипника. Подшипник без сепаратора. С полным комплектом тел качения. Supplied With Two Loose-Packed Retaining Rings WRE. |
| NNF5007PP 2NR | Уплотнения на каждой стороне подшипника. Supplied With Two Loose-Packed Retaining Rings WRE. |
| NNF5007ADB-2LSV | Контактное уплотнение из полиуретана (AU) с обеих сторон подшипника. Полный комплект роликов (без сепаратора). Modified Snap Ring Grooves In The Outer Ring_ Two-Piece Inner Ring Held Together By A Retaining Ring. |
| NNF5007ADA-2LSV | Контактное уплотнение из полиуретана (AU) с обеих сторон подшипника. Полный комплект роликов (без сепаратора). Широкие канавки для стопорных колец на внешнем кольце. Внутреннее кольцо из двух частей. удерживаемое вместе стопорным кольцом. |
| NNF5007B.2LS.V | Внутренние изменения в конструкции. Контактное уплотнение с обеих сторон подшипника. Подшипник без сепаратора. С полным комплектом тел качения. |
| NNF5007-2LS-V-C3 | Внутренний зазор больше нормального. Контактное уплотнение из полиуретана (AU) с обеих сторон подшипника. Полный комплект роликов (без сепаратора). |
| NNF5007 2LS | Контактное уплотнение с обеих сторон подшипника. |
| NNF5007 V | Бессепараторный подшипник. |
Модификации роликового подшипника NNF5007-2LS-V — это измененное основное конструктивное исполнение NNF5007, основные размеры (35x62x36) не отличаются.
| Обозначение | Гост | Конструктивные особенности |
|---|---|---|
| NCF5007-2LSV | ISO | Роликовый радиальный двухрядный подшипник. |
Аналог роликового подшипника NNF5007-2LS-V — это подшипник такого же размера dx35,Dx62,Bx36, типа и конструкции.
| Обозначение | Конструктивные особенности | Внутренний (d) | Наружный (D) | Ширина (B) |
|---|---|---|---|---|
| GE35HO-2RS | Сферический подшипник скольжения. Резиновые уплотнения с каждой стороны подшипника. Метрический радиальный сферический подшипник скольжения. | 35.00 | 55.00 | 35.00 |
| NA6907ZWXL | Роликовый игольчатый подшипник. Двухрядный игольчатый ролик и сепаратор в сборе. Серия X-Life премиум-класс. увеличиный срок службы. | 35.00 | 55.00 | 36.00 |
| NA6907A | Роликовый игольчатый подшипник. Двухрядный радиально-упорный шарикоподшипник без отверстия для смазки. | 35.00 | 55.00 | 36.00 |
| NA6907UU | Роликовый игольчатый подшипник. Резиновые уплотнения с каждой стороны подшипника. | 35.00 | 55.00 | 37.00 |
| NA6907-ZW-XL-2S | Роликовый игольчатый подшипник. Двухрядный игольчатый ролик и сепаратор в сборе. Серия X-Life премиум-класс. увеличиный срок службы. If Two Or More Bearings Are Located Adjacent To Each Other In A Planet (2. 3 Or 4 Bearings). These Must Be Ordered Using The Suffix 2S. 3S Or 4S So That They Are Sorted Together. | 35.00 | 55.00 | 36.00 |
| NA6907R | Роликовый игольчатый подшипник. Тип ребра. | 35.00 | 55.00 | 36.00 |
| GE35HO | Сферический подшипник скольжения. Стальная cкользящая контактная поверхность. Цилиндрическое расширение на внутреннем кольце. | 35.00 | 55.00 | 35.00 |
| GEEM35ES 2RS | Сферический подшипник скольжения. Повышенной грузоподъемности. Манжетное уплотнение с двух сторон. Механически обработанный латунный сепаратор. Стальная скользящая контактная поверхность. Разъемное наружное кольцо со смазочными отверстиями. | 35.00 | 55.00 | 35.00 |
| NA6907B | Роликовый игольчатый подшипник. Конический роликовый подшипник. Угол контакта 20 градусов. | 35.00 | 55.00 | 36.00 |
| NA6907-2RS | Роликовый игольчатый подшипник однорядный. Резиновые уплотнения с каждой стороны подшипника. | 35.00 | 55.00 | 36.00 |
| NA 6907U | Роликовый игольчатый подшипник однорядный. Универсальный одиночный подшипник. | 35.00 | 55.00 | 37.00 |
| NA 6907 ZW | Роликовый игольчатый подшипник двухрядный. Сепаратор состоит из двух рядов. | 35.00 | 55.00 | 36.00 |
| NA6907TT | Роликовый игольчатый подшипник однорядный. Комплект из трех согласованных однорядных радиально-упорных шарикоподшипников или радиально-упорных шарикоподшипников, расположенных тандемно. | 35.00 | 55.00 | 37.00 |
| GEEW35ES | Шарнирный подшипник. Повышенной грузоподъемности. Разъемное наружное кольцо со смазочными отверстиями. | 35.00 | 55.00 | 35.00 |
| GEEW35ES-2RS | Шарнирный подшипник. Повышенной грузоподъемности. Прорезиненное уплотнение с двух сторон. Разъемное наружное кольцо со смазочными отверстиями. | 35.00 | 55.00 | 35.00 |
Способы доставки
Отправка через ведущие транспортные и курьерские компании: ПЭК, Деловые Линии, СДЭК, Байкал-Сервис, Энергия, КИТ, ЖелДорЭкспедиция.
Самовывоз возможен напрямую со склада в Москве.
Сроки доставки
Срок зависит от региона и выбранной транспортной компании. Все заказы комплектуются и отправляются в кратчайшие сроки со склада в Москве.
Надёжность и сохранность
Вся продукция упаковывается с учётом требований транспортировки. Мы гарантируем, что подшипники и комплектующие прибудут к заказчику в полной сохранности.
Доставка в страны ЕАЭС
Мы работаем с проверенными логистическими партнёрами, что позволяет оперативно доставлять заказы в Беларусь, Казахстан, Армению и другие страны ЕАЭС.
Варианты оплаты:
Минимальная сумма заказа и скидки:
Документы и гарантии:
Да, конечно! Наши технические специалисты готовы помочь вам с подбором точного аналога или замены подшипника. Просто позвоните нам по телефону +7 (495) 104-99-04 или напишите на почту zakaz@podsnab.ru.
Для оперативной консультации подготовьте, пожалуйста, имеющиеся данные: маркировку, размеры, тип оборудования или артикул старого подшипника.
Да, конечно! Мы высоко ценим долгосрочное сотрудничество и доверие клиентов по всей России. Для постоянных клиентов действует персональная система скидок.
Условия формируются индивидуально и зависят от:
Чтобы узнать свои условия и получить максимально выгодное предложение, свяжитесь с персональным менеджером или напишите нам на почту zakaz@podsnab.ru.
Вы можете оформить заказ несколькими способами:
Для оформления заказа от юридического лица свяжитесь с нашим отделом по работе с корпоративными клиентами по телефону +7 (495) 104-99-04 или напишите на email zakaz@podsnab.ru, прикрепив реквизиты вашей организации.
Мы оперативно подготовим коммерческое предложение и выставим счет.
Возврат товара надлежащего качества возможен в течение 10 дней с момента получения, если товар не был в употреблении, сохранен товарный вид, упаковка не вскрывалась и присутствуют все сопроводительные документы.
Возврат денежных средств осуществляется в течение 10 рабочих дней после проверки товара складом.
В соответствии с законодательством возврату не подлежат подшипники надлежащего качества, если отсутствует оригинальная упаковка или имеются следы монтажа.
В случае выявления брака или гарантийного случая мы гарантируем возврат или обмен товара.
Да, гарантийный срок хранения устанавливается заводом-изготовителем и в среднем составляет 2 года при соблюдении условий хранения: сухое помещение, оригинальная упаковка и смазка.
Точный срок для конкретного типа подшипника уточняйте у наших менеджеров.
Пн–Пт: с 8:00 до 17:00 (МСК).
Сб–Вс: выходные дни.
Заказы на сайте принимаются круглосуточно. Заявки, поступившие после окончания рабочего дня, обрабатываются на следующий рабочий день.
Минимальная сумма заказа для доставки составляет 3000 рублей. Самовывоз со склада возможен на любую сумму при наличии товара.
ООО «УралТехГрупп»
ИНН: 7415093830
КПП: 772401001
ОГРН: 1167456069021
Банк: ПАО Сбербанк
Р/с: 40702810838000475273
К/с: 30101810400000000225
БИК: 044525225
У подшипника NNF5007-2LS-V пока нет отзывов. Вы можете стать первым покупателем, поделившимся своим мнением.