Поиск подшипника
Статьи
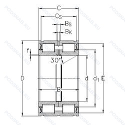
NNF5011-2LS-V — Роликовый радиальный двухрядный подшипник, модификация основного исполнения NNF5011, производство NKE.
Размер подшипника: 55x80x46 мм.
Контактное уплотнение с обеих сторон подшипника, подшипник без сепаратора. с полным комплектом тел качения.
Международная стандартизации ISO
NNF50112LSV
В наличии
| Обозначение | Конструктивные изменения |
|---|---|
| NNF5011PP 2NR | Уплотнения на каждой стороне подшипника. Supplied With Two Loose-Packed Retaining Rings WRE. |
| NNF5011PP | Манжетные уплотнения с обеих сторон подшипника. |
| NNF5011-2LS-VX | Контактное уплотнение с обеих сторон подшипника. Подшипник без сепаратора. С полным комплектом тел качения. |
| NNF5011ADA | Широкие канавки для стопорных колец на внешнем кольце. Внутреннее кольцо из двух частей. удерживаемое вместе стопорным кольцом. |
| NNF5011ADA-2LSV | Широкие канавки для стопорных колец на внешнем кольце. Внутреннее кольцо из двух частей. удерживаемое вместе стопорным кольцом. |
| NNF5011-2LS-V-LHT49 | Контактное уплотнение с обеих сторон подшипника. Подшипник без сепаратора. С полным комплектом тел качения. Низкотемпературная и высокотемпературная смазка. |
| NNF5011ADB-2LSV | Контактное уплотнение из полиуретана (AU) с обеих сторон подшипника. Полный комплект роликов (без сепаратора). Modified Snap Ring Grooves In The Outer Ring_ Two-Piece Inner Ring Held Together By A Retaining Ring. |
| NNF5011 2LS | Контактное уплотнение с обеих сторон подшипника. |
| NNF5011-A-2LS-V | Двухрядный радиально-упорный шарикоподшипник без отверстия для смазки. Контактное уплотнение с обеих сторон подшипника. Подшипник без сепаратора. С полным комплектом тел качения. |
| NNF5011 V | Бессепараторный подшипник. |
Модификации роликового подшипника NNF5011-2LS-V — это измененное основное конструктивное исполнение NNF5011, основные размеры (55x80x46) не отличаются.
| Обозначение | Конструктивные особенности | Внутренний (d) | Наружный (D) | Ширина (B) |
|---|---|---|---|---|
| NA6911A | Роликовый игольчатый подшипник. Двухрядный радиально-упорный шарикоподшипник без отверстия для смазки. | 55.00 | 80.00 | 45.00 |
| NA6911 | Роликовый игольчатый подшипник. Измененная или модифицированная внутренняя конструкция при неизменных основных размерах. Игольчатый роликовый подшипник с размерами по ISO 15. Канавка под стопорное кольцо на наружном кольце подшипника. | 55.00 | 80.00 | 45.00 |
| NA6911UU | Роликовый игольчатый подшипник. Резиновые уплотнения с каждой стороны подшипника. | 55.00 | 80.00 | 46.00 |
| NA6911R | Роликовый игольчатый подшипник. Тип ребра. | 55.00 | 80.00 | 45.00 |
| NA6911-ZW-XL-C3 | Роликовый игольчатый подшипник. Внутренний зазор больше нормального. Двухрядный игольчатый ролик и сепаратор в сборе. Серия X-Life премиум-класс. увеличиный срок службы. | 55.00 | 80.00 | 45.00 |
| NA6911-ZW-XL | Роликовый игольчатый подшипник. Двухрядный игольчатый ролик и сепаратор в сборе. Серия X-Life премиум-класс. увеличиный срок службы. | 55.00 | 80.00 | 45.00 |
| NA6911-ZW-XL-C2 | Роликовый игольчатый подшипник. Двухрядный игольчатый ролик и сепаратор в сборе. Внутренний зазор подшипника меньше нормального. Серия X-Life премиум-класс. увеличиный срок службы. | 55.00 | 80.00 | 45.00 |
| NA6911C3 | Роликовый игольчатый подшипник. Внутренний зазор больше нормального. | 55.00 | 80.00 | 45.00 |
| C6911V | Тороидальный роликовый подшипник CARB. Тороидальный подшипник CARB. Подшипник без сепаратора. С полным комплектом тел качения. | 55.00 | 80.00 | 45.00 |
| 6452911 | Роликовый радиальный подшипник многорядный подшипник. | 55.00 | 80.00 | 45.00 |
| NA6911-2RS | Роликовый игольчатый подшипник однорядный. Резиновые уплотнения с каждой стороны подшипника. | 55.00 | 80.00 | 45.00 |
| NA 6911U | Роликовый игольчатый подшипник однорядный. Универсальный одиночный подшипник. | 55.00 | 80.00 | 46.00 |
| NA 6911 ZW | Роликовый игольчатый подшипник двухрядный. Сепаратор состоит из двух рядов. | 55.00 | 80.00 | 45.00 |
| NA6911TT | Роликовый игольчатый подшипник однорядный. Комплект из трех согласованных однорядных радиально-упорных шарикоподшипников или радиально-упорных шарикоподшипников, расположенных тандемно. | 55.00 | 80.00 | 46.00 |
| NA691IR | Роликовый игольчатый подшипник однорядный. INNENRING. | 55.00 | 80.00 | 45.00 |
Способы доставки
Отправка через ведущие транспортные и курьерские компании: ПЭК, Деловые Линии, СДЭК, Байкал-Сервис, Энергия, КИТ, ЖелДорЭкспедиция.
Самовывоз возможен напрямую со склада в Москве.
Сроки доставки
Срок зависит от региона и выбранной транспортной компании. Все заказы комплектуются и отправляются в кратчайшие сроки со склада в Москве.
Надёжность и сохранность
Вся продукция упаковывается с учётом требований транспортировки. Мы гарантируем, что подшипники и комплектующие прибудут к заказчику в полной сохранности.
Доставка в страны ЕАЭС
Мы работаем с проверенными логистическими партнёрами, что позволяет оперативно доставлять заказы в Беларусь, Казахстан, Армению и другие страны ЕАЭС.
Варианты оплаты:
Минимальная сумма заказа и скидки:
Документы и гарантии:
Да, конечно! Наши технические специалисты готовы помочь вам с подбором точного аналога или замены подшипника. Просто позвоните нам по телефону +7 (495) 104-99-04 или напишите на почту zakaz@podsnab.ru.
Для оперативной консультации подготовьте, пожалуйста, имеющиеся данные: маркировку, размеры, тип оборудования или артикул старого подшипника.
Да, конечно! Мы высоко ценим долгосрочное сотрудничество и доверие клиентов по всей России. Для постоянных клиентов действует персональная система скидок.
Условия формируются индивидуально и зависят от:
Чтобы узнать свои условия и получить максимально выгодное предложение, свяжитесь с персональным менеджером или напишите нам на почту zakaz@podsnab.ru.
Вы можете оформить заказ несколькими способами:
Для оформления заказа от юридического лица свяжитесь с нашим отделом по работе с корпоративными клиентами по телефону +7 (495) 104-99-04 или напишите на email zakaz@podsnab.ru, прикрепив реквизиты вашей организации.
Мы оперативно подготовим коммерческое предложение и выставим счет.
Возврат товара надлежащего качества возможен в течение 10 дней с момента получения, если товар не был в употреблении, сохранен товарный вид, упаковка не вскрывалась и присутствуют все сопроводительные документы.
Возврат денежных средств осуществляется в течение 10 рабочих дней после проверки товара складом.
В соответствии с законодательством возврату не подлежат подшипники надлежащего качества, если отсутствует оригинальная упаковка или имеются следы монтажа.
В случае выявления брака или гарантийного случая мы гарантируем возврат или обмен товара.
Да, гарантийный срок хранения устанавливается заводом-изготовителем и в среднем составляет 2 года при соблюдении условий хранения: сухое помещение, оригинальная упаковка и смазка.
Точный срок для конкретного типа подшипника уточняйте у наших менеджеров.
Пн–Пт: с 8:00 до 17:00 (МСК).
Сб–Вс: выходные дни.
Заказы на сайте принимаются круглосуточно. Заявки, поступившие после окончания рабочего дня, обрабатываются на следующий рабочий день.
Минимальная сумма заказа для доставки составляет 3000 рублей. Самовывоз со склада возможен на любую сумму при наличии товара.
ООО «УралТехГрупп»
ИНН: 7415093830
КПП: 772401001
ОГРН: 1167456069021
Банк: ПАО Сбербанк
Р/с: 40702810838000475273
К/с: 30101810400000000225
БИК: 044525225
У подшипника NNF5011-2LS-V пока нет отзывов. Вы можете стать первым покупателем, поделившимся своим мнением.