Поиск подшипника
Статьи
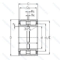
NNF5028-2LS-V — Роликовый радиальный двухрядный подшипник, модификация основного исполнения NNF5028, производство NKE.
Размер подшипника: 140x210x95 мм.
Контактное уплотнение с обеих сторон подшипника, подшипник без сепаратора. с полным комплектом тел качения.
Международная стандартизации ISO
NNF50282LSV
В наличии
| Обозначение | Конструктивные изменения |
|---|---|
| NNF5028PP 2NR | Уплотнения на каждой стороне подшипника. Supplied With Two Loose-Packed Retaining Rings WRE. |
| NNF5028.A.2LS.V | Двухрядный радиально-упорный шарикоподшипник без отверстия для смазки. Контактное уплотнение с обеих сторон подшипника. Подшипник без сепаратора. С полным комплектом тел качения. |
| NNF5028ADA-2LSV | Контактное уплотнение из полиуретана (AU) с обеих сторон подшипника. Полный комплект роликов (без сепаратора). Широкие канавки для стопорных колец на внешнем кольце. Внутреннее кольцо из двух частей. удерживаемое вместе стопорным кольцом. |
| NNF5028B.2LS.V | Внутренние изменения в конструкции. Контактное уплотнение с обеих сторон подшипника. Подшипник без сепаратора. С полным комплектом тел качения. |
| NNF5028ADA 2DS V C3 | Внутренний зазор больше нормального. Подшипник без сепаратора. С полным комплектом тел качения. Широкие канавки для стопорных колец на внешнем кольце. Внутреннее кольцо из двух частей. удерживаемое вместе стопорным кольцом. Black Seals On Both Sides Of The Bearing. |
| NNF5028PP | Уплотнения на каждой стороне подшипника. |
| NNF5028 V | Бессепараторный подшипник. |
| NNF5028X V | Бессепараторный подшипник. Габаритные размеры отличаются от стандарта ISO или опорные ролики с цилиндрической наружной поверхностью. |
Модификации роликового подшипника NNF5028-2LS-V — это измененное основное конструктивное исполнение NNF5028, основные размеры (140x210x95) не отличаются.
| Обозначение | Гост | Конструктивные особенности |
|---|---|---|
| DC5028NR | ISO | Канавка под стопорное кольцо на наружном кольце с соответствующим стопорным кольцом. |
| DC5028N | ISO | Канавка под стопорное кольцо на внешнем кольце. |
| RS-5028NR | ISO | Канавка под стопорное кольцо на наружном кольце с соответствующим стопорным кольцом. |
| RS-5028 | ISO | Роликовый радиальный двухрядный подшипник. |
| SL04-5028LLNR | ISO | Роликовый радиальный двухрядный подшипник. |
Аналог роликового подшипника NNF5028-2LS-V — это подшипник такого же размера dx140,Dx210,Bx95, типа и конструкции.
| Обозначение | Конструктивные особенности | Внутренний (d) | Наружный (D) | Ширина (B) |
|---|---|---|---|---|
| 5514128-Л | Роликовый радиальный игольчатый подшипник. Сепаратор из латуни.. | 140.00 | 210.00 | 95.00 |
| E5028NR | Роликовый радиальный цилиндрический двухрядный подшипник. Канавка под стопорное кольцо на наружном кольце с соответствующим стопорным кольцом. | 140.00 | 210.00 | 95.00 |
| 2В0-5514128 Л | Роликовый радиальный игольчатый подшипник. Сепаратор из латуни.. | 140.00 | 210.00 | 95.00 |
| SL04-5028NR | Подшипник роликовый цилиндрический двухрядный. Две стопорные канавки во внешнем кольце. Внутреннее кольцо с сепаратором не совместимо с другим наружным кольцом. | 140.00 | 210.00 | 95.00 |
| SL045028-D-PP-2NR-C3 | Подшипник роликовый цилиндрический двухрядный. Усовершенствованный профиль внешнего кольца. Внутренний зазор больше нормального. Манжетные уплотнения с обеих сторон подшипника. Supplied With Two Loose-Packed Retaining Rings WRE. | 140.00 | 210.00 | 95.00 |
| SL045028-D-C3 | Подшипник роликовый цилиндрический двухрядный. Усовершенствованный профиль внешнего кольца. Внутренний зазор больше нормального. | 140.00 | 210.00 | 95.00 |
| NNCF5028CV/C3 | Подшипник роликовый цилиндрический двухрядный. Внутренний зазор больше нормального. Полноразмерный цилиндрический роликоподшипник с модифицированной внутренней конструкцией. | 140.00 | 210.00 | 95.00 |
| SL185028-A | Подшипник роликовый цилиндрический двухрядный. Особенность внутренней конструкции. | 140.00 | 210.00 | 95.00 |
| SL04-5028PP C5 SM12 | Подшипник роликовый цилиндрический двухрядный. Внутренний зазор подшипника больше. чем С4. Манжетные уплотнения с обеих сторон подшипника. Grease Isoflex LDS18 from Klüber. | 140.00 | 210.00 | 95.00 |
| SL045028-D-PP-RR-C5-GA22 | Подшипник роликовый цилиндрический двухрядный. Усовершенствованный профиль внешнего кольца. Внутренний зазор подшипника больше. чем С4. Манжетные уплотнения с обеих сторон подшипника. Защищен от коррозии специальным покрытием Corrotect®.. Optimized Grease For All Purposes. Temperature Range Approximately -40°C / +80°C - Description/ Isoflex® LDS 18 Special A)-Is A Dynamically Light Long-Term Grease For Plain And Rolling Bearings. It Consists Of Ester Oil. Mineral Oil And Lithium Soap. The Product Is Resistant To Ageing. Oxidation And Water. And It Protects Reliably Against Corrosion. Application/ Isoflex® LDS 18 Special A Is Suitable For Plain And Rolling Bearings Operating At Low Temperatures And/Or High Speeds. For Example In Grinding Spindles. Machine Tool Spindles. Spindle Bearings. Textile Spindles. Bearings In Oe-Spinning Turbines. Bearings In Precision And Optical Equipment. | 140.00 | 210.00 | 95.00 |
| SL045028-D-PP-C3 | Подшипник роликовый цилиндрический двухрядный. Усовершенствованный профиль внешнего кольца. Внутренний зазор больше нормального. Манжетные уплотнения с обеих сторон подшипника. | 140.00 | 210.00 | 95.00 |
| SL045028-D | Подшипник роликовый цилиндрический двухрядный. Усовершенствованный профиль внешнего кольца. | 140.00 | 210.00 | 95.00 |
| SL045028-D-PP | Подшипник роликовый цилиндрический двухрядный. Усовершенствованный профиль внешнего кольца. Манжетные уплотнения с обеих сторон подшипника. | 140.00 | 210.00 | 95.00 |
| SL18-5028A C3 | Подшипник роликовый цилиндрический двухрядный. Внутренний зазор больше нормального. Особенность внутренней конструкции. | 140.00 | 210.00 | 95.00 |
| RS-5028NRS5 | Подшипник роликовый цилиндрический двухрядный. Две стопорные канавки во внешнем кольце. Surface Protection. Phosphatized. | 140.00 | 210.00 | 95.00 |
Способы доставки
Отправка через ведущие транспортные и курьерские компании: ПЭК, Деловые Линии, СДЭК, Байкал-Сервис, Энергия, КИТ, ЖелДорЭкспедиция.
Самовывоз возможен напрямую со склада в Москве.
Сроки доставки
Срок зависит от региона и выбранной транспортной компании. Все заказы комплектуются и отправляются в кратчайшие сроки со склада в Москве.
Надёжность и сохранность
Вся продукция упаковывается с учётом требований транспортировки. Мы гарантируем, что подшипники и комплектующие прибудут к заказчику в полной сохранности.
Доставка в страны ЕАЭС
Мы работаем с проверенными логистическими партнёрами, что позволяет оперативно доставлять заказы в Беларусь, Казахстан, Армению и другие страны ЕАЭС.
Варианты оплаты:
Минимальная сумма заказа и скидки:
Документы и гарантии:
Да, конечно! Наши технические специалисты готовы помочь вам с подбором точного аналога или замены подшипника. Просто позвоните нам по телефону +7 (495) 104-99-04 или напишите на почту zakaz@podsnab.ru.
Для оперативной консультации подготовьте, пожалуйста, имеющиеся данные: маркировку, размеры, тип оборудования или артикул старого подшипника.
Да, конечно! Мы высоко ценим долгосрочное сотрудничество и доверие клиентов по всей России. Для постоянных клиентов действует персональная система скидок.
Условия формируются индивидуально и зависят от:
Чтобы узнать свои условия и получить максимально выгодное предложение, свяжитесь с персональным менеджером или напишите нам на почту zakaz@podsnab.ru.
Вы можете оформить заказ несколькими способами:
Для оформления заказа от юридического лица свяжитесь с нашим отделом по работе с корпоративными клиентами по телефону +7 (495) 104-99-04 или напишите на email zakaz@podsnab.ru, прикрепив реквизиты вашей организации.
Мы оперативно подготовим коммерческое предложение и выставим счет.
Возврат товара надлежащего качества возможен в течение 10 дней с момента получения, если товар не был в употреблении, сохранен товарный вид, упаковка не вскрывалась и присутствуют все сопроводительные документы.
Возврат денежных средств осуществляется в течение 10 рабочих дней после проверки товара складом.
В соответствии с законодательством возврату не подлежат подшипники надлежащего качества, если отсутствует оригинальная упаковка или имеются следы монтажа.
В случае выявления брака или гарантийного случая мы гарантируем возврат или обмен товара.
Да, гарантийный срок хранения устанавливается заводом-изготовителем и в среднем составляет 2 года при соблюдении условий хранения: сухое помещение, оригинальная упаковка и смазка.
Точный срок для конкретного типа подшипника уточняйте у наших менеджеров.
Пн–Пт: с 8:00 до 17:00 (МСК).
Сб–Вс: выходные дни.
Заказы на сайте принимаются круглосуточно. Заявки, поступившие после окончания рабочего дня, обрабатываются на следующий рабочий день.
Минимальная сумма заказа для доставки составляет 3000 рублей. Самовывоз со склада возможен на любую сумму при наличии товара.
ООО «УралТехГрупп»
ИНН: 7415093830
КПП: 772401001
ОГРН: 1167456069021
Банк: ПАО Сбербанк
Р/с: 40702810838000475273
К/с: 30101810400000000225
БИК: 044525225
У подшипника NNF5028-2LS-V пока нет отзывов. Вы можете стать первым покупателем, поделившимся своим мнением.