Поиск подшипника
Статьи
8-42152 М — Роликовый радиальный однорядный подшипник, модификация основного исполнения 42152, производство ГПЗ.
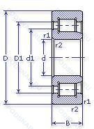
Размер подшипника: 260x400x65 мм.
Модифицированный контакт.
Государственный стандарт ГОСТ
842152М
В наличии
| Обозначение | Конструктивные изменения |
|---|---|
| 42152-М | Модифицированный контакт.. |
Модификации роликового подшипника 8-42152 М — это измененное основное конструктивное исполнение 42152, основные размеры (260x400x65) не отличаются.
| Обозначение | Гост | Конструктивные особенности |
|---|---|---|
| 50-92152 М | ГОСТ | Модифицированный контакт.. |
| 8-292152 М | ГОСТ | Модифицированный контакт.. |
| 86-32152 ЛМ | ГОСТ | Сепаратор из латуни.. Модифицированный контакт.. |
| 86-92152 ЛМ | ГОСТ | Сепаратор из латуни.. Модифицированный контакт.. |
| 2152 | ГОСТ | Роликовый радиальный однорядный подшипник. |
| 32152ЛМ | ГОСТ | Сепаратор из латуни.. Модифицированный контакт.. |
| NH1052 | ISO | Канавка под стопорное кольцо на наружном кольце подшипника. |
| NJ1052 | ISO | Штампованный сепаратор из стального листа. Канавка под стопорное кольцо на наружном кольце подшипника. Однорядный цилиндрический роликовый подшипник. Наружное кольцо имеет два борта. |
| NP 1052 | ISO | Роликовый радиальный однорядный подшипник. |
| NU1052-E-M6+HJ1052-E | ISO | Повышенная грузоподъемность. 20-28 UM (C3 & C4). |
| NU1052-E-M6 | ISO | Повышенная грузоподъемность. 20-28 UM (C3 & C4). |
| NU1052-E-MA6+HJ1052-E | ISO | Повышенная грузоподъемность. Изготовленный из двух частей латунный сепаратор. Центрирование по внешнему кольцу. Различные конструкции или сорта материалов обозначаются цифрой или буквой.. |
| NU1052-E-MA6 | ISO | Повышенная грузоподъемность. Изготовленный из двух частей латунный сепаратор. Центрирование по внешнему кольцу. Различные конструкции или сорта материалов обозначаются цифрой или буквой.. |
| 8-32152 ЛМ | ГОСТ | Сепаратор из латуни.. Модифицированный контакт.. |
| 8-32152 М | ГОСТ | Модифицированный контакт.. |
| 8-92152 М | ГОСТ | Модифицированный контакт.. |
| 80-32152 ЛМ | ГОСТ | Сепаратор из латуни.. Модифицированный контакт.. |
| 92152-ЛМ | ГОСТ | Сепаратор из латуни.. Модифицированный контакт.. |
| NJ 1052 ML | ISO | Механически обработанный латунный сепаратор. оконного типа. центрируемый по внутреннему или наружному кольцу в зависимости от типа подшипника. Однорядный цилиндрический роликовый подшипник. |
Аналог роликового подшипника 8-42152 М — это подшипник такого же размера dx260,Dx400,Bx65, типа и конструкции.
| Обозначение | Конструктивные особенности | Внутренний (d) | Наружный (D) | Ширина (B) |
|---|---|---|---|---|
| NJ 1052 MP | Роликовый радиальный цилиндрический однорядный подшипник. Массивный латунный сепаратор. центрированный по телам качения. Однорядный цилиндрический роликовый подшипник. | 260.00 | 400.00 | 65.00 |
| 2007152А | Роликовый радиальный-упорный однорядный подшипник. Повышенная грузоподъемность. | 260.00 | 400.00 | 65.00 |
| 80-92152 ЛМ | Роликовый радиальный подшипник. Сепаратор из латуни.. Модифицированный контакт.. | 260.00 | 400.00 | 65.00 |
| 92152-Л | Роликовый радиальный подшипник. Сепаратор из латуни.. | 260.00 | 400.00 | 65.00 |
| 92152-М | Роликовый радиальный подшипник. Модифицированный контакт.. | 260.00 | 400.00 | 65.00 |
| 7052 CD/P4A | Шариковый радиально-упорный подшипник. Двухкомпонентный штампованный стальной сепаратор с направляющим кольцом. Точность размеров в соответствии с классом допуска ISO 4. точность вращения лучше чем класс допуска ISO 4. | 260.00 | 400.00 | 65.00 |
| 7052 ACD/P4A | Шариковый радиально-упорный подшипник. Точность размеров в соответствии с классом допуска ISO 4. точность вращения лучше чем класс допуска ISO 4. Однорядный с улучшенной конструкцией и углом контакта 25°. | 260.00 | 400.00 | 65.00 |
| 7052A | Шариковый радиально-упорный однорядный подшипник. Двухрядный радиально-упорный шарикоподшипник без отверстия для смазки. | 260.00 | 400.00 | 65.00 |
| 7052B | Шариковый радиально-упорный однорядный подшипник. Угол контакта 40°. | 260.00 | 400.00 | 65.00 |
| QJ1052 | Шариковый радиально-упорный однорядный подшипник. Штампованный сепаратор из стального листа. Шариковый подшипник с четырех-точечным контактом. | 260.00 | 400.00 | 65.00 |
| 266152КЛ1 | Шариковый радиально-упорный сдвоенный подшипник. «Замок» (скос) на внутреннем кольце плюс массивный сепаратор из текстолита. Сепаратор из латуни.. | 260.00 | 400.00 | 65.00 |
| 4-152 ВI2А | Шариковый радиальный однорядный подшипник. Повышенная грузоподъемность. | 260.00 | 400.00 | 65.00 |
| 9152K | Шариковый радиальный однорядный подшипник. Коническое отверстие. Конусность 1/12. | 260.00 | 400.00 | 65.00 |
| 152-Л | Шариковый радиальный однорядный подшипник. Сепаратор из латуни.. | 260.00 | 400.00 | 65.00 |
| 2В0-152 Л | Шариковый радиальный однорядный подшипник. Сепаратор из латуни.. | 260.00 | 400.00 | 65.00 |
Способы доставки
Отправка через ведущие транспортные и курьерские компании: ПЭК, Деловые Линии, СДЭК, Байкал-Сервис, Энергия, КИТ, ЖелДорЭкспедиция.
Самовывоз возможен напрямую со склада в Москве.
Сроки доставки
Срок зависит от региона и выбранной транспортной компании. Все заказы комплектуются и отправляются в кратчайшие сроки со склада в Москве.
Надёжность и сохранность
Вся продукция упаковывается с учётом требований транспортировки. Мы гарантируем, что подшипники и комплектующие прибудут к заказчику в полной сохранности.
Доставка в страны ЕАЭС
Мы работаем с проверенными логистическими партнёрами, что позволяет оперативно доставлять заказы в Беларусь, Казахстан, Армению и другие страны ЕАЭС.
Варианты оплаты:
Минимальная сумма заказа и скидки:
Документы и гарантии:
Да, конечно! Наши технические специалисты готовы помочь вам с подбором точного аналога или замены подшипника. Просто позвоните нам по телефону +7 (495) 104-99-04 или напишите на почту zakaz@podsnab.ru.
Для оперативной консультации подготовьте, пожалуйста, имеющиеся данные: маркировку, размеры, тип оборудования или артикул старого подшипника.
Да, конечно! Мы высоко ценим долгосрочное сотрудничество и доверие клиентов по всей России. Для постоянных клиентов действует персональная система скидок.
Условия формируются индивидуально и зависят от:
Чтобы узнать свои условия и получить максимально выгодное предложение, свяжитесь с персональным менеджером или напишите нам на почту zakaz@podsnab.ru.
Вы можете оформить заказ несколькими способами:
Для оформления заказа от юридического лица свяжитесь с нашим отделом по работе с корпоративными клиентами по телефону +7 (495) 104-99-04 или напишите на email zakaz@podsnab.ru, прикрепив реквизиты вашей организации.
Мы оперативно подготовим коммерческое предложение и выставим счет.
Возврат товара надлежащего качества возможен в течение 10 дней с момента получения, если товар не был в употреблении, сохранен товарный вид, упаковка не вскрывалась и присутствуют все сопроводительные документы.
Возврат денежных средств осуществляется в течение 10 рабочих дней после проверки товара складом.
В соответствии с законодательством возврату не подлежат подшипники надлежащего качества, если отсутствует оригинальная упаковка или имеются следы монтажа.
В случае выявления брака или гарантийного случая мы гарантируем возврат или обмен товара.
Да, гарантийный срок хранения устанавливается заводом-изготовителем и в среднем составляет 2 года при соблюдении условий хранения: сухое помещение, оригинальная упаковка и смазка.
Точный срок для конкретного типа подшипника уточняйте у наших менеджеров.
Пн–Пт: с 8:00 до 17:00 (МСК).
Сб–Вс: выходные дни.
Заказы на сайте принимаются круглосуточно. Заявки, поступившие после окончания рабочего дня, обрабатываются на следующий рабочий день.
Минимальная сумма заказа для доставки составляет 3000 рублей. Самовывоз со склада возможен на любую сумму при наличии товара.
ООО «УралТехГрупп»
ИНН: 7415093830
КПП: 772401001
ОГРН: 1167456069021
Банк: ПАО Сбербанк
Р/с: 40702810838000475273
К/с: 30101810400000000225
БИК: 044525225
У подшипника 8-42152 М пока нет отзывов. Вы можете стать первым покупателем, поделившимся своим мнением.