Поиск подшипника
Статьи
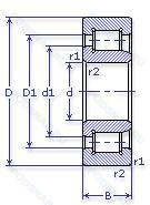
8-42822 Л1М — Роликовый радиальный однорядный подшипник, модификация основного исполнения 42822, производство ГПЗ.
Размер подшипника: 110x215x76 мм.
Сепаратор из латуни, модифицированный контакт.
Государственный стандарт ГОСТ
842822Л1М
В наличии
| Обозначение | Конструктивные изменения |
|---|---|
| 30-42822 ЕМ | Сепаратор из текстолита.. Модифицированный контакт.. |
| 30-42822 Л1М 1 | Модифицированный контакт.. Сепаратор из латуни.. |
| 30-42822 Л1М 2 | Модифицированный контакт.. Сепаратор из латуни.. |
| 30-42822 Е2М | Модифицированный контакт.. Сепаратор из пластических материалов.. |
| 30-42822 Л1МУ | Дополнительные технические требования. Модифицированный контакт.. Сепаратор из латуни.. |
| 30-42822 Л4М | Модифицированный контакт.. Сепаратор из латуни.. |
| 42822 | Роликовый радиальный однорядный подшипник. Основное конструктивное исполнение. |
| 30-42822 Л1М | Модифицированный контакт.. Сепаратор из латуни.. |
| 30-42822 Л1МР | Модифицированный контакт.. Детали из теплоустойчивой (быстрорежущие) стали.. Сепаратор из латуни.. |
| 30-42822 Л1МР1 | Детали из теплоустойчивой (быстрорежущие) стали.. Модифицированный контакт.. Сепаратор из латуни.. |
| 36-42822 Л1М | Модифицированный контакт.. Сепаратор из латуни.. |
| 42822Е2М | Модифицированный контакт.. Сепаратор из пластических материалов.. |
Модификации роликового подшипника 8-42822 Л1М — это измененное основное конструктивное исполнение 42822, основные размеры (110x215x76) не отличаются.
| Обозначение | Гост | Конструктивные особенности |
|---|---|---|
| 232822 | ГОСТ | Роликовый радиальный однорядный подшипник. |
| 30-232822 Л2М | ГОСТ | Модифицированный контакт.. Сепаратор из латуни.. |
| 30-232822 Л2МР | ГОСТ | Модифицированный контакт.. Сепаратор из латуни.. Детали из теплоустойчивой (быстрорежущие) стали.. |
| 30-232822 Л2МР1 | ГОСТ | Детали из теплоустойчивой (быстрорежущие) стали.. Модифицированный контакт.. Сепаратор из латуни.. |
| 8-232822 Л2М | ГОСТ | Модифицированный контакт.. Сепаратор из латуни.. |
Аналог роликового подшипника 8-42822 Л1М — это подшипник такого же размера dx110,Dx215,Bx76, типа и конструкции.
| Обозначение | Конструктивные особенности | Внутренний (d) | Наружный (D) | Ширина (B) |
|---|---|---|---|---|
| 30-232822 ЕМ | Роликовый радиальный подшипник. Сепаратор из текстолита.. Модифицированный контакт.. | 110.00 | 215.00 | 76.00 |
| 30-232822 Л2М 1 | Роликовый радиальный подшипник. Модифицированный контакт.. Сепаратор из латуни.. | 110.00 | 215.00 | 76.00 |
| 30-232822 Л2М 2 | Роликовый радиальный подшипник. Модифицированный контакт.. Сепаратор из латуни.. | 110.00 | 215.00 | 76.00 |
| 30-232822 Е1М | Роликовый радиальный подшипник. Сепаратор из текстолита.. Модифицированный контакт.. | 110.00 | 215.00 | 76.00 |
| 30-232822 Л2МУ | Роликовый радиальный подшипник. Дополнительные технические требования. Модифицированный контакт.. Сепаратор из латуни.. | 110.00 | 215.00 | 76.00 |
| 30-232822 Л2МW3 | Роликовый радиальный подшипник. Детали из вакуумированной стали.. Модифицированный контакт.. Сепаратор из латуни.. | 110.00 | 215.00 | 76.00 |
| 30-232822 Л3М | Роликовый радиальный подшипник. Модифицированный контакт.. Сепаратор из латуни.. | 110.00 | 215.00 | 76.00 |
| 32822 | Роликовый радиальный подшипник. | 110.00 | 215.00 | 76.00 |
| 382822 | Роликовый радиальный подшипник. | 110.00 | 215.00 | 76.00 |
| 36-232822 Л2М | Роликовый радиальный подшипник. Модифицированный контакт.. Сепаратор из латуни.. | 110.00 | 215.00 | 76.00 |
| 23224 EKW33+H2324 | Роликовый радиальный сферический двухрядный подшипник. | 110.00 | 215.00 | 76.00 |
| 23224 CCK/W33 + H 2324 | Роликовый радиальный сферический двухрядный подшипник. Канавка для смазки и три отверстия во внешнем кольце подшипника. Pressed Snap-Type Steel Cage. Hardened. | 110.00 | 215.00 | 76.00 |
| 23224-E1-K-TVPB + H2324 | Роликовый радиальный сферический двухрядный подшипник. Коническое отверстие. Конусность 1/12. Конструкция с увеличенной грузоподьемностью. Твердый оконный сепаратор из полиамида. армированного стекловолокном. Направляющие на внутреннем кольце. | 110.00 | 215.00 | 76.00 |
| 23224-E1A-K-M + H2324 | Роликовый радиальный сферический двухрядный подшипник. Коническое отверстие. Конусность 1/12. Подшипник с латунным сепаратором. центрированный по телам качения. | 110.00 | 215.00 | 76.00 |
Способы доставки
Отправка через ведущие транспортные и курьерские компании: ПЭК, Деловые Линии, СДЭК, Байкал-Сервис, Энергия, КИТ, ЖелДорЭкспедиция.
Самовывоз возможен напрямую со склада в Москве.
Сроки доставки
Срок зависит от региона и выбранной транспортной компании. Все заказы комплектуются и отправляются в кратчайшие сроки со склада в Москве.
Надёжность и сохранность
Вся продукция упаковывается с учётом требований транспортировки. Мы гарантируем, что подшипники и комплектующие прибудут к заказчику в полной сохранности.
Доставка в страны ЕАЭС
Мы работаем с проверенными логистическими партнёрами, что позволяет оперативно доставлять заказы в Беларусь, Казахстан, Армению и другие страны ЕАЭС.
Варианты оплаты:
Минимальная сумма заказа и скидки:
Документы и гарантии:
Да, конечно! Наши технические специалисты готовы помочь вам с подбором точного аналога или замены подшипника. Просто позвоните нам по телефону +7 (495) 104-99-04 или напишите на почту zakaz@podsnab.ru.
Для оперативной консультации подготовьте, пожалуйста, имеющиеся данные: маркировку, размеры, тип оборудования или артикул старого подшипника.
Да, конечно! Мы высоко ценим долгосрочное сотрудничество и доверие клиентов по всей России. Для постоянных клиентов действует персональная система скидок.
Условия формируются индивидуально и зависят от:
Чтобы узнать свои условия и получить максимально выгодное предложение, свяжитесь с персональным менеджером или напишите нам на почту zakaz@podsnab.ru.
Вы можете оформить заказ несколькими способами:
Для оформления заказа от юридического лица свяжитесь с нашим отделом по работе с корпоративными клиентами по телефону +7 (495) 104-99-04 или напишите на email zakaz@podsnab.ru, прикрепив реквизиты вашей организации.
Мы оперативно подготовим коммерческое предложение и выставим счет.
Возврат товара надлежащего качества возможен в течение 10 дней с момента получения, если товар не был в употреблении, сохранен товарный вид, упаковка не вскрывалась и присутствуют все сопроводительные документы.
Возврат денежных средств осуществляется в течение 10 рабочих дней после проверки товара складом.
В соответствии с законодательством возврату не подлежат подшипники надлежащего качества, если отсутствует оригинальная упаковка или имеются следы монтажа.
В случае выявления брака или гарантийного случая мы гарантируем возврат или обмен товара.
Да, гарантийный срок хранения устанавливается заводом-изготовителем и в среднем составляет 2 года при соблюдении условий хранения: сухое помещение, оригинальная упаковка и смазка.
Точный срок для конкретного типа подшипника уточняйте у наших менеджеров.
Пн–Пт: с 8:00 до 17:00 (МСК).
Сб–Вс: выходные дни.
Заказы на сайте принимаются круглосуточно. Заявки, поступившие после окончания рабочего дня, обрабатываются на следующий рабочий день.
Минимальная сумма заказа для доставки составляет 3000 рублей. Самовывоз со склада возможен на любую сумму при наличии товара.
ООО «УралТехГрупп»
ИНН: 7415093830
КПП: 772401001
ОГРН: 1167456069021
Банк: ПАО Сбербанк
Р/с: 40702810838000475273
К/с: 30101810400000000225
БИК: 044525225
У подшипника 8-42822 Л1М пока нет отзывов. Вы можете стать первым покупателем, поделившимся своим мнением.