Поиск подшипника
Статьи
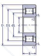
80-12308 К2 — Роликовый радиальный однорядный подшипник, модификация основного исполнения 12308, производство ГПЗ.
Размер подшипника: 40x90x23 мм.
Кольцевая проточка на середине цилиндрической наружной поверхности наружного кольца плюс три отверстия для смазки.
Государственный стандарт ГОСТ
8012308К2
В наличии
| Обозначение | Конструктивные изменения |
|---|---|
| 12308-Е | Сепаратор из текстолита.. |
| Р-12308 ЛМ | Сепаратор из латуни.. Модифицированный контакт.. |
| 12308-М | Модифицированный контакт.. |
| 8-12308-ЛМ | Сепаратор из латуни.. Модифицированный контакт.. |
| 12308 | Роликовый радиальный однорядный подшипник. Основное конструктивное исполнение. |
| 12308-К1 | Роликовый радиальный однорядный подшипник. |
| 12308-К2 | Кольцевая проточка на середине цилиндрической наружной поверхности наружного кольца плюс три отверстия для смазки. |
| 12308-КМ | Кольцевая проточка на середине цилиндрической наружной поверхности наружного кольца плюс три отверстия для смазки. Модифицированный контакт.. |
| 12308-Л | Сепаратор из латуни.. |
| 12308-ЛМ | Сепаратор из латуни.. Модифицированный контакт.. |
| 12308ЛM | Подшипник с латунным сепаратором. центрированный по телам качения. Сепаратор из латуни.. |
| 80-12308 | Роликовый радиальный однорядный подшипник. |
| 80-12308 К | Роликовый радиальный однорядный подшипник. |
| 80-12308 КМ | Модифицированный контакт.. |
Модификации роликового подшипника 80-12308 К2 — это измененное основное конструктивное исполнение 12308, основные размеры (40x90x23) не отличаются.
| Обозначение | Гост | Конструктивные особенности |
|---|---|---|
| 6-2308 Л1 | ГОСТ | Сепаратор из латуни.. |
| 6-2308 Э | ГОСТ | Детали из стали ШХ-15 со специальными присадками (ванадий. |
| 6-32308 ЛМ | ГОСТ | Сепаратор из латуни.. Модифицированный контакт.. |
| 6-32308 ЛМШ | ГОСТ | Сепаратор из латуни.. Модифицированный контакт.. Нормы шумности. |
| 6-42308 АК | ГОСТ | Повышенная грузоподъемность. |
| 6-42308 К1М | ГОСТ | Модифицированный контакт.. |
| 6-42308 КМ | ГОСТ | Модифицированный контакт.. |
| 70-2308 Л | ГОСТ | Сепаратор из латуни.. |
| 70-2308 Л2 | ГОСТ | Сепаратор из латуни.. |
| 70-42308 ДМ | ГОСТ | Сепаратор из алюминиевого сплава.. Модифицированный контакт.. |
| NJ 308 ECPH | ISO | Однорядный цилиндрический роликовый подшипник. |
| NU 308 ECPH | ISO | Однорядный цилиндрический роликовый подшипник. |
| 42308-ДМ | ГОСТ | Сепаратор из алюминиевого сплава.. Модифицированный контакт.. |
| 42308-К1М | ГОСТ | Кольцевая проточка на середине цилиндрической наружной поверхности наружного кольца плюс три отверстия для смазки. Модифицированный контакт.. |
| 42308-КМ | ГОСТ | Кольцевая проточка на середине цилиндрической наружной поверхности наружного кольца плюс три отверстия для смазки. Модифицированный контакт.. |
| 42308-Л | ГОСТ | Сепаратор из латуни.. |
| 42308-ЛМ | ГОСТ | Сепаратор из латуни.. Модифицированный контакт.. |
| 42308KM | ГОСТ | Type Of Model. |
| 42308ЛM | ГОСТ | Подшипник с латунным сепаратором. центрированный по телам качения. Сепаратор из латуни.. |
| 5-32308 Р | ГОСТ | Детали из теплоустойчивой (быстрорежущие) стали.. |
Аналог роликового подшипника 80-12308 К2 — это подшипник такого же размера dx40,Dx90,Bx23, типа и конструкции.
| Обозначение | Конструктивные особенности | Внутренний (d) | Наружный (D) | Ширина (B) |
|---|---|---|---|---|
| 5-36308 Е5 | Шариковый радиально-упорный однорядный подшипник. Сепаратор из текстолита.. | 40.00 | 90.00 | 23.00 |
| 5-36308 К | Шариковый радиально-упорный однорядный подшипник. «Замок» (скос) на внутреннем кольце плюс массивный сепаратор из текстолита. | 40.00 | 90.00 | 23.00 |
| 5-36308 Л | Шариковый радиально-упорный однорядный подшипник. Сепаратор из латуни.. | 40.00 | 90.00 | 23.00 |
| 5-36308 Р | Шариковый радиально-упорный однорядный подшипник. Детали из теплоустойчивой (быстрорежущие) стали.. | 40.00 | 90.00 | 23.00 |
| 5-46308 Е2 | Шариковый радиально-упорный однорядный подшипник. Сепаратор из пластических материалов.. | 40.00 | 90.00 | 23.00 |
| 5-46308 Е5 | Шариковый радиально-упорный однорядный подшипник. Сепаратор из текстолита.. | 40.00 | 90.00 | 23.00 |
| 5-46308 Л | Шариковый радиально-упорный однорядный подшипник. Сепаратор из латуни.. | 40.00 | 90.00 | 23.00 |
| 50308-А | Шариковый радиальный однорядный подшипник. Повышенная грузоподъемность. | 40.00 | 90.00 | 23.00 |
| 50308-А1 | Шариковый радиальный однорядный подшипник. Повышенная грузоподъемность. | 40.00 | 90.00 | 23.00 |
| 50308-К | Шариковый радиальный однорядный подшипник. «Замок» (скос) на внутреннем кольце плюс массивный сепаратор из текстолита. | 40.00 | 90.00 | 23.00 |
| 550308А | Шариковый радиальный однорядный подшипник. Повышенная грузоподъемность. | 40.00 | 90.00 | 23.00 |
| 6-126308 Б | Шариковый радиально-упорный однорядный подшипник. Сепаратор из безоловянистой бронзы.. | 40.00 | 90.00 | 23.00 |
| 6-126308 Б1 | Шариковый радиально-упорный однорядный подшипник. Сепаратор из безоловянистой бронзы.. | 40.00 | 90.00 | 23.00 |
| 6-1308 Л | Шариковый радиальный двухрядный подшипник. Сепаратор из латуни.. | 40.00 | 90.00 | 23.00 |
| 6-176308 Е | Шариковый радиально-упорный однорядный подшипник. Сепаратор из текстолита.. | 40.00 | 90.00 | 23.00 |
Способы доставки
Отправка через ведущие транспортные и курьерские компании: ПЭК, Деловые Линии, СДЭК, Байкал-Сервис, Энергия, КИТ, ЖелДорЭкспедиция.
Самовывоз возможен напрямую со склада в Москве.
Сроки доставки
Срок зависит от региона и выбранной транспортной компании. Все заказы комплектуются и отправляются в кратчайшие сроки со склада в Москве.
Надёжность и сохранность
Вся продукция упаковывается с учётом требований транспортировки. Мы гарантируем, что подшипники и комплектующие прибудут к заказчику в полной сохранности.
Доставка в страны ЕАЭС
Мы работаем с проверенными логистическими партнёрами, что позволяет оперативно доставлять заказы в Беларусь, Казахстан, Армению и другие страны ЕАЭС.
Варианты оплаты:
Минимальная сумма заказа и скидки:
Документы и гарантии:
Да, конечно! Наши технические специалисты готовы помочь вам с подбором точного аналога или замены подшипника. Просто позвоните нам по телефону +7 (495) 104-99-04 или напишите на почту zakaz@podsnab.ru.
Для оперативной консультации подготовьте, пожалуйста, имеющиеся данные: маркировку, размеры, тип оборудования или артикул старого подшипника.
Да, конечно! Мы высоко ценим долгосрочное сотрудничество и доверие клиентов по всей России. Для постоянных клиентов действует персональная система скидок.
Условия формируются индивидуально и зависят от:
Чтобы узнать свои условия и получить максимально выгодное предложение, свяжитесь с персональным менеджером или напишите нам на почту zakaz@podsnab.ru.
Вы можете оформить заказ несколькими способами:
Для оформления заказа от юридического лица свяжитесь с нашим отделом по работе с корпоративными клиентами по телефону +7 (495) 104-99-04 или напишите на email zakaz@podsnab.ru, прикрепив реквизиты вашей организации.
Мы оперативно подготовим коммерческое предложение и выставим счет.
Возврат товара надлежащего качества возможен в течение 10 дней с момента получения, если товар не был в употреблении, сохранен товарный вид, упаковка не вскрывалась и присутствуют все сопроводительные документы.
Возврат денежных средств осуществляется в течение 10 рабочих дней после проверки товара складом.
В соответствии с законодательством возврату не подлежат подшипники надлежащего качества, если отсутствует оригинальная упаковка или имеются следы монтажа.
В случае выявления брака или гарантийного случая мы гарантируем возврат или обмен товара.
Да, гарантийный срок хранения устанавливается заводом-изготовителем и в среднем составляет 2 года при соблюдении условий хранения: сухое помещение, оригинальная упаковка и смазка.
Точный срок для конкретного типа подшипника уточняйте у наших менеджеров.
Пн–Пт: с 8:00 до 17:00 (МСК).
Сб–Вс: выходные дни.
Заказы на сайте принимаются круглосуточно. Заявки, поступившие после окончания рабочего дня, обрабатываются на следующий рабочий день.
Минимальная сумма заказа для доставки составляет 3000 рублей. Самовывоз со склада возможен на любую сумму при наличии товара.
ООО «УралТехГрупп»
ИНН: 7415093830
КПП: 772401001
ОГРН: 1167456069021
Банк: ПАО Сбербанк
Р/с: 40702810838000475273
К/с: 30101810400000000225
БИК: 044525225
У подшипника 80-12308 К2 пока нет отзывов. Вы можете стать первым покупателем, поделившимся своим мнением.