Поиск подшипника
Статьи
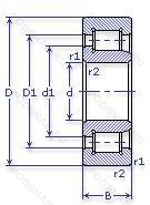
В20-42616 КМШ — Роликовый радиальный однорядный подшипник, модификация основного исполнения 42616, производство ГПЗ.
Размер подшипника: 80x170x58 мм.
Модифицированный контакт, нормы шумности.
Аналоги: NJ2316ECJQ6.
Государственный стандарт ГОСТ
В2042616КМШ
В наличии
| Обозначение | Конструктивные изменения |
|---|---|
| В2-42616 КМШ | Модифицированный контакт.. Нормы шумности. |
| 2В0-42616 КМШ | Модифицированный контакт.. Нормы шумности. |
| 20-42616 КМШ | Модифицированный контакт.. Нормы шумности. |
| 20-42616 МШ1 | Модифицированный контакт.. Нормы шумности. |
| 70-42616 КМШ | Модифицированный контакт.. Нормы шумности. |
| 42616 | Роликовый радиальный однорядный подшипник. Основное конструктивное исполнение. |
| 20-42616 КМ | Модифицированный контакт.. |
| 20-42616 МШ2У | Дополнительные технические требования. Модифицированный контакт.. Нормы шумности. |
| 20-42616 Ш2У | Дополнительные технические требования. Нормы шумности. |
| 28-42616 КМ | Модифицированный контакт.. |
| 8-42616 КМ | Кольцевая проточка на середине цилиндрической наружной поверхности наружного кольца плюс три отверстия для смазки. Модифицированный контакт.. |
| 42616-КМ | Кольцевая проточка на середине цилиндрической наружной поверхности наружного кольца плюс три отверстия для смазки. Модифицированный контакт.. |
| 42616-Л | Сепаратор из латуни.. |
| 42616-М | Модифицированный контакт.. |
| 42616KМ | Коническое отверстие. Конусность 1/12. Модифицированный контакт.. |
Модификации роликового подшипника В20-42616 КМШ — это измененное основное конструктивное исполнение 42616, основные размеры (80x170x58) не отличаются.
| Обозначение | Гост | Конструктивные особенности |
|---|---|---|
| 2В0-32616 М | ГОСТ | Модифицированный контакт.. |
| NH2316 E | ISO | Повышенная грузоподъемность. |
| NJ2316E | ISO | Повышенная грузоподъемность. |
| NJF2316 V | ISO | Бессепараторный подшипник. |
| NH2316 | ISO | Канавка под стопорное кольцо на наружном кольце подшипника. |
| NJ2316-E-MA6 | ISO | Повышенная грузоподъемность. Изготовленный из двух частей латунный сепаратор. Центрирование по внешнему кольцу. Различные конструкции или сорта материалов обозначаются цифрой или буквой.. |
| NJ2316-E-MA6+HJ2316-E | ISO | Повышенная грузоподъемность. Изготовленный из двух частей латунный сепаратор. Центрирование по внешнему кольцу. Различные конструкции или сорта материалов обозначаются цифрой или буквой.. |
| NJ2316-E-M6+HJ2316-E | ISO | Повышенная грузоподъемность. 20-28 UM (C3 & C4). |
| NJ2316-E-MPA+HJ2316-E | ISO | Повышенная грузоподъемность. Твердый латунный сепаратор. |
| NJ2316-E-TVP3 | ISO | Повышенная грузоподъемность. Цельный сепаратор из полиамида PA66-GF25. сепаратор оконного типа. направляемый телами качения. |
| NJ2316-E-TVP3+HJ2316-E | ISO | Повышенная грузоподъемность. Цельный сепаратор из полиамида PA66-GF25. сепаратор оконного типа. направляемый телами качения. |
| NJ2316-VH | ISO | Полный набор роликов (без сепаратора). Самоудерживающиеся. |
| NU2316-E-MPA | ISO | Повышенная грузоподъемность. Твердый латунный сепаратор. |
| NU2316-E-M6 | ISO | Повышенная грузоподъемность. 20-28 UM (C3 & C4). |
| NU2316-E-TVP3 | ISO | Повышенная грузоподъемность. Цельный сепаратор из полиамида PA66-GF25. сепаратор оконного типа. направляемый телами качения. |
| 8-32616 М | ГОСТ | Модифицированный контакт.. |
| 92616KМ | ГОСТ | Коническое отверстие. Конусность 1/12. Модифицированный контакт.. |
| 6-32616 Л1 | ГОСТ | Сепаратор из латуни.. |
| NJ 2316 ECM | ISO | Однорядный цилиндрический роликовый подшипник. |
| NU 2316 ECM | ISO | Однорядный цилиндрический роликовый подшипник. |
Аналог роликового подшипника В20-42616 КМШ — это подшипник такого же размера dx80,Dx170,Bx58, типа и конструкции.
| Обозначение | Конструктивные особенности | Внутренний (d) | Наружный (D) | Ширина (B) |
|---|---|---|---|---|
| 22316AEX | Роликовый радиальный сферический двухрядный подшипник. Высокоскоростной и высокопроизводительный сферический роликоподшипник. | 80.00 | 170.00 | 58.00 |
| 8-1616 Л | Шариковый радиальный двухрядный подшипник. Сепаратор из латуни.. | 80.00 | 170.00 | 58.00 |
| 80-32616 М | Роликовый радиальный подшипник. Модифицированный контакт.. | 80.00 | 170.00 | 58.00 |
| 92616-КМ | Роликовый радиальный подшипник. Кольцевая проточка на середине цилиндрической наружной поверхности наружного кольца плюс три отверстия для смазки. Модифицированный контакт.. | 80.00 | 170.00 | 58.00 |
| В0-1616 Л | Шариковый радиальный двухрядный подшипник. Сепаратор из латуни.. | 80.00 | 170.00 | 58.00 |
| 6-1616-Л | Шариковый радиальный двухрядный подшипник. Сепаратор из латуни.. | 80.00 | 170.00 | 58.00 |
| 1616-Л | Шариковый радиальный двухрядный подшипник. Сепаратор из латуни.. | 80.00 | 170.00 | 58.00 |
| 2В0-1616 Л | Шариковый радиальный двухрядный подшипник. Сепаратор из латуни.. | 80.00 | 170.00 | 58.00 |
| 2ВО-1616 Л | Шариковый радиальный двухрядный подшипник. Сепаратор из латуни.. | 80.00 | 170.00 | 58.00 |
| 2316-2RS | Шариковый сферический двухрядный подшипник. Резиновые уплотнения с каждой стороны подшипника. | 80.00 | 170.00 | 58.00 |
| 53616-К | Роликовый радиальный двухрядный подшипник. Кольцевая проточка на середине цилиндрической наружной поверхности наружного кольца плюс три отверстия для смазки. | 80.00 | 170.00 | 58.00 |
| 53616-Е | Роликовый радиальный двухрядный подшипник. Сепаратор из текстолита.. | 80.00 | 170.00 | 58.00 |
| 53616-К1 | Роликовый радиальный двухрядный подшипник. Кольцевая проточка на середине цилиндрической наружной поверхности наружного кольца плюс три отверстия для смазки. | 80.00 | 170.00 | 58.00 |
| 53616-Н | Роликовый радиальный двухрядный подшипник. Детали из теплостойкой стали. | 80.00 | 170.00 | 58.00 |
| 53616AН | Роликовый радиальный двухрядный подшипник. Двухрядный радиально-упорный шарикоподшипник без отверстия для смазки. Детали из теплостойкой стали. | 80.00 | 170.00 | 58.00 |
Способы доставки
Отправка через ведущие транспортные и курьерские компании: ПЭК, Деловые Линии, СДЭК, Байкал-Сервис, Энергия, КИТ, ЖелДорЭкспедиция.
Самовывоз возможен напрямую со склада в Москве.
Сроки доставки
Срок зависит от региона и выбранной транспортной компании. Все заказы комплектуются и отправляются в кратчайшие сроки со склада в Москве.
Надёжность и сохранность
Вся продукция упаковывается с учётом требований транспортировки. Мы гарантируем, что подшипники и комплектующие прибудут к заказчику в полной сохранности.
Доставка в страны ЕАЭС
Мы работаем с проверенными логистическими партнёрами, что позволяет оперативно доставлять заказы в Беларусь, Казахстан, Армению и другие страны ЕАЭС.
Варианты оплаты:
Минимальная сумма заказа и скидки:
Документы и гарантии:
Да, конечно! Наши технические специалисты готовы помочь вам с подбором точного аналога или замены подшипника. Просто позвоните нам по телефону +7 (495) 104-99-04 или напишите на почту zakaz@podsnab.ru.
Для оперативной консультации подготовьте, пожалуйста, имеющиеся данные: маркировку, размеры, тип оборудования или артикул старого подшипника.
Да, конечно! Мы высоко ценим долгосрочное сотрудничество и доверие клиентов по всей России. Для постоянных клиентов действует персональная система скидок.
Условия формируются индивидуально и зависят от:
Чтобы узнать свои условия и получить максимально выгодное предложение, свяжитесь с персональным менеджером или напишите нам на почту zakaz@podsnab.ru.
Вы можете оформить заказ несколькими способами:
Для оформления заказа от юридического лица свяжитесь с нашим отделом по работе с корпоративными клиентами по телефону +7 (495) 104-99-04 или напишите на email zakaz@podsnab.ru, прикрепив реквизиты вашей организации.
Мы оперативно подготовим коммерческое предложение и выставим счет.
Возврат товара надлежащего качества возможен в течение 10 дней с момента получения, если товар не был в употреблении, сохранен товарный вид, упаковка не вскрывалась и присутствуют все сопроводительные документы.
Возврат денежных средств осуществляется в течение 10 рабочих дней после проверки товара складом.
В соответствии с законодательством возврату не подлежат подшипники надлежащего качества, если отсутствует оригинальная упаковка или имеются следы монтажа.
В случае выявления брака или гарантийного случая мы гарантируем возврат или обмен товара.
Да, гарантийный срок хранения устанавливается заводом-изготовителем и в среднем составляет 2 года при соблюдении условий хранения: сухое помещение, оригинальная упаковка и смазка.
Точный срок для конкретного типа подшипника уточняйте у наших менеджеров.
Пн–Пт: с 8:00 до 17:00 (МСК).
Сб–Вс: выходные дни.
Заказы на сайте принимаются круглосуточно. Заявки, поступившие после окончания рабочего дня, обрабатываются на следующий рабочий день.
Минимальная сумма заказа для доставки составляет 3000 рублей. Самовывоз со склада возможен на любую сумму при наличии товара.
ООО «УралТехГрупп»
ИНН: 7415093830
КПП: 772401001
ОГРН: 1167456069021
Банк: ПАО Сбербанк
Р/с: 40702810838000475273
К/с: 30101810400000000225
БИК: 044525225
У подшипника В20-42616 КМШ пока нет отзывов. Вы можете стать первым покупателем, поделившимся своим мнением.