Поиск подшипника
Статьи
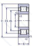
Н0-42428 М — Роликовый радиальный однорядный подшипник, модификация основного исполнения 42428, производство ГПЗ.
Размер подшипника: 140x360x82 мм.
Ненормализованный радиальный зазор, модифицированный контакт.
Аналоги: NJ428.
Государственный стандарт ГОСТ
Н042428М
В наличии
| Обозначение | Конструктивные изменения |
|---|---|
| Н0-42428 МУ | Ненормализованный радиальный зазор.. Дополнительные технические требования. Модифицированный контакт.. |
| 80-42428 МУ | Дополнительные технические требования. Модифицированный контакт.. |
| 42428 | Роликовый радиальный однорядный подшипник. Основное конструктивное исполнение. |
| НО-42428 М | Модифицированный контакт.. |
| 8-42428-М | Модифицированный контакт.. |
| 80-42428 М | Модифицированный контакт.. |
| Н6-42428 М | Ненормализованный радиальный зазор.. Модифицированный контакт.. |
| 42428М | Модифицированный контакт.. |
Модификации роликового подшипника Н0-42428 М — это измененное основное конструктивное исполнение 42428, основные размеры (140x360x82) не отличаются.
| Обозначение | Гост | Конструктивные особенности |
|---|---|---|
| 8-32428-М | ГОСТ | Модифицированный контакт.. |
| 32428 | ГОСТ | Роликовый радиальный однорядный подшипник. |
| 62428 | ГОСТ | Роликовый радиальный однорядный подшипник. |
| 92428 | ГОСТ | Роликовый радиальный однорядный подшипник. |
| NH428 | ISO | Шестигранное отверстие (кулачковые ролики с осью). Канавка под стопорное кольцо на наружном кольце подшипника. |
| NJ 428 | ISO | Штампованный сепаратор из стального листа. Канавка под стопорное кольцо на наружном кольце подшипника. Однорядный цилиндрический роликовый подшипник. Наружное кольцо имеет два борта. |
| NP428 | ISO | Канавка под стопорное кольцо на наружном кольце подшипника. |
| NJ428-M+HJ428 | ISO | Подшипник с латунным сепаратором. центрированный по телам качения. |
Аналог роликового подшипника Н0-42428 М — это подшипник такого же размера dx140,Dx360,Bx82, типа и конструкции.
| Обозначение | Конструктивные особенности | Внутренний (d) | Наружный (D) | Ширина (B) |
|---|---|---|---|---|
| NU428-M-C4 | Однорядный цилиндрический роликовый подшипник. Внутренний зазор подшипника больше. чем C3. Подшипник с латунным сепаратором. центрированный по телам качения. | 140.00 | 360.00 | 82.00 |
| NU428M C3 | Однорядный цилиндрический роликовый подшипник. Внутренний зазор больше нормального. Механически обработанный латунный сепаратор .Расположенный на элементах качения. | 140.00 | 360.00 | 82.00 |
| NJ428-M1-C3 | Однорядный цилиндрический роликовый подшипник. Внутренний зазор больше нормального. Механически обработанный латунный сепаратор. вращающийся элемент качения (крестовина на заклепках). | 140.00 | 360.00 | 82.00 |
| NJ428M | однорядный цилиндрический роликовый подшипник. Механически обработанный латунный сепаратор .Расположенный на элементах качения. | 140.00 | 360.00 | 82.00 |
| NU428M1 | Однорядный цилиндрический роликовый подшипник. Механически обработанный латунный сепаратор. вращающийся элемент качения (крестовина на заклепках). | 140.00 | 360.00 | 82.00 |
| НО-32428 М | Роликовый радиальный подшипник. Модифицированный контакт.. | 140.00 | 360.00 | 82.00 |
| Н0-32428 М | Роликовый радиальный подшипник. Ненормализованный радиальный зазор.. Модифицированный контакт.. | 140.00 | 360.00 | 82.00 |
| 32428-М | Роликовый радиальный подшипник. Модифицированный контакт.. | 140.00 | 360.00 | 82.00 |
| NU428-M | Роликовый радиальный цилиндрический однорядный подшипник. Подшипник с латунным сепаратором. центрированный по телам качения. | 140.00 | 360.00 | 82.00 |
| N 428 | Роликовый радиальный цилиндрический однорядный подшипник. Канавка под стопорное кольцо на наружном кольце подшипника. | 140.00 | 360.00 | 82.00 |
| NF 428 | Роликовый радиальный цилиндрический однорядный подшипник. Механически обработанный сепаратор из стали или специального чугуна. Канавка под стопорное кольцо на наружном кольце подшипника. | 140.00 | 360.00 | 82.00 |
| NU 428 | Роликовый радиальный цилиндрический однорядный подшипник. Сталь сквозной закалки SUJ2 (японская) и взаимозаменяемость (только для метрических серий). Канавка под стопорное кольцо на наружном кольце подшипника. Однорядные цилиндрические роликоподшипники. Наружное кольцо подшипника имеет два борта. | 140.00 | 360.00 | 82.00 |
| NUP 428 | Роликовый радиальный цилиндрический однорядный подшипник. Канавка под стопорное кольцо на наружном кольце подшипника. Класс точности 4. Точность размеров примерно соответствует классу точности Р4. Однорядный цилиндрический роликовый подшипник. Наружное кольцо имеет два борта. | 140.00 | 360.00 | 82.00 |
Способы доставки
Отправка через ведущие транспортные и курьерские компании: ПЭК, Деловые Линии, СДЭК, Байкал-Сервис, Энергия, КИТ, ЖелДорЭкспедиция.
Самовывоз возможен напрямую со склада в Москве.
Сроки доставки
Срок зависит от региона и выбранной транспортной компании. Все заказы комплектуются и отправляются в кратчайшие сроки со склада в Москве.
Надёжность и сохранность
Вся продукция упаковывается с учётом требований транспортировки. Мы гарантируем, что подшипники и комплектующие прибудут к заказчику в полной сохранности.
Доставка в страны ЕАЭС
Мы работаем с проверенными логистическими партнёрами, что позволяет оперативно доставлять заказы в Беларусь, Казахстан, Армению и другие страны ЕАЭС.
Варианты оплаты:
Минимальная сумма заказа и скидки:
Документы и гарантии:
Да, конечно! Наши технические специалисты готовы помочь вам с подбором точного аналога или замены подшипника. Просто позвоните нам по телефону +7 (495) 104-99-04 или напишите на почту zakaz@podsnab.ru.
Для оперативной консультации подготовьте, пожалуйста, имеющиеся данные: маркировку, размеры, тип оборудования или артикул старого подшипника.
Да, конечно! Мы высоко ценим долгосрочное сотрудничество и доверие клиентов по всей России. Для постоянных клиентов действует персональная система скидок.
Условия формируются индивидуально и зависят от:
Чтобы узнать свои условия и получить максимально выгодное предложение, свяжитесь с персональным менеджером или напишите нам на почту zakaz@podsnab.ru.
Вы можете оформить заказ несколькими способами:
Для оформления заказа от юридического лица свяжитесь с нашим отделом по работе с корпоративными клиентами по телефону +7 (495) 104-99-04 или напишите на email zakaz@podsnab.ru, прикрепив реквизиты вашей организации.
Мы оперативно подготовим коммерческое предложение и выставим счет.
Возврат товара надлежащего качества возможен в течение 10 дней с момента получения, если товар не был в употреблении, сохранен товарный вид, упаковка не вскрывалась и присутствуют все сопроводительные документы.
Возврат денежных средств осуществляется в течение 10 рабочих дней после проверки товара складом.
В соответствии с законодательством возврату не подлежат подшипники надлежащего качества, если отсутствует оригинальная упаковка или имеются следы монтажа.
В случае выявления брака или гарантийного случая мы гарантируем возврат или обмен товара.
Да, гарантийный срок хранения устанавливается заводом-изготовителем и в среднем составляет 2 года при соблюдении условий хранения: сухое помещение, оригинальная упаковка и смазка.
Точный срок для конкретного типа подшипника уточняйте у наших менеджеров.
Пн–Пт: с 8:00 до 17:00 (МСК).
Сб–Вс: выходные дни.
Заказы на сайте принимаются круглосуточно. Заявки, поступившие после окончания рабочего дня, обрабатываются на следующий рабочий день.
Минимальная сумма заказа для доставки составляет 3000 рублей. Самовывоз со склада возможен на любую сумму при наличии товара.
ООО «УралТехГрупп»
ИНН: 7415093830
КПП: 772401001
ОГРН: 1167456069021
Банк: ПАО Сбербанк
Р/с: 40702810838000475273
К/с: 30101810400000000225
БИК: 044525225
У подшипника Н0-42428 М пока нет отзывов. Вы можете стать первым покупателем, поделившимся своим мнением.