Поиск подшипника
Статьи
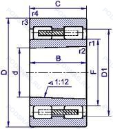
6-4162936 — Роликовый радиальный двухрядный подшипник, модификация основного исполнения 4162936, производство ГПЗ.
Размер подшипника: 180x250x69 мм.
Аналоги: NNU4936BKSP.
Государственный стандарт ГОСТ
64162936
В наличии
| Обозначение | Конструктивные изменения |
|---|---|
| 4162936 | Роликовый радиальный двухрядный подшипник. Основное конструктивное исполнение. |
Модификации роликового подшипника 6-4162936 — это измененное основное конструктивное исполнение 4162936, основные размеры (180x250x69) не отличаются.
| Обозначение | Гост | Конструктивные особенности |
|---|---|---|
| NNU4936MB | ISO | сепаратор из латуни. центрированный по внутреннему кольцу. |
| RS-4936E4 | ISO | Канавка для смазки и три отверстия во внешнем кольце подшипника. |
| RSF-4936E4 | ISO | Канавка для смазки и три отверстия во внешнем кольце подшипника. |
| NN4936KC1NAP4 | ISO | Роликовый радиальный двухрядный подшипник. |
| NN4936C1NAP4 | ISO | Роликовый радиальный двухрядный подшипник. |
| NNU4936KD1XC0NAP4 | ISO | Роликовый радиальный двухрядный подшипник. |
| NNU4936KC1NAP4 | ISO | Роликовый радиальный двухрядный подшипник. |
| NNU4936C1NAP5 | ISO | Роликовый радиальный двухрядный подшипник. |
| NNU4936C1NAP4 | ISO | Роликовый радиальный двухрядный подшипник. |
| 4262936 | ГОСТ | Роликовый радиальный двухрядный подшипник. |
| NN4936 | ISO | Канавка под стопорное кольцо на наружном кольце подшипника. Двухрядный цилиндрический роликовый подшипник. |
| NN4936K | ISO | Коническое внутреннее отверстие. Двухрядный цилиндрический роликовый подшипник. |
| NNU4936 V | ISO | Бессепараторный подшипник. Двухрядный цилиндрический роликовый подшипник. |
| NNU4936K V | ISO | Коническое внутреннее отверстие. Бессепараторный подшипник. Двухрядный цилиндрический роликовый подшипник. |
| NNU 4936 SPW33 | ISO | Роликовый радиальный двухрядный подшипник. |
| NNU 4936 K/SPW33 | ISO | Коническое отверстие. Конусность 1/12. |
| DC4936AVW | ISO | Роликовый радиальный двухрядный подшипник. |
| DC4936VW | ISO | Роликовый радиальный двухрядный подшипник. |
| RB4936 | ISO | Роликовый радиальный двухрядный подшипник. |
| RC4936 | ISO | Роликовый радиальный двухрядный подшипник. |
Аналог роликового подшипника 6-4162936 — это подшипник такого же размера dx180,Dx250,Bx69, типа и конструкции.
| Обозначение | Конструктивные особенности | Внутренний (d) | Наружный (D) | Ширина (B) |
|---|---|---|---|---|
| NNU4936MB E44 CC1 P5 | Подшипник роликовый цилиндрический двухрядный. Механически обработанный латунный сепаратор. клёпаный. центрируемый по внутреннему кольцу. Размерная и рабочая точность соответствует классу допуска ISO 5. Для невзаимозаменяемых цилиндрических роликоподшипников. Зазор менее СС2. Наружное кольцо с обработанной смазочной канавкой и отверстиями (только для двурядных). | 180.00 | 250.00 | 69.00 |
| SL014936-A-C3 | Подшипник роликовый цилиндрический двухрядный. Внутренний зазор больше нормального. Особенность внутренней конструкции. | 180.00 | 250.00 | 69.00 |
| SL024936-A-BR-C3 | Подшипник роликовый цилиндрический двухрядный. Внутренний зазор больше нормального. Особенность внутренней конструкции. Чёрный цвет. | 180.00 | 250.00 | 69.00 |
| NNU4936-S-M-SP-C2 | Подшипник роликовый цилиндрический двухрядный. Канавка для смазки и три отверстия во внешнем кольце подшипника. Внутренний зазор подшипника меньше нормального. Латунный сепаратор. Центрированный по роликам. Точность размеров примерно соответствует классу точности Р5. биения — классу точности Р4. | 180.00 | 250.00 | 69.00 |
| SL01-4936A | Подшипник роликовый цилиндрический двухрядный. Особенность внутренней конструкции. | 180.00 | 250.00 | 69.00 |
| SL02-4936A | Подшипник роликовый цилиндрический двухрядный. Особенность внутренней конструкции. | 180.00 | 250.00 | 69.00 |
| NNU4936S.M.SP.C3 | Подшипник роликовый цилиндрический двухрядный. Канавка для смазки и три отверстия во внешнем кольце подшипника. Внутренний зазор больше нормального. Латунный сепаратор. Центрированный по роликам. Точность размеров примерно соответствует классу точности Р5. биения — классу точности Р4. | 180.00 | 250.00 | 69.00 |
| SL024836-A | Подшипник роликовый цилиндрический двухрядный. Особенность внутренней конструкции. | 180.00 | 250.00 | 69.00 |
| NNU4936BM/P51 | Подшипник роликовый цилиндрический двухрядный. Стандартная конструкция с латунным сепаратором двухконтактного типа. Механически обработанный латунный сепаратор. клёпаный. центрируемый по роликам. Сочетание P5 (размерная точность и точность хода в соответствии с классом допуска ISO 5 (лучше. чем P6)) и C1 (радиальный зазор и сниженный уровень вибрации). | 180.00 | 250.00 | 69.00 |
| NNU4936KM NA W33 P51 | Подшипник роликовый цилиндрический двухрядный. Канавка для смазки и три отверстия во внешнем кольце подшипника. Нет особого значения для цилиндрического подшипника. Сочетание P5 (размерная точность и точность хода в соответствии с классом допуска ISO 5 (лучше. чем P6)) и C1 (радиальный зазор и сниженный уровень вибрации). Type Of Model. | 180.00 | 250.00 | 69.00 |
| NNU4936BK P4 W33 | Подшипник роликовый цилиндрический двухрядный. Канавка для смазки и три отверстия во внешнем кольце подшипника. Класс точности Р4 по ISO (точнее. чем P5) - Abec.7. Игольчатый роликовый подшипник со штампованным наружным кольцом с закрытым торцом. | 180.00 | 250.00 | 69.00 |
| NNCF 4936 CV | Роликовый радиальный цилиндрический двухрядный подшипник. Полноразмерный цилиндрический роликоподшипник с модифицированной внутренней конструкцией. | 180.00 | 250.00 | 69.00 |
| NNU4936K/W33 | Роликовый радиальный цилиндрический однорядный подшипник. Канавка для смазки и три отверстия во внешнем кольце подшипника. Коническое отверстие. Конусность 1/12. | 180.00 | 250.00 | 69.00 |
| NNU4936/W33 | Роликовый радиальный цилиндрический однорядный подшипник. Канавка для смазки и три отверстия во внешнем кольце подшипника. | 180.00 | 250.00 | 69.00 |
| 305288 DA | Шариковый радиально-упорный подшипник. Lubricant. MIL-L-6085A2. | 180.00 | 250.00 | 70.00 |
Способы доставки
Отправка через ведущие транспортные и курьерские компании: ПЭК, Деловые Линии, СДЭК, Байкал-Сервис, Энергия, КИТ, ЖелДорЭкспедиция.
Самовывоз возможен напрямую со склада в Москве.
Сроки доставки
Срок зависит от региона и выбранной транспортной компании. Все заказы комплектуются и отправляются в кратчайшие сроки со склада в Москве.
Надёжность и сохранность
Вся продукция упаковывается с учётом требований транспортировки. Мы гарантируем, что подшипники и комплектующие прибудут к заказчику в полной сохранности.
Доставка в страны ЕАЭС
Мы работаем с проверенными логистическими партнёрами, что позволяет оперативно доставлять заказы в Беларусь, Казахстан, Армению и другие страны ЕАЭС.
Варианты оплаты:
Минимальная сумма заказа и скидки:
Документы и гарантии:
Да, конечно! Наши технические специалисты готовы помочь вам с подбором точного аналога или замены подшипника. Просто позвоните нам по телефону +7 (495) 104-99-04 или напишите на почту zakaz@podsnab.ru.
Для оперативной консультации подготовьте, пожалуйста, имеющиеся данные: маркировку, размеры, тип оборудования или артикул старого подшипника.
Да, конечно! Мы высоко ценим долгосрочное сотрудничество и доверие клиентов по всей России. Для постоянных клиентов действует персональная система скидок.
Условия формируются индивидуально и зависят от:
Чтобы узнать свои условия и получить максимально выгодное предложение, свяжитесь с персональным менеджером или напишите нам на почту zakaz@podsnab.ru.
Вы можете оформить заказ несколькими способами:
Для оформления заказа от юридического лица свяжитесь с нашим отделом по работе с корпоративными клиентами по телефону +7 (495) 104-99-04 или напишите на email zakaz@podsnab.ru, прикрепив реквизиты вашей организации.
Мы оперативно подготовим коммерческое предложение и выставим счет.
Возврат товара надлежащего качества возможен в течение 10 дней с момента получения, если товар не был в употреблении, сохранен товарный вид, упаковка не вскрывалась и присутствуют все сопроводительные документы.
Возврат денежных средств осуществляется в течение 10 рабочих дней после проверки товара складом.
В соответствии с законодательством возврату не подлежат подшипники надлежащего качества, если отсутствует оригинальная упаковка или имеются следы монтажа.
В случае выявления брака или гарантийного случая мы гарантируем возврат или обмен товара.
Да, гарантийный срок хранения устанавливается заводом-изготовителем и в среднем составляет 2 года при соблюдении условий хранения: сухое помещение, оригинальная упаковка и смазка.
Точный срок для конкретного типа подшипника уточняйте у наших менеджеров.
Пн–Пт: с 8:00 до 17:00 (МСК).
Сб–Вс: выходные дни.
Заказы на сайте принимаются круглосуточно. Заявки, поступившие после окончания рабочего дня, обрабатываются на следующий рабочий день.
Минимальная сумма заказа для доставки составляет 3000 рублей. Самовывоз со склада возможен на любую сумму при наличии товара.
ООО «УралТехГрупп»
ИНН: 7415093830
КПП: 772401001
ОГРН: 1167456069021
Банк: ПАО Сбербанк
Р/с: 40702810838000475273
К/с: 30101810400000000225
БИК: 044525225
У подшипника 6-4162936 пока нет отзывов. Вы можете стать первым покупателем, поделившимся своим мнением.