Поиск подшипника
Статьи
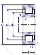
6-42208 М — Роликовый радиальный однорядный подшипник, модификация основного исполнения 42208, производство ГПЗ.
Размер подшипника: 40x80x18 мм.
Модифицированный контакт.
Аналоги: NJ208ECP6.
Государственный стандарт ГОСТ
642208М
В наличии
| Обозначение | Конструктивные изменения |
|---|---|
| 70-42208 Л1 | Сепаратор из латуни.. |
| 70-42208 КМ | Модифицированный контакт.. |
| 42208 | Роликовый радиальный однорядный подшипник. Основное конструктивное исполнение. |
| 2В070-42208 М | Модифицированный контакт.. |
| 2В70-42208 М | Модифицированный контакт.. |
| 4-42208 Е3 | Сепаратор из пластических материалов.. |
| 6-42208 Б | Сепаратор из безоловянистой бронзы.. |
| 6-42208 Б1 | Сепаратор из безоловянистой бронзы.. |
| 6-42208 Б2Т2 | 200°. Температура отпуска. Сепаратор из безоловянистой бронзы.. |
| 6-42208 Л | Сепаратор из латуни.. |
| 6-42208 Л1 | Сепаратор из латуни.. |
| 6-42208 Р | Детали из теплоустойчивой (быстрорежущие) стали.. |
| 70-42208 М | Модифицированный контакт.. |
| 42208-КМ | Кольцевая проточка на середине цилиндрической наружной поверхности наружного кольца плюс три отверстия для смазки. Модифицированный контакт.. |
| 42208-Л | Сепаратор из латуни.. |
| 42208-М | Модифицированный контакт.. |
| 42208-Л1 | Сепаратор из латуни.. |
Модификации роликового подшипника 6-42208 М — это измененное основное конструктивное исполнение 42208, основные размеры (40x80x18) не отличаются.
| Обозначение | Гост | Конструктивные особенности |
|---|---|---|
| 6-32208 Д | ГОСТ | Сепаратор из алюминиевого сплава.. |
| 6-32208 Д1 | ГОСТ | Сепаратор из алюминиевого сплава.. |
| 6-32208 Д1Т2 | ГОСТ | 200°. Температура отпуска. Сепаратор из алюминиевого сплава.. |
| 60-12208 КМ | ГОСТ | Модифицированный контакт.. |
| 62208-М | ГОСТ | Модифицированный контакт.. |
| 7-32208 К2 | ГОСТ | Кольцевая проточка на середине цилиндрической наружной поверхности наружного кольца плюс три отверстия для смазки. |
| 76-12208 Л1 | ГОСТ | Сепаратор из латуни.. |
| N 208 ECMB | ISO | Однорядный цилиндрический роликовый подшипник. |
| N 208 ECPH | ISO | Однорядный цилиндрический роликовый подшипник. |
| NU 208 ECPH | ISO | Однорядный цилиндрический роликовый подшипник. |
| 5-32208 Б2Т | ГОСТ | Температура отпуска. 160°. Сепаратор из безоловянистой бронзы.. |
| 5-32208 БТ | ГОСТ | Температура отпуска. 160°. Сепаратор из безоловянистой бронзы.. |
| 5-32208 Д | ГОСТ | Сепаратор из алюминиевого сплава.. |
| 55-32208 Б2Т2 | ГОСТ | 200°. Температура отпуска. Сепаратор из безоловянистой бронзы.. |
| 55-32208 БТ2 | ГОСТ | 200°. Температура отпуска. Сепаратор из безоловянистой бронзы.. |
| 55-32208 Р3 | ГОСТ | Детали из теплоустойчивой (быстрорежущие) стали.. |
| 55-32208 Р5 | ГОСТ | Детали из теплоустойчивой (быстрорежущие) стали.. |
| 6-102208 М | ГОСТ | Модифицированный контакт.. |
| 6-12208 КМ | ГОСТ | Модифицированный контакт.. |
| 6-12208 Л1 | ГОСТ | Сепаратор из латуни.. |
Аналог роликового подшипника 6-42208 М — это подшипник такого же размера dx40,Dx80,Bx18, типа и конструкции.
| Обозначение | Конструктивные особенности | Внутренний (d) | Наружный (D) | Ширина (B) |
|---|---|---|---|---|
| 5-46208 Л | Шариковый радиально-упорный однорядный подшипник. Сепаратор из латуни.. | 40.00 | 80.00 | 18.00 |
| 5-66208 АЕ | Шариковый радиально-упорный однорядный подшипник. Сепаратор из текстолита.. Повышенная грузоподъемность. | 40.00 | 80.00 | 18.00 |
| 5-7208 У | Роликовый радиальный-упорный однорядный подшипник. Дополнительные технические требования. | 40.00 | 80.00 | 19.00 |
| 50208-А | Шариковый радиальный однорядный подшипник. Повышенная грузоподъемность. | 40.00 | 80.00 | 18.00 |
| 50208-АУ | Шариковый радиальный однорядный подшипник. Дополнительные технические требования. Повышенная грузоподъемность. | 40.00 | 80.00 | 18.00 |
| 50208-АУ1 | Шариковый радиальный однорядный подшипник. Повышенная грузоподъемность. Дополнительные технические требования. | 40.00 | 80.00 | 18.00 |
| 50208-АШ | Шариковый радиальный однорядный подшипник. Повышенная грузоподъемность. Нормы шумности. | 40.00 | 80.00 | 18.00 |
| 50208-У1 | Шариковый радиальный однорядный подшипник. Дополнительные технические требования. | 40.00 | 80.00 | 18.00 |
| 50208E5 | Шариковый радиальный однорядный подшипник. Смазочные отверстия и канавки во внутреннем кольце. | 40.00 | 80.00 | 18.00 |
| 6-136208 Р | Шариковый радиально-упорный однорядный подшипник. Детали из теплоустойчивой (быстрорежущие) стали.. | 40.00 | 80.00 | 18.00 |
| 6-150208 А | Шариковый радиальный однорядный подшипник. Повышенная грузоподъемность. | 40.00 | 80.00 | 18.00 |
| 6-150208 Е5 | Шариковый радиальный однорядный подшипник. Сепаратор из текстолита.. | 40.00 | 80.00 | 18.00 |
| 6-150208 У1 | Шариковый радиальный однорядный подшипник. Дополнительные технические требования. | 40.00 | 80.00 | 18.00 |
| 6-180208 С17 | Шариковый радиальный однорядный подшипник. Смазка Литол-24. | 40.00 | 80.00 | 18.00 |
| 6-180208 С9 | Шариковый радиальный однорядный подшипник. Смазка ЛЗ-31. | 40.00 | 80.00 | 18.00 |
Способы доставки
Отправка через ведущие транспортные и курьерские компании: ПЭК, Деловые Линии, СДЭК, Байкал-Сервис, Энергия, КИТ, ЖелДорЭкспедиция.
Самовывоз возможен напрямую со склада в Москве.
Сроки доставки
Срок зависит от региона и выбранной транспортной компании. Все заказы комплектуются и отправляются в кратчайшие сроки со склада в Москве.
Надёжность и сохранность
Вся продукция упаковывается с учётом требований транспортировки. Мы гарантируем, что подшипники и комплектующие прибудут к заказчику в полной сохранности.
Доставка в страны ЕАЭС
Мы работаем с проверенными логистическими партнёрами, что позволяет оперативно доставлять заказы в Беларусь, Казахстан, Армению и другие страны ЕАЭС.
Варианты оплаты:
Минимальная сумма заказа и скидки:
Документы и гарантии:
Да, конечно! Наши технические специалисты готовы помочь вам с подбором точного аналога или замены подшипника. Просто позвоните нам по телефону +7 (495) 104-99-04 или напишите на почту zakaz@podsnab.ru.
Для оперативной консультации подготовьте, пожалуйста, имеющиеся данные: маркировку, размеры, тип оборудования или артикул старого подшипника.
Да, конечно! Мы высоко ценим долгосрочное сотрудничество и доверие клиентов по всей России. Для постоянных клиентов действует персональная система скидок.
Условия формируются индивидуально и зависят от:
Чтобы узнать свои условия и получить максимально выгодное предложение, свяжитесь с персональным менеджером или напишите нам на почту zakaz@podsnab.ru.
Вы можете оформить заказ несколькими способами:
Для оформления заказа от юридического лица свяжитесь с нашим отделом по работе с корпоративными клиентами по телефону +7 (495) 104-99-04 или напишите на email zakaz@podsnab.ru, прикрепив реквизиты вашей организации.
Мы оперативно подготовим коммерческое предложение и выставим счет.
Возврат товара надлежащего качества возможен в течение 10 дней с момента получения, если товар не был в употреблении, сохранен товарный вид, упаковка не вскрывалась и присутствуют все сопроводительные документы.
Возврат денежных средств осуществляется в течение 10 рабочих дней после проверки товара складом.
В соответствии с законодательством возврату не подлежат подшипники надлежащего качества, если отсутствует оригинальная упаковка или имеются следы монтажа.
В случае выявления брака или гарантийного случая мы гарантируем возврат или обмен товара.
Да, гарантийный срок хранения устанавливается заводом-изготовителем и в среднем составляет 2 года при соблюдении условий хранения: сухое помещение, оригинальная упаковка и смазка.
Точный срок для конкретного типа подшипника уточняйте у наших менеджеров.
Пн–Пт: с 8:00 до 17:00 (МСК).
Сб–Вс: выходные дни.
Заказы на сайте принимаются круглосуточно. Заявки, поступившие после окончания рабочего дня, обрабатываются на следующий рабочий день.
Минимальная сумма заказа для доставки составляет 3000 рублей. Самовывоз со склада возможен на любую сумму при наличии товара.
ООО «УралТехГрупп»
ИНН: 7415093830
КПП: 772401001
ОГРН: 1167456069021
Банк: ПАО Сбербанк
Р/с: 40702810838000475273
К/с: 30101810400000000225
БИК: 044525225
У подшипника 6-42208 М пока нет отзывов. Вы можете стать первым покупателем, поделившимся своим мнением.