Поиск подшипника
Статьи
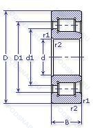
76-42205 АЕШ1 — Роликовый радиальный однорядный подшипник, модификация основного исполнения 42205, производство ГПЗ.
Размер подшипника: 25x52x15 мм.
Нормы шумности, сепаратор из текстолита, повышенная грузоподъемность.
Аналоги: NJ205TAP63.
Государственный стандарт ГОСТ
7642205АЕШ1
В наличии
| Обозначение | Конструктивные изменения |
|---|---|
| 6-42205 Д1 | Сепаратор из алюминиевого сплава.. |
| 6-42205 Е | Сепаратор из текстолита.. |
| 66-42205 А1ЕШ1 | Сепаратор из текстолита.. Повышенная грузоподъемность. Нормы шумности. |
| 66-42205 АЕ | Сепаратор из текстолита.. Повышенная грузоподъемность. |
| 66-42205 АЕМШ1 | Сепаратор из текстолита.. Модифицированный контакт.. Повышенная грузоподъемность. Нормы шумности. |
| 66-42205 АЕШ1 | Сепаратор из текстолита.. Повышенная грузоподъемность. Нормы шумности. |
| 66-42205 КМ | Модифицированный контакт.. |
| 7-42205 АЕ | Сепаратор из текстолита.. Повышенная грузоподъемность. |
| 7-42205 АЕШ1 | Сепаратор из текстолита.. Повышенная грузоподъемность. Нормы шумности. |
| 7-42205 Д1 | Сепаратор из алюминиевого сплава.. |
| 70-42205 Д1 | Сепаратор из алюминиевого сплава.. |
| 76-42205 Д1 | Сепаратор из алюминиевого сплава.. |
| 42205-Д | Сепаратор из алюминиевого сплава.. |
| 42205-Д1 | Сепаратор из алюминиевого сплава.. |
| 42205-Е | Сепаратор из текстолита.. |
| 42205-КМ | Кольцевая проточка на середине цилиндрической наружной поверхности наружного кольца плюс три отверстия для смазки. Модифицированный контакт.. |
| 42205-М | Модифицированный контакт.. |
| 42205A1E1УШ1 | Дополнительные технические требования. Нормы шумности. |
| 42205KM | Type Of Model. |
| 42205А1ЕУШ1 | Сепаратор из текстолита.. Дополнительные технические требования. Повышенная грузоподъемность. Нормы шумности. |
| 5-42205 Б | Сепаратор из безоловянистой бронзы.. |
| 5-42205-Б1 | Сепаратор из безоловянистой бронзы.. |
| 5-42205 Д | Сепаратор из алюминиевого сплава.. |
| 5-42205 Д1 | Сепаратор из алюминиевого сплава.. |
| 5-42205-Р | Детали из теплоустойчивой (быстрорежущие) стали.. |
Модификации роликового подшипника 76-42205 АЕШ1 — это измененное основное конструктивное исполнение 42205, основные размеры (25x52x15) не отличаются.
| Обозначение | Гост | Конструктивные особенности |
|---|---|---|
| NP205 E | ISO | Повышенная грузоподъемность. |
| NJ205-E-TVP2 + HJ205-E | ISO | Повышенная грузоподъемность. Твердый сепаратор оконного типа из армированного стекловолокном полиамида. |
| NH205 | ISO | Шестигранное отверстие (кулачковые ролики с осью). Канавка под стопорное кольцо на наружном кольце подшипника. |
| NP 205 | ISO | Канавка под стопорное кольцо на наружном кольце подшипника. |
| NJ205R | ISO | С выпуклыми асимметричными роликами и обработанным сепаратором. |
| NUP205EG | ISO | Игольчатые сепараторы для шатунов двигателей. |
| NJ205-E-MPA+HJ205-E | ISO | Повышенная грузоподъемность. Твердый латунный сепаратор. |
| NJ205-E-MPA | ISO | Повышенная грузоподъемность. Твердый латунный сепаратор. |
| NJ205-E-TVP3+HJ205-E | ISO | Повышенная грузоподъемность. Цельный сепаратор из полиамида PA66-GF25. сепаратор оконного типа. направляемый телами качения. |
| NU205-E-MPA | ISO | Повышенная грузоподъемность. Твердый латунный сепаратор. |
| 6-32205 Б3 | ГОСТ | Сепаратор из безоловянистой бронзы.. |
| 6-32205 Д1 | ГОСТ | Сепаратор из алюминиевого сплава.. |
| NJ 205 ECPH | ISO | Однорядный цилиндрический роликовый подшипник. |
| 5-32205-Б3 | ГОСТ | Сепаратор из безоловянистой бронзы.. |
| 5-32205 Д | ГОСТ | Сепаратор из алюминиевого сплава.. |
| 5-32205 ОР3 | ГОСТ | Детали из теплоустойчивой (быстрорежущие) стали.. |
| 5-32205 Р1 | ГОСТ | Детали из теплоустойчивой (быстрорежущие) стали.. |
| 5-32205-Ш2У | ГОСТ | Дополнительные технические требования. Нормы шумности. |
| 50-102805 К2 | ГОСТ | Кольцевая проточка на середине цилиндрической наружной поверхности наружного кольца плюс три отверстия для смазки. |
| 55-32205 Б3 | ГОСТ | Сепаратор из безоловянистой бронзы.. |
Аналог роликового подшипника 76-42205 АЕШ1 — это подшипник такого же размера dx25,Dx52,Bx15, типа и конструкции.
| Обозначение | Конструктивные особенности | Внутренний (d) | Наружный (D) | Ширина (B) |
|---|---|---|---|---|
| 50205AE5У | Шариковый радиальный однорядный подшипник. Дополнительные технические требования. | 25.00 | 52.00 | 15.00 |
| 580205-AC17 | Шариковый радиальный однорядный подшипник. Литол-24. | 25.00 | 52.00 | 15.00 |
| 580205-А | Шариковый радиальный однорядный подшипник. Повышенная грузоподъемность. | 25.00 | 52.00 | 15.00 |
| 580205-АЕК7С17 | Шариковый радиальный однорядный подшипник. Смазка Литол-24. Сепаратор из текстолита.. Повышенная грузоподъемность. | 25.00 | 52.00 | 15.00 |
| 580205-АС17 | Шариковый радиальный однорядный подшипник. Смазка Литол-24. Повышенная грузоподъемность. | 25.00 | 52.00 | 15.00 |
| 6-180205 А | Шариковый радиальный однорядный подшипник. Повышенная грузоподъемность. | 25.00 | 52.00 | 15.00 |
| 6-180205 А1С9 | Шариковый радиальный однорядный подшипник. Повышенная грузоподъемность. Смазка ЛЗ-31. | 25.00 | 52.00 | 15.00 |
| 6-180205 АКС17 | Шариковый радиальный однорядный подшипник. Смазка Литол-24. Повышенная грузоподъемность. | 25.00 | 52.00 | 15.00 |
| 6-180205 АС17 | Шариковый радиальный однорядный подшипник. Смазка Литол-24. Повышенная грузоподъемность. | 25.00 | 52.00 | 15.00 |
| 6-180205 АС17Ш1 | Шариковый радиальный однорядный подшипник. Смазка Литол-24. Повышенная грузоподъемность. Нормы шумности. | 25.00 | 52.00 | 15.00 |
| 6-180205 К6С2 | Шариковый радиальный однорядный подшипник. Смазка ЦИАТИМ-221. | 25.00 | 52.00 | 15.00 |
| 6-180205 КС9 | Шариковый радиальный однорядный подшипник. «Замок» (скос) на внутреннем кольце плюс массивный сепаратор из текстолита. Смазка ЛЗ-31. | 25.00 | 52.00 | 15.00 |
| 6-180205 С17 | Шариковый радиальный однорядный подшипник. Смазка Литол-24. | 25.00 | 52.00 | 15.00 |
| 6-180205 С9 | Шариковый радиальный однорядный подшипник. Смазка ЛЗ-31. | 25.00 | 52.00 | 15.00 |
| 6-180205 Ш1 | Шариковый радиальный однорядный подшипник. Нормы шумности. | 25.00 | 52.00 | 15.00 |
Способы доставки
Отправка через ведущие транспортные и курьерские компании: ПЭК, Деловые Линии, СДЭК, Байкал-Сервис, Энергия, КИТ, ЖелДорЭкспедиция.
Самовывоз возможен напрямую со склада в Москве.
Сроки доставки
Срок зависит от региона и выбранной транспортной компании. Все заказы комплектуются и отправляются в кратчайшие сроки со склада в Москве.
Надёжность и сохранность
Вся продукция упаковывается с учётом требований транспортировки. Мы гарантируем, что подшипники и комплектующие прибудут к заказчику в полной сохранности.
Доставка в страны ЕАЭС
Мы работаем с проверенными логистическими партнёрами, что позволяет оперативно доставлять заказы в Беларусь, Казахстан, Армению и другие страны ЕАЭС.
Варианты оплаты:
Минимальная сумма заказа и скидки:
Документы и гарантии:
Да, конечно! Наши технические специалисты готовы помочь вам с подбором точного аналога или замены подшипника. Просто позвоните нам по телефону +7 (495) 104-99-04 или напишите на почту zakaz@podsnab.ru.
Для оперативной консультации подготовьте, пожалуйста, имеющиеся данные: маркировку, размеры, тип оборудования или артикул старого подшипника.
Да, конечно! Мы высоко ценим долгосрочное сотрудничество и доверие клиентов по всей России. Для постоянных клиентов действует персональная система скидок.
Условия формируются индивидуально и зависят от:
Чтобы узнать свои условия и получить максимально выгодное предложение, свяжитесь с персональным менеджером или напишите нам на почту zakaz@podsnab.ru.
Вы можете оформить заказ несколькими способами:
Для оформления заказа от юридического лица свяжитесь с нашим отделом по работе с корпоративными клиентами по телефону +7 (495) 104-99-04 или напишите на email zakaz@podsnab.ru, прикрепив реквизиты вашей организации.
Мы оперативно подготовим коммерческое предложение и выставим счет.
Возврат товара надлежащего качества возможен в течение 10 дней с момента получения, если товар не был в употреблении, сохранен товарный вид, упаковка не вскрывалась и присутствуют все сопроводительные документы.
Возврат денежных средств осуществляется в течение 10 рабочих дней после проверки товара складом.
В соответствии с законодательством возврату не подлежат подшипники надлежащего качества, если отсутствует оригинальная упаковка или имеются следы монтажа.
В случае выявления брака или гарантийного случая мы гарантируем возврат или обмен товара.
Да, гарантийный срок хранения устанавливается заводом-изготовителем и в среднем составляет 2 года при соблюдении условий хранения: сухое помещение, оригинальная упаковка и смазка.
Точный срок для конкретного типа подшипника уточняйте у наших менеджеров.
Пн–Пт: с 8:00 до 17:00 (МСК).
Сб–Вс: выходные дни.
Заказы на сайте принимаются круглосуточно. Заявки, поступившие после окончания рабочего дня, обрабатываются на следующий рабочий день.
Минимальная сумма заказа для доставки составляет 3000 рублей. Самовывоз со склада возможен на любую сумму при наличии товара.
ООО «УралТехГрупп»
ИНН: 7415093830
КПП: 772401001
ОГРН: 1167456069021
Банк: ПАО Сбербанк
Р/с: 40702810838000475273
К/с: 30101810400000000225
БИК: 044525225
У подшипника 76-42205 АЕШ1 пока нет отзывов. Вы можете стать первым покупателем, поделившимся своим мнением.