Поиск подшипника
Статьи
8-12320 МГ5 — Роликовый радиальный однорядный подшипник, модификация основного исполнения 12320, производство ГПЗ.
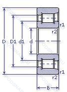
Размер подшипника: 100x215x47 мм.
Сепаратор из черных металлов, модифицированный контакт.
Государственный стандарт ГОСТ
812320МГ5
В наличии
| Обозначение | Конструктивные изменения |
|---|---|
| 6-12320 ЛМШ1 | Сепаратор из латуни.. Модифицированный контакт.. Нормы шумности. |
| 6-12320 ЛМШ | Сепаратор из латуни.. Модифицированный контакт.. Нормы шумности. |
| 12320 | Роликовый радиальный однорядный подшипник. Основное конструктивное исполнение. |
| 12320-М | Модифицированный контакт.. |
| 12320-МГ5 | Модифицированный контакт.. Сепаратор из черных металлов.. |
| 12320-МЛ | Сепаратор из латуни.. Модифицированный контакт.. |
| 6-12320 М | Модифицированный контакт.. |
| 6-12320 МГ5 | Модифицированный контакт.. Сепаратор из черных металлов.. |
Модификации роликового подшипника 8-12320 МГ5 — это измененное основное конструктивное исполнение 12320, основные размеры (100x215x47) не отличаются.
| Обозначение | Гост | Конструктивные особенности |
|---|---|---|
| 8-32320 К1М | ГОСТ | Модифицированный контакт.. |
| 8-42320 М | ГОСТ | Модифицированный контакт.. |
| 8-92320 К1М | ГОСТ | Модифицированный контакт.. |
| 80-32320 К1М | ГОСТ | Модифицированный контакт.. |
| 80-92320 БКМ | ГОСТ | Модифицированный контакт.. Сепаратор из безоловянистой бронзы.. |
| 80-92320 К1М | ГОСТ | Модифицированный контакт.. |
| 85-32320 Б1МШ2 | ГОСТ | Модифицированный контакт.. Нормы шумности. Сепаратор из безоловянистой бронзы.. |
| 92320-К1М | ГОСТ | Кольцевая проточка на середине цилиндрической наружной поверхности наружного кольца плюс три отверстия для смазки. Модифицированный контакт.. |
| Н0-92320 К1М | ГОСТ | Ненормализованный радиальный зазор.. Модифицированный контакт.. |
| Н6-92320 К1М | ГОСТ | Кольцевая проточка на середине цилиндрической наружной поверхности наружного кольца плюс три отверстия для смазки. Ненормализованный радиальный зазор.. Модифицированный контакт.. |
| 6-2320 КМ | ГОСТ | Модифицированный контакт.. |
| 62320М | ГОСТ | Модифицированный контакт.. |
| 70-2320 КМ | ГОСТ | Модифицированный контакт.. |
| 70-2320 М | ГОСТ | Модифицированный контакт.. |
| 70-32320 К1МШ | ГОСТ | Модифицированный контакт.. Нормы шумности. |
| 70-42320 М | ГОСТ | Модифицированный контакт.. |
| 76-2320 КМ | ГОСТ | Модифицированный контакт.. |
| 42320-Л | ГОСТ | Сепаратор из латуни.. |
| 42320-М | ГОСТ | Модифицированный контакт.. |
| 5-32320 К1МШ2 | ГОСТ | Модифицированный контакт.. Нормы шумности. |
Аналог роликового подшипника 8-12320 МГ5 — это подшипник такого же размера dx100,Dx215,Bx47, типа и конструкции.
| Обозначение | Конструктивные особенности | Внутренний (d) | Наружный (D) | Ширина (B) |
|---|---|---|---|---|
| 2В20-320 Л | Шариковый радиальный однорядный подшипник. Сепаратор из латуни.. | 100.00 | 215.00 | 47.00 |
| 2В30-320 Е | Шариковый радиальный однорядный подшипник. Сепаратор из текстолита.. | 100.00 | 215.00 | 47.00 |
| 30-320 Е | Шариковый радиальный однорядный подшипник. Сепаратор из текстолита.. | 100.00 | 215.00 | 47.00 |
| 320-А | Шариковый радиальный однорядный подшипник. Повышенная грузоподъемность. | 100.00 | 215.00 | 47.00 |
| 320-АЛ | Шариковый радиальный однорядный подшипник. Сепаратор из латуни.. Повышенная грузоподъемность. | 100.00 | 215.00 | 47.00 |
| 320-Л | Шариковый радиальный однорядный подшипник. Сепаратор из латуни.. | 100.00 | 215.00 | 47.00 |
| 320Е | Шариковый радиальный однорядный подшипник. Сепаратор из текстолита.. | 100.00 | 215.00 | 47.00 |
| 36-320 Т1 | Шариковый радиальный однорядный подшипник. 180°. Температура отпуска. | 100.00 | 215.00 | 47.00 |
| 1320S | Шариковый сферический двухрядный подшипник. Запечатанная версия кулачкового ролика. | 100.00 | 215.00 | 47.00 |
| 7603100-TVP | Шариковый упорный однорядный подшипник. Molded Snap-Type Cage Of Glass Fibre Reinforced Polyamide. Rolling Element Riding. | 100.00 | 215.00 | 47.00 |
| 45-176320 ЕШ2 | Шариковый радиально-упорный однорядный подшипник. Сепаратор из текстолита.. Нормы шумности. | 100.00 | 215.00 | 47.00 |
| 46320-Л | Шариковый радиально-упорный однорядный подшипник. Сепаратор из латуни.. | 100.00 | 215.00 | 47.00 |
| 46320Е | Шариковый радиально-упорный однорядный подшипник. Сепаратор из текстолита.. | 100.00 | 215.00 | 47.00 |
| 46320К | Шариковый радиально-упорный однорядный подшипник. «Замок» (скос) на внутреннем кольце плюс массивный сепаратор из текстолита. | 100.00 | 215.00 | 47.00 |
| 52320-М | Роликовый радиальный подшипник. Модифицированный контакт.. | 100.00 | 215.00 | 47.00 |
Способы доставки
Отправка через ведущие транспортные и курьерские компании: ПЭК, Деловые Линии, СДЭК, Байкал-Сервис, Энергия, КИТ, ЖелДорЭкспедиция.
Самовывоз возможен напрямую со склада в Москве.
Сроки доставки
Срок зависит от региона и выбранной транспортной компании. Все заказы комплектуются и отправляются в кратчайшие сроки со склада в Москве.
Надёжность и сохранность
Вся продукция упаковывается с учётом требований транспортировки. Мы гарантируем, что подшипники и комплектующие прибудут к заказчику в полной сохранности.
Доставка в страны ЕАЭС
Мы работаем с проверенными логистическими партнёрами, что позволяет оперативно доставлять заказы в Беларусь, Казахстан, Армению и другие страны ЕАЭС.
Варианты оплаты:
Минимальная сумма заказа и скидки:
Документы и гарантии:
Да, конечно! Наши технические специалисты готовы помочь вам с подбором точного аналога или замены подшипника. Просто позвоните нам по телефону +7 (495) 104-99-04 или напишите на почту zakaz@podsnab.ru.
Для оперативной консультации подготовьте, пожалуйста, имеющиеся данные: маркировку, размеры, тип оборудования или артикул старого подшипника.
Да, конечно! Мы высоко ценим долгосрочное сотрудничество и доверие клиентов по всей России. Для постоянных клиентов действует персональная система скидок.
Условия формируются индивидуально и зависят от:
Чтобы узнать свои условия и получить максимально выгодное предложение, свяжитесь с персональным менеджером или напишите нам на почту zakaz@podsnab.ru.
Вы можете оформить заказ несколькими способами:
Для оформления заказа от юридического лица свяжитесь с нашим отделом по работе с корпоративными клиентами по телефону +7 (495) 104-99-04 или напишите на email zakaz@podsnab.ru, прикрепив реквизиты вашей организации.
Мы оперативно подготовим коммерческое предложение и выставим счет.
Возврат товара надлежащего качества возможен в течение 10 дней с момента получения, если товар не был в употреблении, сохранен товарный вид, упаковка не вскрывалась и присутствуют все сопроводительные документы.
Возврат денежных средств осуществляется в течение 10 рабочих дней после проверки товара складом.
В соответствии с законодательством возврату не подлежат подшипники надлежащего качества, если отсутствует оригинальная упаковка или имеются следы монтажа.
В случае выявления брака или гарантийного случая мы гарантируем возврат или обмен товара.
Да, гарантийный срок хранения устанавливается заводом-изготовителем и в среднем составляет 2 года при соблюдении условий хранения: сухое помещение, оригинальная упаковка и смазка.
Точный срок для конкретного типа подшипника уточняйте у наших менеджеров.
Пн–Пт: с 8:00 до 17:00 (МСК).
Сб–Вс: выходные дни.
Заказы на сайте принимаются круглосуточно. Заявки, поступившие после окончания рабочего дня, обрабатываются на следующий рабочий день.
Минимальная сумма заказа для доставки составляет 3000 рублей. Самовывоз со склада возможен на любую сумму при наличии товара.
ООО «УралТехГрупп»
ИНН: 7415093830
КПП: 772401001
ОГРН: 1167456069021
Банк: ПАО Сбербанк
Р/с: 40702810838000475273
К/с: 30101810400000000225
БИК: 044525225
У подшипника 8-12320 МГ5 пока нет отзывов. Вы можете стать первым покупателем, поделившимся своим мнением.