Поиск подшипника
Статьи
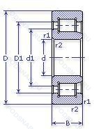
42207-КМ — Роликовый радиальный однорядный подшипник, модификация основного исполнения 42207, производство ГПЗ.
Размер подшипника: 35x72x17 мм.
Кольцевая проточка на середине цилиндрической наружной поверхности наружного кольца плюс три отверстия для смазки, модифицированный контакт.
Аналоги: NJ207ECJ.
Государственный стандарт ГОСТ
42207КМ
В наличии
| Обозначение | Конструктивные изменения |
|---|---|
| 6-42207 Б3 | Сепаратор из безоловянистой бронзы.. |
| 42207 | Роликовый радиальный однорядный подшипник. Основное конструктивное исполнение. |
| 20-42207 ЛМ | Сепаратор из латуни.. Модифицированный контакт.. |
| 8-42207 КМ | Модифицированный контакт.. |
| 6-42207 Б2 | Сепаратор из безоловянистой бронзы.. |
| 6-42207 Л2 | Сепаратор из латуни.. |
| 6-42207 ЛМ | Сепаратор из латуни.. Модифицированный контакт.. |
| 6-42207 М | Модифицированный контакт.. |
| 6-42207 Р1 | Детали из теплоустойчивой (быстрорежущие) стали.. |
| 60-42207 | Роликовый радиальный однорядный подшипник. |
| 60-42207 КМ | Кольцевая проточка на середине цилиндрической наружной поверхности наружного кольца плюс три отверстия для смазки. Модифицированный контакт.. |
| 68-42207 КМ | Модифицированный контакт.. |
| 42207-АКМ | Модифицированный контакт.. Повышенная грузоподъемность. |
| 42207-Л | Сепаратор из латуни.. |
| 42207-Л2 | Сепаратор из латуни.. |
| 42207-ЛМ | Сепаратор из латуни.. Модифицированный контакт.. |
| 42207-М | Модифицированный контакт.. |
| 42207KM | Type Of Model. |
| 42207ЛM | Подшипник с латунным сепаратором. центрированный по телам качения. Сепаратор из латуни.. |
Модификации роликового подшипника 42207-КМ — это измененное основное конструктивное исполнение 42207, основные размеры (35x72x17) не отличаются.
| Обозначение | Гост | Конструктивные особенности |
|---|---|---|
| NJ207ECJ | ISO | Два стальных сепаратора оконного типа. внутреннее кольцо без фланца. направляющее кольцо с усиленным роликом. Однорядный цилиндрический роликовый подшипник. |
| 32207KM | ГОСТ | Type Of Model. |
| 32207M | ГОСТ | Подшипник с латунным сепаратором. центрированный по телам качения. |
| NH207 E | ISO | Повышенная грузоподъемность. |
| NP207 E | ISO | Повышенная грузоподъемность. |
| NJ207-E-TVP2 + HJ207-E | ISO | Повышенная грузоподъемность. Твердый сепаратор оконного типа из армированного стекловолокном полиамида. |
| NH207 | ISO | Канавка под стопорное кольцо на наружном кольце подшипника. |
| NJ207R | ISO | С выпуклыми асимметричными роликами и обработанным сепаратором. |
| NUP207EG | ISO | Игольчатые сепараторы для шатунов двигателей. |
| NJ207-E-TVP3+HJ207-E | ISO | Повышенная грузоподъемность. Цельный сепаратор из полиамида PA66-GF25. сепаратор оконного типа. направляемый телами качения. |
| NJ207-E-MPA+HJ207-E | ISO | Повышенная грузоподъемность. Твердый латунный сепаратор. |
| NJ207-E-MPA | ISO | Повышенная грузоподъемность. Твердый латунный сепаратор. |
| NU207-E-MPA | ISO | Повышенная грузоподъемность. Твердый латунный сепаратор. |
| 6-2207 КМ | ГОСТ | Модифицированный контакт.. |
| 6-2207 ЛМ | ГОСТ | Сепаратор из латуни.. Модифицированный контакт.. |
| 6-32207 КМ | ГОСТ | Модифицированный контакт.. |
| 6-32207 Л1 | ГОСТ | Сепаратор из латуни.. |
| N 207 ECM | ISO | Однорядный цилиндрический роликовый подшипник. |
| 5-32207 БТ | ГОСТ | Температура отпуска. 160°. Сепаратор из безоловянистой бронзы.. |
| 502207-КМ | ГОСТ | Кольцевая проточка на середине цилиндрической наружной поверхности наружного кольца плюс три отверстия для смазки. Модифицированный контакт.. |
| 55-32207 Б2Т | ГОСТ | Температура отпуска. 160°. Сепаратор из безоловянистой бронзы.. |
Аналог роликового подшипника 42207-КМ — это подшипник такого же размера dx35,Dx72,Bx17, типа и конструкции.
| Обозначение | Конструктивные особенности | Внутренний (d) | Наружный (D) | Ширина (B) |
|---|---|---|---|---|
| 5-36207 КЕ3 | Шариковый радиально-упорный однорядный подшипник. «Замок» (скос) на внутреннем кольце плюс массивный сепаратор из текстолита. Сепаратор из пластических материалов.. | 35.00 | 72.00 | 17.00 |
| 5-36207 Л | Шариковый радиально-упорный однорядный подшипник. Сепаратор из латуни.. | 35.00 | 72.00 | 17.00 |
| 5-46207 Е | Шариковый радиально-упорный однорядный подшипник. Сепаратор из текстолита.. | 35.00 | 72.00 | 17.00 |
| 5-46207 Е3 | Шариковый радиально-упорный однорядный подшипник. Сепаратор из пластических материалов.. | 35.00 | 72.00 | 17.00 |
| 5-46207 Е5 | Шариковый радиально-упорный однорядный подшипник. Сепаратор из текстолита.. | 35.00 | 72.00 | 17.00 |
| 5-46207 К | Шариковый радиально-упорный однорядный подшипник. «Замок» (скос) на внутреннем кольце плюс массивный сепаратор из текстолита. | 35.00 | 72.00 | 17.00 |
| 5-60207 А | Шариковый радиальный однорядный подшипник. Повышенная грузоподъемность. | 35.00 | 72.00 | 17.00 |
| 5-66207 Е | Шариковый радиально-упорный однорядный подшипник. Сепаратор из текстолита.. | 35.00 | 72.00 | 17.00 |
| 50207-А | Шариковый радиальный однорядный подшипник. Повышенная грузоподъемность. | 35.00 | 72.00 | 17.00 |
| 50207-К5 | Шариковый радиальный однорядный подшипник. Повышенная грузоподъемность. | 35.00 | 72.00 | 17.00 |
| 50207-АЕ | Шариковый радиальный однорядный подшипник. Сепаратор из текстолита.. Повышенная грузоподъемность. | 35.00 | 72.00 | 17.00 |
| 6-180207 А | Шариковый радиальный однорядный подшипник. Повышенная грузоподъемность. | 35.00 | 72.00 | 17.00 |
| 6-180207 АК | Шариковый радиальный однорядный подшипник. Повышенная грузоподъемность. | 35.00 | 72.00 | 17.00 |
| 6-180207 АС17Ш1 | Шариковый радиальный однорядный подшипник. Смазка Литол-24. Повышенная грузоподъемность. Нормы шумности. | 35.00 | 72.00 | 17.00 |
| 6-180207 С17 | Шариковый радиальный однорядный подшипник. Смазка Литол-24. | 35.00 | 72.00 | 17.00 |
Способы доставки
Отправка через ведущие транспортные и курьерские компании: ПЭК, Деловые Линии, СДЭК, Байкал-Сервис, Энергия, КИТ, ЖелДорЭкспедиция.
Самовывоз возможен напрямую со склада в Москве.
Сроки доставки
Срок зависит от региона и выбранной транспортной компании. Все заказы комплектуются и отправляются в кратчайшие сроки со склада в Москве.
Надёжность и сохранность
Вся продукция упаковывается с учётом требований транспортировки. Мы гарантируем, что подшипники и комплектующие прибудут к заказчику в полной сохранности.
Доставка в страны ЕАЭС
Мы работаем с проверенными логистическими партнёрами, что позволяет оперативно доставлять заказы в Беларусь, Казахстан, Армению и другие страны ЕАЭС.
Варианты оплаты:
Минимальная сумма заказа и скидки:
Документы и гарантии:
Да, конечно! Наши технические специалисты готовы помочь вам с подбором точного аналога или замены подшипника. Просто позвоните нам по телефону +7 (495) 104-99-04 или напишите на почту zakaz@podsnab.ru.
Для оперативной консультации подготовьте, пожалуйста, имеющиеся данные: маркировку, размеры, тип оборудования или артикул старого подшипника.
Да, конечно! Мы высоко ценим долгосрочное сотрудничество и доверие клиентов по всей России. Для постоянных клиентов действует персональная система скидок.
Условия формируются индивидуально и зависят от:
Чтобы узнать свои условия и получить максимально выгодное предложение, свяжитесь с персональным менеджером или напишите нам на почту zakaz@podsnab.ru.
Вы можете оформить заказ несколькими способами:
Для оформления заказа от юридического лица свяжитесь с нашим отделом по работе с корпоративными клиентами по телефону +7 (495) 104-99-04 или напишите на email zakaz@podsnab.ru, прикрепив реквизиты вашей организации.
Мы оперативно подготовим коммерческое предложение и выставим счет.
Возврат товара надлежащего качества возможен в течение 10 дней с момента получения, если товар не был в употреблении, сохранен товарный вид, упаковка не вскрывалась и присутствуют все сопроводительные документы.
Возврат денежных средств осуществляется в течение 10 рабочих дней после проверки товара складом.
В соответствии с законодательством возврату не подлежат подшипники надлежащего качества, если отсутствует оригинальная упаковка или имеются следы монтажа.
В случае выявления брака или гарантийного случая мы гарантируем возврат или обмен товара.
Да, гарантийный срок хранения устанавливается заводом-изготовителем и в среднем составляет 2 года при соблюдении условий хранения: сухое помещение, оригинальная упаковка и смазка.
Точный срок для конкретного типа подшипника уточняйте у наших менеджеров.
Пн–Пт: с 8:00 до 17:00 (МСК).
Сб–Вс: выходные дни.
Заказы на сайте принимаются круглосуточно. Заявки, поступившие после окончания рабочего дня, обрабатываются на следующий рабочий день.
Минимальная сумма заказа для доставки составляет 3000 рублей. Самовывоз со склада возможен на любую сумму при наличии товара.
ООО «УралТехГрупп»
ИНН: 7415093830
КПП: 772401001
ОГРН: 1167456069021
Банк: ПАО Сбербанк
Р/с: 40702810838000475273
К/с: 30101810400000000225
БИК: 044525225
У подшипника 42207-КМ пока нет отзывов. Вы можете стать первым покупателем, поделившимся своим мнением.