Поиск подшипника
Статьи
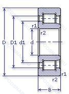
42209-К1М — Роликовый радиальный однорядный подшипник, модификация основного исполнения 42209, производство ГПЗ.
Размер подшипника: 45x85x19 мм.
Кольцевая проточка на середине цилиндрической наружной поверхности наружного кольца плюс три отверстия для смазки, модифицированный контакт.
Аналоги: NJ209ECJ.
Государственный стандарт ГОСТ
42209К1М
В наличии
| Обозначение | Конструктивные изменения |
|---|---|
| 42209 | Роликовый радиальный однорядный подшипник. Основное конструктивное исполнение. |
| 26-42209 Л2Т1 | 180°. Сепаратор из латуни.. Температура отпуска. |
| 6-42209 ЕМ | Сепаратор из текстолита.. Модифицированный контакт.. |
| 6-42209 К1М | Модифицированный контакт.. |
| 6-42209 Л2Т1 | 180°. Сепаратор из латуни.. Температура отпуска. |
| 6-42209 Л3 | Сепаратор из латуни.. |
| 42209-Е | Сепаратор из текстолита.. |
| 42209-ЕМ | Сепаратор из текстолита.. Модифицированный контакт.. |
| 42209-КМ | Кольцевая проточка на середине цилиндрической наружной поверхности наружного кольца плюс три отверстия для смазки. Модифицированный контакт.. |
| 42209-Л | Сепаратор из латуни.. |
| 42209-Л2 | Сепаратор из латуни.. |
| 42209-Л3 | Сепаратор из латуни.. |
Модификации роликового подшипника 42209-К1М — это измененное основное конструктивное исполнение 42209, основные размеры (45x85x19) не отличаются.
| Обозначение | Гост | Конструктивные особенности |
|---|---|---|
| NJ209ECJ | ISO | Два стальных сепаратора оконного типа. внутреннее кольцо без фланца. направляющее кольцо с усиленным роликом. Однорядный цилиндрический роликовый подшипник. |
| NH209 | ISO | Канавка под стопорное кольцо на наружном кольце подшипника. |
| NUP209EG | ISO | Игольчатые сепараторы для шатунов двигателей. |
| NJ209-E-MPA | ISO | Повышенная грузоподъемность. Твердый латунный сепаратор. |
| NJ209-E-MPA+HJ209-E | ISO | Повышенная грузоподъемность. Твердый латунный сепаратор. |
| NJ209-E-TVP3+HJ209-E | ISO | Повышенная грузоподъемность. Цельный сепаратор из полиамида PA66-GF25. сепаратор оконного типа. направляемый телами качения. |
| NU209-E-MPA | ISO | Повышенная грузоподъемность. Твердый латунный сепаратор. |
| NU209-E-TVP3 | ISO | Повышенная грузоподъемность. Цельный сепаратор из полиамида PA66-GF25. сепаратор оконного типа. направляемый телами качения. |
| NJ209 EN | ISO | Увеличенная грузоподъемность и канавка под стопорное кольцо на наружном кольце. |
| 6-32209 Л2Т1 | ГОСТ | 180°. Сепаратор из латуни.. Температура отпуска. |
| 6-32209 Л3Т1У | ГОСТ | Дополнительные технические требования. 180°. Сепаратор из латуни.. Температура отпуска. |
| 6-32209 Л3УТ1 | ГОСТ | Дополнительные технические требования. 180°. Сепаратор из латуни.. Температура отпуска. |
| 6-32209 ЛТ1 | ГОСТ | Сепаратор из латуни.. 180°. Температура отпуска. |
| 60-102209 К | ГОСТ | Кольцевая проточка на середине цилиндрической наружной поверхности наружного кольца плюс три отверстия для смазки. |
| NJ 209 ECPH | ISO | Однорядный цилиндрический роликовый подшипник. |
| NU 209 ECPH | ISO | Однорядный цилиндрический роликовый подшипник. |
| NUP 209 ECPH | ISO | Однорядный цилиндрический роликовый подшипник. |
| 5-32209 Р3 | ГОСТ | Детали из теплоустойчивой (быстрорежущие) стали.. |
| 55-2209 Р | ГОСТ | Детали из теплоустойчивой (быстрорежущие) стали.. |
| 56-32209 Л2 | ГОСТ | Сепаратор из латуни.. |
| 56-322209 Е2У | ГОСТ | Дополнительные технические требования. Сепаратор из пластических материалов.. |
Аналог роликового подшипника 42209-К1М — это подшипник такого же размера dx45,Dx85,Bx19, типа и конструкции.
| Обозначение | Конструктивные особенности | Внутренний (d) | Наружный (D) | Ширина (B) |
|---|---|---|---|---|
| 5-36209 Е | Шариковый радиально-упорный однорядный подшипник. Сепаратор из текстолита.. | 45.00 | 85.00 | 19.00 |
| 5-36209 Л1 | Шариковый радиально-упорный однорядный подшипник. Сепаратор из латуни.. | 45.00 | 85.00 | 19.00 |
| 5-46209 АЕ | Шариковый радиально-упорный однорядный подшипник. Сепаратор из текстолита.. Повышенная грузоподъемность. | 45.00 | 85.00 | 19.00 |
| 5-46209 АЕ1 | Шариковый радиально-упорный однорядный подшипник. Сепаратор из текстолита.. Повышенная грузоподъемность. | 45.00 | 85.00 | 19.00 |
| 5-46209 АЛ | Шариковый радиально-упорный однорядный подшипник. Сепаратор из латуни.. Повышенная грузоподъемность. | 45.00 | 85.00 | 19.00 |
| 5-46209 Е | Шариковый радиально-упорный однорядный подшипник. Сепаратор из текстолита.. | 45.00 | 85.00 | 19.00 |
| 5-46209 Л | Шариковый радиально-упорный однорядный подшипник. Сепаратор из латуни.. | 45.00 | 85.00 | 19.00 |
| 50209-A | Шариковый радиальный однорядный подшипник. Двухрядный радиально-упорный шарикоподшипник без отверстия для смазки. | 45.00 | 85.00 | 19.00 |
| 50209-А | Шариковый радиальный однорядный подшипник. Повышенная грузоподъемность. | 45.00 | 85.00 | 19.00 |
| 50209-А1 | Шариковый радиальный однорядный подшипник. Повышенная грузоподъемность. | 45.00 | 85.00 | 19.00 |
| 50209-А2 | Шариковый радиальный однорядный подшипник. Повышенная грузоподъемность. | 45.00 | 85.00 | 19.00 |
| 50209-АК5 | Шариковый радиальный однорядный подшипник. Повышенная грузоподъемность. | 45.00 | 85.00 | 19.00 |
| 50209-К1 | Шариковый радиальный однорядный подшипник. «Замок» (скос) на внутреннем кольце плюс массивный сепаратор из текстолита. | 45.00 | 85.00 | 19.00 |
| 6-116209 Д | Шариковый радиально-упорный однорядный подшипник. Сепаратор из алюминиевого сплава.. | 45.00 | 85.00 | 19.00 |
| 6-126209 Б | Шариковый радиально-упорный однорядный подшипник. Сепаратор из безоловянистой бронзы.. | 45.00 | 85.00 | 19.00 |
Способы доставки
Отправка через ведущие транспортные и курьерские компании: ПЭК, Деловые Линии, СДЭК, Байкал-Сервис, Энергия, КИТ, ЖелДорЭкспедиция.
Самовывоз возможен напрямую со склада в Москве.
Сроки доставки
Срок зависит от региона и выбранной транспортной компании. Все заказы комплектуются и отправляются в кратчайшие сроки со склада в Москве.
Надёжность и сохранность
Вся продукция упаковывается с учётом требований транспортировки. Мы гарантируем, что подшипники и комплектующие прибудут к заказчику в полной сохранности.
Доставка в страны ЕАЭС
Мы работаем с проверенными логистическими партнёрами, что позволяет оперативно доставлять заказы в Беларусь, Казахстан, Армению и другие страны ЕАЭС.
Варианты оплаты:
Минимальная сумма заказа и скидки:
Документы и гарантии:
Да, конечно! Наши технические специалисты готовы помочь вам с подбором точного аналога или замены подшипника. Просто позвоните нам по телефону +7 (495) 104-99-04 или напишите на почту zakaz@podsnab.ru.
Для оперативной консультации подготовьте, пожалуйста, имеющиеся данные: маркировку, размеры, тип оборудования или артикул старого подшипника.
Да, конечно! Мы высоко ценим долгосрочное сотрудничество и доверие клиентов по всей России. Для постоянных клиентов действует персональная система скидок.
Условия формируются индивидуально и зависят от:
Чтобы узнать свои условия и получить максимально выгодное предложение, свяжитесь с персональным менеджером или напишите нам на почту zakaz@podsnab.ru.
Вы можете оформить заказ несколькими способами:
Для оформления заказа от юридического лица свяжитесь с нашим отделом по работе с корпоративными клиентами по телефону +7 (495) 104-99-04 или напишите на email zakaz@podsnab.ru, прикрепив реквизиты вашей организации.
Мы оперативно подготовим коммерческое предложение и выставим счет.
Возврат товара надлежащего качества возможен в течение 10 дней с момента получения, если товар не был в употреблении, сохранен товарный вид, упаковка не вскрывалась и присутствуют все сопроводительные документы.
Возврат денежных средств осуществляется в течение 10 рабочих дней после проверки товара складом.
В соответствии с законодательством возврату не подлежат подшипники надлежащего качества, если отсутствует оригинальная упаковка или имеются следы монтажа.
В случае выявления брака или гарантийного случая мы гарантируем возврат или обмен товара.
Да, гарантийный срок хранения устанавливается заводом-изготовителем и в среднем составляет 2 года при соблюдении условий хранения: сухое помещение, оригинальная упаковка и смазка.
Точный срок для конкретного типа подшипника уточняйте у наших менеджеров.
Пн–Пт: с 8:00 до 17:00 (МСК).
Сб–Вс: выходные дни.
Заказы на сайте принимаются круглосуточно. Заявки, поступившие после окончания рабочего дня, обрабатываются на следующий рабочий день.
Минимальная сумма заказа для доставки составляет 3000 рублей. Самовывоз со склада возможен на любую сумму при наличии товара.
ООО «УралТехГрупп»
ИНН: 7415093830
КПП: 772401001
ОГРН: 1167456069021
Банк: ПАО Сбербанк
Р/с: 40702810838000475273
К/с: 30101810400000000225
БИК: 044525225
У подшипника 42209-К1М пока нет отзывов. Вы можете стать первым покупателем, поделившимся своим мнением.