Поиск подшипника
Статьи
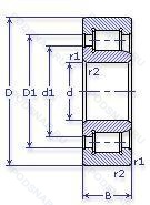
42305-КМ — Роликовый радиальный однорядный подшипник, модификация основного исполнения 42305, производство ГПЗ.
Размер подшипника: 25x62x17 мм.
Кольцевая проточка на середине цилиндрической наружной поверхности наружного кольца плюс три отверстия для смазки, модифицированный контакт.
Аналоги: NJ305ECJ.
Государственный стандарт ГОСТ
42305КМ
В наличии
| Обозначение | Конструктивные изменения |
|---|---|
| 6-42305 АЕУШ1 | Сепаратор из текстолита.. Дополнительные технические требования. Повышенная грузоподъемность. Нормы шумности. |
| 6-42305 Б1 | Сепаратор из безоловянистой бронзы.. |
| 6-42305 Е | Сепаратор из текстолита.. |
| 6-42305 Л1 | Сепаратор из латуни.. |
| 6-42305 ЛМ | Сепаратор из латуни.. Модифицированный контакт.. |
| 6-42305 Р1 | Детали из теплоустойчивой (быстрорежущие) стали.. |
| 66-42305 АЕ | Сепаратор из текстолита.. Повышенная грузоподъемность. |
| 66-42305 АЕУШ1 | Сепаратор из текстолита.. Дополнительные технические требования. Повышенная грузоподъемность. Нормы шумности. |
| 66-42305 АЕШ1 | Сепаратор из текстолита.. Повышенная грузоподъемность. Нормы шумности. |
| 66-42305 АМ | Модифицированный контакт.. Повышенная грузоподъемность. |
| 7-42305 АЕУШ1 | Сепаратор из текстолита.. Дополнительные технические требования. Повышенная грузоподъемность. Нормы шумности. |
| 76-42305 АЕМШ1 | Сепаратор из текстолита.. Модифицированный контакт.. Повышенная грузоподъемность. Нормы шумности. |
| 42305-АЕ | Сепаратор из текстолита.. Повышенная грузоподъемность. |
| 42305-АЕМ | Сепаратор из текстолита.. Модифицированный контакт.. Повышенная грузоподъемность. |
| 42305-Е1 | Сепаратор из текстолита.. |
| 42305-Л | Сепаратор из латуни.. |
| 42305-Л1 | Сепаратор из латуни.. |
| 42305-ЛМ | Сепаратор из латуни.. Модифицированный контакт.. |
| 42305-М | Модифицированный контакт.. |
| 42305AE | Без суффикса. но с обозначением типа. |
| 42305AE1УШ1 | Дополнительные технические требования. Нормы шумности. |
| 42305KM | Type Of Model. |
| 42305M | Подшипник с латунным сепаратором. центрированный по телам качения. |
| 42305АЕУШ1 | Сепаратор из текстолита.. Дополнительные технические требования. Повышенная грузоподъемность. Нормы шумности. |
| 42305ЛM | Подшипник с латунным сепаратором. центрированный по телам качения. Сепаратор из латуни.. |
Модификации роликового подшипника 42305-КМ — это измененное основное конструктивное исполнение 42305, основные размеры (25x62x17) не отличаются.
| Обозначение | Гост | Конструктивные особенности |
|---|---|---|
| NJ305ECJ | ISO | Два стальных сепаратора оконного типа. внутреннее кольцо без фланца. направляющее кольцо с усиленным роликом. Однорядный цилиндрический роликовый подшипник. |
| 2305-АЕМ | ГОСТ | Сепаратор из текстолита.. Модифицированный контакт.. Повышенная грузоподъемность. |
| 2305-КМ | ГОСТ | Кольцевая проточка на середине цилиндрической наружной поверхности наружного кольца плюс три отверстия для смазки. Модифицированный контакт.. |
| NH305 E | ISO | Повышенная грузоподъемность. |
| NP305 E | ISO | Повышенная грузоподъемность. |
| NJ305F | ISO | Сепаратор из обработанной стали или специального чугуна. |
| NP 305 | ISO | Канавка под стопорное кольцо на наружном кольце подшипника. |
| NJ305R | ISO | С выпуклыми асимметричными роликами и обработанным сепаратором. |
| NU305EG | ISO | Игольчатые сепараторы для шатунов двигателей. |
| NUP305EG | ISO | Игольчатые сепараторы для шатунов двигателей. |
| NJ305-E-TVP3+HJ305-E | ISO | Повышенная грузоподъемность. Цельный сепаратор из полиамида PA66-GF25. сепаратор оконного типа. направляемый телами качения. |
| NJ305-E-MPA | ISO | Повышенная грузоподъемность. Твердый латунный сепаратор. |
| NJ305-E-MPA+HJ305-E | ISO | Повышенная грузоподъемность. Твердый латунный сепаратор. |
| 92305-АЕ | ГОСТ | Сепаратор из текстолита.. Повышенная грузоподъемность. |
| 92305-Е | ГОСТ | Сепаратор из текстолита.. |
| 92305-КМ | ГОСТ | Кольцевая проточка на середине цилиндрической наружной поверхности наружного кольца плюс три отверстия для смазки. Модифицированный контакт.. |
| 92305-Л | ГОСТ | Сепаратор из латуни.. |
| 92305-ЛМ | ГОСТ | Сепаратор из латуни.. Модифицированный контакт.. |
| 92305-М | ГОСТ | Модифицированный контакт.. |
| 92305KM | ГОСТ | Type Of Model. |
| 8-102305 М | ГОСТ | Модифицированный контакт.. |
Аналог роликового подшипника 42305-КМ — это подшипник такого же размера dx25,Dx62,Bx17, типа и конструкции.
| Обозначение | Конструктивные особенности | Внутренний (d) | Наружный (D) | Ширина (B) |
|---|---|---|---|---|
| 50305-A | Шариковый радиальный однорядный подшипник. Двухрядный радиально-упорный шарикоподшипник без отверстия для смазки. | 25.00 | 62.00 | 17.00 |
| 50305-А | Шариковый радиальный однорядный подшипник. Повышенная грузоподъемность. | 25.00 | 62.00 | 17.00 |
| 50305-А1Е | Шариковый радиальный однорядный подшипник. Сепаратор из текстолита.. Повышенная грузоподъемность. | 25.00 | 62.00 | 17.00 |
| 50305-А1К2 | Шариковый радиальный однорядный подшипник. «Замок» (скос) на внутреннем кольце плюс массивный сепаратор из текстолита. Повышенная грузоподъемность. | 25.00 | 62.00 | 17.00 |
| 50305-АК | Шариковый радиальный однорядный подшипник. Повышенная грузоподъемность. | 25.00 | 62.00 | 17.00 |
| 50305-АШ | Шариковый радиальный однорядный подшипник. Повышенная грузоподъемность. Нормы шумности. | 25.00 | 62.00 | 17.00 |
| 50305-Е5 | Шариковый радиальный однорядный подшипник. Сепаратор из текстолита.. | 25.00 | 62.00 | 17.00 |
| 50305E5 | Шариковый радиальный однорядный подшипник. Смазочные отверстия и канавки во внутреннем кольце. | 25.00 | 62.00 | 17.00 |
| 50305А2Е | Шариковый радиальный однорядный подшипник. Сепаратор из текстолита.. Повышенная грузоподъемность. | 25.00 | 62.00 | 17.00 |
| 50905-А1Е | Шариковый радиальный однорядный подшипник. Сепаратор из текстолита.. Повышенная грузоподъемность. | 25.00 | 62.00 | 17.00 |
| 6-126805 Е | Шариковый радиально-упорный однорядный подшипник. Сепаратор из текстолита.. | 25.00 | 62.00 | 17.00 |
| 6-1305 Л1 | Шариковый радиальный двухрядный подшипник. Сепаратор из латуни.. | 25.00 | 62.00 | 17.00 |
| 6-180305 А | Шариковый радиальный однорядный подшипник. Повышенная грузоподъемность. | 25.00 | 62.00 | 17.00 |
| 6-180305 АС9 | Шариковый радиальный однорядный подшипник. Повышенная грузоподъемность. Смазка ЛЗ-31. | 25.00 | 62.00 | 17.00 |
| 6-180305 С17 | Шариковый радиальный однорядный подшипник. Смазка Литол-24. | 25.00 | 62.00 | 17.00 |
Способы доставки
Отправка через ведущие транспортные и курьерские компании: ПЭК, Деловые Линии, СДЭК, Байкал-Сервис, Энергия, КИТ, ЖелДорЭкспедиция.
Самовывоз возможен напрямую со склада в Москве.
Сроки доставки
Срок зависит от региона и выбранной транспортной компании. Все заказы комплектуются и отправляются в кратчайшие сроки со склада в Москве.
Надёжность и сохранность
Вся продукция упаковывается с учётом требований транспортировки. Мы гарантируем, что подшипники и комплектующие прибудут к заказчику в полной сохранности.
Доставка в страны ЕАЭС
Мы работаем с проверенными логистическими партнёрами, что позволяет оперативно доставлять заказы в Беларусь, Казахстан, Армению и другие страны ЕАЭС.
Варианты оплаты:
Минимальная сумма заказа и скидки:
Документы и гарантии:
Да, конечно! Наши технические специалисты готовы помочь вам с подбором точного аналога или замены подшипника. Просто позвоните нам по телефону +7 (495) 104-99-04 или напишите на почту zakaz@podsnab.ru.
Для оперативной консультации подготовьте, пожалуйста, имеющиеся данные: маркировку, размеры, тип оборудования или артикул старого подшипника.
Да, конечно! Мы высоко ценим долгосрочное сотрудничество и доверие клиентов по всей России. Для постоянных клиентов действует персональная система скидок.
Условия формируются индивидуально и зависят от:
Чтобы узнать свои условия и получить максимально выгодное предложение, свяжитесь с персональным менеджером или напишите нам на почту zakaz@podsnab.ru.
Вы можете оформить заказ несколькими способами:
Для оформления заказа от юридического лица свяжитесь с нашим отделом по работе с корпоративными клиентами по телефону +7 (495) 104-99-04 или напишите на email zakaz@podsnab.ru, прикрепив реквизиты вашей организации.
Мы оперативно подготовим коммерческое предложение и выставим счет.
Возврат товара надлежащего качества возможен в течение 10 дней с момента получения, если товар не был в употреблении, сохранен товарный вид, упаковка не вскрывалась и присутствуют все сопроводительные документы.
Возврат денежных средств осуществляется в течение 10 рабочих дней после проверки товара складом.
В соответствии с законодательством возврату не подлежат подшипники надлежащего качества, если отсутствует оригинальная упаковка или имеются следы монтажа.
В случае выявления брака или гарантийного случая мы гарантируем возврат или обмен товара.
Да, гарантийный срок хранения устанавливается заводом-изготовителем и в среднем составляет 2 года при соблюдении условий хранения: сухое помещение, оригинальная упаковка и смазка.
Точный срок для конкретного типа подшипника уточняйте у наших менеджеров.
Пн–Пт: с 8:00 до 17:00 (МСК).
Сб–Вс: выходные дни.
Заказы на сайте принимаются круглосуточно. Заявки, поступившие после окончания рабочего дня, обрабатываются на следующий рабочий день.
Минимальная сумма заказа для доставки составляет 3000 рублей. Самовывоз со склада возможен на любую сумму при наличии товара.
ООО «УралТехГрупп»
ИНН: 7415093830
КПП: 772401001
ОГРН: 1167456069021
Банк: ПАО Сбербанк
Р/с: 40702810838000475273
К/с: 30101810400000000225
БИК: 044525225
У подшипника 42305-КМ пока нет отзывов. Вы можете стать первым покупателем, поделившимся своим мнением.