Поиск подшипника
Статьи
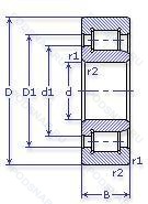
42307-КМ — Роликовый радиальный однорядный подшипник, модификация основного исполнения 42307, производство ГПЗ.
Размер подшипника: 35x80x21 мм.
Кольцевая проточка на середине цилиндрической наружной поверхности наружного кольца плюс три отверстия для смазки, модифицированный контакт.
Аналоги: NJ307ECJ.
Государственный стандарт ГОСТ
42307КМ
В наличии
| Обозначение | Конструктивные изменения |
|---|---|
| 42307-М | Модифицированный контакт.. |
| 6-42307 КМ | Модифицированный контакт.. |
| 75-42307 ЛМ | Сепаратор из латуни.. Модифицированный контакт.. |
| 8-42307 КМ | Модифицированный контакт.. |
| 42307 | Роликовый радиальный однорядный подшипник. Основное конструктивное исполнение. |
| 6-42307 ЛМ | Сепаратор из латуни.. Модифицированный контакт.. |
| 6-42307 Р1 | Детали из теплоустойчивой (быстрорежущие) стали.. |
| 42307-Л | Сепаратор из латуни.. |
| 42307-ЛМ | Сепаратор из латуни.. Модифицированный контакт.. |
| 42307KM | Type Of Model. |
| 42307M | Подшипник с латунным сепаратором. центрированный по телам качения. |
| 42307ЛM | Подшипник с латунным сепаратором. центрированный по телам качения. Сепаратор из латуни.. |
Модификации роликового подшипника 42307-КМ — это измененное основное конструктивное исполнение 42307, основные размеры (35x80x21) не отличаются.
| Обозначение | Гост | Конструктивные особенности |
|---|---|---|
| NJ307ECJ | ISO | Два стальных сепаратора оконного типа. внутреннее кольцо без фланца. направляющее кольцо с усиленным роликом. Однорядный цилиндрический роликовый подшипник. |
| NJ307F | ISO | Сепаратор из обработанной стали или специального чугуна. |
| NU307F | ISO | Сепаратор из обработанной стали или специального чугуна. |
| NH307 | ISO | Канавка под стопорное кольцо на наружном кольце подшипника. |
| NJ307R | ISO | С выпуклыми асимметричными роликами и обработанным сепаратором. |
| NU307EG | ISO | Игольчатые сепараторы для шатунов двигателей. |
| NJ307-E-MPA | ISO | Повышенная грузоподъемность. Твердый латунный сепаратор. |
| NJ307-E-TVP3+HJ307-E | ISO | Повышенная грузоподъемность. Цельный сепаратор из полиамида PA66-GF25. сепаратор оконного типа. направляемый телами качения. |
| NJ307-E-MPA+HJ307-E | ISO | Повышенная грузоподъемность. Твердый латунный сепаратор. |
| В0-2307 КМШ | ГОСТ | Модифицированный контакт.. Нормы шумности. |
| 6-2307 Б | ГОСТ | Сепаратор из безоловянистой бронзы.. |
| 6-2307 Б1 | ГОСТ | Сепаратор из безоловянистой бронзы.. |
| 6-2307 Л1 | ГОСТ | Сепаратор из латуни.. |
| 6-32307 КМ | ГОСТ | Модифицированный контакт.. |
| 6-32307 Л | ГОСТ | Сепаратор из латуни.. |
| 76-2307 ЛМШ2У | ГОСТ | Сепаратор из латуни.. Дополнительные технические требования. Модифицированный контакт.. Нормы шумности. |
| 76-2307 ЛМШУ | ГОСТ | Сепаратор из латуни.. Дополнительные технические требования. Модифицированный контакт.. Нормы шумности. |
| 76-2307 МШ2У | ГОСТ | Дополнительные технические требования. Модифицированный контакт.. Нормы шумности. |
| 8-102307 М | ГОСТ | Модифицированный контакт.. |
| NU 307 ECPH | ISO | Однорядный цилиндрический роликовый подшипник. |
| NJ 307 ECPH | ISO | Однорядный цилиндрический роликовый подшипник. |
Аналог роликового подшипника 42307-КМ — это подшипник такого же размера dx35,Dx80,Bx21, типа и конструкции.
| Обозначение | Конструктивные особенности | Внутренний (d) | Наружный (D) | Ширина (B) |
|---|---|---|---|---|
| 46307-Б | Шариковый радиально-упорный однорядный подшипник. Сепаратор из безоловянистой бронзы.. | 35.00 | 80.00 | 21.00 |
| 46307-Е | Шариковый радиально-упорный однорядный подшипник. Сепаратор из текстолита.. | 35.00 | 80.00 | 21.00 |
| 46307-Л | Шариковый радиально-упорный однорядный подшипник. Сепаратор из латуни.. | 35.00 | 80.00 | 21.00 |
| 46307К | Шариковый радиально-упорный однорядный подшипник. «Замок» (скос) на внутреннем кольце плюс массивный сепаратор из текстолита. | 35.00 | 80.00 | 21.00 |
| 5-46307 АЛ | Шариковый радиально-упорный однорядный подшипник. Сепаратор из латуни.. Повышенная грузоподъемность. | 35.00 | 80.00 | 21.00 |
| 5-46307 АЛШ2 | Шариковый радиально-упорный однорядный подшипник. Сепаратор из латуни.. Нормы шумности. Повышенная грузоподъемность. | 35.00 | 80.00 | 21.00 |
| 5-46307 ЕШ2 | Шариковый радиально-упорный однорядный подшипник. Сепаратор из текстолита.. Нормы шумности. | 35.00 | 80.00 | 21.00 |
| 5-46307 Л | Шариковый радиально-упорный однорядный подшипник. Сепаратор из латуни.. | 35.00 | 80.00 | 21.00 |
| 50307-А | Шариковый радиальный однорядный подшипник. Повышенная грузоподъемность. | 35.00 | 80.00 | 21.00 |
| 50307-А1 | Шариковый радиальный однорядный подшипник. Повышенная грузоподъемность. | 35.00 | 80.00 | 21.00 |
| 50307-АК | Шариковый радиальный однорядный подшипник. Повышенная грузоподъемность. | 35.00 | 80.00 | 21.00 |
| 50307-АКШ | Шариковый радиальный однорядный подшипник. Повышенная грузоподъемность. Нормы шумности. | 35.00 | 80.00 | 21.00 |
| 6-176307 Л | Шариковый радиально-упорный однорядный подшипник. Сепаратор из латуни.. | 35.00 | 80.00 | 21.00 |
| 6-180307 АКС9 | Шариковый радиальный однорядный подшипник. Повышенная грузоподъемность. Смазка ЛЗ-31. | 35.00 | 80.00 | 21.00 |
| 6-180307 Ш | Шариковый радиальный однорядный подшипник. Нормы шумности. | 35.00 | 80.00 | 21.00 |
Способы доставки
Отправка через ведущие транспортные и курьерские компании: ПЭК, Деловые Линии, СДЭК, Байкал-Сервис, Энергия, КИТ, ЖелДорЭкспедиция.
Самовывоз возможен напрямую со склада в Москве.
Сроки доставки
Срок зависит от региона и выбранной транспортной компании. Все заказы комплектуются и отправляются в кратчайшие сроки со склада в Москве.
Надёжность и сохранность
Вся продукция упаковывается с учётом требований транспортировки. Мы гарантируем, что подшипники и комплектующие прибудут к заказчику в полной сохранности.
Доставка в страны ЕАЭС
Мы работаем с проверенными логистическими партнёрами, что позволяет оперативно доставлять заказы в Беларусь, Казахстан, Армению и другие страны ЕАЭС.
Варианты оплаты:
Минимальная сумма заказа и скидки:
Документы и гарантии:
Да, конечно! Наши технические специалисты готовы помочь вам с подбором точного аналога или замены подшипника. Просто позвоните нам по телефону +7 (495) 104-99-04 или напишите на почту zakaz@podsnab.ru.
Для оперативной консультации подготовьте, пожалуйста, имеющиеся данные: маркировку, размеры, тип оборудования или артикул старого подшипника.
Да, конечно! Мы высоко ценим долгосрочное сотрудничество и доверие клиентов по всей России. Для постоянных клиентов действует персональная система скидок.
Условия формируются индивидуально и зависят от:
Чтобы узнать свои условия и получить максимально выгодное предложение, свяжитесь с персональным менеджером или напишите нам на почту zakaz@podsnab.ru.
Вы можете оформить заказ несколькими способами:
Для оформления заказа от юридического лица свяжитесь с нашим отделом по работе с корпоративными клиентами по телефону +7 (495) 104-99-04 или напишите на email zakaz@podsnab.ru, прикрепив реквизиты вашей организации.
Мы оперативно подготовим коммерческое предложение и выставим счет.
Возврат товара надлежащего качества возможен в течение 10 дней с момента получения, если товар не был в употреблении, сохранен товарный вид, упаковка не вскрывалась и присутствуют все сопроводительные документы.
Возврат денежных средств осуществляется в течение 10 рабочих дней после проверки товара складом.
В соответствии с законодательством возврату не подлежат подшипники надлежащего качества, если отсутствует оригинальная упаковка или имеются следы монтажа.
В случае выявления брака или гарантийного случая мы гарантируем возврат или обмен товара.
Да, гарантийный срок хранения устанавливается заводом-изготовителем и в среднем составляет 2 года при соблюдении условий хранения: сухое помещение, оригинальная упаковка и смазка.
Точный срок для конкретного типа подшипника уточняйте у наших менеджеров.
Пн–Пт: с 8:00 до 17:00 (МСК).
Сб–Вс: выходные дни.
Заказы на сайте принимаются круглосуточно. Заявки, поступившие после окончания рабочего дня, обрабатываются на следующий рабочий день.
Минимальная сумма заказа для доставки составляет 3000 рублей. Самовывоз со склада возможен на любую сумму при наличии товара.
ООО «УралТехГрупп»
ИНН: 7415093830
КПП: 772401001
ОГРН: 1167456069021
Банк: ПАО Сбербанк
Р/с: 40702810838000475273
К/с: 30101810400000000225
БИК: 044525225
У подшипника 42307-КМ пока нет отзывов. Вы можете стать первым покупателем, поделившимся своим мнением.