Поиск подшипника
Статьи
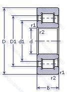
42314-К1М — Роликовый радиальный однорядный подшипник, модификация основного исполнения 42314, производство ГПЗ.
Размер подшипника: 70x150x35 мм.
Кольцевая проточка на середине цилиндрической наружной поверхности наружного кольца плюс три отверстия для смазки, модифицированный контакт.
Аналоги: NJ314ECJ.
Государственный стандарт ГОСТ
42314К1М
В наличии
| Обозначение | Конструктивные изменения |
|---|---|
| 42314-К | Кольцевая проточка на середине цилиндрической наружной поверхности наружного кольца плюс три отверстия для смазки. |
| В-42314 К1М | Модифицированный контакт.. |
| 42314 | Роликовый радиальный однорядный подшипник. Основное конструктивное исполнение. |
| 20-42314 М1 | Модифицированный контакт.. |
| 2В0-42314 К1М | Модифицированный контакт.. |
| 2В70-42314 К1М | Модифицированный контакт.. |
| 2ВО-42314 КМ | Модифицированный контакт.. |
| 6-42314 К1М | Модифицированный контакт.. |
| 6-42314 КМ | Модифицированный контакт.. |
| 6-42314 М1Ш1 | Модифицированный контакт.. Нормы шумности. |
| 70-42314 К1М | Модифицированный контакт.. |
| 70-42314 КМ | Кольцевая проточка на середине цилиндрической наружной поверхности наружного кольца плюс три отверстия для смазки. Модифицированный контакт.. |
| 42314-КМ | Кольцевая проточка на середине цилиндрической наружной поверхности наружного кольца плюс три отверстия для смазки. Модифицированный контакт.. |
| 42314-М1 | Модифицированный контакт.. |
| 42314-М1Ш1 | Модифицированный контакт.. Нормы шумности. |
| 42314-М1Ш2У | Дополнительные технические требования. Модифицированный контакт.. Нормы шумности. |
Модификации роликового подшипника 42314-К1М — это измененное основное конструктивное исполнение 42314, основные размеры (70x150x35) не отличаются.
| Обозначение | Гост | Конструктивные особенности |
|---|---|---|
| NJ314ECJ | ISO | Два стальных сепаратора оконного типа. внутреннее кольцо без фланца. направляющее кольцо с усиленным роликом. Однорядный цилиндрический роликовый подшипник. |
| 92314-КМ | ГОСТ | Кольцевая проточка на середине цилиндрической наружной поверхности наружного кольца плюс три отверстия для смазки. Модифицированный контакт.. |
| 92314-Л | ГОСТ | Сепаратор из латуни.. |
| 92314-М1 | ГОСТ | Модифицированный контакт.. |
| В6-2314 М1Ш1 | ГОСТ | Модифицированный контакт.. Нормы шумности. |
| Н0-92314 М1 | ГОСТ | Ненормализованный радиальный зазор.. Модифицированный контакт.. |
| 6-2314 КМ | ГОСТ | Модифицированный контакт.. |
| 6-2314 КМШ | ГОСТ | Модифицированный контакт.. Нормы шумности. |
| 6-2314 М1 | ГОСТ | Модифицированный контакт.. |
| 6-2314 М1Ш1 | ГОСТ | Модифицированный контакт.. Нормы шумности. |
| 70-2314 КМ | ГОСТ | Модифицированный контакт.. |
| 70-32314 К1М | ГОСТ | Модифицированный контакт.. |
| 70-32314 М1 | ГОСТ | Модифицированный контакт.. |
| 70-32314 М1Ш | ГОСТ | Модифицированный контакт.. Нормы шумности. |
| 76-2314 КМ | ГОСТ | Модифицированный контакт.. |
| 76-2314 М1 | ГОСТ | Модифицированный контакт.. |
| 76-32314 М1Ш | ГОСТ | Модифицированный контакт.. Нормы шумности. |
| 76-32314 М1Ш2 | ГОСТ | Модифицированный контакт.. Нормы шумности. |
| 76-32314 М1Ш2У | ГОСТ | Дополнительные технические требования. Модифицированный контакт.. Нормы шумности. |
| 50-2314 КМ | ГОСТ | Модифицированный контакт.. |
| 6-102314 М | ГОСТ | Модифицированный контакт.. |
Аналог роликового подшипника 42314-К1М — это подшипник такого же размера dx70,Dx150,Bx35, типа и конструкции.
| Обозначение | Конструктивные особенности | Внутренний (d) | Наружный (D) | Ширина (B) |
|---|---|---|---|---|
| 7603070-TVP | Шариковый упорный однорядный подшипник. Molded Snap-Type Cage Of Glass Fibre Reinforced Polyamide. Rolling Element Riding. | 70.00 | 150.00 | 35.00 |
| 46314-АЛ | Шариковый радиально-упорный однорядный подшипник. Сепаратор из латуни.. Повышенная грузоподъемность. | 70.00 | 150.00 | 35.00 |
| 46314-Л | Шариковый радиально-упорный однорядный подшипник. Сепаратор из латуни.. | 70.00 | 150.00 | 35.00 |
| 46314К | Шариковый радиально-упорный однорядный подшипник. «Замок» (скос) на внутреннем кольце плюс массивный сепаратор из текстолита. | 70.00 | 150.00 | 35.00 |
| 5-314 Ш2У | Шариковый радиальный однорядный подшипник. Дополнительные технические требования. Нормы шумности. | 70.00 | 150.00 | 35.00 |
| 5-46314 Л | Шариковый радиально-упорный однорядный подшипник. Сепаратор из латуни.. | 70.00 | 150.00 | 35.00 |
| 5-50314 Л | Шариковый радиальный однорядный подшипник. Сепаратор из латуни.. | 70.00 | 150.00 | 35.00 |
| 50314-А | Шариковый радиальный однорядный подшипник. Повышенная грузоподъемность. | 70.00 | 150.00 | 35.00 |
| 50314-Л | Шариковый радиальный однорядный подшипник. Сепаратор из латуни.. | 70.00 | 150.00 | 35.00 |
| 50314-АК | Шариковый радиальный однорядный подшипник. Повышенная грузоподъемность. | 70.00 | 150.00 | 35.00 |
| 6-126314 Л | Шариковый радиально-упорный однорядный подшипник. Сепаратор из латуни.. | 70.00 | 150.00 | 35.00 |
| 6-126314 Р | Шариковый радиально-упорный однорядный подшипник. Детали из теплоустойчивой (быстрорежущие) стали.. | 70.00 | 150.00 | 35.00 |
| 6-170314 Л | Шариковый радиальный однорядный подшипник. Сепаратор из латуни.. | 70.00 | 150.00 | 35.00 |
| 6-176314 Л | Шариковый радиально-упорный однорядный подшипник. Сепаратор из латуни.. | 70.00 | 150.00 | 35.00 |
| 6-180314 Ш1 | Шариковый радиальный однорядный подшипник. Нормы шумности. | 70.00 | 150.00 | 35.00 |
Способы доставки
Отправка через ведущие транспортные и курьерские компании: ПЭК, Деловые Линии, СДЭК, Байкал-Сервис, Энергия, КИТ, ЖелДорЭкспедиция.
Самовывоз возможен напрямую со склада в Москве.
Сроки доставки
Срок зависит от региона и выбранной транспортной компании. Все заказы комплектуются и отправляются в кратчайшие сроки со склада в Москве.
Надёжность и сохранность
Вся продукция упаковывается с учётом требований транспортировки. Мы гарантируем, что подшипники и комплектующие прибудут к заказчику в полной сохранности.
Доставка в страны ЕАЭС
Мы работаем с проверенными логистическими партнёрами, что позволяет оперативно доставлять заказы в Беларусь, Казахстан, Армению и другие страны ЕАЭС.
Варианты оплаты:
Минимальная сумма заказа и скидки:
Документы и гарантии:
Да, конечно! Наши технические специалисты готовы помочь вам с подбором точного аналога или замены подшипника. Просто позвоните нам по телефону +7 (495) 104-99-04 или напишите на почту zakaz@podsnab.ru.
Для оперативной консультации подготовьте, пожалуйста, имеющиеся данные: маркировку, размеры, тип оборудования или артикул старого подшипника.
Да, конечно! Мы высоко ценим долгосрочное сотрудничество и доверие клиентов по всей России. Для постоянных клиентов действует персональная система скидок.
Условия формируются индивидуально и зависят от:
Чтобы узнать свои условия и получить максимально выгодное предложение, свяжитесь с персональным менеджером или напишите нам на почту zakaz@podsnab.ru.
Вы можете оформить заказ несколькими способами:
Для оформления заказа от юридического лица свяжитесь с нашим отделом по работе с корпоративными клиентами по телефону +7 (495) 104-99-04 или напишите на email zakaz@podsnab.ru, прикрепив реквизиты вашей организации.
Мы оперативно подготовим коммерческое предложение и выставим счет.
Возврат товара надлежащего качества возможен в течение 10 дней с момента получения, если товар не был в употреблении, сохранен товарный вид, упаковка не вскрывалась и присутствуют все сопроводительные документы.
Возврат денежных средств осуществляется в течение 10 рабочих дней после проверки товара складом.
В соответствии с законодательством возврату не подлежат подшипники надлежащего качества, если отсутствует оригинальная упаковка или имеются следы монтажа.
В случае выявления брака или гарантийного случая мы гарантируем возврат или обмен товара.
Да, гарантийный срок хранения устанавливается заводом-изготовителем и в среднем составляет 2 года при соблюдении условий хранения: сухое помещение, оригинальная упаковка и смазка.
Точный срок для конкретного типа подшипника уточняйте у наших менеджеров.
Пн–Пт: с 8:00 до 17:00 (МСК).
Сб–Вс: выходные дни.
Заказы на сайте принимаются круглосуточно. Заявки, поступившие после окончания рабочего дня, обрабатываются на следующий рабочий день.
Минимальная сумма заказа для доставки составляет 3000 рублей. Самовывоз со склада возможен на любую сумму при наличии товара.
ООО «УралТехГрупп»
ИНН: 7415093830
КПП: 772401001
ОГРН: 1167456069021
Банк: ПАО Сбербанк
Р/с: 40702810838000475273
К/с: 30101810400000000225
БИК: 044525225
У подшипника 42314-К1М пока нет отзывов. Вы можете стать первым покупателем, поделившимся своим мнением.