Поиск подшипника
Статьи
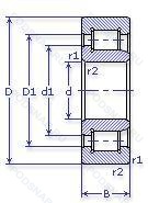
42317-АЕ — Роликовый радиальный однорядный подшипник, модификация основного исполнения 42317, производство ГПЗ.
Размер подшипника: 85x180x41 мм.
Сепаратор из текстолита, повышенная грузоподъемность.
Государственный стандарт ГОСТ
42317АЕ
В наличии
| Обозначение | Конструктивные изменения |
|---|---|
| 20-42317 АЕ | Сепаратор из текстолита.. Повышенная грузоподъемность. |
| 20-42317 ЕМ | Сепаратор из текстолита.. Модифицированный контакт.. |
| 42317-ЕМ | Сепаратор из текстолита.. Модифицированный контакт.. |
| 42317-КМ | Модифицированный контакт.. |
| 42317-Л1М | Модифицированный контакт.. Сепаратор из латуни.. |
| 70-42317 АЕ | Сепаратор из текстолита.. Повышенная грузоподъемность. |
| 70-42317 ЕМ | Сепаратор из текстолита.. Модифицированный контакт.. |
| 8-42317 ЕМ | Сепаратор из текстолита.. Модифицированный контакт.. |
| 8-42317 М | Модифицированный контакт.. |
| 6-42317 ЕШ1 | Сепаратор из текстолита.. Нормы шумности. |
| 42317 | Роликовый радиальный однорядный подшипник. Основное конструктивное исполнение. |
| 20-42317 М | Модифицированный контакт.. |
| 70-42317 М | Модифицированный контакт.. |
| 42317-Л | Сепаратор из латуни.. |
| 42317-Л1 | Сепаратор из латуни.. |
| 42317-М | Модифицированный контакт.. |
| 42317AE | Без суффикса. но с обозначением типа. |
| 42317EM | Стандартный фланцевый ( с резьбой и сквозным отверстием). |
| 42317KM | Type Of Model. |
| 42317M | Подшипник с латунным сепаратором. центрированный по телам качения. |
Модификации роликового подшипника 42317-АЕ — это измененное основное конструктивное исполнение 42317, основные размеры (85x180x41) не отличаются.
| Обозначение | Гост | Конструктивные особенности |
|---|---|---|
| 85-32317 Б3Ш2 | ГОСТ | Нормы шумности. Сепаратор из безоловянистой бронзы.. |
| N317 EMB | ISO | Land-Riding One-Piece Brass Cage. |
| 92317-Л | ГОСТ | Сепаратор из латуни.. |
| 92317-ЛМ | ГОСТ | Сепаратор из латуни.. Модифицированный контакт.. |
| 92317-М | ГОСТ | Модифицированный контакт.. |
| 92317-МЛ | ГОСТ | Сепаратор из латуни.. Модифицированный контакт.. |
| 92317AE | ГОСТ | Без суффикса. но с обозначением типа. |
| 92317EM | ГОСТ | Стандартный фланцевый ( с резьбой и сквозным отверстием). |
| 92317M | ГОСТ | Подшипник с латунным сепаратором. центрированный по телам качения. |
| Н0-92317 М | ГОСТ | Ненормализованный радиальный зазор.. Модифицированный контакт.. |
| Н8-92317 М | ГОСТ | Ненормализованный радиальный зазор.. Модифицированный контакт.. |
| 6-2317 К1Ш1 | ГОСТ | Кольцевая проточка на середине цилиндрической наружной поверхности наружного кольца плюс три отверстия для смазки. Нормы шумности. |
| 6-2317 Ш1 | ГОСТ | Нормы шумности. |
| 6-32317 Б2 | ГОСТ | Сепаратор из безоловянистой бронзы.. |
| 70-2317 К1 | ГОСТ | Кольцевая проточка на середине цилиндрической наружной поверхности наружного кольца плюс три отверстия для смазки. |
| 70-32317 Б2 | ГОСТ | Сепаратор из безоловянистой бронзы.. |
| 70-32317 М | ГОСТ | Модифицированный контакт.. |
| 76-32317 Б2 | ГОСТ | Сепаратор из безоловянистой бронзы.. |
| 76-32317 МШ2 | ГОСТ | Модифицированный контакт.. Нормы шумности. |
| 5-2317 К1Ш2У | ГОСТ | Кольцевая проточка на середине цилиндрической наружной поверхности наружного кольца плюс три отверстия для смазки. Дополнительные технические требования. Нормы шумности. |
Аналог роликового подшипника 42317-АЕ — это подшипник такого же размера dx85,Dx180,Bx41, типа и конструкции.
| Обозначение | Конструктивные особенности | Внутренний (d) | Наружный (D) | Ширина (B) |
|---|---|---|---|---|
| 2В70-317 А | Шариковый радиальный однорядный подшипник. Повышенная грузоподъемность. | 85.00 | 180.00 | 41.00 |
| 317-A | Шариковый радиальный однорядный подшипник. Двухрядный радиально-упорный шарикоподшипник без отверстия для смазки. | 85.00 | 180.00 | 41.00 |
| 317-А | Шариковый радиальный однорядный подшипник. Повышенная грузоподъемность. | 85.00 | 180.00 | 41.00 |
| 317-АЕ | Шариковый радиальный однорядный подшипник. Сепаратор из текстолита.. Повышенная грузоподъемность. | 85.00 | 180.00 | 41.00 |
| 317-К5 | Шариковый радиальный однорядный подшипник. Повышенная грузоподъемность. | 85.00 | 180.00 | 41.00 |
| 317-Ш2У | Шариковый радиальный однорядный подшипник. Дополнительные технические требования. Нормы шумности. | 85.00 | 180.00 | 41.00 |
| 1317K+H317 | Шариковый сферический двухрядный подшипник. Коническое внутреннее отверстие. | 85.00 | 180.00 | 41.00 |
| 1317SK | Шариковый сферический двухрядный подшипник. Кулачковый толкатель штифтового типа. С шестигранной головкой. | 85.00 | 180.00 | 41.00 |
| 45-176317 ЕШ2 | Шариковый радиально-упорный однорядный подшипник. Сепаратор из текстолита.. Нормы шумности. | 85.00 | 180.00 | 41.00 |
| 46317-Е5 | Шариковый радиально-упорный однорядный подшипник. Сепаратор из текстолита.. | 85.00 | 180.00 | 41.00 |
| 46317-Л | Шариковый радиально-упорный однорядный подшипник. Сепаратор из латуни.. | 85.00 | 180.00 | 41.00 |
| 46317К | Шариковый радиально-упорный однорядный подшипник. «Замок» (скос) на внутреннем кольце плюс массивный сепаратор из текстолита. | 85.00 | 180.00 | 41.00 |
| 5-50317 Л | Шариковый радиальный однорядный подшипник. Сепаратор из латуни.. | 85.00 | 180.00 | 41.00 |
| 6-176317 Е | Шариковый радиально-упорный однорядный подшипник. Сепаратор из текстолита.. | 85.00 | 180.00 | 41.00 |
| 6-180317 Ш2У | Шариковый радиальный однорядный подшипник. Дополнительные технические требования. Нормы шумности. | 85.00 | 180.00 | 41.00 |
Способы доставки
Отправка через ведущие транспортные и курьерские компании: ПЭК, Деловые Линии, СДЭК, Байкал-Сервис, Энергия, КИТ, ЖелДорЭкспедиция.
Самовывоз возможен напрямую со склада в Москве.
Сроки доставки
Срок зависит от региона и выбранной транспортной компании. Все заказы комплектуются и отправляются в кратчайшие сроки со склада в Москве.
Надёжность и сохранность
Вся продукция упаковывается с учётом требований транспортировки. Мы гарантируем, что подшипники и комплектующие прибудут к заказчику в полной сохранности.
Доставка в страны ЕАЭС
Мы работаем с проверенными логистическими партнёрами, что позволяет оперативно доставлять заказы в Беларусь, Казахстан, Армению и другие страны ЕАЭС.
Варианты оплаты:
Минимальная сумма заказа и скидки:
Документы и гарантии:
Да, конечно! Наши технические специалисты готовы помочь вам с подбором точного аналога или замены подшипника. Просто позвоните нам по телефону +7 (495) 104-99-04 или напишите на почту zakaz@podsnab.ru.
Для оперативной консультации подготовьте, пожалуйста, имеющиеся данные: маркировку, размеры, тип оборудования или артикул старого подшипника.
Да, конечно! Мы высоко ценим долгосрочное сотрудничество и доверие клиентов по всей России. Для постоянных клиентов действует персональная система скидок.
Условия формируются индивидуально и зависят от:
Чтобы узнать свои условия и получить максимально выгодное предложение, свяжитесь с персональным менеджером или напишите нам на почту zakaz@podsnab.ru.
Вы можете оформить заказ несколькими способами:
Для оформления заказа от юридического лица свяжитесь с нашим отделом по работе с корпоративными клиентами по телефону +7 (495) 104-99-04 или напишите на email zakaz@podsnab.ru, прикрепив реквизиты вашей организации.
Мы оперативно подготовим коммерческое предложение и выставим счет.
Возврат товара надлежащего качества возможен в течение 10 дней с момента получения, если товар не был в употреблении, сохранен товарный вид, упаковка не вскрывалась и присутствуют все сопроводительные документы.
Возврат денежных средств осуществляется в течение 10 рабочих дней после проверки товара складом.
В соответствии с законодательством возврату не подлежат подшипники надлежащего качества, если отсутствует оригинальная упаковка или имеются следы монтажа.
В случае выявления брака или гарантийного случая мы гарантируем возврат или обмен товара.
Да, гарантийный срок хранения устанавливается заводом-изготовителем и в среднем составляет 2 года при соблюдении условий хранения: сухое помещение, оригинальная упаковка и смазка.
Точный срок для конкретного типа подшипника уточняйте у наших менеджеров.
Пн–Пт: с 8:00 до 17:00 (МСК).
Сб–Вс: выходные дни.
Заказы на сайте принимаются круглосуточно. Заявки, поступившие после окончания рабочего дня, обрабатываются на следующий рабочий день.
Минимальная сумма заказа для доставки составляет 3000 рублей. Самовывоз со склада возможен на любую сумму при наличии товара.
ООО «УралТехГрупп»
ИНН: 7415093830
КПП: 772401001
ОГРН: 1167456069021
Банк: ПАО Сбербанк
Р/с: 40702810838000475273
К/с: 30101810400000000225
БИК: 044525225
У подшипника 42317-АЕ пока нет отзывов. Вы можете стать первым покупателем, поделившимся своим мнением.