Поиск подшипника
Статьи
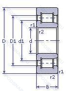
42322-М — Роликовый радиальный однорядный подшипник, модификация основного исполнения 42322, производство ГПЗ.
Размер подшипника: 110x240x50 мм.
Модифицированный контакт.
Государственный стандарт ГОСТ
42322М
В наличии
| Обозначение | Конструктивные изменения |
|---|---|
| 20-42322 ЛМW3 | Детали из вакуумированной стали.. Сепаратор из латуни.. Модифицированный контакт.. |
| 42322-Л1М | Модифицированный контакт.. Сепаратор из латуни.. |
| 6-42322 ЛМШ1 | Сепаратор из латуни.. Модифицированный контакт.. Нормы шумности. |
| 6-42322 ЛМШ | Сепаратор из латуни.. Модифицированный контакт.. Нормы шумности. |
| 42322 | Роликовый радиальный однорядный подшипник. Основное конструктивное исполнение. |
| 20-42322 ЛМ | Сепаратор из латуни.. Модифицированный контакт.. |
| 20-42322 М | Модифицированный контакт.. |
| 26-42322 ЛМ | Сепаратор из латуни.. Модифицированный контакт.. |
| 8-42322 ЛМ | Сепаратор из латуни.. Модифицированный контакт.. |
| 6-42322 Л | Сепаратор из латуни.. |
| 70-42322 ЛМ | Сепаратор из латуни.. Модифицированный контакт.. |
| 42322-Л | Сепаратор из латуни.. |
| 42322-ЛМ | Сепаратор из латуни.. Модифицированный контакт.. |
Модификации роликового подшипника 42322-М — это измененное основное конструктивное исполнение 42322, основные размеры (110x240x50) не отличаются.
| Обозначение | Гост | Конструктивные особенности |
|---|---|---|
| NF322 E | ISO | Повышенная грузоподъемность. |
| NH322 E | ISO | Повышенная грузоподъемность. |
| NJ322E | ISO | Повышенная грузоподъемность. |
| NP322 E | ISO | Повышенная грузоподъемность. |
| NH322 | ISO | Канавка под стопорное кольцо на наружном кольце подшипника. |
| NP 322 | ISO | Канавка под стопорное кольцо на наружном кольце подшипника. |
| NJ322R | ISO | С выпуклыми асимметричными роликами и обработанным сепаратором. |
| NUP322R | ISO | С выпуклыми асимметричными роликами и обработанным сепаратором. |
| NJ322-E-TVP3+HJ322-E | ISO | Повышенная грузоподъемность. Цельный сепаратор из полиамида PA66-GF25. сепаратор оконного типа. направляемый телами качения. |
| NJ322-E-TVP3 | ISO | Повышенная грузоподъемность. Цельный сепаратор из полиамида PA66-GF25. сепаратор оконного типа. направляемый телами качения. |
| NJ322-E-MA6+HJ322-E | ISO | Повышенная грузоподъемность. Изготовленный из двух частей латунный сепаратор. Центрирование по внешнему кольцу. Различные конструкции или сорта материалов обозначаются цифрой или буквой.. |
| NJ322-E-MPA | ISO | Повышенная грузоподъемность. Твердый латунный сепаратор. |
| NJ322-E-M6+HJ322-E | ISO | Повышенная грузоподъемность. 20-28 UM (C3 & C4). |
| NJ322-E-MPA+HJ322-E | ISO | Повышенная грузоподъемность. Твердый латунный сепаратор. |
| 8-32322 М | ГОСТ | Модифицированный контакт.. |
| 80-32322 М | ГОСТ | Модифицированный контакт.. |
| 6-2846-Л | ГОСТ | Сепаратор из латуни.. |
| 6-32322 МШ2 | ГОСТ | Модифицированный контакт.. Нормы шумности. |
| 7-2322 Л1 | ГОСТ | Сепаратор из латуни.. |
| 70-32322 М | ГОСТ | Модифицированный контакт.. |
Аналог роликового подшипника 42322-М — это подшипник такого же размера dx110,Dx240,Bx50, типа и конструкции.
| Обозначение | Конструктивные особенности | Внутренний (d) | Наружный (D) | Ширина (B) |
|---|---|---|---|---|
| 76-32322 М | Роликовый радиальный подшипник. Модифицированный контакт.. | 110.00 | 240.00 | 50.00 |
| 8-111322 Л | Шариковый радиальный двухрядный подшипник. Сепаратор из латуни.. | 110.00 | 240.00 | 50.00 |
| 6322LLB | Шариковый радиальный однорядный подшипник. Уплотнение бесконтактного типа из синтетического каучука. | 22.00 | 56.00 | 50.00 |
| 170322-А | Шариковый радиальный однорядный подшипник. Повышенная грузоподъемность. | 110.00 | 240.00 | 50.00 |
| 322-А | Шариковый радиальный однорядный подшипник. Повышенная грузоподъемность. | 110.00 | 240.00 | 50.00 |
| 322-Ш2У | Шариковый радиальный однорядный подшипник. Дополнительные технические требования. Нормы шумности. | 110.00 | 240.00 | 50.00 |
| 1322K+H322 | Шариковый сферический двухрядный подшипник. Коническое внутреннее отверстие. | 110.00 | 240.00 | 50.00 |
| 1322S | Шариковый сферический двухрядный подшипник. Запечатанная версия кулачкового ролика. | 110.00 | 240.00 | 50.00 |
| 1322SK | Шариковый сферический двухрядный подшипник. Кулачковый толкатель штифтового типа. С шестигранной головкой. | 110.00 | 240.00 | 50.00 |
| 46322-Л | Шариковый радиально-упорный однорядный подшипник. Сепаратор из латуни.. | 110.00 | 240.00 | 50.00 |
| 46322К | Шариковый радиально-упорный однорядный подшипник. «Замок» (скос) на внутреннем кольце плюс массивный сепаратор из текстолита. | 110.00 | 240.00 | 50.00 |
| 466322ЛУ21 | Шариковый радиально-упорный сдвоенный подшипник. Сепаратор из латуни.. Дополнительные технические требования. | 110.00 | 240.00 | 50.00 |
| 532322-К1 | Роликовый радиальный цилиндрический подшипник. Кольцевая проточка на середине цилиндрической наружной поверхности наружного кольца плюс три отверстия для смазки. | 110.00 | 240.00 | 50.00 |
| 53622-НЕ | Роликовый радиальный двухрядный подшипник. Сепаратор из текстолита.. Детали из теплостойкой стали. | 110.00 | 240.00 | 50.00 |
| 576322Л | Шариковый радиально-упорный двухрядный подшипник. Сепаратор из латуни.. | 110.00 | 240.00 | 50.00 |
Способы доставки
Отправка через ведущие транспортные и курьерские компании: ПЭК, Деловые Линии, СДЭК, Байкал-Сервис, Энергия, КИТ, ЖелДорЭкспедиция.
Самовывоз возможен напрямую со склада в Москве.
Сроки доставки
Срок зависит от региона и выбранной транспортной компании. Все заказы комплектуются и отправляются в кратчайшие сроки со склада в Москве.
Надёжность и сохранность
Вся продукция упаковывается с учётом требований транспортировки. Мы гарантируем, что подшипники и комплектующие прибудут к заказчику в полной сохранности.
Доставка в страны ЕАЭС
Мы работаем с проверенными логистическими партнёрами, что позволяет оперативно доставлять заказы в Беларусь, Казахстан, Армению и другие страны ЕАЭС.
Варианты оплаты:
Минимальная сумма заказа и скидки:
Документы и гарантии:
Да, конечно! Наши технические специалисты готовы помочь вам с подбором точного аналога или замены подшипника. Просто позвоните нам по телефону +7 (495) 104-99-04 или напишите на почту zakaz@podsnab.ru.
Для оперативной консультации подготовьте, пожалуйста, имеющиеся данные: маркировку, размеры, тип оборудования или артикул старого подшипника.
Да, конечно! Мы высоко ценим долгосрочное сотрудничество и доверие клиентов по всей России. Для постоянных клиентов действует персональная система скидок.
Условия формируются индивидуально и зависят от:
Чтобы узнать свои условия и получить максимально выгодное предложение, свяжитесь с персональным менеджером или напишите нам на почту zakaz@podsnab.ru.
Вы можете оформить заказ несколькими способами:
Для оформления заказа от юридического лица свяжитесь с нашим отделом по работе с корпоративными клиентами по телефону +7 (495) 104-99-04 или напишите на email zakaz@podsnab.ru, прикрепив реквизиты вашей организации.
Мы оперативно подготовим коммерческое предложение и выставим счет.
Возврат товара надлежащего качества возможен в течение 10 дней с момента получения, если товар не был в употреблении, сохранен товарный вид, упаковка не вскрывалась и присутствуют все сопроводительные документы.
Возврат денежных средств осуществляется в течение 10 рабочих дней после проверки товара складом.
В соответствии с законодательством возврату не подлежат подшипники надлежащего качества, если отсутствует оригинальная упаковка или имеются следы монтажа.
В случае выявления брака или гарантийного случая мы гарантируем возврат или обмен товара.
Да, гарантийный срок хранения устанавливается заводом-изготовителем и в среднем составляет 2 года при соблюдении условий хранения: сухое помещение, оригинальная упаковка и смазка.
Точный срок для конкретного типа подшипника уточняйте у наших менеджеров.
Пн–Пт: с 8:00 до 17:00 (МСК).
Сб–Вс: выходные дни.
Заказы на сайте принимаются круглосуточно. Заявки, поступившие после окончания рабочего дня, обрабатываются на следующий рабочий день.
Минимальная сумма заказа для доставки составляет 3000 рублей. Самовывоз со склада возможен на любую сумму при наличии товара.
ООО «УралТехГрупп»
ИНН: 7415093830
КПП: 772401001
ОГРН: 1167456069021
Банк: ПАО Сбербанк
Р/с: 40702810838000475273
К/с: 30101810400000000225
БИК: 044525225
У подшипника 42322-М пока нет отзывов. Вы можете стать первым покупателем, поделившимся своим мнением.