Поиск подшипника
Статьи
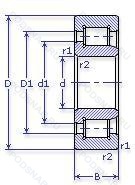
42411-М — Роликовый радиальный однорядный подшипник, модификация основного исполнения 42411, производство ГПЗ.
Размер подшипника: 55x140x33 мм.
Модифицированный контакт.
Аналоги: NJ411MA.
Государственный стандарт ГОСТ
42411М
В наличии
| Обозначение | Конструктивные изменения |
|---|---|
| 42411 | Роликовый радиальный однорядный подшипник. Основное конструктивное исполнение. |
| 42411M | Подшипник с латунным сепаратором. центрированный по телам качения. |
Модификации роликового подшипника 42411-М — это измененное основное конструктивное исполнение 42411, основные размеры (55x140x33) не отличаются.
| Обозначение | Гост | Конструктивные особенности |
|---|---|---|
| 8-2411 М | ГОСТ | Модифицированный контакт.. |
| 2411 | ГОСТ | Роликовый радиальный однорядный подшипник. |
| 32411 | ГОСТ | Роликовый радиальный однорядный подшипник. |
| 62411 | ГОСТ | Роликовый радиальный однорядный подшипник. |
| 92411 | ГОСТ | Роликовый радиальный однорядный подшипник. |
| 102411 | ГОСТ | Роликовый радиальный однорядный подшипник. |
| 2411-КМ | ГОСТ | Кольцевая проточка на середине цилиндрической наружной поверхности наружного кольца плюс три отверстия для смазки. Модифицированный контакт.. |
| 2411-Л | ГОСТ | Сепаратор из латуни.. |
| 2411-М | ГОСТ | Модифицированный контакт.. |
| 2411KM | ГОСТ | Type Of Model. |
| 2411M | ГОСТ | Подшипник с латунным сепаратором. центрированный по телам качения. |
| 2411ЛM | ГОСТ | Подшипник с латунным сепаратором. центрированный по телам качения. Сепаратор из латуни.. |
| 32411M | ГОСТ | Подшипник с латунным сепаратором. центрированный по телам качения. |
| NH411 | ISO | Канавка под стопорное кольцо на наружном кольце подшипника. |
| NP 411 | ISO | Канавка под стопорное кольцо на наружном кольце подшипника. |
| NJ411-M1 + HJ411 | ISO | Механически обработанный латунный сепаратор. вращающийся элемент качения (крестовина на заклепках). |
| NJ411-M+HJ411 | ISO | Подшипник с латунным сепаратором. центрированный по телам качения. |
| 8-2411 КМ | ГОСТ | Модифицированный контакт.. |
| 402411KMУ | ГОСТ | Type Of Model. Дополнительные технические требования. |
Аналог роликового подшипника 42411-М — это подшипник такого же размера dx55,Dx140,Bx33, типа и конструкции.
| Обозначение | Конструктивные особенности | Внутренний (d) | Наружный (D) | Ширина (B) |
|---|---|---|---|---|
| NUP411-XL-M1-P6-F1-C3 | Однорядный цилиндрический роликовый подшипник. Внутренний зазор больше нормального. Серия X-Life премиум-класс. увеличиный срок службы. Механически обработанный латунный сепаратор. вращающийся элемент качения (крестовина на заклепках). Спецификация производства и контроля FAG для цилиндрических роликоподшипников в тяговых двигателях. Размерные и геометрические допуски соответствуют классу точности P6. | 55.00 | 140.00 | 33.00 |
| 6411.2RSR.C3 | Подшипник однорядный шариковый радиальный. Внутренний зазор больше нормального. Резиновые уплотнения с каждой стороны подшипника. | 55.00 | 140.00 | 33.00 |
| 402411-КШУ | Роликовый радиальный цилиндрический однорядный подшипник. Кольцевая проточка на середине цилиндрической наружной поверхности наружного кольца плюс три отверстия для смазки. Дополнительные технические требования. Нормы шумности. | 55.00 | 140.00 | 33.00 |
| 7411PW | Шариковый радиально-упорный однорядный подшипник. Контактная поверхность скольжения Сталь/PTFE. | 55.00 | 140.00 | 33.00 |
| 7411 A | Шариковый радиально-упорный однорядный подшипник. Двухрядный радиально-упорный шарикоподшипник без отверстия для смазки. | 55.00 | 140.00 | 33.00 |
| 6-50411 А | Шариковый радиальный однорядный подшипник. Повышенная грузоподъемность. | 55.00 | 140.00 | 33.00 |
| 50411-А | Шариковый радиальный однорядный подшипник. Повышенная грузоподъемность. | 55.00 | 140.00 | 33.00 |
| 6-50411 АШ1 | Шариковый радиальный однорядный подшипник. Повышенная грузоподъемность. Нормы шумности. | 55.00 | 140.00 | 33.00 |
| 6-50411 АШ | Шариковый радиальный однорядный подшипник. Повышенная грузоподъемность. Нормы шумности. | 55.00 | 140.00 | 33.00 |
| 6-50411 Ш | Шариковый радиальный однорядный подшипник. Нормы шумности. | 55.00 | 140.00 | 33.00 |
| 76-50411 АШ | Шариковый радиальный однорядный подшипник. Повышенная грузоподъемность. Нормы шумности. | 55.00 | 140.00 | 33.00 |
| 692411-КМ | Роликовый радиальный цилиндрический однорядный подшипник. Кольцевая проточка на середине цилиндрической наружной поверхности наружного кольца плюс три отверстия для смазки. Модифицированный контакт.. | 55.00 | 140.00 | 33.00 |
| 402411-КМУ | Роликовый радиальный цилиндрический подшипник. Кольцевая проточка на середине цилиндрической наружной поверхности наружного кольца плюс три отверстия для смазки. Дополнительные технические требования. Модифицированный контакт.. | 55.00 | 140.00 | 33.00 |
| 411-У | Шариковый радиальный однорядный подшипник. Дополнительные технические требования. | 55.00 | 140.00 | 33.00 |
| 50411-У | Шариковый радиальный однорядный подшипник. Дополнительные технические требования. | 55.00 | 140.00 | 33.00 |
Способы доставки
Отправка через ведущие транспортные и курьерские компании: ПЭК, Деловые Линии, СДЭК, Байкал-Сервис, Энергия, КИТ, ЖелДорЭкспедиция.
Самовывоз возможен напрямую со склада в Москве.
Сроки доставки
Срок зависит от региона и выбранной транспортной компании. Все заказы комплектуются и отправляются в кратчайшие сроки со склада в Москве.
Надёжность и сохранность
Вся продукция упаковывается с учётом требований транспортировки. Мы гарантируем, что подшипники и комплектующие прибудут к заказчику в полной сохранности.
Доставка в страны ЕАЭС
Мы работаем с проверенными логистическими партнёрами, что позволяет оперативно доставлять заказы в Беларусь, Казахстан, Армению и другие страны ЕАЭС.
Варианты оплаты:
Минимальная сумма заказа и скидки:
Документы и гарантии:
Да, конечно! Наши технические специалисты готовы помочь вам с подбором точного аналога или замены подшипника. Просто позвоните нам по телефону +7 (495) 104-99-04 или напишите на почту zakaz@podsnab.ru.
Для оперативной консультации подготовьте, пожалуйста, имеющиеся данные: маркировку, размеры, тип оборудования или артикул старого подшипника.
Да, конечно! Мы высоко ценим долгосрочное сотрудничество и доверие клиентов по всей России. Для постоянных клиентов действует персональная система скидок.
Условия формируются индивидуально и зависят от:
Чтобы узнать свои условия и получить максимально выгодное предложение, свяжитесь с персональным менеджером или напишите нам на почту zakaz@podsnab.ru.
Вы можете оформить заказ несколькими способами:
Для оформления заказа от юридического лица свяжитесь с нашим отделом по работе с корпоративными клиентами по телефону +7 (495) 104-99-04 или напишите на email zakaz@podsnab.ru, прикрепив реквизиты вашей организации.
Мы оперативно подготовим коммерческое предложение и выставим счет.
Возврат товара надлежащего качества возможен в течение 10 дней с момента получения, если товар не был в употреблении, сохранен товарный вид, упаковка не вскрывалась и присутствуют все сопроводительные документы.
Возврат денежных средств осуществляется в течение 10 рабочих дней после проверки товара складом.
В соответствии с законодательством возврату не подлежат подшипники надлежащего качества, если отсутствует оригинальная упаковка или имеются следы монтажа.
В случае выявления брака или гарантийного случая мы гарантируем возврат или обмен товара.
Да, гарантийный срок хранения устанавливается заводом-изготовителем и в среднем составляет 2 года при соблюдении условий хранения: сухое помещение, оригинальная упаковка и смазка.
Точный срок для конкретного типа подшипника уточняйте у наших менеджеров.
Пн–Пт: с 8:00 до 17:00 (МСК).
Сб–Вс: выходные дни.
Заказы на сайте принимаются круглосуточно. Заявки, поступившие после окончания рабочего дня, обрабатываются на следующий рабочий день.
Минимальная сумма заказа для доставки составляет 3000 рублей. Самовывоз со склада возможен на любую сумму при наличии товара.
ООО «УралТехГрупп»
ИНН: 7415093830
КПП: 772401001
ОГРН: 1167456069021
Банк: ПАО Сбербанк
Р/с: 40702810838000475273
К/с: 30101810400000000225
БИК: 044525225
У подшипника 42411-М пока нет отзывов. Вы можете стать первым покупателем, поделившимся своим мнением.