Поиск подшипника
Статьи
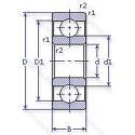
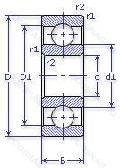
С8-321 Л — Шариковый радиальный однорядный подшипник, модификация основного исполнения 321, производство ГПЗ.
Размер подшипника: 105x225x49 мм.
Сепаратор из латуни.
Государственный стандарт ГОСТ
С8321Л
В наличии
| Обозначение | Конструктивные изменения |
|---|---|
| 321/500 | Шариковый радиальный однорядный подшипник. |
| 321/530 | Шариковый радиальный однорядный подшипник. |
| 8-321 Л | Сепаратор из латуни.. |
| 321 | Шариковый радиальный однорядный подшипник. Основное конструктивное исполнение. |
| 2В0-321 Л | Сепаратор из латуни.. |
| 321-Л | Сепаратор из латуни.. |
Модификации шарикового подшипника С8-321 Л — это измененное основное конструктивное исполнение 321, основные размеры (105x225x49) не отличаются.
| Обозначение | Гост | Конструктивные особенности |
|---|---|---|
| 6321-RS | ISO | Резиновое уплотнение с одной стороны. |
| 6321-Z | ISO | Стальная шайба. |
| 6321-2RU | ISO | Non Contact Type Friction Torque = Small High Speed Performance = Good Grease Sealing = Better Than ZZ-Type Dirt Resistance = Better Than ZZ-Type Water Resistance = Better Than ZZ / Inferior To 2RS Operating Temp. -30°C To + 100°C. |
| 6321ZX | ISO | Съемная защитная шайба с одной стороны. |
| 6321NR | ISO | Канавка и стопорное кольцо на наружном кольце. |
| 6321LLU | ISO | Контактное резиновое уплотнение с двух сторон. |
| 6321N | ISO | Канавка для стопорного кольца на наружном кольце. |
Аналог шарикового подшипника С8-321 Л — это подшипник такого же размера dx105,Dx225,Bx49, типа и конструкции.
| Обозначение | Конструктивные особенности | Внутренний (d) | Наружный (D) | Ширина (B) |
|---|---|---|---|---|
| NJ321-E-MA6+HJ321-E | Роликовый радиальный однорядный подшипник. Повышенная грузоподъемность. Изготовленный из двух частей латунный сепаратор. Центрирование по внешнему кольцу. Различные конструкции или сорта материалов обозначаются цифрой или буквой.. | 105.00 | 225.00 | 49.00 |
| NJ321-E-MPA+HJ321-E | Роликовый радиальный однорядный подшипник. Повышенная грузоподъемность. Твердый латунный сепаратор. | 105.00 | 225.00 | 49.00 |
| 7321 BECAM | Шариковый радиально-упорный подшипник. Измененная или модифицированная внутренняя конструкция при неизменных основных размерах. | 105.00 | 225.00 | 49.00 |
| 7321DF | Шариковый радиально-упорный двухрядный подшипник. Комплект из двух подшипников. согласованных для установки по Х-образной схеме. Число. следующее непосредственно после букв DF. обозначает конструкцию промежуточного кольца. | 105.00 | 225.00 | 49.00 |
| 7321DB | Шариковый радиально-упорный двухрядный подшипник. Two Single Row Deep Groove Ball Bearings. Single Row Angular Contact Ball Bearings Or Single Row Tapered Roller Bearings Matched For Mounting In A Back-To-Back Arrangement. | 105.00 | 225.00 | 49.00 |
| 7321DT | Шариковый радиально-упорный двухрядный подшипник. Дуплексные подшипники для установки в тандеме. | 105.00 | 225.00 | 49.00 |
| QJ321WC4 | Шариковый радиально-упорный однорядный подшипник. Угол контакта 15°. | 105.00 | 225.00 | 49.00 |
| 7321WN MBR | Шариковый радиально-упорный однорядный подшипник. Sizes 7201K Through 7203WN Have A 20° Угол контакта And A Nylon Cage. Sizes 7204WN through 7218WN have a 40° Угол контакта And A One-Piece. Ball Piloted. Pressed Brass Cage. Larger Sizes 7219WN Through 7230WN Have A 40° Угол контакта And A One-Piece. Outer Ring Piloted High-Strength Machined Bronze Cage. Механически обработанный бронзовый фиксатор. | 105.00 | 225.00 | 49.00 |
| 7321C | Шариковый радиально-упорный однорядный подшипник. Угол контакта 15°. | 105.00 | 225.00 | 49.00 |
| QJ 321 | Шариковый радиально-упорный однорядный подшипник. Штампованный сепаратор из стального листа. Шариковый подшипник с четырех-точечным контактом. | 105.00 | 225.00 | 49.00 |
| 7321-BE-MP | Шариковый радиально-упорный однорядный подшипник. Single Row Angular Contact Ball Bearing With A 40° Угол контакта And Optimized Internal Design. Массивный латунный сепаратор. центрированный по телам качения. | 105.00 | 225.00 | 49.00 |
| 66321-АЛ1 | Шариковый радиально-упорный однорядный подшипник. Сепаратор из латуни.. Повышенная грузоподъемность. | 105.00 | 225.00 | 49.00 |
| 1321K+H321 | Шариковый сферический двухрядный подшипник. Коническое внутреннее отверстие. | 105.00 | 225.00 | 49.00 |
| 1321K | Шариковый сферический двухрядный подшипник. Коническое внутреннее отверстие. | 105.00 | 225.00 | 49.00 |
| 1321S | Шариковый сферический двухрядный подшипник. Запечатанная версия кулачкового ролика. | 105.00 | 225.00 | 49.00 |
Способы доставки
Отправка через ведущие транспортные и курьерские компании: ПЭК, Деловые Линии, СДЭК, Байкал-Сервис, Энергия, КИТ, ЖелДорЭкспедиция.
Самовывоз возможен напрямую со склада в Москве.
Сроки доставки
Срок зависит от региона и выбранной транспортной компании. Все заказы комплектуются и отправляются в кратчайшие сроки со склада в Москве.
Надёжность и сохранность
Вся продукция упаковывается с учётом требований транспортировки. Мы гарантируем, что подшипники и комплектующие прибудут к заказчику в полной сохранности.
Доставка в страны ЕАЭС
Мы работаем с проверенными логистическими партнёрами, что позволяет оперативно доставлять заказы в Беларусь, Казахстан, Армению и другие страны ЕАЭС.
Варианты оплаты:
Минимальная сумма заказа и скидки:
Документы и гарантии:
Да, конечно! Наши технические специалисты готовы помочь вам с подбором точного аналога или замены подшипника. Просто позвоните нам по телефону +7 (495) 104-99-04 или напишите на почту zakaz@podsnab.ru.
Для оперативной консультации подготовьте, пожалуйста, имеющиеся данные: маркировку, размеры, тип оборудования или артикул старого подшипника.
Да, конечно! Мы высоко ценим долгосрочное сотрудничество и доверие клиентов по всей России. Для постоянных клиентов действует персональная система скидок.
Условия формируются индивидуально и зависят от:
Чтобы узнать свои условия и получить максимально выгодное предложение, свяжитесь с персональным менеджером или напишите нам на почту zakaz@podsnab.ru.
Вы можете оформить заказ несколькими способами:
Для оформления заказа от юридического лица свяжитесь с нашим отделом по работе с корпоративными клиентами по телефону +7 (495) 104-99-04 или напишите на email zakaz@podsnab.ru, прикрепив реквизиты вашей организации.
Мы оперативно подготовим коммерческое предложение и выставим счет.
Возврат товара надлежащего качества возможен в течение 10 дней с момента получения, если товар не был в употреблении, сохранен товарный вид, упаковка не вскрывалась и присутствуют все сопроводительные документы.
Возврат денежных средств осуществляется в течение 10 рабочих дней после проверки товара складом.
В соответствии с законодательством возврату не подлежат подшипники надлежащего качества, если отсутствует оригинальная упаковка или имеются следы монтажа.
В случае выявления брака или гарантийного случая мы гарантируем возврат или обмен товара.
Да, гарантийный срок хранения устанавливается заводом-изготовителем и в среднем составляет 2 года при соблюдении условий хранения: сухое помещение, оригинальная упаковка и смазка.
Точный срок для конкретного типа подшипника уточняйте у наших менеджеров.
Пн–Пт: с 8:00 до 17:00 (МСК).
Сб–Вс: выходные дни.
Заказы на сайте принимаются круглосуточно. Заявки, поступившие после окончания рабочего дня, обрабатываются на следующий рабочий день.
Минимальная сумма заказа для доставки составляет 3000 рублей. Самовывоз со склада возможен на любую сумму при наличии товара.
ООО «УралТехГрупп»
ИНН: 7415093830
КПП: 772401001
ОГРН: 1167456069021
Банк: ПАО Сбербанк
Р/с: 40702810838000475273
К/с: 30101810400000000225
БИК: 044525225
У подшипника С8-321 Л пока нет отзывов. Вы можете стать первым покупателем, поделившимся своим мнением.