Поиск подшипника
Статьи
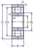
80-903 Е — Шариковый радиальный однорядный подшипник, модификация основного исполнения 903, производство ГПЗ.
Размер подшипника: 17x35x7 мм.
Сепаратор из текстолита.
Государственный стандарт ГОСТ
80903Е
В наличии
| Обозначение | Конструктивные изменения |
|---|---|
| 903-Е | Сепаратор из текстолита.. |
| 88-903 Е | Сепаратор из текстолита.. |
| 903 | Шариковый радиальный однорядный подшипник. Основное конструктивное исполнение. |
| 36-903 ЕШ1 | Сепаратор из текстолита.. Нормы шумности. |
| 36-903 ЕШ | Сепаратор из текстолита.. Нормы шумности. |
Модификации шарикового подшипника 80-903 Е — это измененное основное конструктивное исполнение 903, основные размеры (17x35x7) не отличаются.
| Обозначение | Гост | Конструктивные особенности |
|---|---|---|
| 6-7000103 АШ1 | ГОСТ | Повышенная грузоподъемность. Нормы шумности. |
| 6-7000103 АШ | ГОСТ | Повышенная грузоподъемность. Нормы шумности. |
| 6-7000103 БТ2 | ГОСТ | 200°. Температура отпуска. Сепаратор из безоловянистой бронзы.. |
| 6-7000103 Ю | ГОСТ | Все детали или часть деталей из нержавеющей стали.. |
| 7000103-А | ГОСТ | Повышенная грузоподъемность. |
| 7000103-Б | ГОСТ | Сепаратор из безоловянистой бронзы.. |
| 7000103-К | ГОСТ | «Замок» (скос) на внутреннем кольце плюс массивный сепаратор из текстолита. |
| 7000103.2RS | ГОСТ | Резиновые уплотнения с каждой стороны подшипника. |
| 75-7000103 Б | ГОСТ | Сепаратор из безоловянистой бронзы.. |
| 75-7000103 БТ2 | ГОСТ | 200°. Температура отпуска. Сепаратор из безоловянистой бронзы.. |
| 75-7000103 Р | ГОСТ | Детали из теплоустойчивой (быстрорежущие) стали.. |
| 75-7000103 Т2 | ГОСТ | 200°. Температура отпуска. |
| 16003/16 | ISO | 01. |
| S16003-2Z | ISO | Защитные металлические шайбы с обеих сторон подшипника. |
| 05-7000103 Т2 | ГОСТ | 200°. Температура отпуска. |
| 05-7000103 УП | ГОСТ | Дополнительные технические требования. |
| 5-7000103 Б | ГОСТ | Сепаратор из безоловянистой бронзы.. |
| 5-7000103 БТ2 | ГОСТ | 200°. Температура отпуска. Сепаратор из безоловянистой бронзы.. |
| 5-7000103 ОР3 | ГОСТ | Детали из теплоустойчивой (быстрорежущие) стали.. |
| 5-7000103 Р | ГОСТ | Детали из теплоустойчивой (быстрорежущие) стали.. |
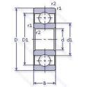
Аналог шарикового подшипника 80-903 Е — это подшипник такого же размера dx17,Dx35,Bx7, типа и конструкции.
| Обозначение | Конструктивные особенности | Внутренний (d) | Наружный (D) | Ширина (B) |
|---|---|---|---|---|
| 16003-A | Подшипник однорядный шариковый радиальный. Модификация внутренней конструкции. | 17.00 | 35.00 | 8.00 |
| 16003-2Z-C3 | Подшипник однорядный шариковый радиальный. Внутренний зазор больше нормального. Защитные стальные шайбы с обеих сторон. | 17.00 | 35.00 | 8.00 |
| 16003-A-2Z-C3 | Подшипник однорядный шариковый радиальный. Внутренний зазор больше нормального. Модификация внутренней конструкции. Защитные металлические шайбы с обеих сторон. | 17.00 | 35.00 | 8.00 |
| 16003-A-2Z-L212 | Подшипник однорядный шариковый радиальный. Модификация внутренней конструкции. Защитные металлические шайбы с обеих сторон. Temperature Range -45°C / 180°C. Longtime Limit Temperature 110°C. | 17.00 | 35.00 | 8.00 |
| PLC03-29-1 | Подшипник шариковый однорядный радиально-упорный. Number Of Carriages Per Rail Track. 1.13/16. | 18.00 | 35.00 | 7.80 |
| 16003-A-2RSR | Подшипник однорядный шариковый радиальный. Модификация внутренней конструкции. Резиновые уплотнения с каждой стороны подшипника. | 17.00 | 35.00 | 8.00 |
| 16003CM | Подшипник однорядный шариковый радиальный. Шариковый подшипник. Специальный радиальный внутренний зазор для электродвигателей. | 17.00 | 35.00 | 8.00 |
| 16003-A-2Z | Подшипник однорядный шариковый радиальный. Модификация внутренней конструкции. Защитные металлические шайбы с обеих сторон. | 17.00 | 35.00 | 8.00 |
| 16003/16C3 | Подшипник однорядный шариковый радиальный. Внутренний зазор больше нормального. | 16.00 | 35.00 | 8.00 |
| 16003-A-2RSR-C3 | Подшипник однорядный шариковый радиальный. Внутренний зазор больше нормального. Модификация внутренней конструкции. Резиновые уплотнения с каждой стороны подшипника. | 17.00 | 35.00 | 8.00 |
| K16003POM/PA/GLASS | Подшипник однорядный шариковый радиальный. Полимер. Polyamide PA6.6 Glass Fibre Reinforced. Roller Guided. Window Type Cage Extruded. Стеклянные тела качения. | 17.00 | 35.00 | 8.00 |
| F16003-C3 | Подшипник однорядный шариковый радиальный. Внутренний зазор больше нормального. | 17.00 | 35.00 | 8.00 |
| ARXJ18X35.4X6.2 | Роликовый игольчатый подшипник однорядный. Изменённая фаска. | 18.00 | 35.40 | 6.20 |
| ARXJ18X34.6X6.2 | Роликовый игольчатый подшипник однорядный. Изменённая фаска. | 18.00 | 34.60 | 6.20 |
| ARXJ18X35X6.2 | Роликовый игольчатый подшипник однорядный. ISO Tolerance Class ABEC.9. Изменённая фаска. | 18.00 | 35.00 | 6.20 |
Способы доставки
Отправка через ведущие транспортные и курьерские компании: ПЭК, Деловые Линии, СДЭК, Байкал-Сервис, Энергия, КИТ, ЖелДорЭкспедиция.
Самовывоз возможен напрямую со склада в Москве.
Сроки доставки
Срок зависит от региона и выбранной транспортной компании. Все заказы комплектуются и отправляются в кратчайшие сроки со склада в Москве.
Надёжность и сохранность
Вся продукция упаковывается с учётом требований транспортировки. Мы гарантируем, что подшипники и комплектующие прибудут к заказчику в полной сохранности.
Доставка в страны ЕАЭС
Мы работаем с проверенными логистическими партнёрами, что позволяет оперативно доставлять заказы в Беларусь, Казахстан, Армению и другие страны ЕАЭС.
Варианты оплаты:
Минимальная сумма заказа и скидки:
Документы и гарантии:
Да, конечно! Наши технические специалисты готовы помочь вам с подбором точного аналога или замены подшипника. Просто позвоните нам по телефону +7 (495) 104-99-04 или напишите на почту zakaz@podsnab.ru.
Для оперативной консультации подготовьте, пожалуйста, имеющиеся данные: маркировку, размеры, тип оборудования или артикул старого подшипника.
Да, конечно! Мы высоко ценим долгосрочное сотрудничество и доверие клиентов по всей России. Для постоянных клиентов действует персональная система скидок.
Условия формируются индивидуально и зависят от:
Чтобы узнать свои условия и получить максимально выгодное предложение, свяжитесь с персональным менеджером или напишите нам на почту zakaz@podsnab.ru.
Вы можете оформить заказ несколькими способами:
Для оформления заказа от юридического лица свяжитесь с нашим отделом по работе с корпоративными клиентами по телефону +7 (495) 104-99-04 или напишите на email zakaz@podsnab.ru, прикрепив реквизиты вашей организации.
Мы оперативно подготовим коммерческое предложение и выставим счет.
Возврат товара надлежащего качества возможен в течение 10 дней с момента получения, если товар не был в употреблении, сохранен товарный вид, упаковка не вскрывалась и присутствуют все сопроводительные документы.
Возврат денежных средств осуществляется в течение 10 рабочих дней после проверки товара складом.
В соответствии с законодательством возврату не подлежат подшипники надлежащего качества, если отсутствует оригинальная упаковка или имеются следы монтажа.
В случае выявления брака или гарантийного случая мы гарантируем возврат или обмен товара.
Да, гарантийный срок хранения устанавливается заводом-изготовителем и в среднем составляет 2 года при соблюдении условий хранения: сухое помещение, оригинальная упаковка и смазка.
Точный срок для конкретного типа подшипника уточняйте у наших менеджеров.
Пн–Пт: с 8:00 до 17:00 (МСК).
Сб–Вс: выходные дни.
Заказы на сайте принимаются круглосуточно. Заявки, поступившие после окончания рабочего дня, обрабатываются на следующий рабочий день.
Минимальная сумма заказа для доставки составляет 3000 рублей. Самовывоз со склада возможен на любую сумму при наличии товара.
ООО «УралТехГрупп»
ИНН: 7415093830
КПП: 772401001
ОГРН: 1167456069021
Банк: ПАО Сбербанк
Р/с: 40702810838000475273
К/с: 30101810400000000225
БИК: 044525225
У подшипника 80-903 Е пока нет отзывов. Вы можете стать первым покупателем, поделившимся своим мнением.