Поиск подшипника
Статьи
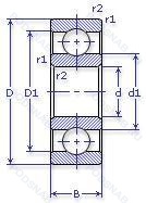
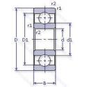
90310-К — Шариковый радиальный подшипник, модификация основного исполнения 90310, производство ГПЗ.
Размер подшипника: 50x110x27 мм.
«замок» (скос) на внутреннем кольце плюс массивный сепаратор из текстолита.
Аналоги: 6310.
Государственный стандарт ГОСТ
90310К
В наличии
| Обозначение | Конструктивные изменения |
|---|---|
| 90310-А | Повышенная грузоподъемность. |
| 90310-АW2 | Детали из вакуумированной стали.. Повышенная грузоподъемность. |
| 90310-АК | Повышенная грузоподъемность. |
| 70-90310 А | Повышенная грузоподъемность. |
| 70-90310 АW2 | Детали из вакуумированной стали.. Повышенная грузоподъемность. |
Модификации шарикового подшипника 90310-К — это измененное основное конструктивное исполнение 90310, основные размеры (50x110x27) не отличаются.
| Обозначение | Гост | Конструктивные особенности |
|---|---|---|
| 6310 | ISO | Шариковый радиальный подшипник. |
| 310-2ZNR | ISO | Шариковый радиальный подшипник. |
| 310-АФЗ | ГОСТ | Повышенная грузоподъемность. |
| 270310-АW2 | ГОСТ | Детали из вакуумированной стали.. Повышенная грузоподъемность. |
| 310-АW2 | ГОСТ | Детали из вакуумированной стали.. Повышенная грузоподъемность. |
| 310-АК | ГОСТ | Повышенная грузоподъемность. |
| 310-АКШ1 | ГОСТ | Нормы шумности. Повышенная грузоподъемность. |
| 6310 | ГОСТ | Шариковый радиальный подшипник. |
Аналог шарикового подшипника 90310-К — это подшипник такого же размера dx50,Dx110,Bx27, типа и конструкции.
| Обозначение | Конструктивные особенности | Внутренний (d) | Наружный (D) | Ширина (B) |
|---|---|---|---|---|
| 46310Л1 | Шариковый радиально-упорный однорядный подшипник. Сепаратор из латуни.. | 50.00 | 110.00 | 27.00 |
| 5-310 АК | Шариковый радиальный однорядный подшипник. Повышенная грузоподъемность. | 50.00 | 110.00 | 27.00 |
| 5-310 ЕТ8Ш2 | Шариковый радиальный однорядный подшипник. Сепаратор из текстолита.. Нормы шумности. Специальный режим термообработки деталей подшипника. | 50.00 | 110.00 | 27.00 |
| 5-310 ЕТ8Ш3 | Шариковый радиальный однорядный подшипник. Сепаратор из текстолита.. Нормы шумности. Специальный режим термообработки деталей подшипника. | 50.00 | 110.00 | 27.00 |
| 5-310 ЕШ2 | Шариковый радиальный однорядный подшипник. Сепаратор из текстолита.. Нормы шумности. | 50.00 | 110.00 | 27.00 |
| 5-310 ЕШ3 | Шариковый радиальный однорядный подшипник. Сепаратор из текстолита.. Нормы шумности. | 50.00 | 110.00 | 27.00 |
| 5-32310 Р | Роликовый радиальный однорядный подшипник. Детали из теплоустойчивой (быстрорежущие) стали.. | 50.00 | 110.00 | 27.00 |
| 5-46310 АЛ | Шариковый радиально-упорный однорядный подшипник. Сепаратор из латуни.. Повышенная грузоподъемность. | 50.00 | 110.00 | 27.00 |
| 5-46310 Л | Шариковый радиально-упорный однорядный подшипник. Сепаратор из латуни.. | 50.00 | 110.00 | 27.00 |
| 50310-А | Шариковый радиальный однорядный подшипник. Повышенная грузоподъемность. | 50.00 | 110.00 | 27.00 |
| 50310-АW2 | Шариковый радиальный однорядный подшипник. Детали из вакуумированной стали.. Повышенная грузоподъемность. | 50.00 | 110.00 | 27.00 |
| 50310-АК | Шариковый радиальный однорядный подшипник. Повышенная грузоподъемность. | 50.00 | 110.00 | 27.00 |
| 6-102310 М | Роликовый радиальный однорядный подшипник. Модифицированный контакт.. | 50.00 | 110.00 | 27.00 |
| 6-12310 КМ | Роликовый радиальный однорядный подшипник. Кольцевая проточка на середине цилиндрической наружной поверхности наружного кольца плюс три отверстия для смазки. Модифицированный контакт.. | 50.00 | 110.00 | 27.00 |
| 6-1310 Л | Шариковый радиальный двухрядный подшипник. Сепаратор из латуни.. | 50.00 | 110.00 | 27.00 |
Способы доставки
Отправка через ведущие транспортные и курьерские компании: ПЭК, Деловые Линии, СДЭК, Байкал-Сервис, Энергия, КИТ, ЖелДорЭкспедиция.
Самовывоз возможен напрямую со склада в Москве.
Сроки доставки
Срок зависит от региона и выбранной транспортной компании. Все заказы комплектуются и отправляются в кратчайшие сроки со склада в Москве.
Надёжность и сохранность
Вся продукция упаковывается с учётом требований транспортировки. Мы гарантируем, что подшипники и комплектующие прибудут к заказчику в полной сохранности.
Доставка в страны ЕАЭС
Мы работаем с проверенными логистическими партнёрами, что позволяет оперативно доставлять заказы в Беларусь, Казахстан, Армению и другие страны ЕАЭС.
Варианты оплаты:
Минимальная сумма заказа и скидки:
Документы и гарантии:
Да, конечно! Наши технические специалисты готовы помочь вам с подбором точного аналога или замены подшипника. Просто позвоните нам по телефону +7 (495) 104-99-04 или напишите на почту zakaz@podsnab.ru.
Для оперативной консультации подготовьте, пожалуйста, имеющиеся данные: маркировку, размеры, тип оборудования или артикул старого подшипника.
Да, конечно! Мы высоко ценим долгосрочное сотрудничество и доверие клиентов по всей России. Для постоянных клиентов действует персональная система скидок.
Условия формируются индивидуально и зависят от:
Чтобы узнать свои условия и получить максимально выгодное предложение, свяжитесь с персональным менеджером или напишите нам на почту zakaz@podsnab.ru.
Вы можете оформить заказ несколькими способами:
Для оформления заказа от юридического лица свяжитесь с нашим отделом по работе с корпоративными клиентами по телефону +7 (495) 104-99-04 или напишите на email zakaz@podsnab.ru, прикрепив реквизиты вашей организации.
Мы оперативно подготовим коммерческое предложение и выставим счет.
Возврат товара надлежащего качества возможен в течение 10 дней с момента получения, если товар не был в употреблении, сохранен товарный вид, упаковка не вскрывалась и присутствуют все сопроводительные документы.
Возврат денежных средств осуществляется в течение 10 рабочих дней после проверки товара складом.
В соответствии с законодательством возврату не подлежат подшипники надлежащего качества, если отсутствует оригинальная упаковка или имеются следы монтажа.
В случае выявления брака или гарантийного случая мы гарантируем возврат или обмен товара.
Да, гарантийный срок хранения устанавливается заводом-изготовителем и в среднем составляет 2 года при соблюдении условий хранения: сухое помещение, оригинальная упаковка и смазка.
Точный срок для конкретного типа подшипника уточняйте у наших менеджеров.
Пн–Пт: с 8:00 до 17:00 (МСК).
Сб–Вс: выходные дни.
Заказы на сайте принимаются круглосуточно. Заявки, поступившие после окончания рабочего дня, обрабатываются на следующий рабочий день.
Минимальная сумма заказа для доставки составляет 3000 рублей. Самовывоз со склада возможен на любую сумму при наличии товара.
ООО «УралТехГрупп»
ИНН: 7415093830
КПП: 772401001
ОГРН: 1167456069021
Банк: ПАО Сбербанк
Р/с: 40702810838000475273
К/с: 30101810400000000225
БИК: 044525225
У подшипника 90310-К пока нет отзывов. Вы можете стать первым покупателем, поделившимся своим мнением.