Поиск подшипника
Статьи
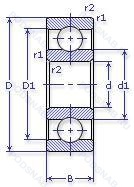
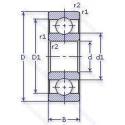
39К — Шариковый радиальный подшипник, модификация основного исполнения 39, производство TIMKEN.
Размер подшипника: 9x26x8 мм.
Международная стандартизации ISO
39К
В наличии
| Обозначение | Конструктивные изменения |
|---|---|
| 39KTT | Тройные манжетные уплотнения с обеих сторон подшипника (Т-образное уплотнение). |
| 39PP | Уплотнения на каждой стороне подшипника. |
| 39NPP | Манжетные уплотнения с обеих сторон (Тип P — две шайбы из оцинкованной листовой стали с промежуточной частью из NBR. Кромка уплотнения предварительно нагружена в осевом направлении). |
| 39KDD | Защитные металлические шайбы по обе стороны подшипника с цилиндрическим наружным диаметром. |
| 39FF | Single Row Deep Groove Ball Bearing With Two Shields. |
| MI-39 | Шариковый радиальный подшипник. |
| 39ZZ | Защитные металлические шайбы с двух сторон подшипника. |
| 39 | Основное конструктивное исполнение. |
| 39SS | Металлическое уплотнение с двух сторон. |
| 39KVLD | Ball Bearing. Conrad (Non-Filling Slot) Type. One Mechani Seal And One Shield. |
| 39KD | Компоненты с покрытием Protect A имеют суффикс - KD. Protect A - это покрытие из чистого хрома с колончатой структурой поверхности. При использовании Protect A каретки с покрытием и направляющие с покрытием должны всегда комбинироваться. Если каретки с покрытием используются с направляющими без покрытия. например. это приведет к уменьшению преднатяга.. |
Модификации шарикового подшипника 39К — это измененное основное конструктивное исполнение 39, основные размеры (9x26x8) не отличаются.
| Обозначение | Гост | Конструктивные особенности |
|---|---|---|
| 9100К | ISO | Шариковый радиальный подшипник. |
| 5-29 | ГОСТ | Шариковый радиальный подшипник. |
| 20-29 Г | ГОСТ | Сепаратор из черных металлов.. |
| 76-29 Г | ГОСТ | Сепаратор из черных металлов.. |
| 29-ГК | ГОСТ | Сепаратор из черных металлов.. |
| 6000-RSL | ISO | Sheet Steel Reinforced Low Friction Contact Seal Of Acrylonitrile-Butadiene Rubber (NBR) On One Side Of The Bearing. |
| 6000/HR22Q2 | ISO | Шариковый радиальный подшипник. |
| 6000/HR22T2 | ISO | Шариковый радиальный подшипник. |
| 8-29 Г | ГОСТ | Сепаратор из черных металлов.. |
| 629H-2RS | ISO | Резиновые уплотнения с каждой стороны подшипника. Pressed Snap-Type Steel Cage. Hardened. |
| 629H | ISO | Pressed Snap-Type Steel Cage. Hardened. |
| W 6000-2RS1/VP311 | ISO | Усиленные листовой сталью контактные уплотнения из акрилонитрил-бутадиенового каучука (NBR) с обеих сторон подшипника. Нержавеющая сталь. SKF Food Line Bearing/ Blue-Coloured Contact Seal Made Of FDA and EC Approved NBR And Lubricant (GFJ) Registered By NSF As Category H1. |
| W 6000-2RZ | ISO | Шарикоподшипник. С уплотнением и низким коэффициентом трения с обеих сторон. Уплотнение состоит из шайбы из листовой стали с вулканизированной резиной. Нержавеющая сталь. |
| W 629-2RZ | ISO | Шарикоподшипник. С уплотнением и низким коэффициентом трения с обеих сторон. Уплотнение состоит из шайбы из листовой стали с вулканизированной резиной. Нержавеющая сталь. |
| W 629 | ISO | Нержавеющая сталь. |
| 29-Г | ГОСТ | Сепаратор из черных металлов.. |
| 4-29 Г | ГОСТ | Сепаратор из черных металлов.. |
| 6-29 | ГОСТ | Шариковый радиальный подшипник. |
| 5-29 Г | ГОСТ | Сепаратор из черных металлов.. |
| 5-29 ЮТ | ГОСТ | Температура отпуска. 160°. Все детали или часть деталей из нержавеющей стали.. |
Аналог шарикового подшипника 39К — это подшипник такого же размера dx9,Dx26,Bx8, типа и конструкции.
| Обозначение | Конструктивные особенности | Внутренний (d) | Наружный (D) | Ширина (B) |
|---|---|---|---|---|
| 5-6100 Е3 | Шариковый радиально-упорный однорядный подшипник. Сепаратор из пластических материалов.. | 10.00 | 26.00 | 8.00 |
| 5-80029 С1 | Шариковый радиальный однорядный подшипник. Смазка ОКБ 122-7. | 9.00 | 26.00 | 8.00 |
| 5-80029 С2 | Шариковый радиальный однорядный подшипник. Смазка ЦИАТИМ-221. | 9.00 | 26.00 | 8.00 |
| 5-80100 КС2 | Шариковый радиальный однорядный подшипник. «Замок» (скос) на внутреннем кольце плюс массивный сепаратор из текстолита. Смазка ЦИАТИМ-221. | 10.00 | 26.00 | 8.00 |
| 5-80100 С21 | Шариковый радиальный однорядный подшипник. Смазка ЭРА. | 10.00 | 26.00 | 8.00 |
| 5-80100 С9 | Шариковый радиальный однорядный подшипник. Смазка ЛЗ-31. | 10.00 | 26.00 | 8.00 |
| 6-100 Е2 | Шариковый радиальный однорядный подшипник. Сепаратор из пластических материалов.. | 10.00 | 26.00 | 8.00 |
| 6100-Л | Шариковый радиальный однорядный подшипник. Сепаратор из латуни.. | 10.00 | 26.00 | 8.00 |
| 6-100 Л1 | Шариковый радиальный однорядный подшипник. Сепаратор из латуни.. | 10.00 | 26.00 | 8.00 |
| 6-100 Х | Шариковый радиальный однорядный подшипник. Кольца и тела качения или только кольца (в том числе одно кольцо) из цементируемой стали.. | 10.00 | 26.00 | 8.00 |
| 6-100 Ю5Т | Шариковый радиальный однорядный подшипник. Температура отпуска. 160°. Все детали или часть деталей из нержавеющей стали.. | 10.00 | 26.00 | 8.00 |
| 6-100 ЮТ | Шариковый радиальный однорядный подшипник. Температура отпуска. 160°. Все детали или часть деталей из нержавеющей стали.. | 10.00 | 26.00 | 8.00 |
| 6-126100 Ю1Т | Шариковый радиально-упорный однорядный подшипник. Температура отпуска. 160°. Все детали или часть деталей из нержавеющей стали.. | 10.00 | 26.00 | 8.00 |
| 6-126100 Ю1ТП | Шариковый радиально-упорный однорядный подшипник. Температура отпуска. 160°. Все детали или часть деталей из нержавеющей стали.. | 10.00 | 26.00 | 8.00 |
| 6-180100 С17 | Шариковый радиальный однорядный подшипник. Смазка Литол-24. | 10.00 | 26.00 | 8.00 |
Способы доставки
Отправка через ведущие транспортные и курьерские компании: ПЭК, Деловые Линии, СДЭК, Байкал-Сервис, Энергия, КИТ, ЖелДорЭкспедиция.
Самовывоз возможен напрямую со склада в Москве.
Сроки доставки
Срок зависит от региона и выбранной транспортной компании. Все заказы комплектуются и отправляются в кратчайшие сроки со склада в Москве.
Надёжность и сохранность
Вся продукция упаковывается с учётом требований транспортировки. Мы гарантируем, что подшипники и комплектующие прибудут к заказчику в полной сохранности.
Доставка в страны ЕАЭС
Мы работаем с проверенными логистическими партнёрами, что позволяет оперативно доставлять заказы в Беларусь, Казахстан, Армению и другие страны ЕАЭС.
Варианты оплаты:
Минимальная сумма заказа и скидки:
Документы и гарантии:
Да, конечно! Наши технические специалисты готовы помочь вам с подбором точного аналога или замены подшипника. Просто позвоните нам по телефону +7 (495) 104-99-04 или напишите на почту zakaz@podsnab.ru.
Для оперативной консультации подготовьте, пожалуйста, имеющиеся данные: маркировку, размеры, тип оборудования или артикул старого подшипника.
Да, конечно! Мы высоко ценим долгосрочное сотрудничество и доверие клиентов по всей России. Для постоянных клиентов действует персональная система скидок.
Условия формируются индивидуально и зависят от:
Чтобы узнать свои условия и получить максимально выгодное предложение, свяжитесь с персональным менеджером или напишите нам на почту zakaz@podsnab.ru.
Вы можете оформить заказ несколькими способами:
Для оформления заказа от юридического лица свяжитесь с нашим отделом по работе с корпоративными клиентами по телефону +7 (495) 104-99-04 или напишите на email zakaz@podsnab.ru, прикрепив реквизиты вашей организации.
Мы оперативно подготовим коммерческое предложение и выставим счет.
Возврат товара надлежащего качества возможен в течение 10 дней с момента получения, если товар не был в употреблении, сохранен товарный вид, упаковка не вскрывалась и присутствуют все сопроводительные документы.
Возврат денежных средств осуществляется в течение 10 рабочих дней после проверки товара складом.
В соответствии с законодательством возврату не подлежат подшипники надлежащего качества, если отсутствует оригинальная упаковка или имеются следы монтажа.
В случае выявления брака или гарантийного случая мы гарантируем возврат или обмен товара.
Да, гарантийный срок хранения устанавливается заводом-изготовителем и в среднем составляет 2 года при соблюдении условий хранения: сухое помещение, оригинальная упаковка и смазка.
Точный срок для конкретного типа подшипника уточняйте у наших менеджеров.
Пн–Пт: с 8:00 до 17:00 (МСК).
Сб–Вс: выходные дни.
Заказы на сайте принимаются круглосуточно. Заявки, поступившие после окончания рабочего дня, обрабатываются на следующий рабочий день.
Минимальная сумма заказа для доставки составляет 3000 рублей. Самовывоз со склада возможен на любую сумму при наличии товара.
ООО «УралТехГрупп»
ИНН: 7415093830
КПП: 772401001
ОГРН: 1167456069021
Банк: ПАО Сбербанк
Р/с: 40702810838000475273
К/с: 30101810400000000225
БИК: 044525225
У подшипника 39К пока нет отзывов. Вы можете стать первым покупателем, поделившимся своим мнением.