Поиск подшипника
Статьи
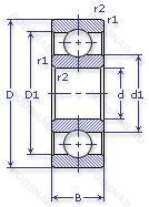
9106К — Шариковый радиальный подшипник, модификация основного исполнения 9106, производство TIMKEN.
Размер подшипника: 30x55x13 мм.
Международная стандартизации ISO
9106К
В наличии
| Обозначение | Конструктивные изменения |
|---|---|
| 9106 | Шариковый радиальный подшипник. Основное конструктивное исполнение. |
| 2MM9106WI CR DUL | Комплект из 2 универсальных подшипников. Небольшой предварительный натяг. (TB-Segment) Phenolic (Composition) Fafnir Standard. Низкий буртик на наружном кольце. |
| 9106PP | Манжетные уплотнения с обеих сторон подшипника. |
| 2MMV9106WI CR DUL | Комплект из 2 универсальных подшипников. Небольшой предварительный натяг. (TB-Segment) Phenolic (Composition) Fafnir Standard. Низкий буртик на наружном кольце. |
| 2MM9106WICRDUM | Шариковый радиальный подшипник. |
| 3MM9106WICRDUL | Шариковый радиальный подшипник. |
| 2MMV9106HXCRDUL | Шариковый радиальный подшипник. |
| 2MV9106WICRSUL | Шариковый радиальный подшипник. |
| 2MM9106WI | 15° Low Угол контакта. Superprecision Abec-7 (Iso P4).. Низкий буртик на наружном кольце. |
| 9106W1 | Одна каретка на направляющей. |
| 9106K | Conrad (Non-Filling Slot) Type. |
| 9106P | RS (SKF)=One Rubber Seal. |
| 2MM9106WIDUL | Дуплексная пара подшипников. Универсальная установка. Лёгкий преднатяг. 15° Low Угол контакта. Superprecision Abec-7 (Iso P4).. Low Shoulder On Outer RIng (Standard Cage!!! (Molded Reinforced Nylon Cage)). |
| 2MMV9106WI DUL | Дуплексная пара подшипников. Универсальная установка. Лёгкий преднатяг. 15° Low Угол контакта. Superprecision Abec-7 (Iso P4).. 15° Low Угол контакта. High Grade (HG) Between Abec-7 (ISO P4) And Abec-9 (ISO P2).. Низкий борт на наружном кольце, стандартный сепаратор - формованный армированный нейлоновый. |
| 9106KDD | Защитные металлические шайбы по обе стороны подшипника с цилиндрическим наружным диаметром. |
| 9106PZ5F | Шариковый радиальный подшипник. |
| 3MMV9106WI CR DUL | Дуплексная пара подшипников. Универсальная установка. Лёгкий преднатяг. 25° High Угол контакта Super Precision Abec-7 (Iso P4).. 25° High Угол контакта. High Grade (HG) Between Abec-7 (ISO P4) And Abec-9 (ISO P2). Фенол (состав) cтандарт Fafnir. Низкий буртик на наружном кольце. |
| 9106KG | Серия с закрепительной втулкой и смазочным отверстием. |
| 9106KD | Компоненты с покрытием Protect A имеют суффикс - KD. Protect A - это покрытие из чистого хрома с колончатой структурой поверхности. При использовании Protect A каретки с покрытием и направляющие с покрытием должны всегда комбинироваться. Если каретки с покрытием используются с направляющими без покрытия. например. это приведет к уменьшению преднатяга.. |
| 9106PPG | Два уплотнения и стопорное кольцо. |
| 9106PD | Скользящая контактная поверхность сталь/PTFE (политетрафторэтилен) Бронзовая пленка.. |
| 9106KDDG | Шариковый радиальный подшипник. |
Модификации шарикового подшипника 9106К — это измененное основное конструктивное исполнение 9106, основные размеры (30x55x13) не отличаются.
| Обозначение | Гост | Конструктивные особенности |
|---|---|---|
| 6006-RZ | ISO | Один стальное уплотнение и одно резиновое. |
| 6006/HR11QN | ISO | Шариковый радиальный подшипник. |
| 6006/HR11TN | ISO | Шариковый радиальный подшипник. |
| 6006/HR22Q2 | ISO | Шариковый радиальный подшипник. |
| 6006/HR22T2 | ISO | Шариковый радиальный подшипник. |
| 7006 DB/P7 | ISO | Two Single Row Deep Groove Ball Bearings. Single Row Angular Contact Ball Bearings Or Single Row Tapered Roller Bearings Matched For Mounting In A Back-To-Back Arrangement. Точность размеров соответствует классу ISO 4. Точность хода лучше. чем ISO Class 4. |
| 7006 FB/P7 | ISO | Точность размеров соответствует классу ISO 4. Точность хода лучше. чем ISO Class 4. 18° Угол контакта. High Speed Design. |
| C7006 DB/P7 | ISO | Тороидальный подшипник CARB. Two Single Row Deep Groove Ball Bearings. Single Row Angular Contact Ball Bearings Or Single Row Tapered Roller Bearings Matched For Mounting In A Back-To-Back Arrangement. Точность размеров соответствует классу ISO 4. Точность хода лучше. чем ISO Class 4. |
| C7006 FB/P7 | ISO | Тороидальный подшипник CARB. Точность размеров соответствует классу ISO 4. Точность хода лучше. чем ISO Class 4. 18° Угол контакта. High Speed Design. |
| S7006 DB/P7 | ISO | Two Single Row Deep Groove Ball Bearings. Single Row Angular Contact Ball Bearings Or Single Row Tapered Roller Bearings Matched For Mounting In A Back-To-Back Arrangement. Точность размеров соответствует классу ISO 4. Точность хода лучше. чем ISO Class 4. |
| S7006 FB/P7 | ISO | Точность размеров соответствует классу ISO 4. Точность хода лучше. чем ISO Class 4. 18° Угол контакта. High Speed Design. |
| SC7006 DB/P7 | ISO | Two Single Row Deep Groove Ball Bearings. Single Row Angular Contact Ball Bearings Or Single Row Tapered Roller Bearings Matched For Mounting In A Back-To-Back Arrangement. Точность размеров соответствует классу ISO 4. Точность хода лучше. чем ISO Class 4. |
| SC7006 FB/P7 | ISO | Точность размеров соответствует классу ISO 4. Точность хода лучше. чем ISO Class 4. 18° Угол контакта. High Speed Design. |
| 106-АК | ГОСТ | Повышенная грузоподъемность. |
| 106-АШ | ГОСТ | Повышенная грузоподъемность. Нормы шумности. |
| W 6006-2RZ | ISO | Шарикоподшипник. С уплотнением и низким коэффициентом трения с обеих сторон. Уплотнение состоит из шайбы из листовой стали с вулканизированной резиной. Нержавеющая сталь. |
Аналог шарикового подшипника 9106К — это подшипник такого же размера dx30,Dx55,Bx13, типа и конструкции.
| Обозначение | Конструктивные особенности | Внутренний (d) | Наружный (D) | Ширина (B) |
|---|---|---|---|---|
| 4-36106-КЕ | Шариковый радиально-упорный сдвоенный подшипник. «Замок» (скос) на внутреннем кольце плюс массивный сепаратор из текстолита. Сепаратор из текстолита.. | 30.00 | 55.00 | 13.00 |
| 46106-E | Шариковый радиально-упорный однорядный подшипник. Повышенная грузоподъемность. | 30.00 | 55.00 | 13.00 |
| 46106-Е | Шариковый радиально-упорный однорядный подшипник. Сепаратор из текстолита.. | 30.00 | 55.00 | 13.00 |
| 46106К | Шариковый радиально-упорный однорядный подшипник. «Замок» (скос) на внутреннем кольце плюс массивный сепаратор из текстолита. | 30.00 | 55.00 | 13.00 |
| 46106Л | Шариковый радиально-упорный однорядный подшипник. Сепаратор из латуни.. | 30.00 | 55.00 | 13.00 |
| 5-106 Ю | Шариковый радиальный однорядный подшипник. Все детали или часть деталей из нержавеющей стали.. | 30.00 | 55.00 | 13.00 |
| 5-32106 Р1 | Роликовый радиальный однорядный подшипник. Детали из теплоустойчивой (быстрорежущие) стали.. | 30.00 | 55.00 | 13.00 |
| 5-36106 КЕ | Шариковый радиально-упорный однорядный подшипник. «Замок» (скос) на внутреннем кольце плюс массивный сепаратор из текстолита. Сепаратор из текстолита.. | 30.00 | 55.00 | 13.00 |
| 5-46106 Е | Шариковый радиально-упорный однорядный подшипник. Сепаратор из текстолита.. | 30.00 | 55.00 | 13.00 |
| 520806-К1У | Шариковый радиальный однорядный подшипник. «Замок» (скос) на внутреннем кольце плюс массивный сепаратор из текстолита. Дополнительные технические требования. | 31.00 | 55.00 | 13.00 |
| 6-106-А | Шариковый радиальный однорядный подшипник. Повышенная грузоподъемность. | 30.00 | 55.00 | 13.00 |
| 6-106-Б | Шариковый радиальный однорядный подшипник. Сепаратор из безоловянистой бронзы.. | 30.00 | 55.00 | 13.00 |
| 6-106 БТ2 | Шариковый радиальный однорядный подшипник. 200°. Температура отпуска. Сепаратор из безоловянистой бронзы.. | 30.00 | 55.00 | 13.00 |
| 6-106 Е | Шариковый радиальный однорядный подшипник. Сепаратор из текстолита.. | 30.00 | 55.00 | 13.00 |
| 6-106-Е1 | Шариковый радиальный однорядный подшипник. Сепаратор из текстолита.. | 30.00 | 55.00 | 13.00 |
Способы доставки
Отправка через ведущие транспортные и курьерские компании: ПЭК, Деловые Линии, СДЭК, Байкал-Сервис, Энергия, КИТ, ЖелДорЭкспедиция.
Самовывоз возможен напрямую со склада в Москве.
Сроки доставки
Срок зависит от региона и выбранной транспортной компании. Все заказы комплектуются и отправляются в кратчайшие сроки со склада в Москве.
Надёжность и сохранность
Вся продукция упаковывается с учётом требований транспортировки. Мы гарантируем, что подшипники и комплектующие прибудут к заказчику в полной сохранности.
Доставка в страны ЕАЭС
Мы работаем с проверенными логистическими партнёрами, что позволяет оперативно доставлять заказы в Беларусь, Казахстан, Армению и другие страны ЕАЭС.
Варианты оплаты:
Минимальная сумма заказа и скидки:
Документы и гарантии:
Да, конечно! Наши технические специалисты готовы помочь вам с подбором точного аналога или замены подшипника. Просто позвоните нам по телефону +7 (495) 104-99-04 или напишите на почту zakaz@podsnab.ru.
Для оперативной консультации подготовьте, пожалуйста, имеющиеся данные: маркировку, размеры, тип оборудования или артикул старого подшипника.
Да, конечно! Мы высоко ценим долгосрочное сотрудничество и доверие клиентов по всей России. Для постоянных клиентов действует персональная система скидок.
Условия формируются индивидуально и зависят от:
Чтобы узнать свои условия и получить максимально выгодное предложение, свяжитесь с персональным менеджером или напишите нам на почту zakaz@podsnab.ru.
Вы можете оформить заказ несколькими способами:
Для оформления заказа от юридического лица свяжитесь с нашим отделом по работе с корпоративными клиентами по телефону +7 (495) 104-99-04 или напишите на email zakaz@podsnab.ru, прикрепив реквизиты вашей организации.
Мы оперативно подготовим коммерческое предложение и выставим счет.
Возврат товара надлежащего качества возможен в течение 10 дней с момента получения, если товар не был в употреблении, сохранен товарный вид, упаковка не вскрывалась и присутствуют все сопроводительные документы.
Возврат денежных средств осуществляется в течение 10 рабочих дней после проверки товара складом.
В соответствии с законодательством возврату не подлежат подшипники надлежащего качества, если отсутствует оригинальная упаковка или имеются следы монтажа.
В случае выявления брака или гарантийного случая мы гарантируем возврат или обмен товара.
Да, гарантийный срок хранения устанавливается заводом-изготовителем и в среднем составляет 2 года при соблюдении условий хранения: сухое помещение, оригинальная упаковка и смазка.
Точный срок для конкретного типа подшипника уточняйте у наших менеджеров.
Пн–Пт: с 8:00 до 17:00 (МСК).
Сб–Вс: выходные дни.
Заказы на сайте принимаются круглосуточно. Заявки, поступившие после окончания рабочего дня, обрабатываются на следующий рабочий день.
Минимальная сумма заказа для доставки составляет 3000 рублей. Самовывоз со склада возможен на любую сумму при наличии товара.
ООО «УралТехГрупп»
ИНН: 7415093830
КПП: 772401001
ОГРН: 1167456069021
Банк: ПАО Сбербанк
Р/с: 40702810838000475273
К/с: 30101810400000000225
БИК: 044525225
У подшипника 9106К пока нет отзывов. Вы можете стать первым покупателем, поделившимся своим мнением.