Поиск подшипника
Статьи
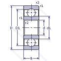
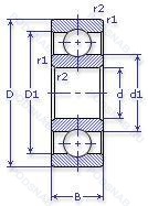
60/560 N1MAS — Шариковый радиальный подшипник, модификация основного исполнения 60/560, производство SKF.
Размер подшипника: 560x820x115 мм.
Измененная или модифицированная внутренняя конструкция при неизменных основных размерах.
Международная стандартизации ISO
60560N1MAS
В наличии
| Обозначение | Конструктивные изменения |
|---|---|
| 60/560-M | Подшипник с латунным сепаратором. центрированный по телам качения. |
| 60/560-M-C3 | Внутренний зазор больше нормального. Твердый латунный сепаратор. Шариковые направляющие. |
| 60/560-N1-MB-C3 | Внутренний зазор больше нормального. Механически обработанный латунный сепаратор. клёпаный. центрируемый по внутреннему кольцу. Один установочный паз на внешней кромке наружного кольца (для радиального расположения подшипника). |
| 60/560MBS C3 N1 | Внутренний зазор больше нормального. Один фиксирующий паз на внешней боковой поверхности кольца (чтобы можно было использовать упор для предотвращения вращения кольца). Механически обработанный латунный сепаратор. Направляющие внутреннего кольца. Со смазочными канавками на направляющих поверхностях. |
| 60/560N1MAS/C3 | Внутренний зазор больше нормального. One Locating Slot (Notch) In One Outer Ring Side Face. Обработанный латунный сепаратор. Внешние кольца центрированы. Со смазочными канавками на направляющих поверхностях. |
Модификации шарикового подшипника 60/560 N1MAS — это измененное основное конструктивное исполнение 60/560, основные размеры (560x820x115) не отличаются.
| Обозначение | Конструктивные особенности | Внутренний (d) | Наружный (D) | Ширина (B) |
|---|---|---|---|---|
| NU10/560MA | Однорядный цилиндрический роликовый подшипник. Измененная или модифицированная внутренняя конструкция при неизменных основных размерах. Изготовленный из двух частей латунный сепаратор. внешнее кольцо по центру. Однорядный цилиндрический роликовый подшипник. | 560.00 | 820.00 | 115.00 |
| NU10/560-M1-C3 | Однорядный цилиндрический роликовый подшипник. Внутренний зазор больше нормального. Механически обработанный латунный сепаратор. вращающийся элемент качения (крестовина на заклепках). | 560.00 | 820.00 | 115.00 |
| NU10/560 | однорядный цилиндрический роликовый подшипник. Однорядные цилиндрические роликоподшипники. Наружное кольцо подшипника имеет два борта. | 560.00 | 820.00 | 115.00 |
| NU10/560-M1A | Однорядный цилиндрический роликовый подшипник. Массивный латунный сепаратор. двухтельный. центрированный по бортам. | 560.00 | 820.00 | 115.00 |
| NU10/560-TB-M1 | Однорядный цилиндрический роликовый подшипник. Механически обработанный латунный сепаратор. вращающийся элемент качения (крестовина на заклепках). Подшипники с повышенной осевой грузоподъемностью. | 560.00 | 820.00 | 115.00 |
| NU10/560-TB-M1-C3 | Однорядный цилиндрический роликовый подшипник. Внутренний зазор больше нормального. Механически обработанный латунный сепаратор. вращающийся элемент качения (крестовина на заклепках). Подшипники с повышенной осевой грузоподъемностью. | 560.00 | 820.00 | 115.00 |
| NJ 10/560 MA | Роликовый радиальный цилиндрический однорядный подшипник. Измененная или модифицированная внутренняя конструкция при неизменных основных размерах. Однорядный цилиндрический роликовый подшипник. | 560.00 | 820.00 | 115.00 |
| N10/560 | Роликовый радиальный однорядный подшипник. Однорядный цилиндрический роликовый подшипник. Внутреннее кольцо подшипника имеет два борта. | 560.00 | 820.00 | 115.00 |
| NJ10/560 | Роликовый радиальный однорядный подшипник. Однорядный цилиндрический роликовый подшипник. Наружное кольцо имеет два борта. | 560.00 | 820.00 | 115.00 |
| NUP10/560 | Роликовый радиальный однорядный подшипник. Однорядный цилиндрический роликовый подшипник. Наружное кольцо имеет два борта. | 560.00 | 820.00 | 115.00 |
| NU10/560-M6E-MA6 | Роликовый радиальный однорядный подшипник. Изготовленный из двух частей латунный сепаратор. Центрирование по внешнему кольцу. Различные конструкции или сорта материалов обозначаются цифрой или буквой.. | 560.00 | 820.00 | 115.00 |
| NU10/560-M6 | Роликовый радиальный однорядный подшипник. 20-28 UM (C3 & C4). | 560.00 | 820.00 | 115.00 |
| 971/560ЛМ | Роликовый радиальный-упорный двухрядный подшипник. Сепаратор из латуни.. Модифицированный контакт.. | 560.00 | 820.00 | 115.00 |
| 70/560 AMB | Шариковый радиально-упорный подшипник. Измененная или модифицированная внутренняя конструкция при неизменных основных размерах. | 560.00 | 820.00 | 115.00 |
| 1/560АЛ | Шариковый радиальный однорядный подшипник. Сепаратор из латуни.. Повышенная грузоподъемность. | 560.00 | 820.00 | 115.00 |
Способы доставки
Отправка через ведущие транспортные и курьерские компании: ПЭК, Деловые Линии, СДЭК, Байкал-Сервис, Энергия, КИТ, ЖелДорЭкспедиция.
Самовывоз возможен напрямую со склада в Москве.
Сроки доставки
Срок зависит от региона и выбранной транспортной компании. Все заказы комплектуются и отправляются в кратчайшие сроки со склада в Москве.
Надёжность и сохранность
Вся продукция упаковывается с учётом требований транспортировки. Мы гарантируем, что подшипники и комплектующие прибудут к заказчику в полной сохранности.
Доставка в страны ЕАЭС
Мы работаем с проверенными логистическими партнёрами, что позволяет оперативно доставлять заказы в Беларусь, Казахстан, Армению и другие страны ЕАЭС.
Варианты оплаты:
Минимальная сумма заказа и скидки:
Документы и гарантии:
Да, конечно! Наши технические специалисты готовы помочь вам с подбором точного аналога или замены подшипника. Просто позвоните нам по телефону +7 (495) 104-99-04 или напишите на почту zakaz@podsnab.ru.
Для оперативной консультации подготовьте, пожалуйста, имеющиеся данные: маркировку, размеры, тип оборудования или артикул старого подшипника.
Да, конечно! Мы высоко ценим долгосрочное сотрудничество и доверие клиентов по всей России. Для постоянных клиентов действует персональная система скидок.
Условия формируются индивидуально и зависят от:
Чтобы узнать свои условия и получить максимально выгодное предложение, свяжитесь с персональным менеджером или напишите нам на почту zakaz@podsnab.ru.
Вы можете оформить заказ несколькими способами:
Для оформления заказа от юридического лица свяжитесь с нашим отделом по работе с корпоративными клиентами по телефону +7 (495) 104-99-04 или напишите на email zakaz@podsnab.ru, прикрепив реквизиты вашей организации.
Мы оперативно подготовим коммерческое предложение и выставим счет.
Возврат товара надлежащего качества возможен в течение 10 дней с момента получения, если товар не был в употреблении, сохранен товарный вид, упаковка не вскрывалась и присутствуют все сопроводительные документы.
Возврат денежных средств осуществляется в течение 10 рабочих дней после проверки товара складом.
В соответствии с законодательством возврату не подлежат подшипники надлежащего качества, если отсутствует оригинальная упаковка или имеются следы монтажа.
В случае выявления брака или гарантийного случая мы гарантируем возврат или обмен товара.
Да, гарантийный срок хранения устанавливается заводом-изготовителем и в среднем составляет 2 года при соблюдении условий хранения: сухое помещение, оригинальная упаковка и смазка.
Точный срок для конкретного типа подшипника уточняйте у наших менеджеров.
Пн–Пт: с 8:00 до 17:00 (МСК).
Сб–Вс: выходные дни.
Заказы на сайте принимаются круглосуточно. Заявки, поступившие после окончания рабочего дня, обрабатываются на следующий рабочий день.
Минимальная сумма заказа для доставки составляет 3000 рублей. Самовывоз со склада возможен на любую сумму при наличии товара.
ООО «УралТехГрупп»
ИНН: 7415093830
КПП: 772401001
ОГРН: 1167456069021
Банк: ПАО Сбербанк
Р/с: 40702810838000475273
К/с: 30101810400000000225
БИК: 044525225
У подшипника 60/560 N1MAS пока нет отзывов. Вы можете стать первым покупателем, поделившимся своим мнением.