Поиск подшипника
Статьи
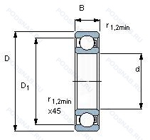
6001/HR22Q2 — Шариковый радиальный подшипник, модификация основного исполнения 6001, производство SKF.
Размер подшипника: 12x28x8 мм.
Международная стандартизации ISO
6001HR22Q2
В наличии
| Обозначение | Конструктивные изменения |
|---|---|
| 6001-2RS1/SS | Резиновые уплотнения с каждой стороны подшипника. Нержавеющая сталь. |
| 6001-C-2HRS-L138-CM | Модифицированная внутренняя конструкция. Шариковый подшипник. Специальный радиальный внутренний зазор для электродвигателей. Манжетные уплотнения с обеих сторон изготовлены из нитрил-бутадиенового каучука. Эти конструкции смазываются на весь срок службы высококачественной смазкой и подходят для умеренных скоростей. Момент трения и тепловыделение ниже, чем при использовании предыдущего уплотнения RSR.. NS Hi-Lube Grease Lithium Soap. Temperature Range -40°C/+130°C. |
| 6001-C-2HRS-L207 | Модифицированная внутренняя конструкция. Манжетные уплотнения с обеих сторон изготовлены из нитрил-бутадиенового каучука. Эти конструкции смазываются на весь срок службы высококачественной смазкой и подходят для умеренных скоростей. Момент трения и тепловыделение ниже, чем при использовании предыдущего уплотнения RSR.. Заполнение консистентной смазкой Arcanol L207 (высокотемпературная смазка). |
| 6001-C-2HRS-L038/35-C | Модифицированная внутренняя конструкция. Манжетные уплотнения с обеих сторон изготовлены из нитрил-бутадиенового каучука. Эти конструкции смазываются на весь срок службы высококачественной смазкой и подходят для умеренных скоростей. Момент трения и тепловыделение ниже, чем при использовании предыдущего уплотнения RSR.. Arcanol Grease Medium Temperature -25°C/+130°C. Fill Factor %. |
| 6001-CE.SI3N4-PTFE | Ceramic. Ceramic Ball Bearing. Abec. 5. |
| 6001-B-2Z-L278-C3-J22 | Внутренний зазор больше нормального. Модифицированная внутренняя конструкция. Защитные металлические шайбы с обеих сторон. Grease With A Lithium Complex Soap With Mineral Oil And/Or Synthetic Oil. Preferred Applications/ Bearing Lubrication With A Temperature Range Of -30°C / 120°C. Long-Term And Continuous Operation For Rolling Bearings. |
| 6001DDU CM NR | Канавка под стопорное кольцо на наружном кольце с соответствующим стопорным кольцом. Резиновые уплотнения с каждой стороны подшипника. Шариковый подшипник. Специальный радиальный внутренний зазор для электродвигателей. |
| 6001DDUC3+6 | Внутренний зазор больше нормального. Резиновые уплотнения с каждой стороны подшипника. Exxon Aviation Instrument Oil. |
| 6001ZZC3+6 | Внутренний зазор больше нормального. Защитные стальные шайбы с обеих сторон. Exxon Aviation Instrument Oil. |
| 6001.2RS2.C3 | Внутренний зазор больше нормального. Два контактных уплотнения из фторкаучука (FPM) с усилением из листовой стали (высокотемпературные). |
| 6001C4E | Внутренний зазор подшипника больше. чем C3. Шарикоподшипник. Однорядный электродвигатель. Уровень шума. |
| 6001-2Z/C3QE6 | Внутренний зазор больше нормального. Защитные металлические шайбы с обеих сторон подшипника. Тихая работа. |
| 6001 2RSD | Lip Seals On Both Sides. Non-Contact. |
| 6001EEC3 | Резиновые уплотнения с каждой стороны подшипника. |
| 6001.2Z.T9H.C3 | Внутренний зазор больше нормального. Защитные металлические шайбы с обеих сторон. Защелкивающийся сепаратор. Усиленный стекловолокном полиамид. Шариковые тела качения. |
| 6001ZZ CM/NS7S8 | Standard Fill. (NS7S/ Inside With Grease. Up Than 35%. Temperature Resistance -40°C To +140°C). Два боковых защитных уплотнения. Шариковый подшипник. Специальный радиальный внутренний зазор для электродвигателей. Смазка NS Hi Lube. Диапазон рабочей смазки -40 +110 °С. |
| 6001DDU C3E/JNS7S8 | Standard Fill. (NS7S/ Inside With Grease. Up Than 35%. Temperature Resistance -40°C To +140°C). Резиновые уплотнения с каждой стороны подшипника. Смазка NS Hi Lube. Диапазон рабочей смазки -40 +110 °С. Внутренний зазор больше нормы. Класс электродвигателя. |
| 6001VA C3 | Внутренний зазор больше нормального. Нержавеющая сталь. |
| 6001PP-1.4401 | Number Of Carriages Per Rail Track. Polyamide Bearing + Stainless Steel Balls. |
| 6001DDU C3E NS7L | Резиновые уплотнения с каждой стороны подшипника. 20 to 30% Filling. Смазка NS Hi Lube. Диапазон рабочей смазки -40 +110 °С. Внутренний зазор больше нормы. Класс электродвигателя. |
| 6001T1XZZCG11ER EA3S | Стандартное заполнение. Защитные металлические шайбы с обеих сторон. Полиамидный фиксатор. Working Temperature Range/ -40°C / +150°C. |
| 6001-RSL | Sheet Steel Reinforced Low Friction Contact Seal Of Acrylonitrile-Butadiene Rubber (NBR) On One Side Of The Bearing. |
| W 6001-2RZ | Шарикоподшипник. С уплотнением и низким коэффициентом трения с обеих сторон. Уплотнение состоит из шайбы из листовой стали с вулканизированной резиной. Нержавеющая сталь. |
| F-6001J1LLU | Штампованный стальной сепаратор. Шариковые подшипники из нержавеющей стали. Двухкромочное нитриловое контактное уплотнение. |
| F-6001J1ZZ | Штампованный стальной сепаратор. Стальная шайба. Шариковые подшипники из нержавеющей стали. |
Модификации шарикового подшипника 6001/HR22Q2 — это измененное основное конструктивное исполнение 6001, основные размеры (12x28x8) не отличаются.
| Обозначение | Гост | Конструктивные особенности |
|---|---|---|
| 9101К | ISO | Шариковый радиальный подшипник. |
| 101-АУ | ГОСТ | Дополнительные технические требования. Повышенная грузоподъемность. |
| WR 8-2RS1 | ISO | Шариковый радиальный подшипник. |
| SFR8ZZ | ISO | Защитные металлические шайбы с обеих сторон. |
| D/W R8-2RZ | ISO | Шариковый радиальный подшипник. |
| D/W R8-2RS1 | ISO | Шариковый радиальный подшипник. |
| D/W R8 R-2RZ | ISO | Шариковый радиальный подшипник. |
| D/W R8-2Z | ISO | Шариковый радиальный подшипник. |
Аналог шарикового подшипника 6001/HR22Q2 — это подшипник такого же размера dx12,Dx28,Bx8, типа и конструкции.
| Обозначение | Конструктивные особенности | Внутренний (d) | Наружный (D) | Ширина (B) |
|---|---|---|---|---|
| 5-46101 ЕП | Шариковый радиально-упорный однорядный подшипник. Сепаратор из текстолита.. | 12.00 | 28.00 | 8.00 |
| 5-60101 ШОС17 | Шариковый радиальный однорядный подшипник. Смазка Литол-24. Нормы шумности. | 12.00 | 28.00 | 8.00 |
| 5-60101 ШОС9 | Шариковый радиальный однорядный подшипник. Нормы шумности. Смазка ЛЗ-31. | 12.00 | 28.00 | 8.00 |
| 5-6101 Е | Шариковый радиально-упорный однорядный подшипник. Сепаратор из текстолита.. | 12.00 | 28.00 | 8.00 |
| 5-6101 Е1 | Шариковый радиально-упорный однорядный подшипник. Сепаратор из текстолита.. | 12.00 | 28.00 | 8.00 |
| 5-7000101 Б | Шариковый радиальный однорядный подшипник. Сепаратор из безоловянистой бронзы.. | 12.00 | 28.00 | 7.00 |
| 5-7000101 БТ2 | Шариковый радиальный однорядный подшипник. 200°. Температура отпуска. Сепаратор из безоловянистой бронзы.. | 12.00 | 28.00 | 7.00 |
| 5-7000101 Т | Шариковый радиальный однорядный подшипник. Температура отпуска. 160°. | 12.00 | 28.00 | 7.00 |
| 5-7000101 Т2 | Шариковый радиальный однорядный подшипник. 200°. Температура отпуска. | 12.00 | 28.00 | 7.00 |
| 5-80101 С9 | Шариковый радиальный однорядный подшипник. Смазка ЛЗ-31. | 12.00 | 28.00 | 8.00 |
| 6-101 Р1 | Шариковый радиальный однорядный подшипник. Детали из теплоустойчивой (быстрорежущие) стали.. | 12.00 | 28.00 | 8.00 |
| 6-101 Ю | Шариковый радиальный однорядный подшипник. Все детали или часть деталей из нержавеющей стали.. | 12.00 | 28.00 | 8.00 |
| 6-101 ЮТ | Шариковый радиальный однорядный подшипник. Температура отпуска. 160°. Все детали или часть деталей из нержавеющей стали.. | 12.00 | 28.00 | 8.00 |
| 6-180101 С17 | Шариковый радиальный однорядный подшипник. Смазка Литол-24. | 12.00 | 28.00 | 8.00 |
| 6-180101 С9 | Шариковый радиальный однорядный подшипник. Смазка ЛЗ-31. | 12.00 | 28.00 | 8.00 |
Способы доставки
Отправка через ведущие транспортные и курьерские компании: ПЭК, Деловые Линии, СДЭК, Байкал-Сервис, Энергия, КИТ, ЖелДорЭкспедиция.
Самовывоз возможен напрямую со склада в Москве.
Сроки доставки
Срок зависит от региона и выбранной транспортной компании. Все заказы комплектуются и отправляются в кратчайшие сроки со склада в Москве.
Надёжность и сохранность
Вся продукция упаковывается с учётом требований транспортировки. Мы гарантируем, что подшипники и комплектующие прибудут к заказчику в полной сохранности.
Доставка в страны ЕАЭС
Мы работаем с проверенными логистическими партнёрами, что позволяет оперативно доставлять заказы в Беларусь, Казахстан, Армению и другие страны ЕАЭС.
Варианты оплаты:
Минимальная сумма заказа и скидки:
Документы и гарантии:
Да, конечно! Наши технические специалисты готовы помочь вам с подбором точного аналога или замены подшипника. Просто позвоните нам по телефону +7 (495) 104-99-04 или напишите на почту zakaz@podsnab.ru.
Для оперативной консультации подготовьте, пожалуйста, имеющиеся данные: маркировку, размеры, тип оборудования или артикул старого подшипника.
Да, конечно! Мы высоко ценим долгосрочное сотрудничество и доверие клиентов по всей России. Для постоянных клиентов действует персональная система скидок.
Условия формируются индивидуально и зависят от:
Чтобы узнать свои условия и получить максимально выгодное предложение, свяжитесь с персональным менеджером или напишите нам на почту zakaz@podsnab.ru.
Вы можете оформить заказ несколькими способами:
Для оформления заказа от юридического лица свяжитесь с нашим отделом по работе с корпоративными клиентами по телефону +7 (495) 104-99-04 или напишите на email zakaz@podsnab.ru, прикрепив реквизиты вашей организации.
Мы оперативно подготовим коммерческое предложение и выставим счет.
Возврат товара надлежащего качества возможен в течение 10 дней с момента получения, если товар не был в употреблении, сохранен товарный вид, упаковка не вскрывалась и присутствуют все сопроводительные документы.
Возврат денежных средств осуществляется в течение 10 рабочих дней после проверки товара складом.
В соответствии с законодательством возврату не подлежат подшипники надлежащего качества, если отсутствует оригинальная упаковка или имеются следы монтажа.
В случае выявления брака или гарантийного случая мы гарантируем возврат или обмен товара.
Да, гарантийный срок хранения устанавливается заводом-изготовителем и в среднем составляет 2 года при соблюдении условий хранения: сухое помещение, оригинальная упаковка и смазка.
Точный срок для конкретного типа подшипника уточняйте у наших менеджеров.
Пн–Пт: с 8:00 до 17:00 (МСК).
Сб–Вс: выходные дни.
Заказы на сайте принимаются круглосуточно. Заявки, поступившие после окончания рабочего дня, обрабатываются на следующий рабочий день.
Минимальная сумма заказа для доставки составляет 3000 рублей. Самовывоз со склада возможен на любую сумму при наличии товара.
ООО «УралТехГрупп»
ИНН: 7415093830
КПП: 772401001
ОГРН: 1167456069021
Банк: ПАО Сбербанк
Р/с: 40702810838000475273
К/с: 30101810400000000225
БИК: 044525225
У подшипника 6001/HR22Q2 пока нет отзывов. Вы можете стать первым покупателем, поделившимся своим мнением.