Поиск подшипника
Статьи
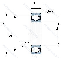
6002/HR11QN — Шариковый радиальный подшипник, модификация основного исполнения 6002, производство SKF.
Размер подшипника: 15x32x9 мм.
Международная стандартизации ISO
6002HR11QN
В наличии
| Обозначение | Конструктивные изменения |
|---|---|
| 6002LLUC3V43 | Внутренний зазор больше нормального. Резиновые уплотнения с каждой стороны подшипника. High-Temperature Lubricating Grease For Low-Noise Rolling Bearings -40°C / +180°C. Colour is Beige. |
| 6002-2Z/SS | Защитные металлические шайбы с обеих сторон. Нержавеющая сталь. |
| 6002-C-2HRS-L069 | Модифицированная внутренняя конструкция. Манжетные уплотнения с обеих сторон изготовлены из нитрил-бутадиенового каучука. Эти конструкции смазываются на весь срок службы высококачественной смазкой и подходят для умеренных скоростей. Момент трения и тепловыделение ниже, чем при использовании предыдущего уплотнения RSR.. Insert Bearing Grease For Wide Temperature Range - Polycarbamide Ester Oil - –40°C to +180°C. |
| 6002-C-2HRS-TVH-L138-R4-11 | 15° Угол контакта. Формованный полиамидный сепаратор защелкивающегося типа. Манжетные уплотнения с обеих сторон изготовлены из нитрил-бутадиенового каучука. Эти конструкции смазываются на весь срок службы высококачественной смазкой и подходят для умеренных скоростей. Момент трения и тепловыделение ниже, чем при использовании предыдущего уплотнения RSR.. NS Hi-Lube Grease Lithium Soap. Temperature Range -40°C/+130°C. 11/16. |
| 6002-RSL | Sheet Steel Reinforced Low Friction Contact Seal Of Acrylonitrile-Butadiene Rubber (NBR) On One Side Of The Bearing. |
| 6002 2RLD C3 V2 | Внутренний зазор больше нормального. Уровень вибрации. Качество электродвигателя. Two. Nitrile. Contact Seals (Standard Torque). |
| 6002-H-20T1XDDUMA | Резиновые уплотнения с каждой стороны подшипника. Полиамидный фиксатор. Коррозионностойкая нержавеющая сталь. Серия Long Life. |
| 6002L11DDU | Резиновые уплотнения с каждой стороны подшипника. Molded Oil™ General Use. |
| 6002Z C5 | щит из листовой прессованной стали с одной стороны подшипника. Внутренний зазор подшипника больше. чем С4. |
| 6002VV C3 P5 | Внутренний зазор больше нормального. Размерная и рабочая точность соответствует классу допуска ISO 5. Защитные металлические шайбы с двух сторон подшипника (лучше. чем ZZ (пригодно для использования в условиях умеренной запыленности)) Бесконтактного уплотнения. |
| 6002VVC4 | Внутренний зазор подшипника больше. чем C3. Защитные металлические шайбы. с обеих сторон подшипника. Бесконтактное уплотнение. (лучше. чем ZZ. Можно использовать в умеренно запыленной среде). |
| 6002-ZZ-C3-EMQ | Внутренний зазор больше нормального. Защитные стальные шайбы с обеих сторон. Качество электродвигателя. |
| 6002DDU+6 | Резиновые уплотнения с каждой стороны подшипника. Exxon Aviation Instrument Oil. |
| 6002DDU C3 | Внутренний зазор больше нормального. Резиновые уплотнения с каждой стороны подшипника. |
| 6002ZZ+6 | Защитные металлические шайбы с обеих сторон. Exxon Aviation Instrument Oil. |
| 6002-H-20T1XZZ | Защитные металлические шайбы с обеих сторон. Полиамидный фиксатор. Коррозионностойкая нержавеющая сталь. Серия Long Life. |
| 6002.2RS2.C3 | Внутренний зазор больше нормального. Два контактных уплотнения из фторкаучука (FPM) с усилением из листовой стали (высокотемпературные). |
| 6002 2RS C5 P5 | Резиновые уплотнения с каждой стороны подшипника. Внутренний зазор подшипника больше. чем С4. Размерная и рабочая точность соответствует классу допуска ISO 5. |
| 6002-2RS1/C3QE6 | Внутренний зазор больше нормального. Усиленные листовой сталью контактные уплотнения из акрилонитрил-бутадиенового каучука (NBR) с обеих сторон подшипника. Тихая работа. |
| 6002EEC3 | Резиновые уплотнения с каждой стороны подшипника. |
| 6002LLUC3/L051 | Внутренний зазор больше нормального. Резиновые уплотнения с каждой стороны подшипника. |
| 6002-C-2Z-L207-C3 | Модифицированная внутренняя конструкция. Внутренний зазор больше нормального. Зазорные уплотнения с обеих сторон.. Заполнение консистентной смазкой Arcanol L207 (высокотемпературная смазка). |
| 6002ZZ CM/NS7S5 | Стандартное заполнение. Защитные металлические шайбы с обеих сторон. Шариковый подшипник. Специальный радиальный внутренний зазор для электродвигателей. Смазка NS Hi Lube. Диапазон рабочей смазки -40 +110 °С. |
| 6002-2Z-C3.L12H | Внутренний зазор больше нормального. Защитные металлические шайбы с обеих сторон. Rolling Bearing Grease (Polyurea) High Temperature -30°C/+175°C. |
| W 6002-2RZ | Шарикоподшипник. С уплотнением и низким коэффициентом трения с обеих сторон. Уплотнение состоит из шайбы из листовой стали с вулканизированной резиной. Нержавеющая сталь. |
Модификации шарикового подшипника 6002/HR11QN — это измененное основное конструктивное исполнение 6002, основные размеры (15x32x9) не отличаются.
| Обозначение | Гост | Конструктивные особенности |
|---|---|---|
| 9102К | ISO | Шариковый радиальный подшипник. |
Аналог шарикового подшипника 6002/HR11QN — это подшипник такого же размера dx15,Dx32,Bx9, типа и конструкции.
| Обозначение | Конструктивные особенности | Внутренний (d) | Наружный (D) | Ширина (B) |
|---|---|---|---|---|
| 26-7000102 Ю2Т | Шариковый радиальный однорядный подшипник. Температура отпуска. 160°. Все детали или часть деталей из нержавеющей стали.. | 15.00 | 32.00 | 8.00 |
| 26-7000102 ЮТ | Шариковый радиальный однорядный подшипник. Температура отпуска. 160°. Все детали или часть деталей из нержавеющей стали.. | 15.00 | 32.00 | 8.00 |
| 36-7000102 Т2 | Шариковый радиальный однорядный подшипник. 200°. Температура отпуска. | 15.00 | 32.00 | 8.00 |
| 4-7000102 Б | Шариковый радиальный однорядный подшипник. Сепаратор из безоловянистой бронзы.. | 15.00 | 32.00 | 8.00 |
| 4-36102-КЕ | Шариковый радиально-упорный сдвоенный подшипник. «Замок» (скос) на внутреннем кольце плюс массивный сепаратор из текстолита. Сепаратор из текстолита.. | 15.00 | 32.00 | 9.00 |
| 46102К | Шариковый радиально-упорный однорядный подшипник. «Замок» (скос) на внутреннем кольце плюс массивный сепаратор из текстолита. | 15.00 | 32.00 | 9.00 |
| 5-102 К | Шариковый радиальный однорядный подшипник. «Замок» (скос) на внутреннем кольце плюс массивный сепаратор из текстолита. | 15.00 | 32.00 | 9.00 |
| 5-36102 КЕ | Шариковый радиально-упорный однорядный подшипник. «Замок» (скос) на внутреннем кольце плюс массивный сепаратор из текстолита. Сепаратор из текстолита.. | 15.00 | 32.00 | 9.00 |
| 5-6102 Е | Шариковый радиально-упорный однорядный подшипник. Сепаратор из текстолита.. | 15.00 | 32.00 | 9.00 |
| 5-6102 Е3 | Шариковый радиально-упорный однорядный подшипник. Сепаратор из пластических материалов.. | 15.00 | 32.00 | 9.00 |
| 5-7000102 Б | Шариковый радиальный однорядный подшипник. Сепаратор из безоловянистой бронзы.. | 15.00 | 32.00 | 8.00 |
| 5-7000102 БТ2 | Шариковый радиальный однорядный подшипник. 200°. Температура отпуска. Сепаратор из безоловянистой бронзы.. | 15.00 | 32.00 | 8.00 |
| 5-7000102 Т2 | Шариковый радиальный однорядный подшипник. 200°. Температура отпуска. | 15.00 | 32.00 | 8.00 |
| 5-7000102 У | Шариковый радиальный однорядный подшипник. Дополнительные технические требования. | 15.00 | 32.00 | 8.00 |
| 6-102 К | Шариковый радиальный однорядный подшипник. «Замок» (скос) на внутреннем кольце плюс массивный сепаратор из текстолита. | 15.00 | 32.00 | 9.00 |
Способы доставки
Отправка через ведущие транспортные и курьерские компании: ПЭК, Деловые Линии, СДЭК, Байкал-Сервис, Энергия, КИТ, ЖелДорЭкспедиция.
Самовывоз возможен напрямую со склада в Москве.
Сроки доставки
Срок зависит от региона и выбранной транспортной компании. Все заказы комплектуются и отправляются в кратчайшие сроки со склада в Москве.
Надёжность и сохранность
Вся продукция упаковывается с учётом требований транспортировки. Мы гарантируем, что подшипники и комплектующие прибудут к заказчику в полной сохранности.
Доставка в страны ЕАЭС
Мы работаем с проверенными логистическими партнёрами, что позволяет оперативно доставлять заказы в Беларусь, Казахстан, Армению и другие страны ЕАЭС.
Варианты оплаты:
Минимальная сумма заказа и скидки:
Документы и гарантии:
Да, конечно! Наши технические специалисты готовы помочь вам с подбором точного аналога или замены подшипника. Просто позвоните нам по телефону +7 (495) 104-99-04 или напишите на почту zakaz@podsnab.ru.
Для оперативной консультации подготовьте, пожалуйста, имеющиеся данные: маркировку, размеры, тип оборудования или артикул старого подшипника.
Да, конечно! Мы высоко ценим долгосрочное сотрудничество и доверие клиентов по всей России. Для постоянных клиентов действует персональная система скидок.
Условия формируются индивидуально и зависят от:
Чтобы узнать свои условия и получить максимально выгодное предложение, свяжитесь с персональным менеджером или напишите нам на почту zakaz@podsnab.ru.
Вы можете оформить заказ несколькими способами:
Для оформления заказа от юридического лица свяжитесь с нашим отделом по работе с корпоративными клиентами по телефону +7 (495) 104-99-04 или напишите на email zakaz@podsnab.ru, прикрепив реквизиты вашей организации.
Мы оперативно подготовим коммерческое предложение и выставим счет.
Возврат товара надлежащего качества возможен в течение 10 дней с момента получения, если товар не был в употреблении, сохранен товарный вид, упаковка не вскрывалась и присутствуют все сопроводительные документы.
Возврат денежных средств осуществляется в течение 10 рабочих дней после проверки товара складом.
В соответствии с законодательством возврату не подлежат подшипники надлежащего качества, если отсутствует оригинальная упаковка или имеются следы монтажа.
В случае выявления брака или гарантийного случая мы гарантируем возврат или обмен товара.
Да, гарантийный срок хранения устанавливается заводом-изготовителем и в среднем составляет 2 года при соблюдении условий хранения: сухое помещение, оригинальная упаковка и смазка.
Точный срок для конкретного типа подшипника уточняйте у наших менеджеров.
Пн–Пт: с 8:00 до 17:00 (МСК).
Сб–Вс: выходные дни.
Заказы на сайте принимаются круглосуточно. Заявки, поступившие после окончания рабочего дня, обрабатываются на следующий рабочий день.
Минимальная сумма заказа для доставки составляет 3000 рублей. Самовывоз со склада возможен на любую сумму при наличии товара.
ООО «УралТехГрупп»
ИНН: 7415093830
КПП: 772401001
ОГРН: 1167456069021
Банк: ПАО Сбербанк
Р/с: 40702810838000475273
К/с: 30101810400000000225
БИК: 044525225
У подшипника 6002/HR11QN пока нет отзывов. Вы можете стать первым покупателем, поделившимся своим мнением.