Поиск подшипника
Статьи
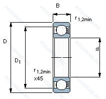
6005/HR22T2 — Шариковый радиальный подшипник, модификация основного исполнения 6005, производство SKF.
Размер подшипника: 25x47x12 мм.
Международная стандартизации ISO
6005HR22T2
В наличии
| Обозначение | Конструктивные изменения |
|---|---|
| 6005BSS 2RS | Резиновые уплотнения с каждой стороны подшипника. Ball Bearings In Stainless Steel AISI (Non Magnetic). |
| 6005-1 2RS | Резиновые уплотнения с каждой стороны подшипника. 1. |
| 6005DDU C3 E NS7S | Стандартное заполнение. Внутренний зазор больше нормального. Шарикоподшипник. Однорядный электродвигатель. Уровень шума. Резиновые уплотнения с каждой стороны подшипника. NS Hi Lube Grease. (NS7/ Inside With Grease. Up Than 35%. Temperature Resistance -40°C To +140°C). |
| 6005VVC3EAHQS | Стандартное заполнение. Внутренний зазор больше нормального. Шарикоподшипник. Однорядный электродвигатель. Уровень шума. Защитные металлические шайбы. с обеих сторон подшипника. Бесконтактное уплотнение. (лучше. чем ZZ. Можно использовать в умеренно запыленной среде). Klüber Asonic HQ72-102 (-40/+180°C. Piek +200°C). |
| 6005-C-HRS | Модифицированная внутренняя конструкция. Высокоскоростное/низкофрикционное уплотнение. |
| 6005-C-Z | Модифицированная внутренняя конструкция. щит из листовой прессованной стали с одной стороны подшипника. |
| 6005-C-C3 | Модифицированная внутренняя конструкция. Внутренний зазор больше нормального. |
| 6005-C | Модифицированная внутренняя конструкция. |
| 6005DDU C3 | Внутренний зазор больше нормального. Резиновые уплотнения с каждой стороны подшипника. |
| 6005EEC3 | Резиновые уплотнения с каждой стороны подшипника. |
| 6005-RSR-AH26 | Контактное уплотнение с одной стороны. Радиальный тип. Dimensionally Stabilized Up To +250°C + Corrotect Corrosion Protected. |
| 6005-2Z-L069-C3 | Внутренний зазор больше нормального. Зазорные уплотнения с обеих сторон.. Insert Bearing Grease For Wide Temperature Range - Polycarbamide Ester Oil - –40°C to +180°C. |
| 6005-C-HRS-C3 | Модифицированная внутренняя конструкция. Внутренний зазор больше нормального. Высокоскоростное/низкофрикционное уплотнение. |
| 6005.2RSR.P5 | Размерная и рабочая точность соответствует классу допуска ISO 5. Резиновые уплотнения с каждой стороны подшипника. |
| 6005CMD | Шариковый подшипник. Специальный радиальный внутренний зазор для электродвигателей. |
| 6005L11 DDU | Резиновые уплотнения с каждой стороны подшипника. Molded Oil™ General Use. |
| 6005ZZ VA | Защитные металлические шайбы с обеих сторон. Нержавеющая сталь. |
| 6005.2ZR.HT3 | Защитные металлические шайбы с обеих сторон. Extremely High Temperature. |
| 6005.2RS.P4A2H | Резиновые уплотнения с каждой стороны подшипника. Tolerance Class Abec 7 + Radial Internal Clearance C2H. |
| 6005DDGC3 NS7SJ | Стандартное заполнение. Внутренний зазор больше нормального. NS Hi Lube Grease. (NS7/ Inside With Grease. Up Than 35%. Temperature Resistance -40°C To +140°C). Оптимизированное контактное уплотнение с двух сторон. |
| 6005-2Z/LT | Защитные металлические шайбы с обеих сторон подшипника. Bearing Supplied With Special Grease For Low Temperatures e.g. -50°C/+80°C. |
| 6005 NR | Канавка под стопорное кольцо на наружном кольце с соответствующим стопорным кольцом. |
| 6005-RSL | Sheet Steel Reinforced Low Friction Contact Seal Of Acrylonitrile-Butadiene Rubber (NBR) On One Side Of The Bearing. |
| W 6005-2RZ | Шарикоподшипник. С уплотнением и низким коэффициентом трения с обеих сторон. Уплотнение состоит из шайбы из листовой стали с вулканизированной резиной. Нержавеющая сталь. |
| F-6005J1LLU | Штампованный стальной сепаратор. Шариковые подшипники из нержавеющей стали. Двухкромочное нитриловое контактное уплотнение. |
Модификации шарикового подшипника 6005/HR22T2 — это измененное основное конструктивное исполнение 6005, основные размеры (25x47x12) не отличаются.
| Обозначение | Гост | Конструктивные особенности |
|---|---|---|
| 9105К | ISO | Шариковый радиальный подшипник. |
Аналог шарикового подшипника 6005/HR22T2 — это подшипник такого же размера dx25,Dx47,Bx12, типа и конструкции.
| Обозначение | Конструктивные особенности | Внутренний (d) | Наружный (D) | Ширина (B) |
|---|---|---|---|---|
| 180105-С9 | Шариковый радиальный однорядный подшипник. Смазка ЛЗ-31. | 25.00 | 47.00 | 12.00 |
| 36-105 Р1 | Шариковый радиальный однорядный подшипник. Детали из теплоустойчивой (быстрорежущие) стали.. | 25.00 | 47.00 | 12.00 |
| 36-105 ЮТ | Шариковый радиальный однорядный подшипник. Температура отпуска. 160°. Все детали или часть деталей из нержавеющей стали.. | 25.00 | 47.00 | 12.00 |
| 36-905 Р1 | Шариковый радиальный однорядный подшипник. Детали из теплоустойчивой (быстрорежущие) стали.. | 25.01 | 46.99 | 12.00 |
| 4-36105-КЕ | Шариковый радиально-упорный сдвоенный подшипник. «Замок» (скос) на внутреннем кольце плюс массивный сепаратор из текстолита. Сепаратор из текстолита.. | 25.00 | 47.00 | 12.00 |
| 46105К | Шариковый радиально-упорный однорядный подшипник. «Замок» (скос) на внутреннем кольце плюс массивный сепаратор из текстолита. | 25.00 | 47.00 | 12.00 |
| 5-180105-С17 | Шариковый радиальный однорядный подшипник. Смазка Литол-24. | 25.00 | 47.00 | 12.00 |
| 5-36105-К | Шариковый радиально-упорный однорядный подшипник. «Замок» (скос) на внутреннем кольце плюс массивный сепаратор из текстолита. | 25.00 | 47.00 | 12.00 |
| 5-36105-КЕ | Шариковый радиально-упорный однорядный подшипник. «Замок» (скос) на внутреннем кольце плюс массивный сепаратор из текстолита. Сепаратор из текстолита.. | 25.00 | 47.00 | 12.00 |
| 6-105 А | Шариковый радиальный однорядный подшипник. Повышенная грузоподъемность. | 25.00 | 47.00 | 12.00 |
| 6-105 Б | Шариковый радиальный однорядный подшипник. Сепаратор из безоловянистой бронзы.. | 20.00 | 42.00 | 12.00 |
| 6-105 Л | Шариковый радиальный однорядный подшипник. Сепаратор из латуни.. | 25.00 | 47.00 | 12.00 |
| 6-105 ЛТ2 | Шариковый радиальный однорядный подшипник. Сепаратор из латуни.. 200°. Температура отпуска. | 25.00 | 47.00 | 12.00 |
| 6-105 Р1 | Шариковый радиальный однорядный подшипник. Детали из теплоустойчивой (быстрорежущие) стали.. | 25.00 | 47.00 | 12.00 |
| 6-105 ЮТ | Шариковый радиальный однорядный подшипник. Температура отпуска. 160°. Все детали или часть деталей из нержавеющей стали.. | 25.00 | 47.00 | 12.00 |
Способы доставки
Отправка через ведущие транспортные и курьерские компании: ПЭК, Деловые Линии, СДЭК, Байкал-Сервис, Энергия, КИТ, ЖелДорЭкспедиция.
Самовывоз возможен напрямую со склада в Москве.
Сроки доставки
Срок зависит от региона и выбранной транспортной компании. Все заказы комплектуются и отправляются в кратчайшие сроки со склада в Москве.
Надёжность и сохранность
Вся продукция упаковывается с учётом требований транспортировки. Мы гарантируем, что подшипники и комплектующие прибудут к заказчику в полной сохранности.
Доставка в страны ЕАЭС
Мы работаем с проверенными логистическими партнёрами, что позволяет оперативно доставлять заказы в Беларусь, Казахстан, Армению и другие страны ЕАЭС.
Варианты оплаты:
Минимальная сумма заказа и скидки:
Документы и гарантии:
Да, конечно! Наши технические специалисты готовы помочь вам с подбором точного аналога или замены подшипника. Просто позвоните нам по телефону +7 (495) 104-99-04 или напишите на почту zakaz@podsnab.ru.
Для оперативной консультации подготовьте, пожалуйста, имеющиеся данные: маркировку, размеры, тип оборудования или артикул старого подшипника.
Да, конечно! Мы высоко ценим долгосрочное сотрудничество и доверие клиентов по всей России. Для постоянных клиентов действует персональная система скидок.
Условия формируются индивидуально и зависят от:
Чтобы узнать свои условия и получить максимально выгодное предложение, свяжитесь с персональным менеджером или напишите нам на почту zakaz@podsnab.ru.
Вы можете оформить заказ несколькими способами:
Для оформления заказа от юридического лица свяжитесь с нашим отделом по работе с корпоративными клиентами по телефону +7 (495) 104-99-04 или напишите на email zakaz@podsnab.ru, прикрепив реквизиты вашей организации.
Мы оперативно подготовим коммерческое предложение и выставим счет.
Возврат товара надлежащего качества возможен в течение 10 дней с момента получения, если товар не был в употреблении, сохранен товарный вид, упаковка не вскрывалась и присутствуют все сопроводительные документы.
Возврат денежных средств осуществляется в течение 10 рабочих дней после проверки товара складом.
В соответствии с законодательством возврату не подлежат подшипники надлежащего качества, если отсутствует оригинальная упаковка или имеются следы монтажа.
В случае выявления брака или гарантийного случая мы гарантируем возврат или обмен товара.
Да, гарантийный срок хранения устанавливается заводом-изготовителем и в среднем составляет 2 года при соблюдении условий хранения: сухое помещение, оригинальная упаковка и смазка.
Точный срок для конкретного типа подшипника уточняйте у наших менеджеров.
Пн–Пт: с 8:00 до 17:00 (МСК).
Сб–Вс: выходные дни.
Заказы на сайте принимаются круглосуточно. Заявки, поступившие после окончания рабочего дня, обрабатываются на следующий рабочий день.
Минимальная сумма заказа для доставки составляет 3000 рублей. Самовывоз со склада возможен на любую сумму при наличии товара.
ООО «УралТехГрупп»
ИНН: 7415093830
КПП: 772401001
ОГРН: 1167456069021
Банк: ПАО Сбербанк
Р/с: 40702810838000475273
К/с: 30101810400000000225
БИК: 044525225
У подшипника 6005/HR22T2 пока нет отзывов. Вы можете стать первым покупателем, поделившимся своим мнением.