Поиск подшипника
Статьи
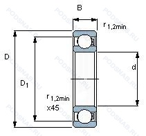
6010/HR22T2 — Шариковый радиальный подшипник, модификация основного исполнения 6010, производство SKF.
Размер подшипника: 50x80x16 мм.
Международная стандартизации ISO
6010HR22T2
В наличии
| Обозначение | Конструктивные изменения |
|---|---|
| 6010-2RSR-L138-C3 | Внутренний зазор больше нормального. Резиновые уплотнения с каждой стороны подшипника. NS Hi-Lube Grease Lithium Soap. Temperature Range -40°C/+130°C. |
| 6010-R45-55 | Radial Clearance In μm. |
| 6010-2Z-L207 | Зазорные уплотнения с обеих сторон.. Заполнение консистентной смазкой Arcanol L207 (высокотемпературная смазка). |
| 6010BHTSZZC4 | Внутренний зазор подшипника больше. чем C3. Защитные металлические шайбы с обеих сторон. Подшипники для экстремальных условий до + 350°C. |
| 6010VV CM | Шариковый подшипник. Специальный радиальный внутренний зазор для электродвигателей. Защитные металлические шайбы с двух сторон подшипника (лучше. чем ZZ (пригодно для использования в условиях умеренной запыленности)) Бесконтактного уплотнения. |
| 6010VV CM NR | Канавка под стопорное кольцо на наружном кольце с соответствующим стопорным кольцом. Шариковый подшипник. Специальный радиальный внутренний зазор для электродвигателей. Защитные металлические шайбы с двух сторон подшипника (лучше. чем ZZ (пригодно для использования в условиях умеренной запыленности)) Бесконтактного уплотнения. |
| 6010RSR.J22C | Продукция без маркировки или с ограниченной маркировкой. Технические характеристики упаковки J22C. Заменяет Z67. Контактное уплотнение с одной стороны. Радиальный тип. |
| 6010NR C3 | Внутренний зазор больше нормального. Канавка под стопорное кольцо на наружном кольце с соответствующим стопорным кольцом. |
| 6010ZZ NR C3 | Внутренний зазор больше нормального. Защитные металлические шайбы с обеих сторон. Канавка под стопорное кольцо на наружном кольце с соответствующим стопорным кольцом. |
| 6010LLU C3 | Внутренний зазор больше нормального. Резиновые уплотнения с каждой стороны подшипника. |
| 6010-2RS2 | Два контактных уплотнения из фторкаучука (FPM) с усилением из листовой стали (высокотемпературные). |
| 6010Z P5 | щит из листовой прессованной стали с одной стороны подшипника. Размерная и рабочая точность соответствует классу допуска ISO 5. |
| 6010.2RS2.C3 | Внутренний зазор больше нормального. Два контактных уплотнения из фторкаучука (FPM) с усилением из листовой стали (высокотемпературные). |
| 6010ZZCM/5K | Два боковых защитных уплотнения. Шариковый подшипник. Специальный радиальный внутренний зазор для электродвигателей. Grease/ Kyodo Yushi / Multemp SRL (-40°C to +150°C). |
| 6010ZZD | Защитные металлические шайбы с двух сторон. |
| 6010LLUCM/5K | Резиновые уплотнения с каждой стороны подшипника. Шариковый подшипник. Специальный радиальный внутренний зазор для электродвигателей. Grease/ Kyodo Yushi / Multemp SRL (-40°C to +150°C). |
| 6010 2RSD C3 | Внутренний зазор больше нормального. Lip Seals On Both Sides. Non-Contact. |
| 6010-2Z-L207-C3 | Внутренний зазор больше нормального. Защитные металлические шайбы с обеих сторон. Заполнение консистентной смазкой Arcanol L207 (высокотемпературная смазка). |
| 6010-2Z-L069-C3 | Внутренний зазор больше нормального. Зазорные уплотнения с обеих сторон.. Insert Bearing Grease For Wide Temperature Range - Polycarbamide Ester Oil - –40°C to +180°C. |
| 6010.2RSR.P5 | Размерная и рабочая точность соответствует классу допуска ISO 5. Резиновые уплотнения с каждой стороны подшипника. |
| 6010.2RSR.P4 | Резиновые уплотнения с каждой стороны подшипника. Класс точности Р4 по ISO (точнее. чем P5) - Abec.7. |
| 6010DDU C3ED/EEMS | Стандартное заполнение. Внутренний зазор больше нормального. Шарикоподшипник. Однорядный электродвигатель. Уровень шума. Резиновые уплотнения с каждой стороны подшипника. Exxon-Mobil Polyrex EM. Thickener=Polyurea. Mineral Base Oil. Operating Temperature (Constant) -29°C/+140°C. |
| 6010MA-P53-S2 | For Operating Temp. Up To 200°C (Segment Heat Stab.. Code 2). Механически обработанный латунный сепаратор. Центрирование по внешнему кольцу. Combination Of P5 And C3. |
| 6010-2RZ | Шарикоподшипник. С уплотнением и низким коэффициентом трения с обеих сторон. Уплотнение состоит из шайбы из листовой стали с вулканизированной резиной. |
| 6010-RZ | Один стальное уплотнение и одно резиновое. |
Модификации шарикового подшипника 6010/HR22T2 — это измененное основное конструктивное исполнение 6010, основные размеры (50x80x16) не отличаются.
| Обозначение | Гост | Конструктивные особенности |
|---|---|---|
| 9110К | ISO | Шариковый радиальный подшипник. |
| 7010 DB/P7 | ISO | Two Single Row Deep Groove Ball Bearings. Single Row Angular Contact Ball Bearings Or Single Row Tapered Roller Bearings Matched For Mounting In A Back-To-Back Arrangement. Точность размеров соответствует классу ISO 4. Точность хода лучше. чем ISO Class 4. |
| 7010 FB/P7 | ISO | Точность размеров соответствует классу ISO 4. Точность хода лучше. чем ISO Class 4. 18° Угол контакта. High Speed Design. |
| C7010 DB/P7 | ISO | Тороидальный подшипник CARB. Two Single Row Deep Groove Ball Bearings. Single Row Angular Contact Ball Bearings Or Single Row Tapered Roller Bearings Matched For Mounting In A Back-To-Back Arrangement. Точность размеров соответствует классу ISO 4. Точность хода лучше. чем ISO Class 4. |
| C7010 FB/P7 | ISO | Тороидальный подшипник CARB. Точность размеров соответствует классу ISO 4. Точность хода лучше. чем ISO Class 4. 18° Угол контакта. High Speed Design. |
| S7010 DB/P7 | ISO | Two Single Row Deep Groove Ball Bearings. Single Row Angular Contact Ball Bearings Or Single Row Tapered Roller Bearings Matched For Mounting In A Back-To-Back Arrangement. Точность размеров соответствует классу ISO 4. Точность хода лучше. чем ISO Class 4. |
| S7010 FB/P7 | ISO | Точность размеров соответствует классу ISO 4. Точность хода лучше. чем ISO Class 4. 18° Угол контакта. High Speed Design. |
| SC7010 DB/P7 | ISO | Two Single Row Deep Groove Ball Bearings. Single Row Angular Contact Ball Bearings Or Single Row Tapered Roller Bearings Matched For Mounting In A Back-To-Back Arrangement. Точность размеров соответствует классу ISO 4. Точность хода лучше. чем ISO Class 4. |
| SC7010 FB/P7 | ISO | Точность размеров соответствует классу ISO 4. Точность хода лучше. чем ISO Class 4. 18° Угол контакта. High Speed Design. |
| W 6010 | ISO | Нержавеющая сталь. |
| W 6010-2Z | ISO | Защитные металлические шайбы с обеих сторон подшипника. Нержавеющая сталь. |
| W 6010-2RZ | ISO | Шарикоподшипник. С уплотнением и низким коэффициентом трения с обеих сторон. Уплотнение состоит из шайбы из листовой стали с вулканизированной резиной. Нержавеющая сталь. |
Аналог шарикового подшипника 6010/HR22T2 — это подшипник такого же размера dx50,Dx80,Bx16, типа и конструкции.
| Обозначение | Конструктивные особенности | Внутренний (d) | Наружный (D) | Ширина (B) |
|---|---|---|---|---|
| 4-110 Д | Шариковый радиальный однорядный подшипник. Сепаратор из алюминиевого сплава.. | 50.00 | 80.00 | 16.00 |
| 46110-Е | Шариковый радиально-упорный однорядный подшипник. Сепаратор из текстолита.. | 50.00 | 80.00 | 16.00 |
| 46110К | Шариковый радиально-упорный однорядный подшипник. «Замок» (скос) на внутреннем кольце плюс массивный сепаратор из текстолита. | 50.00 | 80.00 | 16.00 |
| 5-110 Б | Шариковый радиальный однорядный подшипник. Сепаратор из безоловянистой бронзы.. | 50.00 | 80.00 | 16.00 |
| 5-110 БТ2 | Шариковый радиальный однорядный подшипник. 200°. Температура отпуска. Сепаратор из безоловянистой бронзы.. | 50.00 | 80.00 | 16.00 |
| 5-110 Д | Шариковый радиальный однорядный подшипник. Сепаратор из алюминиевого сплава.. | 50.00 | 80.00 | 16.00 |
| 5-110 Р | Шариковый радиальный однорядный подшипник. Детали из теплоустойчивой (быстрорежущие) стали.. | 50.00 | 80.00 | 16.00 |
| 5-110 Р3Д | Шариковый радиальный однорядный подшипник. Сепаратор из алюминиевого сплава.. Детали из теплоустойчивой (быстрорежущие) стали.. | 50.00 | 80.00 | 16.00 |
| 5-32110 Р | Роликовый радиальный однорядный подшипник. Детали из теплоустойчивой (быстрорежущие) стали.. | 50.00 | 80.00 | 16.00 |
| 50110-АК | Шариковый радиальный однорядный подшипник. Повышенная грузоподъемность. | 50.00 | 80.00 | 16.00 |
| 50110-А | Шариковый радиальный однорядный подшипник. Повышенная грузоподъемность. | 50.00 | 80.00 | 16.00 |
| 520110-K | Шариковый радиальный однорядный подшипник. Коническое отверстие. Конусность 1/12. | 50.00 | 80.00 | 16.00 |
| 56-32110 Б1Т2 | Роликовый радиальный однорядный подшипник. 200°. Температура отпуска. Сепаратор из безоловянистой бронзы.. | 50.00 | 80.00 | 16.00 |
| 56-32110 Б2Т2 | Роликовый радиальный однорядный подшипник. 200°. Температура отпуска. Сепаратор из безоловянистой бронзы.. | 50.00 | 80.00 | 16.00 |
| 6-110 ЮТ | Шариковый радиальный однорядный подшипник. Температура отпуска. 160°. Все детали или часть деталей из нержавеющей стали.. | 50.00 | 80.00 | 16.00 |
Способы доставки
Отправка через ведущие транспортные и курьерские компании: ПЭК, Деловые Линии, СДЭК, Байкал-Сервис, Энергия, КИТ, ЖелДорЭкспедиция.
Самовывоз возможен напрямую со склада в Москве.
Сроки доставки
Срок зависит от региона и выбранной транспортной компании. Все заказы комплектуются и отправляются в кратчайшие сроки со склада в Москве.
Надёжность и сохранность
Вся продукция упаковывается с учётом требований транспортировки. Мы гарантируем, что подшипники и комплектующие прибудут к заказчику в полной сохранности.
Доставка в страны ЕАЭС
Мы работаем с проверенными логистическими партнёрами, что позволяет оперативно доставлять заказы в Беларусь, Казахстан, Армению и другие страны ЕАЭС.
Варианты оплаты:
Минимальная сумма заказа и скидки:
Документы и гарантии:
Да, конечно! Наши технические специалисты готовы помочь вам с подбором точного аналога или замены подшипника. Просто позвоните нам по телефону +7 (495) 104-99-04 или напишите на почту zakaz@podsnab.ru.
Для оперативной консультации подготовьте, пожалуйста, имеющиеся данные: маркировку, размеры, тип оборудования или артикул старого подшипника.
Да, конечно! Мы высоко ценим долгосрочное сотрудничество и доверие клиентов по всей России. Для постоянных клиентов действует персональная система скидок.
Условия формируются индивидуально и зависят от:
Чтобы узнать свои условия и получить максимально выгодное предложение, свяжитесь с персональным менеджером или напишите нам на почту zakaz@podsnab.ru.
Вы можете оформить заказ несколькими способами:
Для оформления заказа от юридического лица свяжитесь с нашим отделом по работе с корпоративными клиентами по телефону +7 (495) 104-99-04 или напишите на email zakaz@podsnab.ru, прикрепив реквизиты вашей организации.
Мы оперативно подготовим коммерческое предложение и выставим счет.
Возврат товара надлежащего качества возможен в течение 10 дней с момента получения, если товар не был в употреблении, сохранен товарный вид, упаковка не вскрывалась и присутствуют все сопроводительные документы.
Возврат денежных средств осуществляется в течение 10 рабочих дней после проверки товара складом.
В соответствии с законодательством возврату не подлежат подшипники надлежащего качества, если отсутствует оригинальная упаковка или имеются следы монтажа.
В случае выявления брака или гарантийного случая мы гарантируем возврат или обмен товара.
Да, гарантийный срок хранения устанавливается заводом-изготовителем и в среднем составляет 2 года при соблюдении условий хранения: сухое помещение, оригинальная упаковка и смазка.
Точный срок для конкретного типа подшипника уточняйте у наших менеджеров.
Пн–Пт: с 8:00 до 17:00 (МСК).
Сб–Вс: выходные дни.
Заказы на сайте принимаются круглосуточно. Заявки, поступившие после окончания рабочего дня, обрабатываются на следующий рабочий день.
Минимальная сумма заказа для доставки составляет 3000 рублей. Самовывоз со склада возможен на любую сумму при наличии товара.
ООО «УралТехГрупп»
ИНН: 7415093830
КПП: 772401001
ОГРН: 1167456069021
Банк: ПАО Сбербанк
Р/с: 40702810838000475273
К/с: 30101810400000000225
БИК: 044525225
У подшипника 6010/HR22T2 пока нет отзывов. Вы можете стать первым покупателем, поделившимся своим мнением.