Поиск подшипника
Статьи
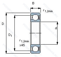
6011/HR11QN — Шариковый радиальный подшипник, модификация основного исполнения 6011, производство SKF.
Размер подшипника: 55x90x18 мм.
Международная стандартизации ISO
6011HR11QN
В наличии
| Обозначение | Конструктивные изменения |
|---|---|
| 6011N M1 | Стальной сепаратор вместо латунного. Канавка под стопорное кольцо на внешнем кольце. |
| 6011LLB | Уплотнение бесконтактного типа из синтетического каучука. |
| 6011J30 | Внутренний зазор больше нормального. |
| 6011ZZ CM NS7S | Стандартное заполнение. Защитные металлические шайбы с обеих сторон. Шариковый подшипник. Специальный радиальный внутренний зазор для электродвигателей. NS Hi Lube Grease. (NS7/ Inside With Grease. Up Than 35%. Temperature Resistance -40°C To +140°C). |
| 6011DDU CM AV2S | Резиновые уплотнения с каждой стороны подшипника. Lubricant. Shell Oil Co.. Alvania #2 Grease. 1/4 Full. Temperature Range = -10°C / + 110°C (Normal Temperature Grease). Шариковый подшипник. Специальный радиальный внутренний зазор для электродвигателей. |
| 6011ZZ AV2S | Защитные металлические шайбы с двух сторон подшипника. Lubricant. Shell Oil Co.. Alvania #2 Grease. 1/4 Full. Temperature Range = -10°C / + 110°C (Normal Temperature Grease). |
| 6011.2ZR.J22C | Защитные металлические шайбы с обеих сторон. Продукция без маркировки или с ограниченной маркировкой. Технические характеристики упаковки J22C. Заменяет Z67. |
| 6011TN9/C3 | Внутренний зазор больше нормального. Литой защелкивающийся сепаратор из полиамида. армированного стекловолокном 6.6. |
| 6011ZZE | Радиальный шарикоподшипник серии Excel. Защитные металлические шайбы с обеих сторон. |
| 6011RS C3 | Внутренний зазор больше нормального. Резиновое уплотнение с одной стороны. |
| 6011-77 | Защитная металлическая шайба с двух сторон подшипника. |
| 6011 2RLD C3 V2 | Внутренний зазор больше нормального. Уровень вибрации. Качество электродвигателя. Two. Nitrile. Contact Seals (Standard Torque). |
| 6011ZZCM/5K | Два боковых защитных уплотнения. Шариковый подшипник. Специальный радиальный внутренний зазор для электродвигателей. Grease/ Kyodo Yushi / Multemp SRL (-40°C to +150°C). |
| 6011LLBC3/5K | Внутренний зазор больше нормального. Уплотнение бесконтактного типа из синтетического каучука. Grease/ Kyodo Yushi / Multemp SRL (-40°C to +150°C). |
| 6011 2RS NR C3 | Внутренний зазор больше нормального. Резиновые уплотнения с каждой стороны подшипника. Канавка под стопорное кольцо на наружном кольце с соответствующим стопорным кольцом. |
| 6011-2Z-L460 | Защитные металлические шайбы с обеих сторон. NSF-H1 Approval. |
| 6011.EEC3 | Резиновые уплотнения с каждой стороны подшипника. |
| 6011ZZ NR | Защитные металлические шайбы с обеих сторон. Канавка под стопорное кольцо на наружном кольце с соответствующим стопорным кольцом. |
| 6011Z P5 | щит из листовой прессованной стали с одной стороны подшипника. Размерная и рабочая точность соответствует классу допуска ISO 5. |
| 6011DDUC3 | Внутренний зазор больше нормального. Резиновые уплотнения с каждой стороны подшипника. |
| 6011ZZ C3E NS7S | Стандартное заполнение. Защитные металлические шайбы с обеих сторон. NS Hi Lube Grease. (NS7/ Inside With Grease. Up Than 35%. Temperature Resistance -40°C To +140°C). Внутренний зазор больше нормы. Класс электродвигателя. |
| 6011.2RS2.C3 | Внутренний зазор больше нормального. Два контактных уплотнения из фторкаучука (FPM) с усилением из листовой стали (высокотемпературные). |
| 6011-2Z-L069-C3 | Внутренний зазор больше нормального. Зазорные уплотнения с обеих сторон.. Insert Bearing Grease For Wide Temperature Range - Polycarbamide Ester Oil - –40°C to +180°C. |
| 6011ZR.C3 | Внутренний зазор больше нормального. Металлическое уплотнение с одной стороны. Радиальный тип. |
| 6011-2Z/VA201 | Защитные металлические шайбы с обеих сторон подшипника. Подшипник для высокотемпературных применений (например. печных тележек). |
Модификации шарикового подшипника 6011/HR11QN — это измененное основное конструктивное исполнение 6011, основные размеры (55x90x18) не отличаются.
| Обозначение | Гост | Конструктивные особенности |
|---|---|---|
| 9111К | ISO | Шариковый радиальный подшипник. |
| 7011 DB/P7 | ISO | Two Single Row Deep Groove Ball Bearings. Single Row Angular Contact Ball Bearings Or Single Row Tapered Roller Bearings Matched For Mounting In A Back-To-Back Arrangement. Точность размеров соответствует классу ISO 4. Точность хода лучше. чем ISO Class 4. |
| 7011 FB/P7 | ISO | Точность размеров соответствует классу ISO 4. Точность хода лучше. чем ISO Class 4. 18° Угол контакта. High Speed Design. |
| C7011 DB/P7 | ISO | Тороидальный подшипник CARB. Two Single Row Deep Groove Ball Bearings. Single Row Angular Contact Ball Bearings Or Single Row Tapered Roller Bearings Matched For Mounting In A Back-To-Back Arrangement. Точность размеров соответствует классу ISO 4. Точность хода лучше. чем ISO Class 4. |
| C7011 FB/P7 | ISO | Тороидальный подшипник CARB. Точность размеров соответствует классу ISO 4. Точность хода лучше. чем ISO Class 4. 18° Угол контакта. High Speed Design. |
| S7011 DB/P7 | ISO | Two Single Row Deep Groove Ball Bearings. Single Row Angular Contact Ball Bearings Or Single Row Tapered Roller Bearings Matched For Mounting In A Back-To-Back Arrangement. Точность размеров соответствует классу ISO 4. Точность хода лучше. чем ISO Class 4. |
| S7011 FB/P7 | ISO | Точность размеров соответствует классу ISO 4. Точность хода лучше. чем ISO Class 4. 18° Угол контакта. High Speed Design. |
| SC7011 DB/P7 | ISO | Two Single Row Deep Groove Ball Bearings. Single Row Angular Contact Ball Bearings Or Single Row Tapered Roller Bearings Matched For Mounting In A Back-To-Back Arrangement. Точность размеров соответствует классу ISO 4. Точность хода лучше. чем ISO Class 4. |
| SC7011 FB/P7 | ISO | Точность размеров соответствует классу ISO 4. Точность хода лучше. чем ISO Class 4. 18° Угол контакта. High Speed Design. |
Аналог шарикового подшипника 6011/HR11QN — это подшипник такого же размера dx55,Dx90,Bx18, типа и конструкции.
| Обозначение | Конструктивные особенности | Внутренний (d) | Наружный (D) | Ширина (B) |
|---|---|---|---|---|
| 180111-АК | Шариковый радиальный однорядный подшипник. Повышенная грузоподъемность. | 55.00 | 90.00 | 18.00 |
| 4-111 Л | Шариковый радиальный однорядный подшипник. Сепаратор из латуни.. | 55.00 | 90.00 | 18.00 |
| 46111-Е | Шариковый радиально-упорный однорядный подшипник. Сепаратор из текстолита.. | 55.00 | 90.00 | 18.00 |
| 46111-Л | Шариковый радиально-упорный однорядный подшипник. Сепаратор из латуни.. | 55.00 | 90.00 | 18.00 |
| 46111E | Шариковый радиально-упорный однорядный подшипник. Повышенная грузоподъемность. | 55.00 | 90.00 | 18.00 |
| 46111E5 | Шариковый радиально-упорный однорядный подшипник. Смазочные отверстия и канавки во внутреннем кольце. | 55.00 | 90.00 | 18.00 |
| 46111К | Шариковый радиально-упорный однорядный подшипник. «Замок» (скос) на внутреннем кольце плюс массивный сепаратор из текстолита. | 55.00 | 90.00 | 18.00 |
| 5-111 Л | Шариковый радиальный однорядный подшипник. Сепаратор из латуни.. | 55.00 | 90.00 | 18.00 |
| 5-36111 К | Шариковый радиально-упорный однорядный подшипник. «Замок» (скос) на внутреннем кольце плюс массивный сепаратор из текстолита. | 55.00 | 90.00 | 18.00 |
| 5-46111 Е | Шариковый радиально-упорный однорядный подшипник. Сепаратор из текстолита.. | 55.00 | 90.00 | 18.00 |
| 5-46111 К | Шариковый радиально-упорный однорядный подшипник. «Замок» (скос) на внутреннем кольце плюс массивный сепаратор из текстолита. | 55.00 | 90.00 | 18.00 |
| 5-46111 Л | Шариковый радиально-упорный однорядный подшипник. Сепаратор из латуни.. | 55.00 | 90.00 | 18.00 |
| 6-111 АК | Шариковый радиальный однорядный подшипник. Повышенная грузоподъемность. | 55.00 | 90.00 | 18.00 |
| 6-111 Л | Шариковый радиальный однорядный подшипник. Сепаратор из латуни.. | 55.00 | 90.00 | 18.00 |
| 6-2007111 А | Роликовый радиальный-упорный однорядный подшипник. Повышенная грузоподъемность. | 55.00 | 90.00 | 19.00 |
Способы доставки
Отправка через ведущие транспортные и курьерские компании: ПЭК, Деловые Линии, СДЭК, Байкал-Сервис, Энергия, КИТ, ЖелДорЭкспедиция.
Самовывоз возможен напрямую со склада в Москве.
Сроки доставки
Срок зависит от региона и выбранной транспортной компании. Все заказы комплектуются и отправляются в кратчайшие сроки со склада в Москве.
Надёжность и сохранность
Вся продукция упаковывается с учётом требований транспортировки. Мы гарантируем, что подшипники и комплектующие прибудут к заказчику в полной сохранности.
Доставка в страны ЕАЭС
Мы работаем с проверенными логистическими партнёрами, что позволяет оперативно доставлять заказы в Беларусь, Казахстан, Армению и другие страны ЕАЭС.
Варианты оплаты:
Минимальная сумма заказа и скидки:
Документы и гарантии:
Да, конечно! Наши технические специалисты готовы помочь вам с подбором точного аналога или замены подшипника. Просто позвоните нам по телефону +7 (495) 104-99-04 или напишите на почту zakaz@podsnab.ru.
Для оперативной консультации подготовьте, пожалуйста, имеющиеся данные: маркировку, размеры, тип оборудования или артикул старого подшипника.
Да, конечно! Мы высоко ценим долгосрочное сотрудничество и доверие клиентов по всей России. Для постоянных клиентов действует персональная система скидок.
Условия формируются индивидуально и зависят от:
Чтобы узнать свои условия и получить максимально выгодное предложение, свяжитесь с персональным менеджером или напишите нам на почту zakaz@podsnab.ru.
Вы можете оформить заказ несколькими способами:
Для оформления заказа от юридического лица свяжитесь с нашим отделом по работе с корпоративными клиентами по телефону +7 (495) 104-99-04 или напишите на email zakaz@podsnab.ru, прикрепив реквизиты вашей организации.
Мы оперативно подготовим коммерческое предложение и выставим счет.
Возврат товара надлежащего качества возможен в течение 10 дней с момента получения, если товар не был в употреблении, сохранен товарный вид, упаковка не вскрывалась и присутствуют все сопроводительные документы.
Возврат денежных средств осуществляется в течение 10 рабочих дней после проверки товара складом.
В соответствии с законодательством возврату не подлежат подшипники надлежащего качества, если отсутствует оригинальная упаковка или имеются следы монтажа.
В случае выявления брака или гарантийного случая мы гарантируем возврат или обмен товара.
Да, гарантийный срок хранения устанавливается заводом-изготовителем и в среднем составляет 2 года при соблюдении условий хранения: сухое помещение, оригинальная упаковка и смазка.
Точный срок для конкретного типа подшипника уточняйте у наших менеджеров.
Пн–Пт: с 8:00 до 17:00 (МСК).
Сб–Вс: выходные дни.
Заказы на сайте принимаются круглосуточно. Заявки, поступившие после окончания рабочего дня, обрабатываются на следующий рабочий день.
Минимальная сумма заказа для доставки составляет 3000 рублей. Самовывоз со склада возможен на любую сумму при наличии товара.
ООО «УралТехГрупп»
ИНН: 7415093830
КПП: 772401001
ОГРН: 1167456069021
Банк: ПАО Сбербанк
Р/с: 40702810838000475273
К/с: 30101810400000000225
БИК: 044525225
У подшипника 6011/HR11QN пока нет отзывов. Вы можете стать первым покупателем, поделившимся своим мнением.