Поиск подшипника
Статьи
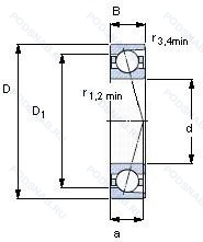
7019 DB/P7 — Шариковый радиальный подшипник, модификация основного исполнения 7019, производство SKF.
Размер подшипника: 95x145x24 мм.
Two single row deep groove ball bearings. single row angular contact ball bearings or single row tapered roller bearings matched for mounting in a back-to-back arrangement, точность размеров соответствует классу iso 4. точность хода лучше. чем iso class 4.
Международная стандартизации ISO
7019DBP7
В наличии
| Обозначение | Конструктивные изменения |
|---|---|
| 7019 B-UO | Конический роликовый подшипник. Угол контакта 20 градусов. Универсальный монтаж. Для установки по O- и X- образной схеме - беззазорные.. |
| 7019 C-UX | 15° Угол контакта. Универсальный монтаж, сверхлегкая предварительная нагрузка.. |
| 7019 A-UD | Двухрядный радиально-упорный шарикоподшипник без отверстия для смазки. |
| 7019CDB | Однорядный радиально-упорный шарикоподшипник улучшенной конструкции с углом контакта 15°. |
| 7019DF | Комплект из двух подшипников. согласованных для установки по Х-образной схеме. Число. следующее непосредственно после букв DF. обозначает конструкцию промежуточного кольца. |
| 7019CDT | Механически обработанный сепаратор из текстолита. Однорядный радиально-упорный шарикоподшипник улучшенной конструкции с углом контакта 15°. |
| 7019DB | Two Single Row Deep Groove Ball Bearings. Single Row Angular Contact Ball Bearings Or Single Row Tapered Roller Bearings Matched For Mounting In A Back-To-Back Arrangement. |
| 7019DT | Дуплексные подшипники для установки в тандеме. |
| 7019CDF | Механически обработанный сепаратор из стали или специального чугуна. Однорядный радиально-упорный шарикоподшипник улучшенной конструкции с углом контакта 15°. |
| 7019 BDT | Механически обработанный сепаратор из текстолита. |
| 7019 BDF | Механически обработанный сепаратор из стали или специального чугуна. |
| 7019 ADB | Modified Snap Ring Grooves In The Outer Ring_ Two-Piece Inner Ring Held Together By A Retaining Ring. |
| 7019 ADF | Механически обработанный сепаратор из стали или специального чугуна. |
| 7019 ADT | Механически обработанный сепаратор из текстолита. |
| 5S-7019UADG/GNP42 | Универсальный подшипник. Класс точности JIS4 для размеров и JIS 2 для точности вращения. Угол контакта 25°. Гибридный подшипник. |
| 5S-7019UCG/GNP42 | Угол контакта 15°. Универсальный подшипник. Класс точности JIS4 для размеров и JIS 2 для точности вращения. Гибридный подшипник. |
| 7019P5 | Размерная и рабочая точность соответствует классу допуска ISO 5. |
| 7019UADG/GNP42 | Универсальный подшипник. Класс точности JIS4 для размеров и JIS 2 для точности вращения. Угол контакта 25°. |
| 7019UCG/GNP42 | Угол контакта 15°. Универсальный подшипник. Класс точности JIS4 для размеров и JIS 2 для точности вращения. |
| 7019CVUJ74 | Угол контакта 15°. Преднатяг (Лёгкий. Универсальные подшпники. |
| 7019B | Угол контакта 40 градусов. |
| 7019CPA | Угол контакта 15 градусов. |
| 7019AC | Суффикс для радиально-упорного шарикоподшипника. |
| 7019C | Угол контакта 15°. |
| 7019 FB/P7 | Точность размеров соответствует классу ISO 4. Точность хода лучше. чем ISO Class 4. 18° Угол контакта. High Speed Design. |
Модификации шарикового подшипника 7019 DB/P7 — это измененное основное конструктивное исполнение 7019, основные размеры (95x145x24) не отличаются.
| Обозначение | Гост | Конструктивные особенности |
|---|---|---|
| 9119К | ISO | Шариковый радиальный подшипник. |
| C7019 DB/P7 | ISO | Тороидальный подшипник CARB. Two Single Row Deep Groove Ball Bearings. Single Row Angular Contact Ball Bearings Or Single Row Tapered Roller Bearings Matched For Mounting In A Back-To-Back Arrangement. Точность размеров соответствует классу ISO 4. Точность хода лучше. чем ISO Class 4. |
| C7019 FB/P7 | ISO | Тороидальный подшипник CARB. Точность размеров соответствует классу ISO 4. Точность хода лучше. чем ISO Class 4. 18° Угол контакта. High Speed Design. |
| S7019 DB/P7 | ISO | Two Single Row Deep Groove Ball Bearings. Single Row Angular Contact Ball Bearings Or Single Row Tapered Roller Bearings Matched For Mounting In A Back-To-Back Arrangement. Точность размеров соответствует классу ISO 4. Точность хода лучше. чем ISO Class 4. |
| S7019 FB/P7 | ISO | Точность размеров соответствует классу ISO 4. Точность хода лучше. чем ISO Class 4. 18° Угол контакта. High Speed Design. |
| SC7019 DB/P7 | ISO | Two Single Row Deep Groove Ball Bearings. Single Row Angular Contact Ball Bearings Or Single Row Tapered Roller Bearings Matched For Mounting In A Back-To-Back Arrangement. Точность размеров соответствует классу ISO 4. Точность хода лучше. чем ISO Class 4. |
| SC7019 FB/P7 | ISO | Точность размеров соответствует классу ISO 4. Точность хода лучше. чем ISO Class 4. 18° Угол контакта. High Speed Design. |
Аналог шарикового подшипника 7019 DB/P7 — это подшипник такого же размера dx95,Dx145,Bx24, типа и конструкции.
| Обозначение | Конструктивные особенности | Внутренний (d) | Наружный (D) | Ширина (B) |
|---|---|---|---|---|
| 3NCHAC019C | Шариковый радиальный однорядный подшипник. Угол контакта 20 градусов. | 95.00 | 145.00 | 24.00 |
| 3NCHAD019CA | Шариковый радиальный однорядный подшипник. Угол контакта 20 градусов. Латунный сепаратор с симметричными роликами. | 95.00 | 145.00 | 24.00 |
| 3NCHAF019CA | Шариковый радиальный однорядный подшипник. Угол контакта 20 градусов. Латунный сепаратор с симметричными роликами. | 95.00 | 145.00 | 24.00 |
| 3NCHAR019CA | Шариковый радиальный однорядный подшипник. Угол контакта 20 градусов. Латунный сепаратор с симметричными роликами. | 95.00 | 145.00 | 24.00 |
| 3NCHAR019C | Шариковый радиальный однорядный подшипник. Угол контакта 20 градусов. | 95.00 | 145.00 | 24.00 |
| 3NCHAR019 | Шариковый радиальный однорядный подшипник. Угол контакта 20 градусов. | 95.00 | 145.00 | 24.00 |
| 119-АК | Шариковый радиальный однорядный подшипник. Повышенная грузоподъемность. | 95.00 | 145.00 | 24.00 |
| 119-Б | Шариковый радиальный однорядный подшипник. Сепаратор из безоловянистой бронзы.. | 95.00 | 145.00 | 24.00 |
| 119-БТ2 | Шариковый радиальный однорядный подшипник. 200°. Температура отпуска. Сепаратор из безоловянистой бронзы.. | 95.00 | 145.00 | 24.00 |
| 5-119 Б | Шариковый радиальный однорядный подшипник. Сепаратор из безоловянистой бронзы.. | 95.00 | 145.00 | 24.00 |
| 5-126119 Б3Т2 | Шариковый радиально-упорный однорядный подшипник. 200°. Температура отпуска. Сепаратор из безоловянистой бронзы.. | 95.00 | 145.00 | 24.00 |
| 5-176119 Б3Т | Шариковый радиально-упорный однорядный подшипник. Температура отпуска. 160°. Сепаратор из безоловянистой бронзы.. | 95.00 | 145.00 | 24.00 |
| 5-176119 ЮБ3Т | Шариковый радиально-упорный однорядный подшипник. Температура отпуска. 160°. Все детали или часть деталей из нержавеющей стали.. Сепаратор из безоловянистой бронзы.. | 95.00 | 145.00 | 24.00 |
| 56-32119 Р2 | Роликовый радиальный однорядный подшипник. Детали из теплоустойчивой (быстрорежущие) стали.. | 95.00 | 145.00 | 24.00 |
| 6-119 АК | Шариковый радиальный однорядный подшипник. Повышенная грузоподъемность. | 95.00 | 145.00 | 24.00 |
Способы доставки
Отправка через ведущие транспортные и курьерские компании: ПЭК, Деловые Линии, СДЭК, Байкал-Сервис, Энергия, КИТ, ЖелДорЭкспедиция.
Самовывоз возможен напрямую со склада в Москве.
Сроки доставки
Срок зависит от региона и выбранной транспортной компании. Все заказы комплектуются и отправляются в кратчайшие сроки со склада в Москве.
Надёжность и сохранность
Вся продукция упаковывается с учётом требований транспортировки. Мы гарантируем, что подшипники и комплектующие прибудут к заказчику в полной сохранности.
Доставка в страны ЕАЭС
Мы работаем с проверенными логистическими партнёрами, что позволяет оперативно доставлять заказы в Беларусь, Казахстан, Армению и другие страны ЕАЭС.
Варианты оплаты:
Минимальная сумма заказа и скидки:
Документы и гарантии:
Да, конечно! Наши технические специалисты готовы помочь вам с подбором точного аналога или замены подшипника. Просто позвоните нам по телефону +7 (495) 104-99-04 или напишите на почту zakaz@podsnab.ru.
Для оперативной консультации подготовьте, пожалуйста, имеющиеся данные: маркировку, размеры, тип оборудования или артикул старого подшипника.
Да, конечно! Мы высоко ценим долгосрочное сотрудничество и доверие клиентов по всей России. Для постоянных клиентов действует персональная система скидок.
Условия формируются индивидуально и зависят от:
Чтобы узнать свои условия и получить максимально выгодное предложение, свяжитесь с персональным менеджером или напишите нам на почту zakaz@podsnab.ru.
Вы можете оформить заказ несколькими способами:
Для оформления заказа от юридического лица свяжитесь с нашим отделом по работе с корпоративными клиентами по телефону +7 (495) 104-99-04 или напишите на email zakaz@podsnab.ru, прикрепив реквизиты вашей организации.
Мы оперативно подготовим коммерческое предложение и выставим счет.
Возврат товара надлежащего качества возможен в течение 10 дней с момента получения, если товар не был в употреблении, сохранен товарный вид, упаковка не вскрывалась и присутствуют все сопроводительные документы.
Возврат денежных средств осуществляется в течение 10 рабочих дней после проверки товара складом.
В соответствии с законодательством возврату не подлежат подшипники надлежащего качества, если отсутствует оригинальная упаковка или имеются следы монтажа.
В случае выявления брака или гарантийного случая мы гарантируем возврат или обмен товара.
Да, гарантийный срок хранения устанавливается заводом-изготовителем и в среднем составляет 2 года при соблюдении условий хранения: сухое помещение, оригинальная упаковка и смазка.
Точный срок для конкретного типа подшипника уточняйте у наших менеджеров.
Пн–Пт: с 8:00 до 17:00 (МСК).
Сб–Вс: выходные дни.
Заказы на сайте принимаются круглосуточно. Заявки, поступившие после окончания рабочего дня, обрабатываются на следующий рабочий день.
Минимальная сумма заказа для доставки составляет 3000 рублей. Самовывоз со склада возможен на любую сумму при наличии товара.
ООО «УралТехГрупп»
ИНН: 7415093830
КПП: 772401001
ОГРН: 1167456069021
Банк: ПАО Сбербанк
Р/с: 40702810838000475273
К/с: 30101810400000000225
БИК: 044525225
У подшипника 7019 DB/P7 пока нет отзывов. Вы можете стать первым покупателем, поделившимся своим мнением.