Поиск подшипника
Статьи
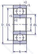
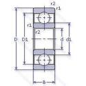
226К — Шариковый радиальный подшипник, модификация основного исполнения 226, производство TIMKEN.
Размер подшипника: 130x230x40 мм.
Международная стандартизации ISO
226К
В наличии
| Обозначение | Конструктивные изменения |
|---|---|
| 2-26T | Концентрическая втулка. |
| 226-153 | Шариковый радиальный подшипник. |
| 2-26 | |
| NJ 226 ECML | Однорядный цилиндрический роликовый подшипник. |
| NUP 226 ECML | Однорядный цилиндрический роликовый подшипник. |
| NUP 226 ECM | Однорядный цилиндрический роликовый подшипник. |
| 226W3 | Корпусной подшипник с установочным винтом. |
Модификации шарикового подшипника 226К — это измененное основное конструктивное исполнение 226, основные размеры (130x230x40) не отличаются.
| Обозначение | Конструктивные особенности | Внутренний (d) | Наружный (D) | Ширина (B) |
|---|---|---|---|---|
| 70-32226 М | Роликовый радиальный однорядный подшипник. Модифицированный контакт.. | 130.00 | 230.00 | 40.00 |
| 6226NR | Шариковый радиальный однорядный подшипник. Канавка и стопорное кольцо на наружном кольце. | 130.00 | 230.00 | 40.00 |
| 6226N | Шариковый радиальный однорядный подшипник. Канавка для стопорного кольца на наружном кольце. | 130.00 | 230.00 | 40.00 |
| 6226-2RS1 | Шариковый радиальный однорядный подшипник. Усиленные листовой сталью контактные уплотнения из акрилонитрил-бутадиенового каучука (NBR) с обеих сторон подшипника. | 130.00 | 230.00 | 40.00 |
| 6226-RS1 | Шариковый радиальный однорядный подшипник. Резиновое уплотнение с одной стороны. | 130.00 | 230.00 | 40.00 |
| 42226-КМ | Роликовый радиальный однорядный подшипник. Модифицированный контакт.. | 130.00 | 230.00 | 40.00 |
| 42226-Л | Роликовый радиальный однорядный подшипник. Сепаратор из латуни.. | 130.00 | 230.00 | 40.00 |
| 42226-М | Роликовый радиальный однорядный подшипник. Модифицированный контакт.. | 130.00 | 230.00 | 40.00 |
| 46226-Л | Шариковый радиально-упорный однорядный подшипник. Сепаратор из латуни.. | 130.00 | 230.00 | 40.00 |
| 46226К | Шариковый радиально-упорный однорядный подшипник. «Замок» (скос) на внутреннем кольце плюс массивный сепаратор из текстолита. | 130.00 | 230.00 | 40.00 |
| 5-2226 М | Роликовый радиальный однорядный подшипник. Модифицированный контакт.. | 130.00 | 230.00 | 40.00 |
| 5-32226 МШ3 | Роликовый радиальный однорядный подшипник. Модифицированный контакт.. Нормы шумности. | 130.00 | 230.00 | 40.00 |
| 5-46226 АЛ9 | Шариковый радиально-упорный однорядный подшипник. Повышенная грузоподъемность. Сепаратор из латуни.. | 130.00 | 230.00 | 40.00 |
| 5-46226 Л | Шариковый радиально-упорный однорядный подшипник. Сепаратор из латуни.. | 130.00 | 230.00 | 40.00 |
| 5-46228 Л | Шариковый радиально-упорный однорядный подшипник. Сепаратор из латуни.. | 130.00 | 230.00 | 40.00 |
Способы доставки
Отправка через ведущие транспортные и курьерские компании: ПЭК, Деловые Линии, СДЭК, Байкал-Сервис, Энергия, КИТ, ЖелДорЭкспедиция.
Самовывоз возможен напрямую со склада в Москве.
Сроки доставки
Срок зависит от региона и выбранной транспортной компании. Все заказы комплектуются и отправляются в кратчайшие сроки со склада в Москве.
Надёжность и сохранность
Вся продукция упаковывается с учётом требований транспортировки. Мы гарантируем, что подшипники и комплектующие прибудут к заказчику в полной сохранности.
Доставка в страны ЕАЭС
Мы работаем с проверенными логистическими партнёрами, что позволяет оперативно доставлять заказы в Беларусь, Казахстан, Армению и другие страны ЕАЭС.
Варианты оплаты:
Минимальная сумма заказа и скидки:
Документы и гарантии:
Да, конечно! Наши технические специалисты готовы помочь вам с подбором точного аналога или замены подшипника. Просто позвоните нам по телефону +7 (495) 104-99-04 или напишите на почту zakaz@podsnab.ru.
Для оперативной консультации подготовьте, пожалуйста, имеющиеся данные: маркировку, размеры, тип оборудования или артикул старого подшипника.
Да, конечно! Мы высоко ценим долгосрочное сотрудничество и доверие клиентов по всей России. Для постоянных клиентов действует персональная система скидок.
Условия формируются индивидуально и зависят от:
Чтобы узнать свои условия и получить максимально выгодное предложение, свяжитесь с персональным менеджером или напишите нам на почту zakaz@podsnab.ru.
Вы можете оформить заказ несколькими способами:
Для оформления заказа от юридического лица свяжитесь с нашим отделом по работе с корпоративными клиентами по телефону +7 (495) 104-99-04 или напишите на email zakaz@podsnab.ru, прикрепив реквизиты вашей организации.
Мы оперативно подготовим коммерческое предложение и выставим счет.
Возврат товара надлежащего качества возможен в течение 10 дней с момента получения, если товар не был в употреблении, сохранен товарный вид, упаковка не вскрывалась и присутствуют все сопроводительные документы.
Возврат денежных средств осуществляется в течение 10 рабочих дней после проверки товара складом.
В соответствии с законодательством возврату не подлежат подшипники надлежащего качества, если отсутствует оригинальная упаковка или имеются следы монтажа.
В случае выявления брака или гарантийного случая мы гарантируем возврат или обмен товара.
Да, гарантийный срок хранения устанавливается заводом-изготовителем и в среднем составляет 2 года при соблюдении условий хранения: сухое помещение, оригинальная упаковка и смазка.
Точный срок для конкретного типа подшипника уточняйте у наших менеджеров.
Пн–Пт: с 8:00 до 17:00 (МСК).
Сб–Вс: выходные дни.
Заказы на сайте принимаются круглосуточно. Заявки, поступившие после окончания рабочего дня, обрабатываются на следующий рабочий день.
Минимальная сумма заказа для доставки составляет 3000 рублей. Самовывоз со склада возможен на любую сумму при наличии товара.
ООО «УралТехГрупп»
ИНН: 7415093830
КПП: 772401001
ОГРН: 1167456069021
Банк: ПАО Сбербанк
Р/с: 40702810838000475273
К/с: 30101810400000000225
БИК: 044525225
У подшипника 226К пока нет отзывов. Вы можете стать первым покупателем, поделившимся своим мнением.